Dynamic Reconfiguration for Energy Management in EV and RES-Based Grids Using IWOA
Abstract
1. Introduction
1.1. Motivation
1.2. Literature Review
1.3. Challenges and Contributions
- To develop a dynamic mathematical model for distribution network reconfiguration that enables optimal energy management in the presence of Electric Vehicle Charging Stations (EVCSs), Renewable Energy Sources (RESs), and capacitors. The model incorporates both Vehicle-to-Grid (V2G) and Grid-to-Vehicle (G2V) operational modes of electric vehicles.
- To design and implement an improved Whale Optimization Algorithm (IWOA) to solve the Dynamic Network Reconfiguration (DNR) problem with the dual objectives of minimizing Energy Not Supplied (ENS) and operational costs. The enhanced algorithm addresses the local optima problem commonly encountered in the standard WOA.
- To establish a multi-objective optimization framework using a fuzzy-based Pareto approach to balance ENS and operational cost objectives. The objective function includes comprehensive operational costs, covering the expenses related to purchasing both active and reactive power from all relevant equipment and sources within the network.
- To propose a realistic uncertainty modeling approach based on generation/reduction techniques to represent stochastic parameters such as electricity prices and customer demand. This approach enables network operators to identify optimal operating conditions under uncertainty, improving the robustness of decision-making in real-world power systems.
2. Problem Formulation
2.1. Objective Functions
- Operational cost
- Energy not supplied
2.2. Optimization Constraints
2.3. Uncertainty Modeling
Scenario Generation and Reduction Strategy
2.4. Demand Response Formulation
3. Solution Method
3.1. Multi-Objective Strategy
3.2. Improved WOA
- 1.
- Encircling Prey:
- 2.
- Bubble-Net Method of Attack:
- 3.
- Phase of Exploration:
4. Simulation Results
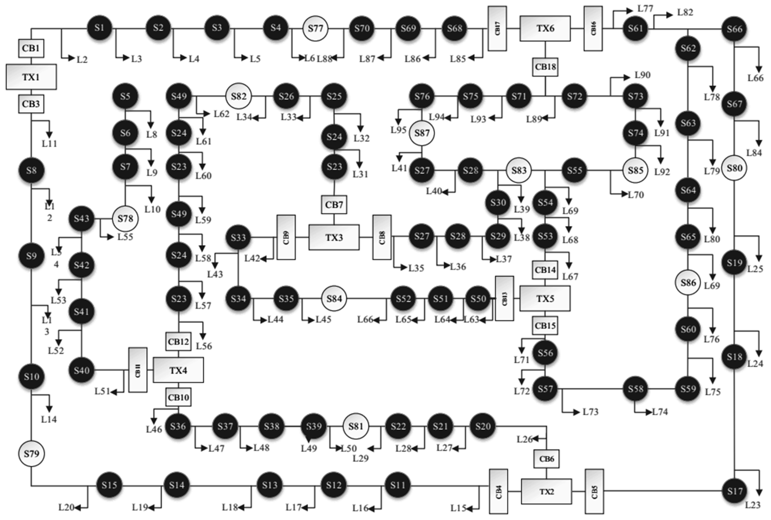
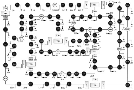
4.1. Case Study
4.2. Scenario 1
4.3. Scenario 2
4.4. Analysis of Pareto-Optimal Solutions
5. Conclusions
- The proposed approach effectively optimizes energy management in distribution networks with EV charging stations, distributed generation (DGs), and capacitors through dynamic network reconfiguration.
- The Whale Optimization Algorithm (WOA) successfully solves the complex multi-objective optimization problem by minimizing both operational costs and Energy Not Supplied (ENS). Compared to existing methods, the proposed algorithm achieves superior results by reducing total operating costs and improving system dependability.
- Incorporating demand response (DR) programs enhances system reliability and significantly reduces Energy Not Supplied (ENS), even under uncertain operating conditions. By enabling flexible load adjustments and peak shaving, DR contributes to better load balancing and improved voltage profiles across the network, which is especially beneficial in scenarios with high variability in demand or renewable generation.
- Although uncertainties necessitate more conservative decision-making to ensure system robustness, demand response mechanisms help mitigate their negative impacts on overall system performance. DR acts as a distributed and responsive resource that provides operational flexibility, allowing the system to maintain acceptable performance levels despite fluctuations in load profiles, renewable output, or market prices.
Author Contributions
Funding
Data Availability Statement
Conflicts of Interest
Abbreviations
| The price of ith DG and the price of sth sub-station at hth time interval | |
| Switching costs at the hth time interval | |
| NDG and Nsw | The number of DG and the number of DG |
| The prices of kth EVCS and lth capacitor at hth time interval | |
| and | The total repair and restoration time for all upstream and downstream branches of the ith node |
| and | The repair and restoration timeframes between nodes i and j |
| V, | The group of nodes that a feeder supplies, the unsupplied load downstream of the ith point after a fault occurs |
| Nbus, Nsource | The number of nodes and substations |
| Qj and Pj | The reactive and active powers that were injected into the ith bus |
| Yij and ij | The line’s amplitude and angle between the ith and jth nodes |
| Vi and δi | The voltage at node I and its angle |
| Vmin and Vmax | The bus’s permitted maximum and minimum voltages |
| and | The maximum current and amplitude of feeder i |
| LDG, PDG | The location of DG, the output of DG |
| Nswitch | The number of switches |
| S0i and Si | The primary and secondary operating modes of the ith switch |
| Qmin and Qmax | The capacitor’s minimum and maximum allowable reactive power of lth capacitor |
| PEVCS, Nc | The total power consumption of the EVCSs, the number of EVCSs in the network |
| pEVv | The power consumption of the EV v at the EVCS c |
| d0, ρ0 | The initial demand (USD/kWh), The spot electricity price (USD/kWh) |
| pDR(j) and p(j) | The consumption load after to and before DR |
| hj (X) and gi (X) | Equal and unequal constraints |
| , βi | The fuzzy set of the ith objective function , the weight of ith objective |
| The objective function’s upper and lower bounds | |
| m, n | Number of objective functions, number of non-dominant solutions |
| Best position | |
| A, D | Coefficient vector, distance vector |
| b, l | Control coefficient, random number in [−1,1] |
| Xnew, Xcurrent | new position after the jump, current position |
| α | Scaling factor controlling the jump intensity |
References
- Rene, E.A.; Fokui, W.S.T.; Kouonchie, P.K.N. Optimal allocation of plug-in electric vehicle charging stations in the distribution network with distributed generation. Green Energy Intell. Transp. 2023, 2, 100094. [Google Scholar] [CrossRef]
- Maurya, P.; Tiwari, P.; Pratap, A. Enhanced secretary bird optimization algorithm for enhanced DG deployment and reconfiguration in electrical distribution networks to improve power system efficiency. Evol. Intell. 2025, 18, 52. [Google Scholar] [CrossRef]
- Tran, T.T.; Truong, K.H.; Vo, D.N. Stochastic fractal search algorithm for reconfiguration of distribution networks with distributed generations. Ain Shams Eng. J. 2020, 11, 389–407. [Google Scholar] [CrossRef]
- Nguyen, T.T.; Nguyen, T.T.; Nguyen, N.A.; Duong, T.L. A novel method based on coyote algorithm for simultaneous network reconfiguration and distribution generation placement. Ain Shams Eng. J. 2021, 12, 665–676. [Google Scholar] [CrossRef]
- Shaheen, A.; Elsayed, A.; El-Sehiemy, R.A.; Abdelaziz, A.Y. Equilibrium optimization algorithm for network reconfiguration and distributed generation allocation in power systems. Appl. Soft Comput. 2021, 98, 106867. [Google Scholar] [CrossRef]
- Sunil, A.; Venkaiah, C. Multi-objective adaptive fuzzy campus placement based optimization algorithm for optimal integration of DERs and DSTATCOMs. J. Energy Storage 2024, 75, 109682. [Google Scholar] [CrossRef]
- Maurya, P.; Tiwari, P.; Pratap, A. Electric eel foraging optimization algorithm for distribution network reconfiguration with distributed generation for power system performance enhancement considerations different load models. Comput. Electr. Eng. 2024, 119, 109531. [Google Scholar] [CrossRef]
- Bagheri, A.; Bagheri, M.; Lorestani, A. Optimal reconfiguration and DG integration in distribution networks considering switching actions costs using tabu search algorithm. J. Ambient. Intell. Humaniz. Comput. 2021, 12, 7837–7856. [Google Scholar] [CrossRef]
- Kamel, S.; Khasanov, M.; Jurado, F.; Kurbanov, A.; Zawbaa, H.M.; Alathbah, M.A. Simultaneously distributed generation allocation and network reconfiguration in distribution network considering different loading levels. IEEE Access 2023, 11, 105916–105934. [Google Scholar] [CrossRef]
- Sadeghi, S.; Jahangiri, A.; Shamim, A.G. Optimal reconfiguration of a smart distribution network in the presence of shunt capacitors. Electr. Eng. 2024, 106, 603–614. [Google Scholar] [CrossRef]
- Sanam, J. Optimization of planning cost of radial distribution networks at different loads with the optimal placement of distribution STATCOM using differential evolution algorithm. Soft Comput. 2020, 24, 13269–13284. [Google Scholar] [CrossRef]
- Biswal, S.R.; Shankar, G.; Elavarasan, R.M.; Mihet-Popa, L. Optimal allocation/sizing of DGs/capacitors in reconfigured radial distribution system using quasi-reflected slime mould algorithm. IEEE Access 2021, 9, 125658–125677. [Google Scholar] [CrossRef]
- Saw, B.K.; Bohre, A.K.; Jobanputra, J.H.; Kolhe, M.L. Solar-DG and DSTATCOM concurrent planning in reconfigured distribution system using APSO and GWO-PSO based on novel objective function. Energies 2022, 16, 263. [Google Scholar] [CrossRef]
- Raut, U.; Mishra, S. Enhanced sine–cosine algorithm for optimal planning of distribution network by incorporating network reconfiguration and distributed generation. Arab. J. Sci. Eng. 2021, 46, 1029–1051. [Google Scholar] [CrossRef]
- Yu, J.; Guo, Q.; Li, L. Optimal configuration of distributed wind turbines with D-STATCOMs for improving voltage recovery capability of sensitive nodes. Electr. Eng. 2024, 106, 1079–1091. [Google Scholar] [CrossRef]
- Huy, T.H.B.; Van Tran, T.; Vo, D.N.; Nguyen, H.T.T. An improved metaheuristic method for simultaneous network reconfiguration and distributed generation allocation. Alex. Eng. J. 2022, 61, 8069–8088. [Google Scholar] [CrossRef]
- Wang, H.J.; Pan, J.S.; Nguyen, T.T.; Weng, S. Distribution network reconfiguration with distributed generation based on parallel slime mould algorithm. Energy 2022, 244, 123011. [Google Scholar] [CrossRef]
- Singh, J.; Tiwari, R. Real power loss minimisation of smart grid with electric vehicles using distribution feeder reconfiguration. IET Gener. Transm. Distrib. 2019, 13, 4249–4261. [Google Scholar] [CrossRef]
- Stojanović, B.; Rajić, T.; Šošić, D. Distribution network reconfiguration and reactive power compensation using a hybrid Simulated Annealing–Minimum spanning tree algorithm. Int. J. Electr. Power Energy Syst. 2023, 147, 108829. [Google Scholar] [CrossRef]
- Parihar, S.S.; Malik, N. Network reconfiguration in the presence of optimally integrated multiple distributed generation units in a radial distribution network. Eng. Optim. 2024, 56, 679–699. [Google Scholar] [CrossRef]
- Wang, J.; Wang, W.; Wang, H.; Zuo, H. Dynamic reconfiguration of multiobjective distribution networks considering DG and EVs based on a novel LDBAS algorithm. IEEE Access 2020, 8, 216873–216893. [Google Scholar] [CrossRef]
- Kumar, N.; Quadri, I.A.; Ahsan, S. Multi-objective based performance analysis of optimal reconfiguration and DSTATCOM allocation in distribution networks. Electr. Power Syst. Res. 2025, 248, 111868. [Google Scholar] [CrossRef]
- Samal, P.; Panigrahy, D. Simultaneous feeder reconfiguration, DSTATCOM allocation, and sizing using seagull optimization algorithm in unbalanced radial distribution systems. Soft Comput. 2024, 28, 6403–6421. [Google Scholar] [CrossRef]
- Kalidasan, M.; Sekar, T.G.; Mohanasundaram, T. Power loss reduction and voltage profile enhancement by reconfiguration of radial distribution system with hybrid optimization method. Therm. Sci. Eng. Prog. 2025, 57, 103105. [Google Scholar] [CrossRef]
- Santos, A.; McGuckin, N.; Nakamoto, H.Y.; Gray, D.; Liss, S. Summary of Travel Trends: 2009 National Household Travel Survey; United States Department of Transportation: Washington, DC, USA, 2011. [Google Scholar]
- Samadi, M.; Nikkhah, M.H.; Lotfi, H. Electric vehicles and the operation of multi-carrier energy systems in the smart grid: A review study. Int. J. Ambient. Energy 2024, 45, 2331231. [Google Scholar] [CrossRef]
- Sharma, K.C.; Jain, P.; Bhakar, R. Wind power scenario generation and reduction in stochastic programming framework. Electr. Power Compon. Syst. 2013, 41, 271–285. [Google Scholar] [CrossRef]
- Lotfi, H.; Ghazi, R. Optimal participation of demand response aggregators in reconfigurable distribution system considering photovoltaic and storage units. J. Ambient. Intell. Humaniz. Comput. 2021, 12, 2233–2255. [Google Scholar] [CrossRef]
- Nikkhah, M.H.; Samadi, M.; Lotfi, H.; Vafadoost, P. Agent-based machine learning assessment on real data for improvement of the daily load factor using demand response program. Sustain. Energy Grids Netw. 2024, 40, 101584. [Google Scholar] [CrossRef]
- Mirjalili, S.; Andrew, L. The whale optimization algorithm. Adv. Eng. Softw. 2016, 95, 51–67. [Google Scholar] [CrossRef]
- Mirjalili, S.; Hatamlou, A.; Yang, X.-S. Mixed variable structural optimization using grey wolf optimizer. Eng. Optim. 2016, 48, 663–686. [Google Scholar]
- Azizivahed, A.; Narimani, H.; Naderi, E.; Fathi, M.; Narimani, M.R. A hybrid evolutionary algorithm for secure multi-objective distribution feeder reconfiguration. Energy 2017, 138, 355–373. [Google Scholar] [CrossRef]













| Case Studies | ENS (kWh/Year) | Operational Cost (USD) |
|---|---|---|
| ENS optimization | 381.25 | 137,858.25 |
| Operational cost optimization | 485.21 | 136,535.23 |
| Two-objective optimization (BCS) | 386.25 | 137,453.25 |
| Algorithms | Best Solution | Mean Value | Worst Solution | Standard Deviation | CPU Time (s) |
|---|---|---|---|---|---|
| ESGA | 396.43 | 406.25 | 421.20 | 9.38 | 82 |
| ICA | 390.35 | 395.15 | 406.31 | 6.2 | 96 |
| IWO | 381.25 | 386.24 | 396.15 | 4.51 | 88 |
| Algorithms | Best Solution | Mean Value | Worst Solution | Standard Deviation | CPU Time (s) |
|---|---|---|---|---|---|
| ESGA | 136,620.56 | 136,667.52 | 136,725.42 | 33.36 | 64 |
| ICA | 136,599.23 | 136,641.15 | 136,695.56 | 31.35 | 78 |
| IWO | 136,535.23 | 136,575.23 | 136,620.52 | 29.59 | 69 |
| Hour | Open Switches | ||||||||||
|---|---|---|---|---|---|---|---|---|---|---|---|
| Sw1 | Sw2 | Sw3 | Sw4 | Sw5 | Sw6 | Sw7 | Sw8 | Sw9 | Sw10 | Sw11 | |
| 1 | 4 | 41 | 15 | 39 | 25 | 52 | 66 | 86 | 55 | 76 | 28 |
| 2 | 4 | 40 | 13 | 22 | 82 | 50 | 66 | 60 | 74 | 75 | 83 |
| 3 | 77 | 40 | 12 | 22 | 48 | 52 | 66 | 65 | 85 | 87 | 27 |
| 4 | 70 | 43 | 15 | 20 | 26 | 33 | 19 | 60 | 74 | 71 | 27 |
| 5 | 68 | 40 | 15 | 22 | 49 | 52 | 19 | 86 | 54 | 76 | 30 |
| 6 | 1 | 43 | 79 | 37 | 48 | 35 | 17 | 65 | 55 | 87 | 29 |
| 7 | 3 | 7 | 79 | 38 | 25 | 52 | 67 | 58 | 55 | 87 | 30 |
| 8 | 3 | 43 | 15 | 39 | 49 | 52 | 19 | 86 | 55 | 32 | 30 |
| 9 | 3 | 78 | 15 | 36 | 82 | 52 | 19 | 60 | 72 | 76 | 83 |
| 10 | 4 | 43 | 8 | 81 | 49 | 50 | 67 | 65 | 55 | 71 | 30 |
| 11 | 70 | 43 | 8 | 39 | 46 | 34 | 66 | 65 | 55 | 76 | 28 |
| 12 | 4 | 43 | 15 | 22 | 26 | 84 | 19 | 60 | 74 | 87 | 30 |
| 13 | 70 | 43 | 15 | 39 | 44 | 35 | 19 | 65 | 55 | 76 | 28 |
| 14 | 4 | 41 | 15 | 39 | 49 | 84 | 67 | 65 | 55 | 71 | 30 |
| 15 | 4 | 5 | 79 | 20 | 82 | 52 | 67 | 64 | 74 | 76 | 83 |
| 16 | 3 | 40 | 13 | 22 | 49 | 50 | 66 | 58 | 55 | 75 | 83 |
| 17 | 2 | 43 | 15 | 38 | 49 | 52 | 67 | 65 | 55 | 32 | 83 |
| 18 | 4 | 43 | 15 | 39 | 82 | 52 | 19 | 65 | 74 | 75 | 30 |
| 19 | 3 | 42 | 9 | 38 | 49 | 52 | 80 | 65 | 74 | 32 | 28 |
| 20 | 3 | 5 | 12 | 22 | 25 | 35 | 67 | 65 | 72 | 76 | 30 |
| 21 | 4 | 7 | 79 | 37 | 48 | 35 | 19 | 64 | 55 | 87 | 83 |
| 22 | 70 | 7 | 15 | 38 | 45 | 34 | 67 | 60 | 74 | 75 | 30 |
| 23 | 70 | 40 | 15 | 39 | 26 | 35 | 66 | 65 | 55 | 87 | 83 |
| 24 | 4 | 43 | 10 | 38 | 23 | 52 | 66 | 65 | 74 | 75 | 30 |
| Case Studies | ENS (kWh/Year) | Operational Cost (USD) |
|---|---|---|
| ENS optimization | 367.45 | 137,545.25 |
| Operational cost optimization | 453.21 | 136,215.23 |
| Two-objective optimization (BCS) | 373.25 | 137,196.19 |
| Case Studies | ENS (kWh/Year) | Operational Cost (USD) |
|---|---|---|
| ENS optimization | 374.15 | 138,256.16 |
| Operational cost optimization | 473.16 | 136,273.19 |
| Two-objective optimization (BCS) | 379.25 | 137,379.56 |
| Hour | Opened Switches | ||||||||||
|---|---|---|---|---|---|---|---|---|---|---|---|
| Sw1 | Sw2 | Sw3 | Sw4 | Sw5 | Sw6 | Sw7 | Sw8 | Sw9 | Sw10 | Sw11 | |
| 1 | 77 | 7 | 14 | 81 | 82 | 84 | 19 | 56 | 55 | 75 | 30 |
| 2 | 68 | 40 | 9 | 81 | 26 | 33 | 66 | 63 | 55 | 75 | 30 |
| 3 | 4 | 40 | 15 | 81 | 23 | 84 | 80 | 64 | 55 | 76 | 28 |
| 4 | 70 | 78 | 14 | 37 | 23 | 84 | 67 | 64 | 85 | 87 | 30 |
| 5 | 4 | 40 | 14 | 22 | 26 | 50 | 67 | 64 | 55 | 32 | 30 |
| 6 | 68 | 78 | 15 | 39 | 49 | 35 | 19 | 65 | 85 | 75 | 30 |
| 7 | 68 | 7 | 15 | 22 | 26 | 35 | 67 | 64 | 55 | 32 | 30 |
| 8 | 70 | 78 | 9 | 36 | 24 | 50 | 67 | 63 | 55 | 32 | 28 |
| 9 | 4 | 7 | 10 | 37 | 26 | 84 | 19 | 62 | 55 | 76 | 30 |
| 10 | 4 | 7 | 15 | 39 | 26 | 52 | 19 | 60 | 55 | 32 | 30 |
| 11 | 4 | 78 | 10 | 37 | 44 | 84 | 19 | 58 | 72 | 32 | 30 |
| 12 | 4 | 6 | 14 | 37 | 82 | 84 | 67 | 65 | 85 | 76 | 83 |
| 13 | 70 | 7 | 15 | 22 | 82 | 35 | 67 | 58 | 55 | 32 | 29 |
| 14 | 4 | 78 | 15 | 39 | 26 | 84 | 19 | 64 | 85 | 32 | 27 |
| 15 | 4 | 78 | 15 | 22 | 26 | 35 | 16 | 64 | 55 | 75 | 30 |
| 16 | 4 | 6 | 15 | 37 | 82 | 33 | 67 | 64 | 72 | 87 | 29 |
| 17 | 1 | 5 | 15 | 36 | 82 | 35 | 67 | 59 | 85 | 32 | 30 |
| 18 | 68 | 78 | 14 | 36 | 26 | 34 | 67 | 65 | 72 | 32 | 83 |
| 19 | 4 | 5 | 15 | 39 | 45 | 84 | 67 | 64 | 85 | 71 | 30 |
| 20 | 70 | 43 | 79 | 37 | 26 | 50 | 67 | 56 | 74 | 76 | 27 |
| 21 | 70 | 5 | 15 | 39 | 49 | 50 | 67 | 60 | 55 | 76 | 83 |
| 22 | 70 | 7 | 15 | 81 | 82 | 35 | 19 | 63 | 74 | 32 | 83 |
| 23 | 4 | 78 | 79 | 22 | 26 | 84 | 67 | 64 | 55 | 75 | 27 |
| 24 | 70 | 78 | 14 | 22 | 49 | 50 | 19 | 64 | 85 | 76 | 30 |
Disclaimer/Publisher’s Note: The statements, opinions and data contained in all publications are solely those of the individual author(s) and contributor(s) and not of MDPI and/or the editor(s). MDPI and/or the editor(s) disclaim responsibility for any injury to people or property resulting from any ideas, methods, instructions or products referred to in the content. |
© 2025 by the authors. Published by MDPI on behalf of the World Electric Vehicle Association. Licensee MDPI, Basel, Switzerland. This article is an open access article distributed under the terms and conditions of the Creative Commons Attribution (CC BY) license (https://creativecommons.org/licenses/by/4.0/).
Share and Cite
Lotfi, H.; Nikkhah, M.H.; Hajiabadi, M.E. Dynamic Reconfiguration for Energy Management in EV and RES-Based Grids Using IWOA. World Electr. Veh. J. 2025, 16, 412. https://doi.org/10.3390/wevj16080412
Lotfi H, Nikkhah MH, Hajiabadi ME. Dynamic Reconfiguration for Energy Management in EV and RES-Based Grids Using IWOA. World Electric Vehicle Journal. 2025; 16(8):412. https://doi.org/10.3390/wevj16080412
Chicago/Turabian StyleLotfi, Hossein, Mohammad Hassan Nikkhah, and Mohammad Ebrahim Hajiabadi. 2025. "Dynamic Reconfiguration for Energy Management in EV and RES-Based Grids Using IWOA" World Electric Vehicle Journal 16, no. 8: 412. https://doi.org/10.3390/wevj16080412
APA StyleLotfi, H., Nikkhah, M. H., & Hajiabadi, M. E. (2025). Dynamic Reconfiguration for Energy Management in EV and RES-Based Grids Using IWOA. World Electric Vehicle Journal, 16(8), 412. https://doi.org/10.3390/wevj16080412

