Abstract
In this paper, a fault diagnosis method for permanent magnet synchronous motors is proposed, combining wavelet packet transform (WPT) energy feature extraction and a genetic algorithm (GA)-optimized back propagation (BP) neural network. Firstly, for the common types of motor faults (turn-to-turn short-circuit, phase-to-phase short-circuit, loss of magnetism, inverter open-circuit, rotor eccentricity), a corresponding motor fault model is established. The stator current signals during motor operation are analyzed using wavelet packet transform, and energy features are extracted from them as feature vectors for fault diagnosis. Then, a BP neural network is constructed, and a genetic algorithm is used to optimize its initial weights and thresholds, thereby improving the network’s classification accuracy. The results show that the GA-BP model outperforms the SSA-PNN diagnostic model in terms of fault classification accuracy. In particular, for the diagnosis of normal operation, inverter open-circuit, and demagnetization faults, the accuracy rate reaches 100%. This method demonstrates high diagnostic accuracy and practical application value.
1. Introduction
Due to the advantages of high power density, precise torque control, compact size, and low noise, permanent magnet synchronous motors (PMSMs) have seen widespread adoption in a variety of industrial applications in recent years [1]. However, PMSMs also face several challenges, such as high power density, limited installation space, and heat dissipation difficulties, which contribute to their high failure rate [2]. As a core component in the system, the reliability of the motor is critical to the overall system performance. When a motor fails, it may trigger a chain reaction, potentially causing the collapse of the entire system [3]. Therefore, early fault detection in motors is of great significance in ensuring the normal operation of the system. While several experts and scholars have conducted extensive research on PMSM faults, most studies focus on the identification and diagnosis of a single or a few faults. In practical applications, however, multiple fault types often occur simultaneously, limiting the adaptability of single-fault diagnostic methods [4]. Consequently, fault diagnosis methods for multiple fault scenarios in PMSMs have become a research hotspot.
In motor fault diagnosis, signal analysis is a commonly used method for fault feature extraction, which can effectively detect potential faults by analyzing the signals collected during motor operation. Common stator current signal processing methods in practice include current normalization [5], wavelet transform [6], Fast Fourier Transform (FFT) [7], and Hilbert–Huang transform (HHT) [8]. These methods are used to extract fault features by transforming motor operation signals into the frequency domain. In [9], the authors analyzed the current and voltage harmonic components of a turn-to-turn short-circuit faulty motor and used Fast Fourier Transform (FFT) to obtain space vector spectral features for fault detection. In [10], the authors proposed an Analysis of Variance (ANOVA)-based method that uses experimental data to diagnose faults in Variable Frequency Drive (VFD)-powered induction motors. In [11], the authors coupled a transient finite element model of an asynchronous motor with an external circuit to investigate its end characteristics and applied discrete wavelet transform to fault diagnosis. In [12], the authors determined the eigenfrequency of the demagnetization fault through finite element analysis, then extracted the instantaneous frequency components of the stator current using Empirical Mode Decomposition (EMD), and analyzed each of the eigenmode components by Hilbert–Huang transform. In [13], the authors proposed a method combining vibration and stator current signals by obtaining the spectrograms of both signals using FFT, then fusing these spectrograms for more accurate fault diagnosis. However, using the Fourier transform to identify specific harmonics and their content in stator current as fault features may result in misclassification due to the various causes of harmonic variations [14]. For example, environmental factors and load changes can affect the spectral characteristics of the current signal. In contrast, wavelet packet analysis offers better time–frequency domain resolution and can decompose both the low- and high-frequency components of the fault signal simultaneously, thus more effectively extracting fault features [15]. Wavelet packet transform provides a more refined signal decomposition process and delivers more frequency band information, enabling it to better identify characteristic signals in complex fault scenarios.
Artificial intelligence methods have been widely applied in electric motor fault diagnosis, improving diagnostic efficiency and reliability. In [16], genetic algorithms are used to diagnose faults in fuzzy neural networks. Although the accuracy has improved compared to traditional diagnostic methods, the training data are overly simplistic and unrepresentative, leading to significant discrepancies between the selected data and actual fault types, indicating room for improvement. In [17], the authors applied the Radial Basis Function (RBF) neural network to fault diagnosis and compared the advantages and disadvantages of RBF and BP neural networks, highlighting RBF’s advantages in diagnosis. BP neural networks have a simple structure, making them suitable for solving complex internal mechanisms and capable of approximating any nonlinear function with arbitrary accuracy. Through the backpropagation algorithm, the BP neural network continuously adjusts the network weights and thresholds, minimizing the difference between actual and desired outputs [18]. This method has been widely adopted in fault diagnosis systems across various fields [19]. However, one major problem with BP neural networks is the random selection of initial weights and thresholds, which can lead to an unstable training process, failure to converge, and a tendency to fall into local minima, resulting in significant variation in results across different training sessions [20]. To overcome this issue, genetic algorithms (GA) can be used for the global optimization of BP neural networks’ initial weights and thresholds. The global optimization and robustness of genetic algorithms help avoid local minima and improve network classification accuracy [21]. By inputting the optimized results into the BP network for training, this approach not only leverages the powerful mapping capability of BP neural networks, but also significantly enhances the accuracy and reliability of fault diagnosis.
Combining the above analyses, this paper first establishes a simulation model for common fault types of permanent magnet synchronous motors using Matlab/Simulink(R2023a) and Ansoft/Maxwell (Ansoft Maxwell 16.0). To avoid the issues of using raw current signals as fault feature vectors, which may result in excessive input dimensions or dimensional catastrophe, this paper employs wavelet packet transform to extract the energy features of stator current signals during motor operation. The energy features of each frequency band are then extracted as input vectors for the diagnostic model. Next, a BP neural network is constructed. To address the convergence issues and the tendency to fall into local minima in traditional BP neural networks, this paper optimizes the network’s initial weights and thresholds using genetic algorithms to improve classification accuracy and robustness.
2. PMSM Fault Modeling
In this study, Matlab/Simulink is employed to model, simulate, and analyze turn-to-turn short-circuit faults, phase-to-phase short-circuit faults, demagnetization faults, and inverter open-circuit faults. While Simulink is primarily utilized for system-level dynamic simulations, particularly for rotor eccentricity faults, it lacks high-precision modeling capabilities for internal magnetic field distribution, air gap variations, and their detailed effects on motor performance. Therefore, Ansoft/Maxwell is used specifically for simulating rotor eccentricity faults. However, it is not employed for the simulation of other faults due to the following considerations.
As finite element analysis (FEA) software, Ansoft/Maxwell excels at accurately computing the electromagnetic field distribution of motors, making it well suited for studying the effects of air gap magnetization variations caused by rotor eccentricity faults. Conversely, for electrical faults such as short circuits, demagnetization, and inverter faults, system-level dynamic characteristics are more critical. Matlab/Simulink is more appropriate for modeling and analysis in these cases, as it can efficiently simulate motor control systems and visualize the effects of faults on the dynamic responses of current, voltage, and torque.
Additionally, finite element simulations are computationally intensive. Conducting all fault simulations in Ansoft/Maxwell would significantly increase computational costs. Therefore, to balance computational accuracy and efficiency, Ansoft/Maxwell is exclusively used for rotor eccentricity fault analysis. The motor parameters used in this study are presented in Table 1.
Table 1.
Motor parameters.
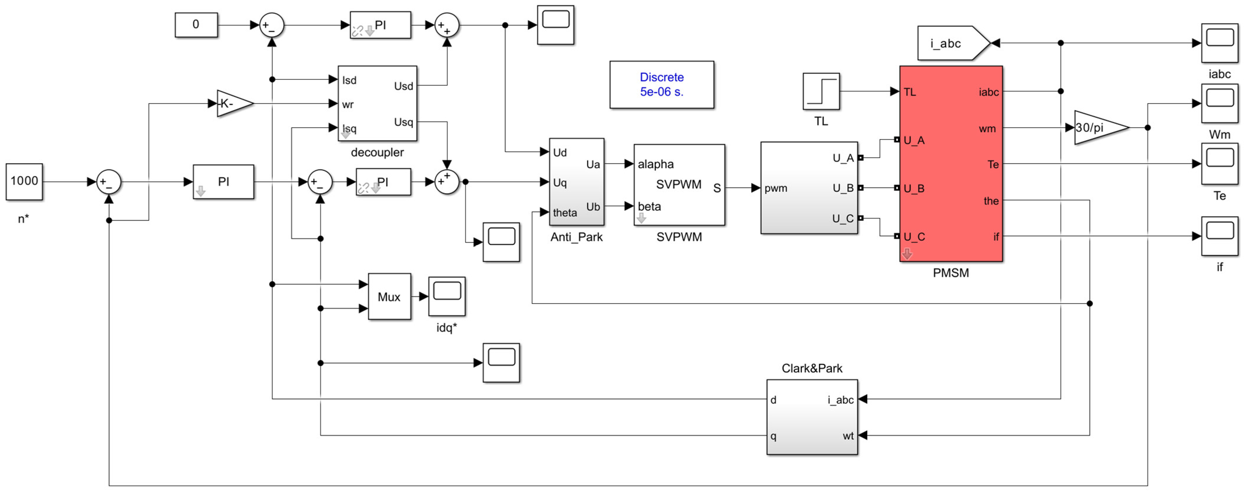
Based on the double closed-loop vector control principle, a fault simulation model for the PMSM is constructed using the Simulink modular modeling approach, as illustrated in Figure 1. This model serves as the foundation for simulating turn-to-turn short-circuit faults, phase-to-phase short-circuit faults, demagnetization faults, and inverter open-circuit faults.
Figure 1.
PMSM fault simulation model.
Stator turn-to-turn short circuits are the most common type of fault in permanent magnet synchronous motors (PMSMs). They are caused by the breakage of the insulation inside the same-phase winding, resulting in a short circuit between multiple coil turns [22]. The equivalent circuit in the case of a short circuit between turns in phase B is shown in Figure 2. When an inter-turn short-circuit fault occurs in the motor, a nonlinear model of the permanent magnet synchronous motor inter-turn short-circuit fault is constructed by adding a short-circuit branch to the short-circuited phase, and the voltage equation of the fault model is as follows:
where , , , and denote the voltage, resistance, current, and winding chain of the three-phase and short-circuit phase windings, respectively.
Figure 2.
Equivalent circuit diagram of B-phase turn-to-turn short circuit.
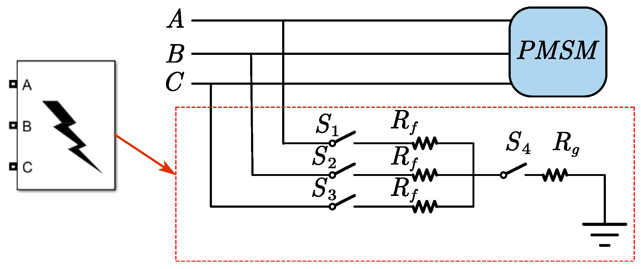
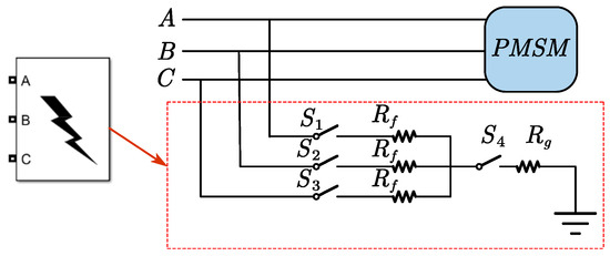
When an inter-phase short-circuit fault occurs, a short-circuit fault between any two phases of the motor can be simulated by using the three-phase fault module in Simulink, setting the fault time and the location of the faulted phase. The three-phase fault module and its internal structure are shown in Figure 3.
Figure 3.
Schematic diagram of three-phase fault module and its internal structure.
When a demagnetization fault occurs, appropriate modifications can be made to the original mathematical model to reflect the fault. By introducing the demagnetization scale factor into the normal motor magnetic chain equation, the magnetic chain equation during the demagnetization fault can be expressed as
When an open-circuit fault occurs in the IGBT of the inverter, the drive signals of the power devices are controlled by the high and low levels of the step module to simulate the occurrence of an open-circuit fault in the inverter. The result of the inverter open-circuit topology is shown in Figure 4.
Figure 4.
Inverter open circuit fault topology diagram.
Rotor eccentricity fault in a motor refers to the displacement of the rotor’s rotational axis from the geometric center of the stator–rotor system, resulting in a non-uniform circumferential distribution of the air gap. In the simulation, this fault is modeled by adjusting the rotor’s geometric center through displacement. Using the Maxwell platform and the eccentric modeling tool in the ACT extension module, static, dynamic, and mixed eccentricity modes can be configured.
In this study, the motor’s air gap length is set to 1 mm, and for the mixed eccentricity fault, both static and dynamic eccentricities are configured at 0.2 mm. The fault model is illustrated in Figure 5, and the simulation data for rotor eccentricity are based on the motor parameters presented in Table 1.
Figure 5.
Schematic diagram of rotor eccentricity fault model and its air gap variation.
The simulation model of the drive system with normal double-closed-loop vector control is established using Matlab/Simulink, and faults such as turn-to-turn short-circuit, phase-to-phase short-circuit, permanent magnet demagnetization, and inverter open-circuit are simulated and analyzed. Simultaneously, the simulation analysis of rotor eccentricity faults is carried out using Ansoft/Maxwell. Through the comprehensive analysis of voltage, current, and torque waveforms under fault conditions, it was found that the stator current can serve as a characteristic signal for fault diagnosis.
3. Fault Feature Extraction
Wavelet packet transform is a signal processing method developed based on traditional wavelet analysis. Unlike the wavelet transform, which only decomposes the low-frequency part, the wavelet packet transform can simultaneously decompose both the low-frequency and high-frequency parts of the signal more finely, thereby effectively improving the time–frequency resolution. This method is especially suitable for processing gradient signals [23]. By wavelet packet decomposition, the detailed features of the signal can be captured more accurately, particularly in the high-frequency band, compensating for the shortcomings of traditional wavelet analysis in terms of poor resolution in the high-frequency range. Each permanent magnet synchronous motor fault waveform signal has unique time–frequency characteristics, and after wavelet packet decomposition, the energy distribution in each frequency band will vary. Therefore, the energy features obtained from wavelet packet decomposition can be used as feature vectors for fault diagnosis [24].
In Figure 6, denotes the original signal, and represents the value of the node in the layer of the wavelet packet decomposition tree, with being the node number. The wavelet packet transform is used to extract the features of the fault signal, and the energy characteristics of the signal are utilized to construct the feature vector. The implementation steps are as follows:
Figure 6.
Schematic diagram of three-layer wavelet packet decomposition.
(1) The three-phase currents at the time of the fault are collected, and after P-layer wavelet packet decomposition, the feature information of each frequency band of the Pth layer is extracted. The recursive formula for wavelet packet decomposition is as follows:
Low-frequency analysis is performed using the filter h, which extracts the low-frequency components of the signal to generate the sub-band . High-frequency analysis is conducted using the filter g, which decomposes the high-frequency components and produces the corresponding high-frequency sub-band . Here, represents the signal coefficients at the current decomposition level, while and denote the coefficients of the low-pass and high-pass filters used in wavelet packet decomposition, respectively.
(2) The wavelet packet decomposition coefficients are reconstructed, and the recursive formula for wavelet packet reconstruction is as follows:
The terms and represent the coefficients of the low-pass and high-pass filters used in wavelet reconstruction, respectively. The notation denotes summation over all integer indices, k.
(3) Calculate the energy of each frequency band signal and construct the feature vector of the fault signal. Since the input and output signals are random signals, let be the energy of the wavelet packet decomposition coefficient sequence of node in layer , which can be calculated by Equation (7).
where is the wavelet packet coefficient of node . The term represents the total energy of the signal’s coefficients after the wavelet packet transform. This energy is approximated by squaring and summing the wavelet packet coefficients .The energy feature vector of the fault signal can be expressed as
(4) Normalize the feature vectors computed in step (3) so that the total energy of the signal is :
The fault feature vector after normalizing the total energy of the signal can be expressed as
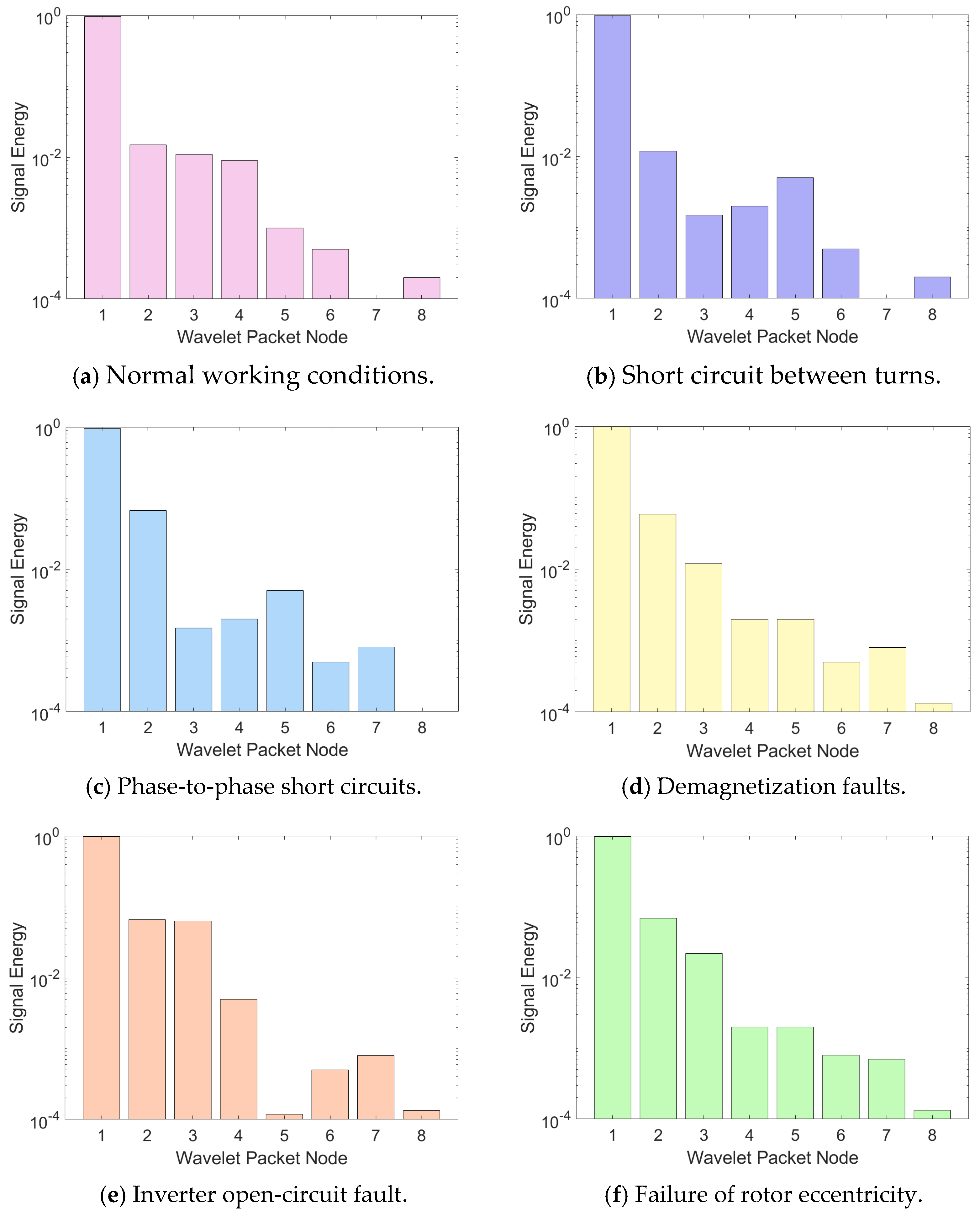
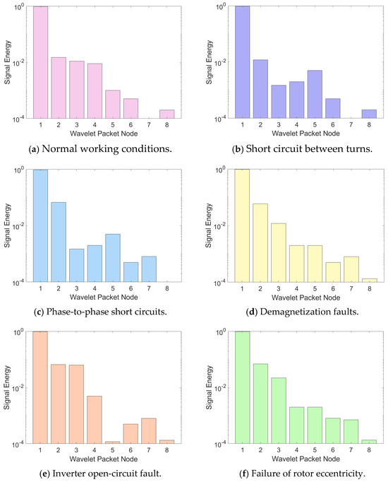
The current signals extracted from the Simulink fault simulation model undergo wavelet packet processing to enhance data quality and extract meaningful features. First, the db6 wavelet basis function, which is well-suited for fault diagnosis, is selected. The entropy type is set to “Shannon”, and the original signal is decomposed into three wavelet packet levels (P = 3). Following this decomposition, the signal is divided into eight frequency bands, each containing specific fault-related information. Figure 7 shows the energy distribution of the motor in six states under rated operating conditions, with each color corresponding to a fault type. The energy spectrum characteristics of different faults in each frequency band are different, indicating that wavelet packet analysis can effectively extract the characteristic information of different faults. Therefore, it is feasible to distinguish fault types through energy spectrum distribution, which further demonstrates the effectiveness of the drive system fault diagnosis method utilizing the wavelet packet energy spectrum.
Figure 7.
Energy distribution diagram.
4. BP Neural Network Fault Diagnosis
A BP neural network is a multilayer feed-forward neural network training based on the error backpropagation algorithm, consisting of an input layer, an output layer, and one or more uncoupled hidden layers [25].
Fault diagnosis based on BP neural networks consists of two steps: first, the network is trained using training samples to generate a model; then, the model is utilized to test the diagnostic samples. The dataset is randomly divided into 2 parts, with 800 groups used as training samples and 300 groups used as test samples to verify the diagnostic effect.
4.1. BP Neural Network Topology Design
Based on the constructed PMSM drive system fault simulation platform, a fault dataset is generated by configuring various speed–torque combination conditions, as shown in Table 2. A total of 100 samples are collected under normal conditions, while 200 samples are generated for each fault type, resulting in 1100 samples overall. The dataset is then split in an 8:3 ratio, with 800 samples allocated for training.
Table 2.
Motor failure simulation working condition settings.
- (1)
- Number of neurons in the input layer.
For the fault diagnosis problem, the number of neurons in the input layer is determined by the length of the fault feature vector. In this paper, the energy values of eight frequency bands obtained after the three-layer wavelet packet decomposition of the fault current signal are normalized and input into the neural network as feature vectors, so the number of neurons in the input layer is .
- (2)
- Number of neurons in the output layer
This study examines five typical fault modes, including winding turn-to-turn short circuit and phase-to-phase short circuit, along with normal operating conditions. The output layer of the network employs a multi-classification structure, where each operating state corresponds to a distinct output node. Consequently, the number of neurons in the output layer is . The specific expected response vector parameters are detailed in Table 3.
Table 3.
Target outputs corresponding to different failure modes.
- (3)
- Normalization
The mapminmax function is utilized to scale the data to the interval [−1, 1]. The formula for normalization is as follows:
where and are the maximum and minimum values, respectively, and are the data before and after normalization.
- (4)
- Activation function
The activation function of the hidden layer is “tansig,” which can map the output value of the hidden layer to [−1, 1]. For the output layer, the logarithmic S-shaped function “logsig” is used, which can map the output value of the network to [0, 1]. The training algorithm is “Levenberg–Marquardt.”
- (5)
- Training parameters
The learning rate is set to 0.01, the mean square error is set to 0.03, the maximum number of iterations is set to 10,000, and the maximum number of failures is set to 6. The evaluation criterion for the training objectives is chosen as mean squared error (MSE), which is defined as follows:
where is the desired output, is the actual output, and is the number of outputs.
- (6)
- Structure of the implicit layer
The determination of the number of nodes in the implicit layer can refer to the following three empirical formulas:
where denotes the number of nodes in the implicit layer, and n has a range of values from 1 to 10 and is an integer. Usually, the range of the number of hidden layer nodes can be estimated by empirical formulas, and then optimized within the range by the trial-and-error method. Since the network training effect is closely related to the random initialization, the actual determination is carried out for 12 times of training, and after removing the maximum and minimum errors, the average error of the remaining 10 times of training is calculated as the evaluation index. Substituting and into the formula, the value range of the number of hidden layer nodes is [5, 17]. The training samples are utilized to traverse the case of different numbers of hidden layer nodes, and the average error and classification correctness of 10 training sessions are used as the evaluation criteria.
Figure 8 shows the classification correctness and training effect of the BP network corresponding to different numbers of hidden layer nodes. For the pattern classification problem, the higher the classification correct rate and the smaller the training error, the better. Considering these two indicators, the number of hidden layer nodes is finally determined to be . Therefore, the structure of the hidden layer BP network designed in this paper is 8-14-6.
Figure 8.
Trial process for the number of nodes in the hidden layer.
4.2. Initialize Weights and Thresholds
Based on the established BP neural network structure, the total number of weights and thresholds can be determined, as shown in Table 4.
Table 4.
Number of weights and thresholds.
- (1)
- Weight initialization
The weights are parameters that connect neurons and determine the significance of each neuron’s output. In this study, the “tansig” function is used as the activation function for the hidden layer, and the Xavier initialization method is applied to initialize the weights.
Since the tansig function has an output range of [−1, 1], its derivative is an around of 0 at the largest, but tends to saturate for large inputs, leading to gradient vanishing. To mitigate this issue, the Xavier initialization method assumes equal variance between the input and output, ensuring that gradients neither vanish nor explode during forward and backward propagation. The initialization formula is as follows:
where is the number of neurons in the previous layer and is the number of neurons in the current layer. stands for uniform distribution.
- (2)
- Threshold initialization
The threshold term adjusts the activation threshold of neurons. Common initialization strategies include zero initialization , which helps prevent bias from affecting gradient updates, and small random number initialization , which prevents all neurons from learning identical features simultaneously, thereby improving training efficiency.
In this study, small random number initialization is used, where the hidden layer threshold and output layer threshold follow a uniform distribution:
4.3. BP Neural Network Diagnostic Results
After the network training is completed, the remaining 300 sets of test data are input into the trained network for prediction. Figure 9 shows the confusion matrix of the BP model for classifying the test samples, and the results show that the accuracy of the BP neural network in identifying normal operation and inverter open-circuit faults is 100%; however, there is some error in diagnosing turn-to-turn short-circuit, phase-to-phase short-circuit, and loss-of-magnetism faults and rotor eccentricity.
Figure 9.
BP network confusion matrix.
The randomness of the initial weights and thresholds of the BP neural network, overfitting phenomenon, insufficient generalization ability, poor convergence, and the tendency to fall into local minima may lead to lower overall accuracy.
5. GA-BP Diagnostic Model Design
In order to overcome the shortcomings of a traditional BP neural network in terms of poor convergence and ability to fall into local minima, this paper introduces a genetic algorithm to search for the optimal values of its initial weights and thresholds. After the genetic algorithm finds the optimal solution through global search, the optimized weights and thresholds are given to the BP neural network to improve the training and prediction performance of the model.
Figure 10 shows the overall process of the GA-BP neural network, in which the left side is the optimization part of the genetic algorithm, and the right side is the training and prediction part of the BP neural network. The specific steps are as follows:
Figure 10.
Flowchart of GA-BP algorithm.
(1) Determining the topology and parameters of the BP neural network is a prerequisite for optimization using genetic algorithms [26]. In this paper, the initial weights and thresholds of the BP network are optimized, and the network structure is consistent with the previous paper: the number of nodes in the input layer is , the hidden layer , and the output layer .
(2) Choosing the appropriate coding method and coding length is a key step in optimizing the BP neural network. In this paper, real number coding is used, where a set of real numbers represents an individual, and the length of the chromosome is determined by the network structure, as shown in Figure 11. Since the network structure is “8-14-6”, there are 8 × 14 + 14 × 6 = 196 weights and 14 + 6 = 20 thresholds, so the individual coding length is 216.
Figure 11.
Classification results of GA-BP network.
(3) Calculate the fitness value of each individual and quantitatively evaluate its performance advantages and disadvantages, so as to select the good individuals to be inherited in the next generation. The genetic operation is executed according to the crossover probability and mutation probability set at the initialization, and the optimal individual is finally saved after several iterations until the expected performance is achieved or the termination conditions are satisfied. The fitness function, selection, crossover, and mutation methods in this paper are shown below:
- Fitness function
After the weights and thresholds encoded in the individual are given to the network, the training data are utilized and the mean square error is used as the fitness value of the individual. The fitness function is expressed as follows:
where is the total number of training samples, and and denote the expected and predicted values of output node , respectively.
- Selection operation
Each individual is quantitatively evaluated according to the fitness function, and the higher the fitness value, the higher the probability that the individual is selected into the new group. In this paper, we adopt the simple and widely used roulette method, in which the probability of an individual being selected is proportional to its fitness value. The expression for the probability that the th individual is selected is as follows:
where is the fitness value of individual , and is the total number of individuals in the population.
- Crossover operation
In this paper, we adopt the real fusion crossover method for data crossover by randomly selecting two individuals and fusing their codes at a random location to generate a new individual. The specific expression is as follows:
where is a random number between [0, 1], represents the crossover position, and and are the th and th chromosomes.
- Mutation operation
Corresponding to the real number coding, the mutation method adopted in this paper is real number mutation, selecting the th gene of individual for mutation; the specific expression is as follows:
where and are the upper and lower bounds of the encoding, denotes the current number of evolution, is the maximum number of iterations, is a random number, and is a random number between 0–1.
(4) The optimal individual contains the optimal initialization connection weights and thresholds of the network. These initialization conditions are assigned to the BP network through the decoding operation, and the error is calculated according to the training process of the BP neural network until the termination conditions are satisfied.
(5) The initialization parameters of the genetic algorithm include population size, maximum iteration number, crossover rate, and mutation rate. After several experiments and comparisons, the population size M = 30, the number of iterations T = 200, the crossover rate Pe = 0.9, and the mutation rate Pm = 0.01 were finally selected.
6. Results and Discussion
6.1. GA-BP Network Diagnostic Results
In the optimization process of the genetic algorithm, the total number of iterations is set to 200. When the 161st generation is reached, the adaptation value is close to the optimal. First, a global optimization search is performed according to the initialization parameters of the genetic algorithm, and then the neural network is trained using the optimal weights and thresholds obtained. Randomly select 800 sets of samples as training data, and after 12 times of training, the network converges and reaches the set error, and the training is finished.
After the network training is completed, the remaining 300 sets of test data are fed into the trained GA-BP model for prediction. Figure 11 shows the classification results of the test samples, where the red triangles indicate the predicted fault categories, the blue circles indicate the real fault categories, and their overlap indicates correct classification.
Figure 12 demonstrates the confusion matrix of the GA-BP model for classifying 300 sets of test samples. It can be seen that 36 normal samples, 45 lost rotor eccentricity samples, and 52 inverter open-circuit samples are correctly identified; of the 57 turn-to-turn short-circuit samples, 2 are misclassified as phase-to-phase shorts, and the remaining 55 are correctly categorized; of the 43 phase-to-phase short-circuit samples, 1 is misclassified as turn-to-turn short-circuit, and the remaining 42 are correctly categorized; and of the 67 loss-of-magnetism fault samples, 3 are misclassified as rotor eccentricity, and the remaining 64 are correctly categorized.
Figure 12.
Confusion matrix of GA-BP network.
6.2. Comparison of Diagnostic Results Between GA-BP Algorithm and SSA-PNN Algorithm
The method proposed in this study is compared with SSA-PNN (Sparrow Search Optimized Probabilistic Neural Network), and the comparison results are shown in Table 5. GA-BP (Genetic Algorithm-Optimized Backpropagation Neural Network) optimizes the initial weights and thresholds of the BP neural network using a genetic algorithm (GA), enhancing the model’s global search capability and mitigating the tendency of BP networks to become trapped in local optima. As a result, GA-BP improves both the accuracy and generalization of fault classification.
Table 5.
Comparison of evaluation indexes of GA-BP and SSA-PNN fault diagnosis algorithms.
Experimental results indicate that for complex faults such as rotor eccentricity and demagnetization, the F1 scores of GA-BP reach 97.0% and 97.7%, respectively, outperforming SSA-PNN (95.0% and 93.8%). Additionally, GA-BP achieves F1 scores exceeding 96.0% for turn-to-turn and phase-to-phase short-circuit faults, demonstrating superior fault identification capability and robustness. Overall, GA-BP exhibits strong performance across most fault categories, particularly in classifying complex nonlinear faults. It effectively extracts fault features in a stable and efficient manner, thereby improving diagnostic accuracy and reliability.
However, GA-BP has certain limitations. Since genetic algorithms involve computationally intensive operations such as population initialization, selection, crossover, and mutation, the training process is time-consuming, potentially limiting its applicability in real-time systems or resource-constrained environments. Moreover, GA-BP is highly sensitive to hyperparameter settings, including crossover rate, mutation rate, and population size. Improper tuning of these parameters may result in unstable optimization, affecting convergence speed and final classification accuracy. Therefore, careful parameter tuning is required to maintain GA-BP’s high diagnostic performance under varying operating conditions.
Furthermore, when dealing with high-dimensional and complex data, GA-BP may still encounter local optima despite its improved global search capability. In cases of highly complex and noisy data distributions, it may suffer from unstable convergence or overfitting. To enhance its robustness, GA-BP could be integrated with adaptive genetic algorithms, dynamic learning rate mechanisms, or deep learning techniques to improve fault diagnosis accuracy and adaptability. Additionally, to address its high computational complexity, distributed computing or parallel optimization techniques could be employed to enhance training efficiency and reduce computational costs, making GA-BP more suitable for industrial applications.
7. Conclusions
By combining fault modeling, wavelet packet feature extraction, and genetic algorithm optimization of the BP neural network, the GA-BP model proposed in this paper effectively improves the accuracy and robustness of permanent magnet synchronous motor fault diagnosis. First, representative time–frequency features are extracted from the fault signal by wavelet packet transform, which can better reflect the state of the motor fault. Then, the initial weights and thresholds of the BP neural network are optimized using a genetic algorithm, which effectively avoids the local optimum problem that may occur in the traditional BP network and improves the convergence speed and classification performance of the model. The results show that the GA-BP model exhibits significant classification accuracy enhancement on most fault categories, especially in the identification of normal operation, inverter faults, and demagnetization faults, with the accuracy and recall reaching 100%. Compared with the SSA-PNN algorithm, the performance of the GA-BP model in the categories of turn-to-turn short-circuit and phase-to-phase short-circuit is also significantly improved, and the increase in the F1 score further proves its effectiveness. In summary, the BP neural network combined with wavelet packet feature extraction and genetic algorithm optimization has an important application prospect in electric motor fault diagnosis, which can effectively reduce leakage detection and misjudgment and improve the stability and reliability of the system.
Author Contributions
Conceptualization, M.Y. and R.G.; methodology, M.Y., R.G. and Z.P.; software, R.G.; validation, R.G., Z.P. and W.W.; formal analysis, M.Y.; investigation, M.Y.; resources, M.Y.; data curation, R.G. and Z.P.; writing—original draft preparation, R.G.; writing—review and editing, M.Y., R.G. and K.J.; visualization, R.G.; supervision, M.Y.; project administration, M.Y.; funding acquisition, M.Y. All authors have read and agreed to the published version of the manuscript.
Funding
This research was funded by Science and Technology Innovation Key R&D Program of Chongqing (No. CSTB2022TIAD-STX0005).
Data Availability Statement
The original contributions presented in this study are included in the article, and further inquiries can be directed to the corresponding author.
Conflicts of Interest
Zhiyuan Peng was employed by the company Chongqing Tsingshan Industrial Co., Ltd. The remaining authors declare that the research was conducted in the absence of any commercial or financial relationships that could be construed as a potential conflict of interest.
References
- Soualhi, A.; Clerc, G.; Razik, H. Detection and Diagnosis of Faults in Induction Motor Using an Improved Artificial Ant Clustering Technique. IEEE Trans. Ind. Electron. 2013, 60, 4053–4062. [Google Scholar] [CrossRef]
- Skowron, M.; Wolkiewicz, M.; Tarchala, G. Stator Winding Fault Diagnosis of Induction Motor Operating under the Field-Oriented Control with Convolutional Neural Networks. Bull. Pol. Acad. Sci.-Tech. Sci. 2020, 68, 1039–1048. [Google Scholar] [CrossRef]
- Soualhi, M.; Nguyen, K.T.P.; Soualhi, A.; Medjaher, K.; Hemsas, K.E. Health Monitoring of Bearing and Gear Faults by Using a New Health Indicator Extracted from Current Signals. Measurement 2019, 141, 37–51. [Google Scholar] [CrossRef]
- Skowron, M.; Orlowska-Kowalska, T.; Kowalski, C.T. Detection of Permanent Magnet Damage of Pmsm Drive Based on Direct Analysis of the Stator Phase Currents Using Convolutional Neural Network. IEEE Trans. Ind. Electron. 2022, 69, 13665–13675. [Google Scholar] [CrossRef]
- Estima, J.O.; Cardoso, A.J.M. A New Algorithm for Real-Time Multiple Open-Circuit Fault Diagnosis in Voltage-Fed Pwm Motor Drives by the Reference Current Errors. IEEE Trans. Ind. Electron. 2012, 60, 3496–3505. [Google Scholar] [CrossRef]
- Khlaief, A.; Boussak, M.; Gossa, M. Open Phase Faults Detection in Pmsm Drives Based on Current Signature Analysis. In Proceedings of the The XIX International Conference on Electrical Machines-ICEM 2010, Rome, Italy, 25 October 2010; pp. 1–6. [Google Scholar]
- Kenny, A.; Palazzolo, A.B. Comparison of the Dynamic Response of Radial and Tangential Magnetic Flux Thrust Bearings. IEEE/ASME Trans. Mechatronics 2002, 7, 61–66. [Google Scholar] [CrossRef]
- Rosero, J.; Romeral, L.; Ortega, J.; Urresty, J. Demagnetization Fault Detection by Means of Hilbert Huang Transform of the Stator Current Decomposition in Pmsm. In Proceedings of the 2008 IEEE International Symposium on Industrial Electronics, Cambridge, UK, 30 June–2 July 2008; pp. 172–177. [Google Scholar]
- Çira, F.; Arkan, M.; Gümüş, B.; Goktas, T. Analysis of Stator Inter-Turn Short-Circuit Fault Signatures for Inverter-Fed Permanent Magnet Synchronous Motors. In Proceedings of the IECON 2016-42nd Annual Conference of the IEEE Industrial Electronics Society, Florence, Italy, 23–26 October 2016; pp. 1453–1457. [Google Scholar]
- Shabbir, M.N.S.K.; Liang, X.; Chakrabarti, S. An Anova-Based Fault Diagnosis Approach for Variable Frequency Drive-Fed Induction Motors. IEEE Trans. Energy Convers. 2020, 36, 500–512. [Google Scholar] [CrossRef]
- Mohammed, O.; Abed, N.; Ganu, S. Modeling and Characterization of Induction Motor Internal Faults Using Finite-Element and Discrete Wavelet Transforms. IEEE Trans. Magn. 2006, 42, 3434–3436. [Google Scholar] [CrossRef]
- Espinosa, A.G.; Rosero, J.A.; Cusido, J.; Romeral, L.; Ortega, J.A. Fault Detection by Means of Hilbert–Huang Transform of the Stator Current in a Pmsm with Demagnetization. IEEE Trans. Energy Convers. 2010, 25, 312–318. [Google Scholar] [CrossRef]
- Li, Y.; Liang, Y. The Correlation Analysis of Pm Inter-Turn Fault Based on Stator Current and Vibration Signal. In Proceedings of the 2015 IEEE International Conference on Mechatronics and Automation (ICMA), Beijing, China, 2–5 August 2015; pp. 1733–1737. [Google Scholar]
- Ribeiro Junior, R.F.; dos Santos Areias, I.A.; Campos, M.M.; Teixeira, C.E.; da Silva, L.E.B.; Gomes, G.F. Fault Detection and Diagnosis in Electric Motors Using Convolution Neural Network and Short-Time Fourier Transform. J. Vib. Eng. Technol. 2022, 10, 2531–2542. [Google Scholar] [CrossRef]
- Zhang, Z.; Wang, Y.; Wang, K. Fault Diagnosis and Prognosis Using Wavelet Packet Decomposition, Fourier Transform and Artificial Neural Network. J. Intell. Manuf. 2013, 24, 1213–1227. [Google Scholar] [CrossRef]
- Yu, W.; Ruochen, L.; Guangjun, L. Neural Network Bogie Bearing Fault Diagnosis Based on Improved Genetic Algorithm. Urban Rail Transit Res. 2020, 23, 46–49. [Google Scholar]
- Li, Y.; Hu, X.; Yao, Z.; Zhang, Y. Fault Diagnosis of Fire Control System Based on Genetic Algorithm Optimized Bp Neural Network. In Proceedings of the 2022 Prognostics and Health Management Conference (PHM-2022 London), London, UK, 27–29 May 2022; pp. 11–16. [Google Scholar]
- Liu, J.; Kong, X.; Xia, F.; Bai, X.; Wang, L.; Qing, Q.; Lee, I. Artificial Intelligence in the 21st Century. IEEE Access 2018, 6, 34403–34421. [Google Scholar] [CrossRef]
- Long, Q.; Guo, S.; Li, Q.; Sun, Y.; Li, Y.; Fan, Y. Research of Converter Transformer Fault Diagnosis Based on Improved Pso-Bp Algorithm. In Proceedings of the IOP Conference Series: Materials Science and Engineering, Singapore, 28–30 July 2017; p. 012015. [Google Scholar]
- Deng, H.; Zhang, W.-x.; Liang, Z.-f. Application of Bp Neural Network and Convolutional Neural Network (Cnn) in Bearing Fault Diagnosis. In Proceedings of the IOP Conference Series: Materials Science and Engineering, Shaanxi, China, 8–11 October 2020; p. 042026. [Google Scholar]
- Jiang, Q.; Huang, R.; Huang, Y.; Chen, S.; He, Y.; Lan, L.; Liu, C. Application of Bp Neural Network Based on Genetic Algorithm Optimization in Evaluation of Power Grid Investment Risk. IEEE Access 2019, 7, 154827–154835. [Google Scholar] [CrossRef]
- Li, Y.; Wang, Y.; Zhang, Y.; Zhang, J. Diagnosis of Inter-Turn Short Circuit of Permanent Magnet Synchronous Motor Based on Deep Learning and Small Fault Samples. Neurocomputing 2021, 442, 348–358. [Google Scholar] [CrossRef]
- Zhang, X.; Zhu, J.; Wu, Y.; Zhen, D.; Zhang, M. Feature Extraction for Bearing Fault Detection Using Wavelet Packet Energy and Fast Kurtogram Analysis. Appl. Sci. 2020, 10, 7715. [Google Scholar] [CrossRef]
- Shao, R.; Hu, W.; Wang, Y.; Qi, X. The Fault Feature Extraction and Classification of Gear Using Principal Component Analysis and Kernel Principal Component Analysis Based on the Wavelet Packet Transform. Measurement 2014, 54, 118–132. [Google Scholar] [CrossRef]
- Li, J.; Cheng, J.-h.; Shi, J.-y.; Huang, F. Brief Introduction of Back Propagation (Bp) Neural Network Algorithm and Its Improvement. In Proceedings of the Advances in Computer Science and Information Engineering, Zhengzhou, China, 19–20 May 2012; Volume 2, pp. 553–558. [Google Scholar]
- Yin, F.; Mao, H.; Hua, L. A Hybrid of Back Propagation Neural Network and Genetic Algorithm for Optimization of Injection Molding Process Parameters. Mater. Des. 2011, 32, 3457–3464. [Google Scholar] [CrossRef]
Disclaimer/Publisher’s Note: The statements, opinions and data contained in all publications are solely those of the individual author(s) and contributor(s) and not of MDPI and/or the editor(s). MDPI and/or the editor(s) disclaim responsibility for any injury to people or property resulting from any ideas, methods, instructions or products referred to in the content. |
© 2025 by the authors. Published by MDPI on behalf of the World Electric Vehicle Association. Licensee MDPI, Basel, Switzerland. This article is an open access article distributed under the terms and conditions of the Creative Commons Attribution (CC BY) license (https://creativecommons.org/licenses/by/4.0/).











