Next Article in Journal
Defining Signatures for Intelligent Vehicles with Different Types of Powertrains
Previous Article in Journal
Beyond Safety: Barriers to Shared Autonomous Vehicle Utilization in the Post-Adoption Phase—Evidence from Norway
 
 
Font Type:
Arial Georgia Verdana
Font Size:
Aa Aa Aa
Line Spacing:
Column Width:
Background:
Article

Circulating Current Suppression in Modular Multilevel Converters Based on Hybrid Model Predictive Control

1
School of Electrical Engineering, Tiangong University, Tianjin 300387, China
2
Advanced Electrical Equipment Innovation Center, Zhejiang University, Hangzhou 311107, China
*
Author to whom correspondence should be addressed.
World Electr. Veh. J. 2025, 16(3), 134; https://doi.org/10.3390/wevj16030134
Submission received: 4 February 2025 / Revised: 22 February 2025 / Accepted: 25 February 2025 / Published: 28 February 2025

Abstract

The modular multilevel converter (MMC) has unique topological characteristics and has gained significant popularity in medium-voltage applications. However, during MMC operation, circulating currents inevitably arise, exacerbating arm current distortion, causing additional losses in the converter system, and thereby increasing system costs. This paper primarily addresses the circulating current issue in traditional half-bridge MMCs by introducing a control strategy combining model predictive control and proportional resonance controllers. First, a value function is established using a discrete prediction model of the output current, followed by a rolling optimization that combines a capacitor voltage sorting strategy to determine the duty cycles of each submodule in the arm. Secondly, a proportional resonance controller (PR) is designed to eliminate the second- and fourth-order harmonic components in the circulating current. Finally, the output of the resonance controller is used to correct the duty cycles, which are then compared with the PWM triangular carrier to generate more switching actions that suppress the circulating current. The effectiveness of the strategy is experimentally verified. The results show that the proposed method yields better output characteristics, smaller capacitor voltage fluctuations, and significantly suppresses harmonic components in the arm currents.

1. Introduction

In recent years, MMCs have been widely used in medium and high voltage, large capacity fields due to their modular design, low voltage stress, better scalability, high efficiency, and strong availability [1], such as in flexible AC transmission [2], high voltage DC transmission [3], traction power supply systems [4], and energy storage systems [5]. However, the volume, weight, and complex control strategies of MMCs may limit their application in some low- and mid-range electric vehicles. However, in the electric train sector, especially in high-speed trains and heavy-load electric trains, where power quality and efficiency requirements are high, the application of MMCs will have significant advantages. Compared to two-level converters, MMCs have a much higher number of voltage output levels, and their output waveform has significantly lower harmonic content than traditional two-level converters [6]. Additionally, MMCs require fewer switching operations per switching cycle, resulting in a lower overall switching frequency, which directly reduces switching losses [7]. Different output voltage levels can be achieved by combining various submodules (SMs), but, as the number of SMs increases, the system’s control complexity also increases significantly [8]. Due to its modular nature, each submodule’s capacitor needs to be frequently charged and discharged to adjust the output voltage. In case of a fault, the faulty module can be isolated to protect other modules and the entire system, improving the system’s reliability [9]. There are many modulation methods for MMCs, such as the recently proposed nearest level modulation (NLM) [10] and carrier phase-shifted pulse-width modulation (CPSPWM) [11]. Compared to other modulation methods, the control algorithm for carrier phase-shifting modulation is relatively simple and easy to implement [12]. It can ensure a uniform power distribution among submodules at relatively low output current total harmonic distortion (THD) and switching frequency [13]. Therefore, CPSPWM is the most widely used. Due to these advantageous characteristics, the MMC has gained increasing popularity in high-voltage DC transmission systems. Despite its numerous advantages, the MMC typically possesses a relatively complex control structure. Traditional methods often employ cascaded or series control structures, utilizing proportional-integral or proportional-resonant (PR) controllers to achieve multi-objective control [14]. However, these linear controllers often lead to slow dynamic responses and limited bandwidth. Additionally, the complex control structure of MMC systems further complicates control system design [15]. Given MMC’s modular structure, suppressing circulating currents is a critical issue, as excessive circulating currents can increase system losses and potentially jeopardize the safe operation of MMC systems. Numerous approaches have been proposed to address this issue.
Ref. [16] proposed a harmonic extraction method utilizing delay filtering to suppress circulating currents. Essentially, a delay filter functions as a second-order harmonic extractor, developing a closed-loop control strategy to accurately determine the compensation value superimposed on the arm voltage, thereby enabling MMC grid integration. Ref. [17] proposed a novel control framework comprising spatial comb filters and spatial repetitive controllers, effectively reducing even-order harmonics in circulating currents while remaining independent of the MMC’s output AC current frequency. The proposed controller incorporates phase sampling techniques to facilitate dynamic changes in sampling frequency, ensuring robust periodic disturbance rejection capabilities even under variable-frequency operation. Ref. [18] proposes a new space vector modulation method to suppress circulating currents. This method balances three objectives: tracking the output phase current reference value, capacitor voltage balancing, and circulating current suppression. Ref. [19] introduces an inter-phase circulating current suppression strategy based on a dual-frequency rotating coordinate system. This strategy optimizes the dynamic response performance of the controller by establishing a non-parametric model of the circulating current and adjusting the controller coefficients accordingly. However, the effectiveness of this method may be limited by the accuracy of experimental sampling values. Ref. [20] uses a dual-vector strategy where the control is implemented using a proportional-integral regulator. This method has high computational requirements for the controller. Ref. [21] improves control accuracy by incorporating arm inductor voltage into the circulating current model. By using the 2N + 1 pulse width modulation (PD-PWM) technique, the synthesis of the output voltage is further optimized, and the circulating current is effectively controlled through voltage redundancy adjustments. This strategy significantly reduces the rms value of the arm current, thereby improving system efficiency. Ref. [22] proposes a control strategy based on instantaneous submodule capacitor voltage signals, aiming to avoid the use of arm current sensors for circulating current control. This method controls the secondary harmonic components in the circulating current by adjusting the submodule capacitor voltages in the MMC, thus reducing energy storage requirements and improving efficiency.
Model predictive control (MPC) is widely used in voltage source converters due to its rapid dynamic response, simple implementation, and flexible multi-objective regulation, especially in MMC systems. Ref. [23] proposed a fast model predictive control strategy that avoids the extensive prediction of SM capacitor voltages, reducing computational complexity during variable prediction, and significantly lowering dv/dt. Ref. [24] introduced an MMC fault-tolerant control method based on model predictive control. It consists of two steps: optimal AC current control and multi-objective optimization, addressing circulating and output currents. Regardless of the number of SMs, the method requires only eight calculations to determine the optimal value, significantly reducing computational burden. Ref. [25] proposed combining indirect model predictive control with a sorting algorithm. Unlike conventional solutions, this method leverages the physical characteristics of the circuit during capacitor voltage increases and uses sorting results to maximize output voltage, effectively detecting and locating open-circuit faults in any sub-module (SM). Finally, by altering the circuit structure and control algorithms, a novel fault-tolerant control scheme based on model predictive control was implemented. Ref. [26] proposed a weightless model predictive control method, reducing the number of states for AC current control, circulating current control, and sub-module (SM) capacitor voltage balancing algorithms. The proposed cost function is categorized into three types based on its control objectives, with each cost function determining the minimum state count for AC current control, circulating current suppression, and sub-module (SM) capacitor voltage control. Ref. [27] proposed a hybrid model predictive control method combining model predictive control with sorting algorithms to achieve current tracking and capacitor voltage balancing. A simple proportional-integral controller is added in parallel with model predictive control to suppress circulating currents by modifying the number of inserted SMs. This hybrid control method combines the advantages of model predictive control and linear control.
The aforementioned model predictive control strategies primarily focus on scenarios with a large number of SMs, with limited research on cases involving fewer SMs. This paper proposes a novel hybrid model predictive control method to suppress circulating currents in MMC systems by combining model predictive control with PR controllers, thereby improving circulating current suppression and MMC reliability, particularly in systems with fewer SMs. The method suppresses second- and fourth-order harmonic components of circulating currents through PR controllers, reducing computational burden and achieving AC component control without steady-state errors. Compared to conventional model predictive control, this method substantially improves circulating current suppression capabilities, demonstrating enhanced performance even with a reduced number of SMs.

2. MMC Topology and Mathematical

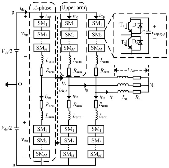
Figure 1 illustrates the general topology of a three-phase six-arm MMC along with the topology of its SM. The voltage and current of different phase branches differ by an angle of 120°. The x-phase (x = A, B, C) has an upper and a lower arm (y = p, n), each consisting of M identical SMs, an arm resistance Rarm, and an arm inductor Larm in series. Rarm can be regarded as the equivalent resistance of the circuit, which is zero in most cases. Larm limits inter-phase circulating currents and the rise rate of fault currents during DC-link faults in the MMC. Vdc and idc are the DC-link voltage and current, respectively, vx0 and ix are the AC output voltage and current, respectively, and ixy and icir,x are the bridge arm current and the circulating current, respectively. L0 represents load-equivalent inductance, and R0 denotes the load-equivalent resistor. There are two types of SM configurations: full-bridge and half-bridge. This paper examines the half-bridge SM. Each SM consists of two IGBTs and a capacitor, controlled by complementary gate pulse signals. When the SM is inserted, the output voltage of each SM equals its capacitor voltage vcap,xy,j (j = 1, 2, …, M), and, when the SM is bypassed, the output voltage is 0. The capacitor voltage of each SM should fluctuate around Vdc/M. N represents the neutral point of the output-side resistive-inductive load, and O represents the DC-link neutral point.
Based on the topology in Figure 1, Kirchhoff’s Voltage Law can be applied to yield
V dc 2 = v x p + L arm d i x p d t + R arm i x p + L o d i x d t + R o i x
V dc 2 = v x n L arm d i x n d t R arm i x n + L o d i x d t + R o i x
where vxp represents the sum of the capacitor voltages of the SMs inserted in the upper arm, vxn represents the sum of the capacitor voltages of the SMs inserted in the lower arm, and ix represents the output current. According to Kirchhoff’s Current Law, the relationship between the output current and the currents in the upper and lower arms can be expressed as follows:
i x = i x p i x n
Based on Equations (1)–(3), the dynamic equation for the output current is derived as follows:
d i x d t = 1 2 L o + L arm v x n v x p 2 R o i x R arm i x

3. Materials and Methods

The model predictive control strategy can be divided into sampling, prediction, optimization, and, finally, sorting and balancing stages. Compared to proportional-integral controllers or PR controllers, the model predictive control method can significantly improve total harmonic distortion and transmission performance.
The output current ix is discretized using the forward Euler formula, yielding
d i x d t i x ( k + 1 ) i x ( k ) T s
where Ts is the control period, and the discrete prediction model for the output current ix is obtained as follows:
i x ( k + 1 ) = T s L arm + 2 L o v pre , x n ( k + 1 ) v pre , x p ( k + 1 ) 2 + 1 T s ( 2 R o + R arm ) L arm + 2 L o i x ( k )
where ix (k + 1) represents the predicted output current of the MMC at moment k + 1 for x-phase, ix (k) is the actual measured output current of the MMC at moment k for x-phase, and vpre,xy (k + 1) denotes the predicted estimated voltage of the x-phase y-arm at moment k + 1. The relationship between the estimated voltage of the arm vpre,xy (k + 1) and the number of SMs pre-inserted mpre,xy is given by the following:
v pre , x y k + 1 = m pre , x y M j = 1 M v cap , x y , j k
In order to control the output current, a control cost function is formulated as follows:
J = i ref , x ( k + 1 ) i x ( k + 1 )
where J represents the cost function, and iref,x (k + 1) denotes the reference value of the output current for x-phase.
After rolling optimization, the number of SMs to be inserted into the MMC’s upper and lower arms, mxp and mxn, can be determined. In the steady state of the system, the number of inserted SMs and the arm currents both vary periodically. The SMs were controlled using the capacitor voltage balancing method and capacitor voltage sorting algorithm.
To minimize the switching frequency while ensuring that the capacitor voltage does not deviate excessively, an improved capacitor voltage balancing method was employed. If the number of SMs inserted into an arm at the current moment equals that of the previous moment, the switching state of the SMs in that arm is maintained, reducing the switching frequency. Re-sorting only occurs when the number of inserted SMs at the current moment differs from the previous one. First, the capacitor voltage of each SM was adopted, and each arm was treated as an independent part. In each control cycle, submodules in both the inserted and bypassed states were sorted according to their capacitor voltage values. The polarity of the arm current was used to determine whether each SM is in a charging or discharging state, thus determining the switching order of the SMs. Finally, the SMs were correctly inserted based on the number of SMs required by each arm, achieving dynamic balancing of the SM capacitor voltages. Figure 2 illustrates the flowchart of the SM voltage balancing via sorting.
In linear control methods, the proportional-integral controller can only suppress the second-order harmonic component of the circulating current, whereas the PR controller can suppress the second-order, fourth-order, and even higher even-order harmonic components.
G R ( s ) = K r s s 2 + ω r 2
where Kr is the resonant gain, and ωr is the selected resonant frequency. When the frequency of the controlled quantity is ωr, the amplitude of the transfer function will be infinite, thus realizing static-free control. In order to improve the ability of the controller to resist disturbances, the transfer function is modified as follows:
G R ( s ) = 2 K r ω c s s 2 + 2 ω c s + ω r 2
where ωc represents cut-off frequency. Within the range of [ωrωc, ωr + ωc], the resonant controller exhibits high gain, reducing its sensitivity to frequency and parameters.
Therefore, resonant controllers are introduced for each even-order harmonic in the circulating current, as shown in Figure 3. 2ω, 4ω, 6ω, and 2 are the controllers for the second, fourth, sixth and 2kth order harmonic currents. Since the controller is realized in a stationary coordinate system, the suppression of circulating currents can be achieved even in the case of three-phase asymmetry or three-phase current imbalance.
Finally, a proportional controller is introduced to track the DC component in the circulating current, leading to the resonant controller for the circulating current as follows:
G PR ( s ) = K p + 2 K r 2 ω c s s 2 + 2 ω c s + ( 2 ω ) 2 + 2 K r 4 ω c s s 2 + 2 ω c s + ( 4 ω ) 2
where Kp represents the proportional coefficient, Kr2 is the gain of the second-order harmonic resonant controller, and Kr4 is the gain of the fourth-order harmonic resonant controller.
To improve the reliability of MMC operation, a control strategy combining the characteristics of PR controllers with traditional model predictive control (MPC) is proposed. By modifying the switching signals of the SMs, this method further suppresses circulating currents and reduces computational load while directly controlling the AC component without static error. Therefore, the proposed method is not complex. In cases with fewer SMs, the ability to suppress the circulating current, which is typically compromised by cascade modes and fewer switching actions, is improved. The proposed approach combines the benefits of model predictive control and linear control methods, significantly enhancing the ability to suppress circulating currents compared to traditional MPC. As shown in Figure 4, in the hybrid model predictive control approach, the output current is controlled by model predictive control, while the PR controller suppresses the circulating current.
Define the duty cycle generated by the output current control signal of the model predictive control as follows:
d pre , x p = S x p , 1 , S x p , 2 , , S x p , M T d pre , x n = S x n , 1 , S x n , 2 , , S x n , M T
The output of the proportional resonant controller is added to the duty cycle of the output current control signal to control the circulating current, as shown below:
d mod , pre , x p = d pre , x p d cir , x d mod , pre , x n = d pre , x n d cir , x
where dcir,x is the correction term for the control of the circulating current. The corrected duty cycle was compared with the carrier wave to generate a new control signal, which was then transmitted to the SM of the MMC. The modified duty cycle dmod.pre,xp or dmod.pre,xn may sometimes exceed the [0, 1] range, as shown in Figure 5.
From the above figure, it can be observed that, compared to the traditional model predictive control method, the proposed strategy generates more switching actions to suppress the circulating current with a duty cycle within the [0, 1] range, compared to the control signal generated by the carrier. When exceeding the [0, 1] range, only one switching action occurs within this control period, which indicates that the proposed method does not always increase the number of switching actions. Therefore, even though the switching frequency inevitably increases, it remains lower than the switching frequency based on classical linear control modulation methods.
The proposed method combines the PR controller with the traditional model predictive control method. When the number of SMs is small and weight factors are not required, the proposed control strategy offers more control signals related to suppressing the circulating current compared to the traditional MPC method. Although the switching frequency is increased, circulating current can be suppressed to a minimal level, still contributing to the reduction in system losses.

4. Results

To verify the feasibility of the proposed method, an experimental platform was built based on the RT-LAB rapid prototype development system and the PEH2015 module. The experimental platform is shown in Figure 6, and the experimental parameters are shown in Table 1.
The experimental results of traditional model predictive control under a balanced three-phase load are shown in Figure 7. Figure 7a shows the output phase currents of phases A, B, and C. It can be observed that the traditional method can track the reference value of the output phase current well, with the output current magnitude being 3.804 A. Figure 7b shows the FFT analysis of the output phase current of phase A. From this, it can be seen that the fundamental frequency output phase current magnitude is 3.72 A, and its output phase current THD is 1.85%.
The experimental results of hybrid model predictive control under a balanced three-phase load are shown in Figure 8. Figure 8a shows the output phase currents of phases A, B, and C, with the output current magnitude as 3.836 A. Figure 8b shows the FFT analysis of the output phase current of phase A. It can be seen that the fundamental frequency output phase current magnitude is 3.75 A, and its output phase current THD is 1.76%. It can be observed that the proposed strategy results in better waveform quality of the output current compared to the traditional method, with a slight reduction in the THD of the output phase current.
The experimental results of the SM capacitor voltages of the upper and lower arms of A-phase, as well as their voltage differences, under a balanced three-phase load are shown in Figure 9. In Figure 9a, the experimental waveforms of the upper arm capacitor voltages vcap,Ap,1 and vcap,Ap,2 of A-phase and their difference are shown. The average peak-to-valley difference in the upper arm SM capacitor voltage fluctuation under the traditional method is 0.68 V, and the maximum fluctuation of the capacitor voltage difference is 0.33 V. In Figure 9b, the experimental waveforms of the lower arm capacitor voltages vcap,An,1 and vcap,An,2 of A-phase and their difference are shown. The average peak-to-valley difference in the lower arm SM capacitor voltage fluctuation under the traditional method is 1.22 V. It can be observed that the capacitor voltage is not completely balanced under the traditional method, and the maximum fluctuation of the capacitor voltage difference is 0.57 V. The capacitor voltage is biased by 25 V in Figure 9 and Figure 10 to reflect the details.
Figure 10a shows the capacitor voltages vcap,Ap,1 and vcap,Ap,2 for the upper arm of A-phase under the proposed hybrid model predictive control strategy, along with the difference. The average peak-to-valley fluctuation of the capacitor voltage for the upper arm SM under this strategy is 0.97 V, and the maximum fluctuation of the capacitor voltage difference is 0.24 V. Figure 10b shows the capacitor voltages vcap,An,1 and vcap,An,2 for the lower arm of A-phase under the proposed hybrid model predictive control strategy, along with the difference. The average peak-to-valley fluctuation of the capacitor voltage for the lower arm SM under this strategy is 1.02 V, and the maximum fluctuation of the capacitor voltage difference is 0.22 V. Due to the higher switching frequency of this method, the maximum fluctuation of the capacitor voltage difference is smaller than that of the traditional strategy.
Figure 11 shows the waveform and FFT analysis of the circulating current in phase A under a balanced three-phase load. Figure 11a shows the circulating current of phase A under the traditional model predictive control strategy. It can be observed that, under the traditional strategy, the peak-to-peak average value of the circulating current is suppressed to 1.12 A. Figure 11b shows the FFT analysis of the circulating current under traditional model predictive control, with a second harmonic component amplitude of 0.1462 A. However, under low voltage and with fewer submodules (SMs), the available degrees of freedom are limited, resulting in a still prominent second harmonic component. Figure 11c shows the circulating current of phase A under the hybrid model predictive control strategy. Under the hybrid model predictive control strategy, the circulating current is suppressed to 0.49 A. Figure 11d shows the FFT analysis of the circulating current under hybrid model predictive control, with a second harmonic component amplitude of 0.0062 A. The circulating current is significantly reduced due to the availability of more switching states to suppress the circulating current.
Figure 12 shows the experimental results of the upper arm and lower arm currents for A-phase under a balanced three-phase load, along with their FFT analysis. Figure 12a shows the upper arm and lower arm currents for A-phase under the traditional model predictive control strategy under the traditional control method. The degrees of freedom available for suppressing the circulating current are limited under low voltage and with fewer SMs, leading to poor circulating current suppression by the traditional control method and causing distortion in the arm currents. Figure 12b shows the FFT analysis of the upper arm current for A-phase under the traditional model predictive control strategy, with a fundamental frequency amplitude of 2.01 A and a THD of 13.15%. Figure 12c shows the FFT analysis of the lower arm current for A-phase under the traditional model predictive control strategy, with a fundamental frequency amplitude of 1.68 A and a THD of 15.44%.
Figure 13a shows the upper and lower arm currents for A-phase under the proposed hybrid model predictive control strategy. The proposed method results in a more symmetrical and smoother arm current waveform, indicating an improvement in control performance. Figure 13b is the FFT analysis of the upper arm current for A-phase under the proposed hybrid model predictive control strategy, with a fundamental frequency amplitude of 1.87 A and a THD of 4.02%. Figure 13c is the FFT analysis of the lower arm current for A-phase under the proposed hybrid model predictive control strategy, with a fundamental frequency amplitude of 1.66 A and THD of 4.73%. From the experimental results above, it can be observed that the second and fourth harmonic components are smaller, confirming that the proposed strategy can more effectively suppress the harmonic components in the arm currents.

5. Discussion

The experimental results show that, compared to the traditional model predictive control, the proposed hybrid model predictive control can also follow the output phase current reference values effectively. However, under the hybrid model predictive control, the output phase current quality is better, with a lower THD and smaller capacitor voltage fluctuations. Comparing the experimental results of the two control strategies for circulating current suppression, it is found that the proposed hybrid model predictive control can better suppress the second- and fourth-order components in the arm current. Therefore, compared to the traditional model predictive control, the proposed hybrid model predictive control can better suppress the circulating current in the arm.
The proposed model predictive method is compared with existing model predictive methods. The method in [18] reduces the computational burden by simplifying the prediction and rolling optimization process, but it does not improve circulating current suppression. The method proposed in this paper reduces the computational burden while adding a PR controller to suppress the second- and fourth-order harmonic components in the arm current, significantly reducing the impact of circulating currents on the system [21], and divides the MPC objectives into three stages: the first stage controls the AC current, the second stage controls circulating and DC currents, and the third stage focuses on balancing SM capacitor voltages and reducing switching frequency. Each stage has an independent cost function to reduce computation, and, although circulating current suppression is achieved, the effect is not significant. This optimization algorithm is more suitable for large-scale MMC systems and is less effective for systems with fewer SMs [22], effectively reducing the circulating current magnitude within the MMC by combining model predictive control (MPC) with a linear PI controller. However, compared to the PI controller, the hybrid model predictive control proposed in this paper adds a PR controller, which has a faster response at the target frequency compared to the PI controller, enabling faster suppression of circulating current fluctuations. Therefore, the control strategy proposed in this paper can further reduce system losses and improve operational stability.

6. Conclusions

This paper presents a control strategy combining model predictive control (MPC) and PR controllers (PRCs), which effectively suppresses circulating current in MMCs and enhances operational reliability, particularly when the number of SMs is small. The method suppresses the second- and fourth-order harmonic components of circulating currents, reducing computational burden and controlling the AC component without steady-state errors. Compared to traditional model predictive control, this strategy significantly improves circulating current suppression, enhancing suppression effectiveness even when the number of SMs is small. Through experimental analysis, the strategy demonstrates improved current tracking performance, reduced circulating current, decreased harmonic distortion in arm currents, and more stable capacitor voltages.

Author Contributions

Conceptualization, G.Z. and X.G.; methodology, G.Z., W.Z. and X.Y.; software, W.Z. and X.Y.; validation, G.Z. and X.J.; formal analysis, G.Z. and X.G.; writing—original draft preparation, W.Z.; writing—review and editing, X.G., G.Z. and C.L.; funding acquisition, W.C. and X.G. All authors have read and agreed to the published version of the manuscript.

Funding

This research was funded by the “Pioneer Project of Zhejiang Province, grant number 2024C01014” and the “National Natural Science Foundation of China, grant number 52177055”.

Data Availability Statement

The original contributions presented in this study are included in the article. Further inquiries can be directed to the corresponding author.

Conflicts of Interest

The authors declare no conflicts of interest.

References

  1. Joshi, S.D.; Ghat, M.B.; Shukla, A.; Chandorkar, M.C. Improved Balancing and Sensing of Submodule Capacitor Voltages in Modular Multilevel Converter. IEEE TIA 2021, 57, 537–548. [Google Scholar] [CrossRef]
  2. Yang, Y.; Xiao, X.; Guo, S.; Gao, Y.; Zhang, B. Research on the engineering experimental device of unified power quality conditioner based on modular multilevel converter. Trans. China Electrotech. Soc. 2018, 33, 3743–3755. [Google Scholar]
  3. Ma, K.; Li, E.; He, B.; Cai, X. Mechanism and Cancellation of DC Current Fluctuation in MMC Excited by Circulating Current Mitigation Under Nearest Level Control. IEEE J. Emerg. Sel. Top. Power Electron. 2022, 10, 6822–6831. [Google Scholar] [CrossRef]
  4. Ge, Y.B.; Hu, H.T.; Yang, X.W.; He, Z.Y.; Gao, S.B. Research on control method of medium voltage DC traction power supply system with modular multilevel converter. Trans. China Electrotech. Soc. 2018, 33, 3792–3801. [Google Scholar]
  5. Fan, B.R.; Wang, K.; Li, Y.D.; Zhen, Z.D.; Xu, L. Adjustable-Speed Hydraulic Pumped Storage System Based on the Modular Multilevel Matrix Converter. Trans. China Electrotech. Soc. 2018, 33, 511–518. [Google Scholar]
  6. Nguyen, M.H.; Kwak, S. Nearest-Level Control Method with Improved Output Quality for Modular Multilevel Converters. IEEE Access 2020, 8, 110237–110250. [Google Scholar] [CrossRef]
  7. Lu, S.; Yuan, L.; Li, K.; Zhao, Z. An Improved Phase-Shifted Carrier Modulation Scheme for a Hybrid Modular Multilevel Converter. IEEE Trans. Power Electron. 2017, 32, 81–97. [Google Scholar] [CrossRef]
  8. Ronanki, D.; Williamson, S.S. A Novel 2N+1 Carrier-Based Pulse Width Modulation Scheme for Modular Multilevel Converters with Reduced Control Complexity. In Proceedings of the 2019 IEEE Applied Power Electronics Conference and Exposition (APEC), Anaheim, CA, USA, 17–21 March 2019. [Google Scholar]
  9. Wang, Z.; Zhang, K.; Chen, J.M.; Liao, K.W.; Liu, W.X. Overview of capacitor voltage ripple suppression technology applied to modular multilevel inverters. Trans. China Electrotech. Soc. 2013, 33, 3756–3771. [Google Scholar]
  10. Luo, D.R.; He, R.Z.; Huang, S.D.; Zhang, Z.G.; Hou, W.Y. Over-Voltage Protection Strategy for Sub-Module of Modular Multilevel Converter with Reduced Sensors. Trans. China Electrotech. Soc. 2019, 34, 2957–2969. [Google Scholar]
  11. Wang, X.G.; Xue, S.; Li, X.Y. Analysis of Output Characteristics of a Microgrid Based on Modular Multilevel Converter Half-Bridge Series Structure. Trans. China Electrotech. Soc. 2019, 34, 2130–2140. [Google Scholar]
  12. Wang, K.; Deng, Y.; Peng, H.; Chen, G.; Li, G.; He, X. An Improved CPS-PWM Scheme-Based Voltage Balancing Strategy for MMC With Fundamental Frequency Sorting Algorithm. IEEE Trans. Ind. Electron. 2019, 66, 2387–2397. [Google Scholar] [CrossRef]
  13. Jiang, C.; Cheng, Q.M.; Ma, X.Q.; Zhao, M.Z. Differential Flat Control for Unified Power Quality Controller Based on Modular Multilevel Converter under Unbalanced Grid Voltage. Trans. China Electrotech. Soc. 2021, 36, 3410–3421. [Google Scholar]
  14. Liu, C.; Deng, F.; Heng, Q.; Cai, X.; Zhu, R.; Liserre, M. Crossing Thyristor Branches-Based Hybrid Modular Multilevel Converters for DC Line Faults. IEEE Trans. Ind. Electron. 2021, 68, 9719–9730. [Google Scholar] [CrossRef]
  15. Richa; Beig, A.R.; Dekka; Apparao; Jayashree, R. Operation of MMC Based Unipolar HVDC Under SM Failure. In Proceedings of the IECON 2019—45th Annual Conference of the IEEE Industrial Electronics Society(IES), Lisbon, Portugal, 14–17 October 2019. [Google Scholar]
  16. Shen, K.; Zhao, D.; Chen, L.; Zhao, G.; Chen, W. A Time-Delayed Filter Based Suppression Method of Circulating Current in Modular Multilevel Converters. IEEE Trans. Ind. Electron. 2021, 68, 10309–10315. [Google Scholar] [CrossRef]
  17. Kolluri, S.; Gorla, N.B.Y.; Sapkota, R.; Panda, S.K. A New control architecture with spatial comb filter and spatial repetitive controller for circulating current carmonics elimination in a droop-regulated modular multilevel converter for wind farm application. IEEE Trans. Power Electron. 2019, 34, 10509–10523. [Google Scholar] [CrossRef]
  18. Zhang, W.; Tan, G.; Wang, Q.; Zhang, X. A model predictive control method based on space vector modulation for MMC. In Proceedings of the 2020 IEEE 1st China International Youth Conference on Electrical Engineering (CIYCEE), Wuhan, China, 1–4 November 2020. [Google Scholar]
  19. Bahrani, B.; Debnath, S.; Saeedifard, M. Circulating Current Suppression of the Modular Multilevel Converter in a Double-Frequency Rotating Reference Frame. IEEE Trans. Power Electron. 2016, 31, 783–792. [Google Scholar] [CrossRef]
  20. Wang, J.; Liang, J.; Wang, C. Circulating current suppressing strategy for MMC-HVDC in the stationary frame. In Proceedings of the 2016 IEEE PES Asia-Pacific Power and Energy Engineering Conference (APPEEC), Xi’an, China, 25–28 October 2016. [Google Scholar]
  21. Chakraborty, R.; Dey, A. Circulating Current Control of Modular Multilevel Converter with Reduced Conduction Loss for Medium-Voltage Applications. IEEE Trans. Power Electron. 2021, 68, 9014–9023. [Google Scholar] [CrossRef]
  22. Reddy, G.A.; Shukla, A. Arm-Current-Sensorless Circulating Current Control of MMC. IEEE Trans. Ind. Appl. 2022, 58, 444–456. [Google Scholar] [CrossRef]
  23. Gong, Z.; Dai, P.; Yuan, X.; Wu, X.; Guo, G. Design and Experimental Evaluation of Fast Model Predictive Control for Modular Multilevel Converters. IEEE Trans. Ind. Electron. 2016, 63, 3845–3856. [Google Scholar] [CrossRef]
  24. Xu, K.; Xie, S.; Wang, X.; Zhang, B.; Bian, S. Model Predictive-based Fault-tolerant Control for Modular Multilevel Converters Without Redundant Submodules. In Proceedings of the 2018 IEEE International Power Electronics and Application Conference and Exposition (PEAC), Shenzhen, China, 4–7 November 2018. [Google Scholar]
  25. Sun, Y.; Li, Z.; Zhang, Z. Open-Circuit Fault Diagnosis and Fault-Tolerant Control with Sequential Indirect Model Predictive Control for Modular Multilevel Converters. In Proceedings of the 2019 4th IEEE Workshop on the Electronic Grid (eGRID), Xiamen, China, 11–14 November 2019. [Google Scholar]
  26. Moon, J.W.; Gwon, J.S.; Park, J.W.; Kang, D.W.; Kim, J.M. Model Predictive Control with a Reduced Number of Considered States in a Modular Multilevel Converter for HVDC System. IEEE Trans. Power Deliv. 2015, 30, 608–617. [Google Scholar] [CrossRef]
  27. Sun, Y.; Li, Z.; Zhang, Z. Hybrid predictive control with simple linear control based circulating current suppression for modular multilevel converters. CES TEMS 2019, 3, 335–341. [Google Scholar] [CrossRef]
Figure 1. Topology of MMC.
Figure 1. Topology of MMC.
Wevj 16 00134 g001
Figure 2. SM capacitor voltage balancing block diagram.
Figure 2. SM capacitor voltage balancing block diagram.
Wevj 16 00134 g002
Figure 3. Resonance controller block diagram.
Figure 3. Resonance controller block diagram.
Wevj 16 00134 g003
Figure 4. Hybrid model predictive control structure of MMC.
Figure 4. Hybrid model predictive control structure of MMC.
Wevj 16 00134 g004
Figure 5. Comparison of traditional model predictive control and hybrid model predictive control: (a) Traditional model predictive control. (b) Hybrid model predictive control.
Figure 5. Comparison of traditional model predictive control and hybrid model predictive control: (a) Traditional model predictive control. (b) Hybrid model predictive control.
Wevj 16 00134 g005
Figure 6. The prototype of RT-LAB driven MMC.
Figure 6. The prototype of RT-LAB driven MMC.
Wevj 16 00134 g006
Figure 7. Traditional model predictive control: (a) Three-phase output current. (b) A-phase output current THD.
Figure 7. Traditional model predictive control: (a) Three-phase output current. (b) A-phase output current THD.
Wevj 16 00134 g007
Figure 8. Hybrid model predictive control: (a) Three-phase output current. (b) A-phase output current THD.
Figure 8. Hybrid model predictive control: (a) Three-phase output current. (b) A-phase output current THD.
Wevj 16 00134 g008
Figure 9. The waveform and difference in A-phase SM capacitor voltage under traditional model predictive control: (a) Upper arm. (b) Lower arm.
Figure 9. The waveform and difference in A-phase SM capacitor voltage under traditional model predictive control: (a) Upper arm. (b) Lower arm.
Wevj 16 00134 g009
Figure 10. The waveform and difference in A-phase SM capacitor voltage under hybrid model predictive control: (a) Upper arm. (b) Lower arm.
Figure 10. The waveform and difference in A-phase SM capacitor voltage under hybrid model predictive control: (a) Upper arm. (b) Lower arm.
Wevj 16 00134 g010
Figure 11. The waveform and FFT analysis of the circulating current in A-phase: (a) Circulating current by conventional model predictive control. (b) Circulating current FFT analysis by conventional model predictive control. (c) Circulating current by hybrid model predictive control. (d) Circulating current FFT analysis by hybrid model predictive control.
Figure 11. The waveform and FFT analysis of the circulating current in A-phase: (a) Circulating current by conventional model predictive control. (b) Circulating current FFT analysis by conventional model predictive control. (c) Circulating current by hybrid model predictive control. (d) Circulating current FFT analysis by hybrid model predictive control.
Wevj 16 00134 g011
Figure 12. Arm current waveform and FFT analysis of A-phase under traditional model predictive control: (a) Arm Current. (b) Upper arm current THD. (c) Lower arm current THD.
Figure 12. Arm current waveform and FFT analysis of A-phase under traditional model predictive control: (a) Arm Current. (b) Upper arm current THD. (c) Lower arm current THD.
Wevj 16 00134 g012
Figure 13. Arm current waveform and FFT analysis of A-phase under hybrid model predictive control: (a) Arm Current. (b) Upper arm current THD. (c) Lower arm current THD.
Figure 13. Arm current waveform and FFT analysis of A-phase under hybrid model predictive control: (a) Arm Current. (b) Upper arm current THD. (c) Lower arm current THD.
Wevj 16 00134 g013
Table 1. Experimental parameters.
Table 1. Experimental parameters.
ItemsSymbolsExperiment
Dc-link voltageVdc100 V
SM capacitanceCSM5040 μF
Arm inductorLarm2.7 mH
Load resistanceRo10 Ω
Load inductanceLo10 mH
Rated frequencyf50 Hz
Control periodTs0.0001 s
Number of SMs per armM4
Power factorcosφ0.953
Modulation indexz0.8
Proportional coefficientKp0.2
Second harmonic gainKr260
Fourth harmonic gainKr420
Disclaimer/Publisher’s Note: The statements, opinions and data contained in all publications are solely those of the individual author(s) and contributor(s) and not of MDPI and/or the editor(s). MDPI and/or the editor(s) disclaim responsibility for any injury to people or property resulting from any ideas, methods, instructions or products referred to in the content.

Share and Cite

MDPI and ACS Style

Gu, X.; Zhao, W.; Zhang, G.; Yao, X.; Jin, X.; Chen, W.; Li, C. Circulating Current Suppression in Modular Multilevel Converters Based on Hybrid Model Predictive Control. World Electr. Veh. J. 2025, 16, 134. https://doi.org/10.3390/wevj16030134

AMA Style

Gu X, Zhao W, Zhang G, Yao X, Jin X, Chen W, Li C. Circulating Current Suppression in Modular Multilevel Converters Based on Hybrid Model Predictive Control. World Electric Vehicle Journal. 2025; 16(3):134. https://doi.org/10.3390/wevj16030134

Chicago/Turabian Style

Gu, Xin, Wenxuan Zhao, Guozheng Zhang, Xuqing Yao, Xuefeng Jin, Wei Chen, and Chen Li. 2025. "Circulating Current Suppression in Modular Multilevel Converters Based on Hybrid Model Predictive Control" World Electric Vehicle Journal 16, no. 3: 134. https://doi.org/10.3390/wevj16030134

APA Style

Gu, X., Zhao, W., Zhang, G., Yao, X., Jin, X., Chen, W., & Li, C. (2025). Circulating Current Suppression in Modular Multilevel Converters Based on Hybrid Model Predictive Control. World Electric Vehicle Journal, 16(3), 134. https://doi.org/10.3390/wevj16030134

Article Metrics

Back to TopTop