Simulation Design Research on Adaptive Temperature Control System for Thermal Management of Passenger Compartment
Abstract
1. Introduction
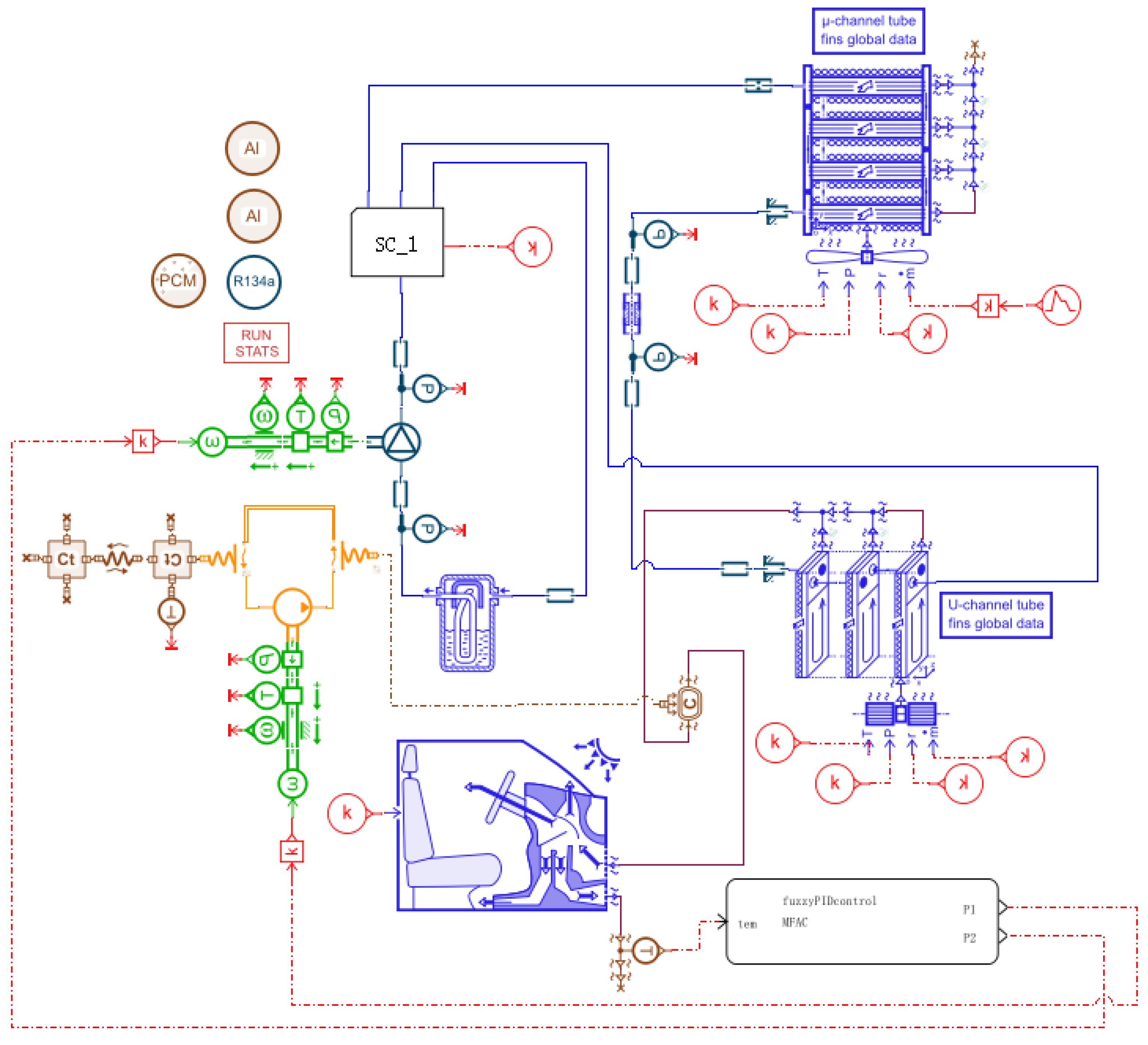
2. Intelligent Temperature Control System Solution for the Passenger Compartment
- (1)
- Vehicle Preheating Function: Remotely sends signals to the vehicle based on driver preference to preheat the entire vehicle in advance;
- (2)
- Waste Heat Recovery Function: Collects temperature data from relevant batteries and motors;
- (3)
- Data Analysis Module (ECU): Analyzes collected temperature data to classify different operating modes;
- (4)
- Phase Change Heat Storage Module: Stores waste heat from batteries and motors, facilitating heat exchange with the cab;
- (5)
- Cab Control Module: Prioritizes the heat storage system to heat the cab based on preset temperature values.
3. Simulation Design on Intelligent Refrigeration Temperature Control System for the Passenger Compartment
3.1. Simulation Model Development of Air Conditioning System for the Passenger Compartment
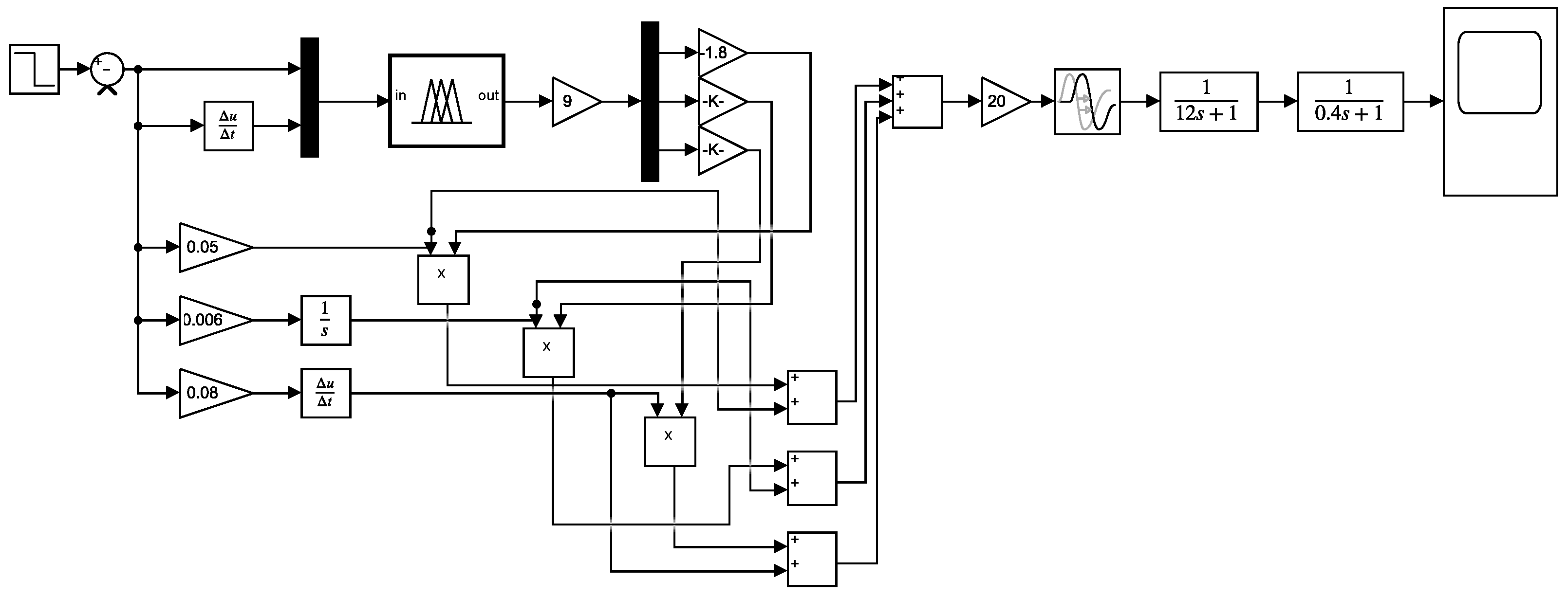
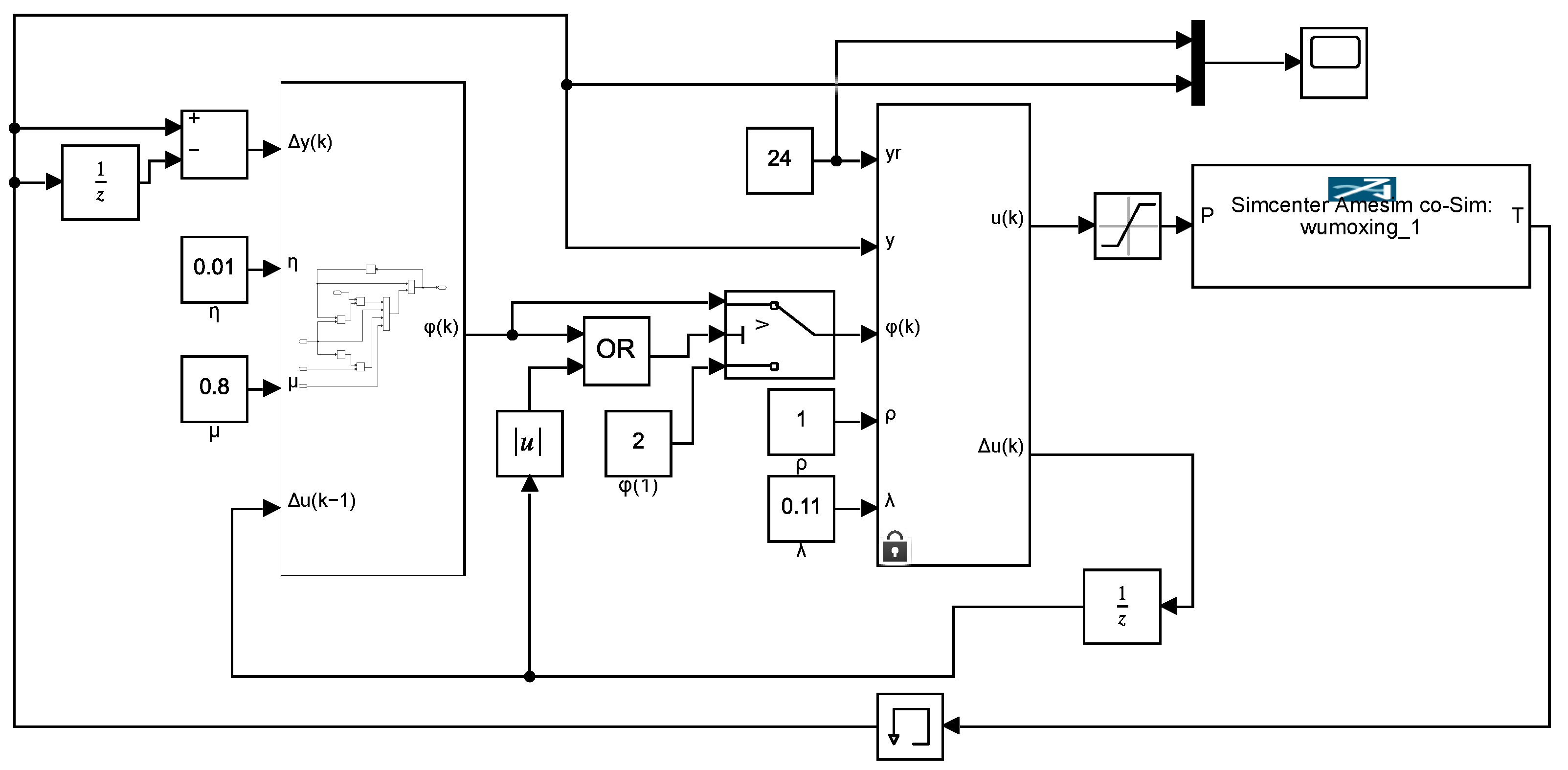
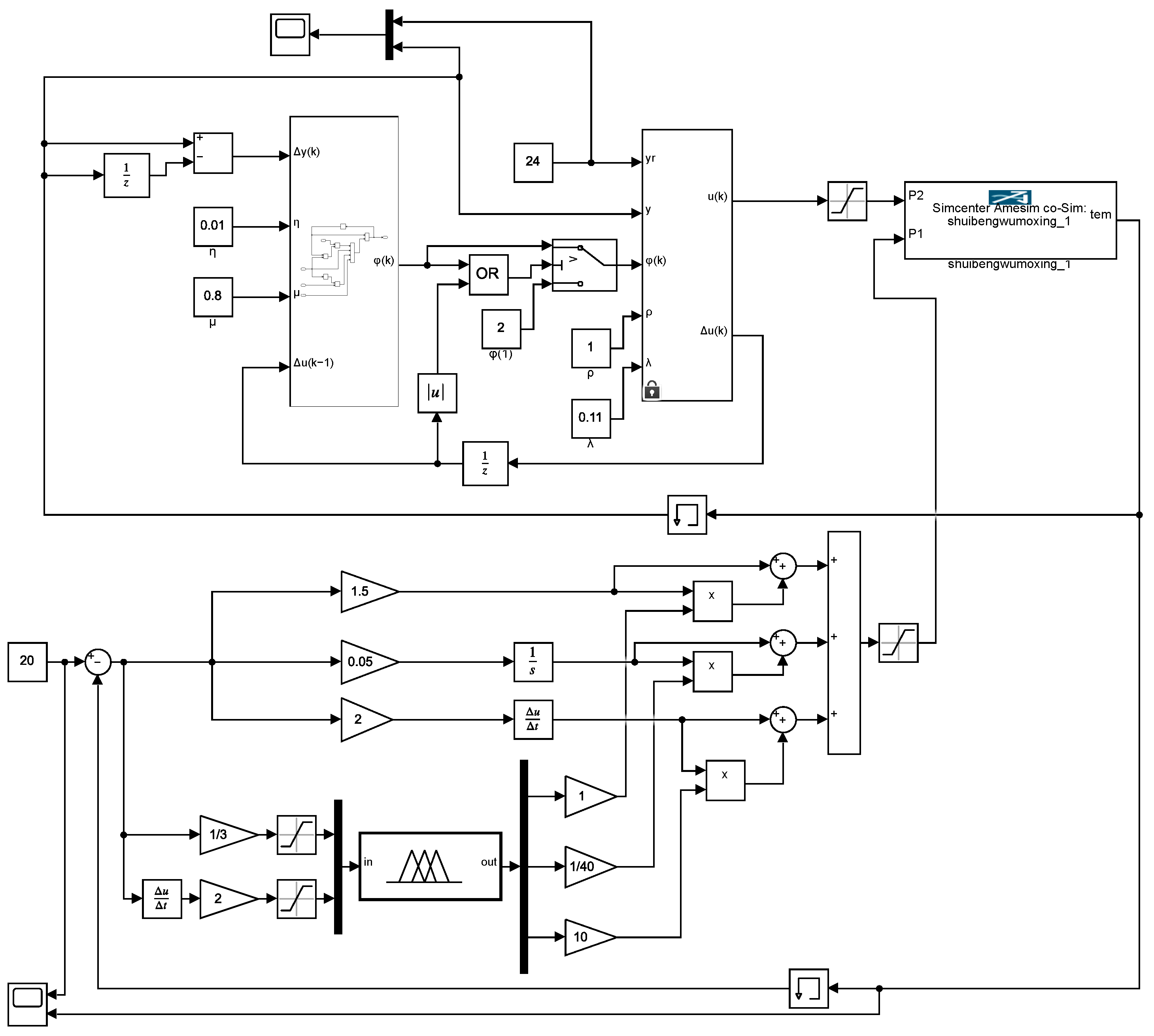
3.2. Adaptive Speed Controller Design for the Compressor
3.3. Simulation Comparison Analysis of Cabin Temperature Control
4. Simulation Design on Intelligent Heating Temperature Control System for the Passenger Compartment
5. Conclusions
- (1)
- To address thermal management efficiency and temperature control precision in electric vehicle passenger compartments, an integrated vehicle thermal management model with heat exchange and storage capabilities was designed and developed alongside an intelligent passenger compartment temperature control system. This solution enables both vehicle residual heat recovery and preheating requirements for the passenger compartment.
- (2)
- To meet adaptive control requirements for the vehicle’s passenger compartment thermal management system, a composite strategy combining compressor speed PID control and model-free adaptive control for water pump speed was proposed. Simulation comparisons analyzed the effectiveness of different control strategies under passenger compartment temperature control demands. Results demonstrate that this control mode exhibits greater stability, reduced overshoot, and minimal control error, significantly improving passenger compartment temperature regulation precision.
- (3)
- The phase change heat storage system and its model-free adaptive control demonstrated outstanding performance in this study, validating the superiority of the designed thermal management system and the effectiveness of the control algorithm. This provides a comprehensive solution for enhancing the thermal management efficiency and occupant thermal comfort of electric vehicles.
6. Discussion
Author Contributions
Funding
Data Availability Statement
Conflicts of Interest
References
- Duzgun, M.; Ozarisoy, B.; Altan, H.; Moshaver, S. Analysis of Technological Systems for Improving Drivers’ Thermal Comfort. Eng. Rep. 2025, 7, e70128. [Google Scholar] [CrossRef]
- Zhang, C.; Hou, B.; Li, M.; Chen, Z.; Zhang, R.; Li, S.; Li, X. A novel online prediction method for vehicle cabin temperature and passenger thermal sensation. Appl. Therm. Eng. 2024, 245, 122853. [Google Scholar] [CrossRef]
- Sun, G.G.; Wei, M.S.; Zheng, S.Y.; Song, P.P. Simulation study on integrated thermal management of air conditioning and battery in pure electric vehicles. Refrig. Technol. 2022, 42, 12–18. [Google Scholar]
- Luo, Y.; Li, H.; Zhang, L.; Qiu, X.B.; Li, L.S.; Sun, Q. Design and simulation of a multi-heat source heating scheme for the passenger compartment of a supercharged electric vehicle. J. Chongqing Univ. Technol. (Nat. Sci.) 2024, 38, 61–71. [Google Scholar]
- Dai, C.J.; Lin, W.Y.; Li, S.Q.; Chen, X.; Song, W.J.; Feng, Z.P.; Kuznik, F. Development and performance of MPC strategy for electric vehicle thermal management system based on NSGA-II optimization. Energy Storage Sci. Technol. 2025, 14, 2200–2214. [Google Scholar]
- Zhu, J. Thermal performance analysis of electric vehicle electrothermal phase change energy storage system in the context of new low-carbon energy. Energy Storage Sci. Technol. 2024, 13, 4406–4408. [Google Scholar]
- Recalde, A.; Cajo, R.; Velasquez, W.; Alvarez-Alvarado, M.S. Machine learning and optimization in energy management systems for plug-In hybrid electric vehicles: A comprehensive review. Energies 2024, 17, 3059. [Google Scholar] [CrossRef]
- Toyota Motor Corporation. Advanced Thermal Comfort System for All-Electric Vehicles. SAE Int. J. Altern. Powertrains 2025, 14, 125–136. [Google Scholar]
- Li, P.; Wang, S.; Wang, H.; Feng, Y.; Li, H.; Xiao, H. Thermal management of electric vehicle power cabin based on fast zero-dimensional integrating accurate three-dimensional optimization model. Appl. Energy 2025, 378, 124783. [Google Scholar] [CrossRef]
- Zhao, Y.; Wei, M.; Dan, D.; Xie, Y.; Zheng, S.; Zhang, Y. A data-driven performance analysis and prediction method for electric vehicle cabin thermal management system. Appl. Therm. Eng. 2024, 240, 122150. [Google Scholar] [CrossRef]
- Vikram, S.; Vashisht, S.; Rakshit, D.; Wan, M.P. Performance analysis of integrated battery and cabin thermal management system in Electric Vehicles for discharge under drive cycle. J. Energy Storage 2025, 114, 115678. [Google Scholar] [CrossRef]
- Ma, J.; Liu, A.; Zhang, P.; Chen, Y.; Cai, Y. Collaborative thermal management of power battery and passenger cabin for energy efficiency optimization. Energy Convers. Manag. 2023, 293, 117514. [Google Scholar] [CrossRef]
- Alami, A.H.; Maghrabie, H.M.; Abdelkareem, M.A.; Sayed, E.T.; Yasser, Z.; Salameh, T.; Olabi, A.G. Potential applications of phase change materials for batteries’ thermal management systems in electric vehicles. J. Energy Storage 2022, 54, 105204. [Google Scholar] [CrossRef]










| Controller | Param α | Param 1 | Param 2 | Param 3 | Param 4 | Param 5 | Param 6 |
|---|---|---|---|---|---|---|---|
| C controller | 0.0015 | −0.75 | 0.7 | 0.7 | 1 | 0.8 | 3 |
| A controller | 0.0015 | −0.9 | 0.85 | 0.7 | 1 | 0.1 | 1.5 |
| P controller | 0.0015 | −0.85 | 0.5 | 0.7 | 1 | 0.9 | 1.4 |
| Control Method | Core Concept | Advantages | Disadvantages | Compared to MFAC |
|---|---|---|---|---|
| PID control | Control based on the current error, error integral, and error derivative. | Simple structure, wide application, and good robustness. | Poor control performance for nonlinear and time-varying systems; parameter tuning is time-consuming. | MFAC is smarter, automatically adapting to system changes, while PID requires parameter retuning. |
| Model-Reference Adaptive Control | Have the system track the output of an ideal reference model. | Theoretically rigorous with excellent dynamic performance. | Heavily reliant on linear models, sensitive to unmodeled dynamics; complex design. | MFAC is more lightweight, requiring no reference models or complex parameter identification. |
| Model Predictive Control | Utilize the model to predict future system outputs and calculate the optimal control variables through rolling optimization. | Capable of handling multivariate, constrained optimization problems with outstanding performance. | Highly dependent on precise mathematical models; computationally intensive with demanding hardware requirements. | MFAC has low computational complexity and requires no model, but it cannot handle explicit constraints or perform long-time domain optimization like model predictive control. |
| Fuzzy/Neural Network Control | Imitating human thinking or learning nonlinear mappings through network-based methods. | Ideal for complex nonlinear systems. | The design is complex and requires extensive data training; stability analysis is challenging. | MFAC features a simpler structure, representing a compact data-driven control approach, whereas intelligent control exhibits stronger “black box” characteristics within its data-driven framework. |
Disclaimer/Publisher’s Note: The statements, opinions and data contained in all publications are solely those of the individual author(s) and contributor(s) and not of MDPI and/or the editor(s). MDPI and/or the editor(s) disclaim responsibility for any injury to people or property resulting from any ideas, methods, instructions or products referred to in the content. |
© 2025 by the authors. Published by MDPI on behalf of the World Electric Vehicle Association. Licensee MDPI, Basel, Switzerland. This article is an open access article distributed under the terms and conditions of the Creative Commons Attribution (CC BY) license (https://creativecommons.org/licenses/by/4.0/).
Share and Cite
Zhu, Z.; Xie, W.; Du, X. Simulation Design Research on Adaptive Temperature Control System for Thermal Management of Passenger Compartment. World Electr. Veh. J. 2025, 16, 648. https://doi.org/10.3390/wevj16120648
Zhu Z, Xie W, Du X. Simulation Design Research on Adaptive Temperature Control System for Thermal Management of Passenger Compartment. World Electric Vehicle Journal. 2025; 16(12):648. https://doi.org/10.3390/wevj16120648
Chicago/Turabian StyleZhu, Zhiqiang, Wenchen Xie, and Xianfeng Du. 2025. "Simulation Design Research on Adaptive Temperature Control System for Thermal Management of Passenger Compartment" World Electric Vehicle Journal 16, no. 12: 648. https://doi.org/10.3390/wevj16120648
APA StyleZhu, Z., Xie, W., & Du, X. (2025). Simulation Design Research on Adaptive Temperature Control System for Thermal Management of Passenger Compartment. World Electric Vehicle Journal, 16(12), 648. https://doi.org/10.3390/wevj16120648
