Design of an Electric Vehicle Charging System Consisting of PV and Fuel Cell for Historical and Tourist Regions
Abstract
1. Introduction
2. Electric Vehicle Charging Station Components
2.1. PV Power System
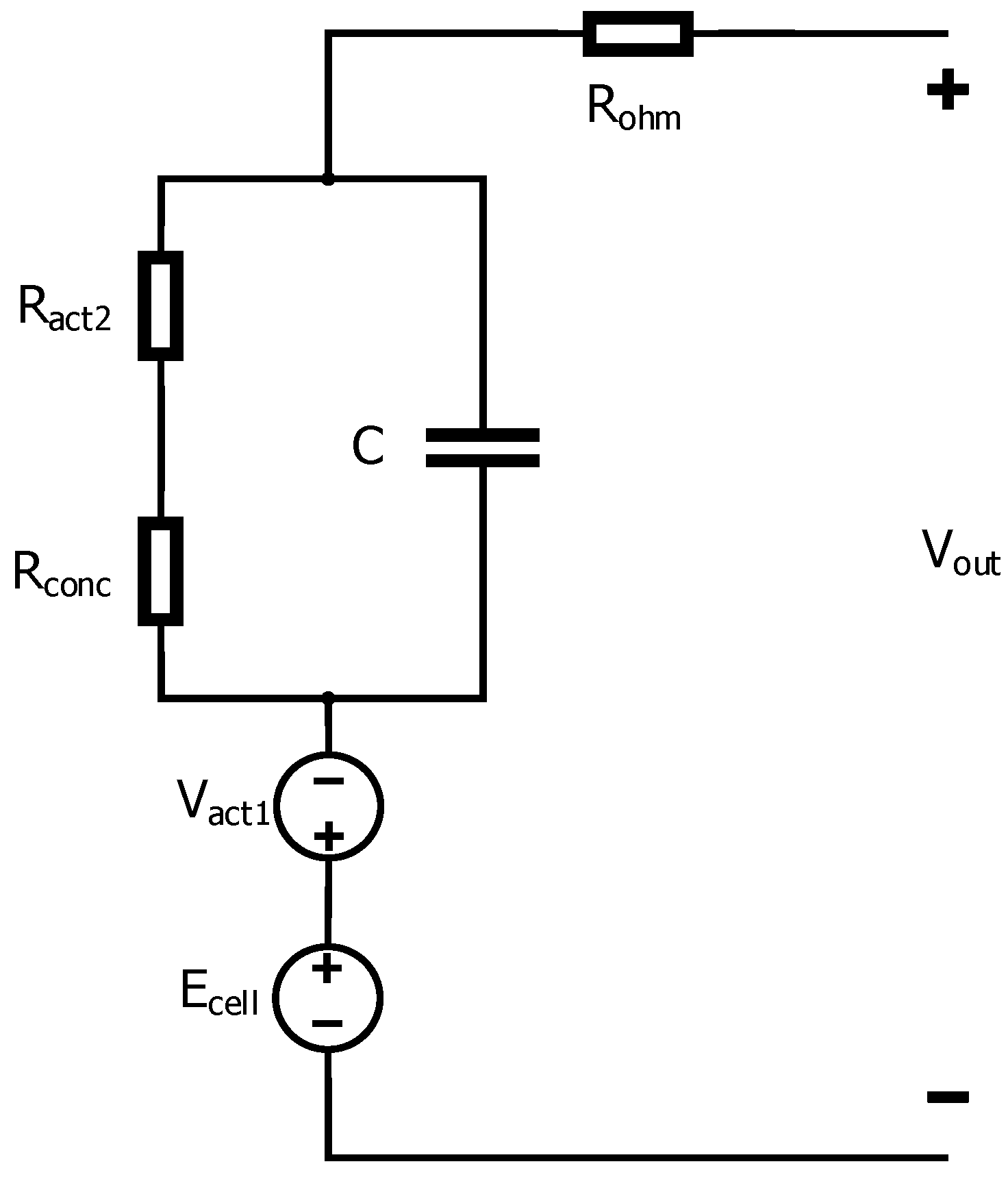
2.2. FC Model
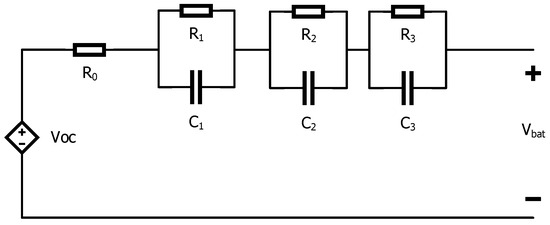
2.3. Electric Vehicle Charging Model
3. Simulation Procedure and Analysis
4. Results and Discussion
5. Conclusions
Author Contributions
Funding
Data Availability Statement
Conflicts of Interest
References
- Zhu, J.R.; Jin, Y.; Zhu, W.; Lee, D.-K.; Bohlooli, N. Multi-Objective Planning of Micro-Grid System Considering Renewable Energy and Hydrogen Storage Systems with Demand Response. Int. J. Hydrogen Energy 2023, 48, 15626–15645. [Google Scholar] [CrossRef]
- Yilanci, A.; Dincer, I.; Ozturk, H.K. A Review on Solar-Hydrogen/Fuel Cell Hybrid Energy Systems for Stationary Applications. Prog. Energy Combust. Sci. 2009, 35, 231–244. [Google Scholar] [CrossRef]
- Bajpai, P.; Dash, V. Hybrid Renewable Energy Systems for Power Generation in Stand-Alone Applications: A Review. Renew. Sustain. Energy Rev. 2012, 16, 2926–2939. [Google Scholar] [CrossRef]
- Abideen, F.Z.U.; Khalid, H.A.; Khan, M.S.; Rehman, H.; Hasan, A. Direct Model Predictive Control of Fuel Cell and Ultra-Capacitor Based Hybrid Electric Vehicle. IEEE Access 2024, 12, 46774–46784. [Google Scholar] [CrossRef]
- Egeland-Eriksen, T.; Hajizadeh, A.; Sartori, S. Hydrogen-Based Systems for Integration of Renewable Energy in Power Systems: Achievements and Perspectives. Int. J. Hydrogen Energy 2021, 46, 31963–31983. [Google Scholar] [CrossRef]
- Hou, L.; Dong, J.; Herrera, O.E.; Mérida, W. Energy Management for Solar-Hydrogen Microgrids with Vehicle-to-Grid and Power-to-Gas Transactions. Int. J. Hydrogen Energy 2023, 48, 2013–2029. [Google Scholar] [CrossRef]
- Anastasiadis, A.G.; Konstantinopoulos, S.; Kondylis, G.P.; Vokas, G.A. Electric Vehicle Charging in Stochastic Smart Microgrid Operation with Fuel Cell and RES Units. Int. J. Hydrogen Energy 2017, 42, 8242–8254. [Google Scholar] [CrossRef]
- Wang, Y.; Kazemi, M.; Nojavan, S.; Jermsittiparsert, K. Robust Design of Off-Grid Solar-Powered Charging Station for Hydrogen and Electric Vehicles via Robust Optimization Approach. Int. J. Hydrogen Energy 2020, 45, 18995–19006. [Google Scholar] [CrossRef]
- García-Triviño, P.; De Oliveira-Assís, L.; Soares-Ramos, E.P.P.; Sarrias-Mena, R.; García-Vázquez, C.A.; Fernández-Ramírez, L.M. Supervisory Control System for a Grid-Connected MVDC Microgrid Based on Z-Source Converters with PV, Battery Storage, Green Hydrogen System and Charging Station of Electric Vehicles. IEEE Trans. Ind. Appl. 2023, 59, 2650–2660. [Google Scholar] [CrossRef]
- Kumar, G.; Mikkili, S. Advancements in EV International Standards: Charging, Safety and Grid Integration with Challenges and Impacts. Int. J. Green Energy 2024, 1–27. [Google Scholar] [CrossRef]
- Knez, M.; Zevnik, G.K.; Obrecht, M. A Review of Available Chargers for Electric Vehicles: United States of America, European Union, and Asia. Renew. Sustain. Energy Rev. 2019, 109, 284–293. [Google Scholar] [CrossRef]
- Mehrjerdi, H. Off-Grid Solar Powered Charging Station for Electric and Hydrogen Vehicles Including Fuel Cell and Hydrogen Storage. Int. J. Hydrogen Energy 2019, 44, 11574–11583. [Google Scholar] [CrossRef]
- Osawa, J. Evaluation of Technological Configurations of Residential Energy Systems Considering Bidirectional Power Supply by Vehicles in Japan. Energies 2024, 17, 1574. [Google Scholar] [CrossRef]
- Chen, P.-C. Configuration of Solar-Hydrogen Mild Hybrid Fuel Cell Power Systems for Electric Vehicles. J. Power Sources 2012, 201, 243–252. [Google Scholar] [CrossRef]
- Nasir, M.; Rezaee Jordehi, A.; Tostado-Véliz, M.; Mansouri, S.A.; Sanseverino, E.R.; Marzband, M. Two-Stage Stochastic-Based Scheduling of Multi-Energy Microgrids with Electric and Hydrogen Vehicles Charging Stations, Considering Transactions through Pool Market and Bilateral Contracts. Int. J. Hydrogen Energy 2023, 48, 23459–23497. [Google Scholar] [CrossRef]
- Reddy, V.J.; Hariram, N.P.; Maity, R.; Ghazali, M.F.; Kumarasamy, S. Sustainable Vehicles for Decarbonizing the Transport Sector: A Comparison of Biofuel, Electric, Fuel Cell and Solar-Powered Vehicles. World Electr. Veh. J. 2024, 15, 93. [Google Scholar] [CrossRef]
- Oladosu, T.L.; Pasupuleti, J.; Kiong, T.S.; Koh, S.P.J.; Yusaf, T. Energy Management Strategies, Control Systems, and Artificial Intelligence-Based Algorithms Development for Hydrogen Fuel Cell-Powered Vehicles: A Review. Int. J. Hydrogen Energy 2024, 61, 1380–1404. [Google Scholar] [CrossRef]
- Deb, A.; Debnath, A.; Yadav, J.; Chowdhury, S.; Paul, B. Design & Analysis of a PV-Fuel Cell-Based Standalone DC Microgrid in Tripura. In Proceedings of the 2021 IEEE 2nd International Conference on Applied Electromagnetics, Signal Processing, & Communication (AESPC), Bhubaneswar, India, 26 November 2021; pp. 1–6. [Google Scholar]
- Elma, O.; Gabbar, H.A. Design and Analysis of Mobile Hybrid Energy System for Off-Grid Applications. In Proceedings of the 2019 International Conference on Power Generation Systems and Renewable Energy Technologies (PGSRET), Istanbul, Turkey, 26–27 August 2019; pp. 1–6. [Google Scholar]
- Çiçek, A. Optimal Operation of an All-in-One EV Station with Photovoltaic System Including Charging, Battery Swapping and Hydrogen Refueling. Int. J. Hydrogen Energy 2022, 47, 32405–32424. [Google Scholar] [CrossRef]
- Halima, N.B.; Kolsi, H.; Halima, N.B.; Oualha, A. Energy Management of Electrical Vehicle Charging Station Based on Photovoltaic System. In Proceedings of the 2022 IEEE 21st International Ccnference on Sciences and Techniques of Automatic Control and Computer Engineering (STA), Sousse, Tunisia, 19 December 2022; pp. 623–628. [Google Scholar]
- Ihm, J.; Amghar, B.; Chun, S.; Park, H. Optimum Design of an Electric Vehicle Charging Station Using a Renewable Power Generation System in South Korea. Sustainability 2023, 15, 9931. [Google Scholar] [CrossRef]
- Franco, A.; Lutzemberger, G.; Bevilacqua, M.G.; Quilici, F.G.; Vezzani, M. Green-Powered Electric Public Mobility: Integrating Urban and Interurban Routes—A Case Study Analysis. Electricity 2024, 5, 254–270. [Google Scholar] [CrossRef]
- Oldenbroek, V.; Verhoef, L.A.; Van Wijk, A.J.M. Fuel Cell Electric Vehicle as a Power Plant: Fully Renewable Integrated Transport and Energy System Design and Analysis for Smart City Areas. Int. J. Hydrogen Energy 2017, 42, 8166–8196. [Google Scholar] [CrossRef]
- Er, G.; Soykan, G.; Canakoglu, E. Designing an Optimal Multi-Energy System with Fast Charging and Hydrogen Refueling Station under Uncertainties. Sustain. Energy Grids Netw. 2024, 39, 101403. [Google Scholar] [CrossRef]
- Ampah, J.D.; Afrane, S.; Agyekum, E.B.; Adun, H.; Yusuf, A.A.; Bamisile, O. Electric Vehicles Development in Sub-Saharan Africa: Performance Assessment of Standalone Renewable Energy Systems for Hydrogen Refuelling and Electricity Charging Stations (HRECS). J. Clean. Prod. 2022, 376, 134238. [Google Scholar] [CrossRef]
- Zhao, L.; Brouwer, J. Dynamic Operation and Feasibility Study of a Self-Sustainable Hydrogen Fueling Station Using Renewable Energy Sources. Int. J. Hydrogen Energy 2015, 40, 3822–3837. [Google Scholar] [CrossRef]
- Madhumitha, R.; Priya, P.; Saravanan, S. Hybrid Renewable Energy Based Electric Vehicles Charging Station. In Proceedings of the 2022 2nd International Conference on Advance Computing and Innovative Technologies in Engineering (ICACITE), Greater Noida, India, 28 April 2022; pp. 2348–2352. [Google Scholar]
- Muna, Y.B.; Kuo, C.-C. Feasibility and Techno-Economic Analysis of Electric Vehicle Charging of PV/Wind/Diesel/Battery Hybrid Energy System with Different Battery Technology. Energies 2022, 15, 4364. [Google Scholar] [CrossRef]
- Elshurafa, A.M.; Muhsen, A.R.; Felder, F.A. Cost, Footprint, and Reliability Implications of Deploying Hydrogen in off-Grid Electric Vehicle Charging Stations: A GIS-Assisted Study for Riyadh, Saudi Arabia. Int. J. Hydrogen Energy 2022, 47, 32641–32654. [Google Scholar] [CrossRef]
- Zheng, W.; Li, J.; Shao, Z.; Lei, K.; Li, J.; Xu, Z. Optimal Dispatch of Hydrogen/Electric Vehicle Charging Station Based on Charging Decision Prediction. Int. J. Hydrogen Energy 2023, 48, 26964–26978. [Google Scholar] [CrossRef]
- Fathabadi, H. Novel Stand-Alone, Completely Autonomous and Renewable Energy Based Charging Station for Charging Plug-in Hybrid Electric Vehicles (PHEVs). Appl. Energy 2020, 260, 114194. [Google Scholar] [CrossRef]
- Gilev, B.; Vacheva, G.; Hinov, N.; Stanchev, P. Charging Station for Electric Vehicles, Based on Micro Gas Turbine, Fuel Cell and Supercapacitor. In Proceedings of the 2022 22nd International Symposium on Electrical Apparatus and Technologies (SIELA), Bourgas, Bulgaria, 1 June 2022; pp. 1–4. [Google Scholar]
- Mehrjerdi, H.; Hemmati, R. Stochastic Model for Electric Vehicle Charging Station Integrated with Wind Energy. Sustain. Energy Technol. Assess. 2020, 37, 100577. [Google Scholar] [CrossRef]
- Benmouna, A.; Borderiou, L.; Becherif, M. Charging Stations for Large-Scale Deployment of Electric Vehicles. Batteries 2024, 10, 33. [Google Scholar] [CrossRef]
- Hu, Z.; Liu, S.; Wu, L. Credibility-Based Distributed Frequency Estimation for Plug-in Electric Vehicles Participating in Load Frequency Control. Int. J. Electr. Power Energy Syst. 2021, 130, 106997. [Google Scholar] [CrossRef]
- Hu, Z.; Liu, S.; Luo, W.; Wu, L. Intrusion-Detector-Dependent Distributed Economic Model Predictive Control for Load Frequency Regulation with PEVs Under Cyber Attacks. IEEE Trans. Circuits Syst. I 2021, 68, 3857–3868. [Google Scholar] [CrossRef]
- Bahri, R.; Zeynali, S.; Nasiri, N.; Keshavarzi, M.R. Economic-Environmental Energy Supply of Mobile Base Stations in Isolated Nanogrids with Smart Plug-in Electric Vehicles and Hydrogen Energy Storage System. Int. J. Hydrogen Energy 2023, 48, 3725–3739. [Google Scholar] [CrossRef]
- Erdemir, D.; Dincer, I. Development and Assessment of a Solar-Driven Charging Station Integrated with Liquid CO2 as an Energy Storage Option. J. Energy Storage 2023, 73, 109080. [Google Scholar] [CrossRef]
- Che, S.; Chen, Y.; Wang, L. Electric Vehicle Charging Station Layout for Tourist Attractions Based on Improved Two-Population Genetic PSO. Energies 2023, 16, 983. [Google Scholar] [CrossRef]
- Zhao, X.; Mu, H.; Li, N.; Shi, X.; Chen, C.; Wang, H. Optimization and Analysis of an Integrated Energy System Based on Wind Power Utilization and On-Site Hydrogen Refueling Station. Int. J. Hydrogen Energy 2023, 48, 21531–21543. [Google Scholar] [CrossRef]
- Ancona, M.A.; Bianchi, M.; Branchini, L.; De Pascale, A.; Melino, F.; Peretto, A.; Rosati, J.; Scarponi, L.B. From Solar to Hydrogen: Preliminary Experimental Investigation on a Small Scale Facility. Int. J. Hydrogen Energy 2017, 42, 20979–20993. [Google Scholar] [CrossRef]
- Syed, M.A.; Khalid, M. Machine Learning Based Hydrogen Electrolyzer Control Strategy for Solar Power Output and Battery State of Charge Regulation. In Proceedings of the 2021 IEEE PES Innovative Smart Grid Technologies Europe (ISGT Europe), Espoo, Finland, 18 October 2021; pp. 1–5. [Google Scholar]
- Al Muala, Z.A.; Bany Issa, M.A.; Bello Bugallo, P.M. Integrating Life Cycle Principles in Home Energy Management Systems: Optimal Load PV–Battery–Electric Vehicle Scheduling. Batteries 2024, 10, 138. [Google Scholar] [CrossRef]
- Özdemir, M.T. Optimal Parameter Estimation of Polymer Electrolyte Membrane Fuel Cells Model with Chaos Embedded Particle Swarm Optimization. Int. J. Hydrogen Energy 2021, 46, 16465–16480. [Google Scholar] [CrossRef]
- Percin, H.B.; Caliskan, A. Whale Optimization Algorithm Based MPPT Control of a Fuel Cell System. Int. J. Hydrogen Energy 2023, 48, 23230–23241. [Google Scholar] [CrossRef]
- Özdemir, M.T. The Effects of the FOPI Controller and Time Delay on Stability Region of the Fuel Cell Microgrid. Int. J. Hydrogen Energy 2020, 45, 35064–35072. [Google Scholar] [CrossRef]
- Garrigós, A.; Blanes, J.M.; Carrasco, J.A.; Lizán, J.L.; Beneito, R.; Molina, J.A. 5 kW DC/DC Converter for Hydrogen Generation from Photovoltaic Sources. Int. J. Hydrogen Energy 2010, 35, 6123–6130. [Google Scholar] [CrossRef]
- Enescu, F.M.; Birleanu, F.G.; Raboaca, M.S.; Raceanu, M.; Bizon, N.; Thounthong, P. Electric Vehicle Charging Station Based on Photovoltaic Energy with or without the Support of a Fuel Cell–Electrolyzer Unit. Energies 2023, 16, 762. [Google Scholar] [CrossRef]
- Dağteke, S.E.; Ünal, S. A Comparative Analysis of Perturb and Observed Method and A Improved Maximum Power Point Tracking Method. Fırat Üniversitesi Fen Bilim. Derg. 2015, 27, 13–19. [Google Scholar]
- Sawant, J.R.; Nagasawa, K.; Jain, R. Fuel Cell Stack Model for Real-Time Simulation of Grid-Connected Applications. In Proceedings of the 2022 North American Power Symposium (NAPS), Salt Lake City, UT, USA, 9 October 2022; pp. 1–6. [Google Scholar]
- Adaikkappan, M.; Sathiyamoorthy, N. Modeling, State of Charge Estimation, and Charging of Lithium-ion Battery in Electric Vehicle: A Review. Int. J. Energy Res. 2022, 46, 2141–2165. [Google Scholar] [CrossRef]
- Ding, X.; Zhang, D.; Cheng, J.; Wang, B.; Luk, P.C.K. An Improved Thevenin Model of Lithium-Ion Battery with High Accuracy for Electric Vehicles. Appl. Energy 2019, 254, 113615. [Google Scholar] [CrossRef]
- Liu, W.; Placke, T.; Chau, K.T. Overview of Batteries and Battery Management for Electric Vehicles. Energy Rep. 2022, 8, 4058–4084. [Google Scholar] [CrossRef]
- Wu, B.; Chen, B. Study the Performance of Battery Models for Hybrid Electric Vehicles. In Proceedings of the 2014 IEEE/ASME 10th International Conference on Mechatronic and Embedded Systems and Applications (MESA), Senigallia, Italy, 10–12 September 2014; pp. 1–6. [Google Scholar]
- Valladolid, J.D.; Patino, D.; Ortiz, J.P.; Minchala, I.; Gruosso, G. Proposal for Modeling Electric Vehicle Battery Using Experimental Data and Considering Temperature Effects. In Proceedings of the 2019 IEEE Milan PowerTech, Milan, Italy, 23–27 June 2019; pp. 1–6. [Google Scholar]
- NSRDB: National Solar Radiation Database. Available online: https://nsrdb.nrel.gov/data-viewer (accessed on 13 June 2024).
- Akbari-Dibavar, A.; Sohrabi Tabar, V.; Ghassem Zadeh, S.; Nourollahi, R. Two-Stage Robust Energy Management of a Hybrid Charging Station Integrated with the Photovoltaic System. Int. J. Hydrogen Energy 2021, 46, 12701–12714. [Google Scholar] [CrossRef]
- Yu, W.; Qian, H.; Lai, J.-S. Design of High-Efficiency Bidirectional DC–DC Converter and High-Precision Efficiency Measurement. IEEE Trans. Power Electron. 2010, 25, 650–658. [Google Scholar] [CrossRef]

















| Study Reference No. | Grid Connection Status | Used Energy Sources | Electrolyzer Usage | Hydrogen Tank or Reservoir Capacity | Aim of the Study | Offered Novelty |
|---|---|---|---|---|---|---|
| [2] | Off-grid | PV—hydrogen/FC hybrid system, battery | Yes | No information | Hydrogen production and storage by electrolysis | Determining the best storage method |
| [7] | On-grid | Micro turbine, FC, PV, wind turbine | No | No information | Meeting electric vehicle load | Electric vehicle load with random parameters and economic optimization problem |
| [9] | On-grid | PV, FC, BESS | Yes | 450 kg hydrogen tank | EV charge | Electric vehicle hybrid charging system fed from a common MV DC busbar with Z source converter |
| [12] | Off-grid | PV system, FC, hydrogen tank, diesel generator | Yes | No information | Charging of electric vehicles and hydrogen-fueled vehicle | Annual cost calculation of the charging station |
| [27] | Off-grid | PV and wind power | Yes | 10 m3 hydrogen storage tank | Hydrogen fueling station | Renewable energy sources on station design and performance |
| [30] | Off-grid | PV, wind power, battery, FC | Yes | 30 kg hydrogen tank | EV charge | Addition of geographical information system analysis |
| [31] | On-grid | PV, wind power | Yes | 800 m3 hydrogen storage tank | EV, HV charge | EVs’ and HVs’ charging decision prediction |
| [38] | Off-grid | Diesel generator, PV system, hydrogen energy storage system | Yes | No information | 3 smart rechargeable PEVs, base station, residential load | The impact of multi-objective optimization and smart optimization |
| [43] | Off-grid | PV, FC, battery ESS | Yes | No information | EV and residential load | Machine learning-based hydrogen electrolyzer dynamic control method |
| In this paper | Off-grid | PV, FC | Yes | 20 kg hydrogen tank | EV charge, meeting residential load demand, hydrogen production | Meeting the demand for electric vehicle charging and load demand for historical and tourist areas |
Disclaimer/Publisher’s Note: The statements, opinions and data contained in all publications are solely those of the individual author(s) and contributor(s) and not of MDPI and/or the editor(s). MDPI and/or the editor(s) disclaim responsibility for any injury to people or property resulting from any ideas, methods, instructions or products referred to in the content. |
© 2024 by the authors. Licensee MDPI, Basel, Switzerland. This article is an open access article distributed under the terms and conditions of the Creative Commons Attribution (CC BY) license (https://creativecommons.org/licenses/by/4.0/).
Share and Cite
Dagteke, S.E.; Unal, S. Design of an Electric Vehicle Charging System Consisting of PV and Fuel Cell for Historical and Tourist Regions. World Electr. Veh. J. 2024, 15, 288. https://doi.org/10.3390/wevj15070288
Dagteke SE, Unal S. Design of an Electric Vehicle Charging System Consisting of PV and Fuel Cell for Historical and Tourist Regions. World Electric Vehicle Journal. 2024; 15(7):288. https://doi.org/10.3390/wevj15070288
Chicago/Turabian StyleDagteke, Suleyman Emre, and Sencer Unal. 2024. "Design of an Electric Vehicle Charging System Consisting of PV and Fuel Cell for Historical and Tourist Regions" World Electric Vehicle Journal 15, no. 7: 288. https://doi.org/10.3390/wevj15070288
APA StyleDagteke, S. E., & Unal, S. (2024). Design of an Electric Vehicle Charging System Consisting of PV and Fuel Cell for Historical and Tourist Regions. World Electric Vehicle Journal, 15(7), 288. https://doi.org/10.3390/wevj15070288

