Improvement of Commercial Vehicle Seat Suspension Employing a Mechatronic Inerter Element
Abstract
1. Introduction
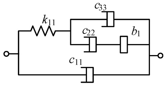
2. Modeling of Vehicle Seat ISD Suspension
3. Results Optimization of Seat Mechatronic ISD Suspension Model Parameter
3.1. Evaluation Index of Seat Comfort
3.2. Parameter Solving of Seat Mechatronic ISD Suspension Based on PSO
4. Study on Dynamic Performance of Seat Mechatronic ISD Suspension
4.1. Performance Analysis with Random Pavement Input
4.2. Performance Analysis with Sinusoidal Wave Pavement Input
4.3. Parameter Sensitivity Analysis of Seat Mechatronic ISD Suspension
5. Conclusions
Author Contributions
Funding
Data Availability Statement
Conflicts of Interest
References
- Krajnak, K. Health effects associated with occupational exposure to hand-arm or whole-body vibration. J. Toxicol. Environ. Health Part B 2018, 21, 320–334. [Google Scholar] [CrossRef] [PubMed]
- Liang, C.C.; Chiang, C.F. A study on biodynamic models of seated human subjects exposed to vertical vibration. Int. J. Ind. Ergon. 2006, 36, 869–890. [Google Scholar] [CrossRef]
- Heidarian, A.; Wang, X. Review on Seat Suspension System Technology Development. Appl. Sci. 2019, 9, 2834. [Google Scholar] [CrossRef]
- Ruitao, G.; Yang, W.; Zhou, Y.; Hong, J.; Zhixiang, L.; Jian, S. Tractor Driving Seat Suspension System Research Status and Strategies in China: A Review. IFAC-Pap. 2018, 51, 576–581. [Google Scholar] [CrossRef]
- Wang, C.; Zhang, X.; Guo, K.; Lv, J.; Yang, Y. Hierarchical optimisation on scissor seat suspension characteristic and structure. Veh. Syst. Dyn. 2016, 54, 1538–1553. [Google Scholar] [CrossRef]
- Zhang, S.; Wei, W.; Chen, X.; Xu, L.; Cao, Y. Vibration Performance Analysis and Multi-Objective Optimization Design of a Tractor Scissor Seat Suspension System. Agriculture 2023, 13, 48. [Google Scholar] [CrossRef]
- Wang, L.J.; Yan, J.G.; Hou, Z.F.; Zhang, Y.; Zhu, J. Influence analysis for structural parameters of scissor type seat on seat’ s vibration characteristics. J. Mech. Electr. Eng. 2019, 36, 368–373. [Google Scholar]
- Davoodi, E.; Safarpour, P.; Pourgholi, M.; Khazaee, M. Design and evaluation of vibration reducing seat suspension based on negative stiffness structure. Proc. Inst. Mech. Eng. Part C J. Mech. Eng. Sci. 2020, 234, 4171–4189. [Google Scholar] [CrossRef]
- Georgios, P.; Artemios, V.; Koulocheris, D. Optimal design of passenger vehicle seat with the use of negative stiffness elements. Proc. Inst. Mech. Eng. Part D J. Automob. Eng. 2020, 234, 610–629. [Google Scholar]
- Shi, P.C.; Li, Y.L.; Xiao, P.; Jing, L.I. Optimization and Vibration Isolation Analysis of Vehicle Seat Suspension with Negative Stiffness Structure. Mech. Sci. Technol. Aerosp. Eng. 2021, 40, 172–180. [Google Scholar]
- Atindana, V.A.; Xu, X.; Huan, L.; Nirere, A.; Nyedeb, A.N.; Quaisie, J.K.; Kwaku, N.J.; Assam, S.P. Experimental design and optimization of pneumatic low-frequency driver seat for off-road vehicles: Quasi-zero negative stiffness and gray wolf optimization algorithm. J. Braz. Soc. Mech. Sci. Eng. 2023, 45, 502–521. [Google Scholar] [CrossRef]
- Ni, D.K.; Liem, N.; Li, S.M. Performance analysis of the seat suspension using different models of the optimal negative-stiffness-structures. Proc. Inst. Mech. Eng. Part D J. Automob. Eng. 2023, 237, 1313–1326. [Google Scholar] [CrossRef]
- Sun, X.T.; Jing, X.J. Analysis and design of a nonlinear stiffness and damping system with a scissor-like structure. Mech. Syst. Signal Process. 2016, 66, 723–742. [Google Scholar] [CrossRef]
- Sun, X.T.; Jing, X.J. A nonlinear vibration isolator achieving high-static-low-dynamic stiffness and tunable anti-resonance frequency band. Mech. Syst. Signal Process. 2016, 80, 166–188. [Google Scholar] [CrossRef]
- Antoniadis, I.A.; Kanarachos, S.A.; Gryllias, K.; Sapountzakis, I.E. KDamping: A stiffness based vibration absorption concept. J. Vib. Control 2018, 24, 588–606. [Google Scholar] [CrossRef]
- Sapountzakis, E.; Syrimi, P.; Pantazis, I.; Antoniadis, I. KDamper concept in seismic isolation of bridges with flexible piers. Eng. Struct. 2017, 153, 525–539. [Google Scholar] [CrossRef]
- Kapasakalis, K.A.; Antoniadis, I.A.; Sapountzakis, E.J. Performance assessment of the KDamper as a seismic Absorption Base. Struct. Control. Health Monit. 2020, 27, e2482. [Google Scholar] [CrossRef]
- Segla, S.; Kajaste, J.; Keski-Honkola, P. Optimization of Semi-active Seat Suspension with Magnetorheological Damper. In Vibration Problems ICOVP 2011: The 10th International Conference on Vibration Problems; Springer: Dordrecht, The Netherlands, 2011; Volume 139, pp. 393–398. [Google Scholar]
- Karnopp, D.; Crosby, M.J.; Harwood, R.A. Vibration Control Using Semi-Active Force Generators. J. Eng. Ind. 1974, 96, 619–626. [Google Scholar] [CrossRef]
- Chen, X.; Song, H.; Zhao, S.; Xu, L. Ride comfort investigation of semi-active seat suspension integrated with quarter car model. Mech. Ind. 2022, 23, 18–35. [Google Scholar] [CrossRef]
- Jain, S.; Saboo, S.; Pruncu, C.I.; Unune, D.R. Performance Investigation of Integrated Model of Quarter Car Semi-Active Seat Suspension with Human Model. Appl. Sci. 2020, 10, 3185. [Google Scholar] [CrossRef]
- Chen, Y.Y. The Research on Vibration of Commercial Vehicle Seat Suspension Based on Multi Degree of Freedom Human Body Model. Doctoral Dissertation, Jiangsu University, Zhenjiang, China, 2018. [Google Scholar]
- Deng, L.; Sun, S.; Christie, M.; Ning, D.; Jin, S.; Du, H.; Zhang, S.; Li, W. Investigation of a seat suspension installed with compact variable stiffness and damping rotary magnetorheological dampers. Mech. Syst. Signal Process. 2022, 171, 108802–108822. [Google Scholar] [CrossRef]
- Wang, X.; Bi, F.; Du, H. Reduction of low frequency vibration of truck driver and seating system through system parameter identification, sensitivity analysis and active control. Mech. Syst. Signal Process. 2018, 105, 16–35. [Google Scholar] [CrossRef]
- Dong, X.M. Semi-active Control of magneto-rheological variable stiffness and damping seat suspension with human-body model. Int. J. Veh. Des. 2013, 63, 119–136. [Google Scholar] [CrossRef]
- Li, W.; Du, H.; Feng, Z.; Ning, D.; Li, W. Dynamic output-feedback event-triggered H∞ control for singular active seat suspension systems with a human body model. IET Control Theory Appl. 2020, 15, 594–603. [Google Scholar] [CrossRef]
- Zhao, Y.L.; Wang, X. A Review of Low-Frequency Active Vibration Control of Seat Suspension Systems. Appl. Sci. 2019, 9, 3326. [Google Scholar] [CrossRef]
- Ning, D.; Sun, S.; Zhang, J.; Du, H.; Li, W.; Wang, X. An active seat suspension design for vibration control of heavy-duty vehicles. J. Low Freq. Noise Vib. Act. Control 2016, 35, 264–278. [Google Scholar] [CrossRef]
- Papageorgiou, C.; Smith, M. Positive real synthesis using matrix inequalities for mechanical networks: Application to vehicle suspension. IEEE Trans. Control. Syst. Technol. 2006, 14, 423–435. [Google Scholar] [CrossRef]
- Shen, Y.; Chen, L.; Yang, X.; Shi, D.; Yang, J. Improved design of dynamic vibration absorber by using the inerter and its application in vehicle suspension. J. Sound Vib. 2016, 361, 148–158. [Google Scholar] [CrossRef]
- Chen, M.Z.; Hu, Y.; Huang, L.; Chen, G. Influence of inerter on natural frequencies of vibration systems. J. Sound Vib. 2013, 333, 1874–1887. [Google Scholar] [CrossRef]
- Smith, M.C. Synthesis of mechanical networks: The inerter. IEEE Trans. Autom. Control 2002, 47, 1648–1662. [Google Scholar] [CrossRef]
- Wang, F.Z.; Hong, M.; Lin, T. Designing and testing a hydraulic inerter. Proc. Inst. Mech. Eng. Part C J. Mech. Eng. Sci. 2011, 225, 66–72. [Google Scholar] [CrossRef]
- Dai, W.; Shi, B.; Li, T.; Zhu, X.; Yang, J. Performance Enhancement by Exploiting Geometrical Nonlinearity of Inerters in a Two-Stage Vibration Isolator. Int. J. Appl. Mech. 2023, 15, 2350045. [Google Scholar] [CrossRef]
- Liu, C.; Chen, L.; Lee, H.P.; Yang, Y.; Zhang, X. A review of the inerter and inerter-based vibration isolation: Theory, devices, and applications. J. Frankl. Inst. 2022, 359, 7677–7707. [Google Scholar] [CrossRef]
- Chen, M.Z.; Hu, Y.; Li, C.; Chen, G. Semi-active suspension with semi-active inerter and semi-active damper. IFAC Proc. Vol. 2014, 47, 11225–11230. [Google Scholar] [CrossRef]
- Ge, Z.; Wang, W.; Li, G.; Rao, D. Design, Parameter Optimisation, and Performance Analysis of Active Tuned Inerter Damper (TID) Suspension for Vehicle. J. Sound Vib. 2022, 525, 116750–116773. [Google Scholar] [CrossRef]
- He, H.; Li, Y.; Jiang, J.Z.; Burrow, S.; Neild, S.; Conn, A. Using an inerter to enhance an active-passive-combined vehicle suspension system. Int. J. Mech. Sci. 2021, 204, 106535–106546. [Google Scholar] [CrossRef]
- Liu, C.; Chen, L.; Lee, H.P.; Yang, Y.; Zhang, X. Generalized skyhook-groundhook hybrid strategy and control on vehicle suspension. IEEE Trans. Veh. Technol. 2023, 72, 1689–1700. [Google Scholar] [CrossRef]
- Wang, F.C.; Chan, H.A. Vehicle suspensions with a mechatronic network strut. Veh. Syst. Dyn. 2011, 49, 811–830. [Google Scholar] [CrossRef]
- Jiang, J.Z.; Smith, M.C. Regular Positive-Real Functions and Five-Element Network Synthesis for Electrical and Mechanical Networks. IEEE Trans. Autom. Control 2011, 56, 1275–1290. [Google Scholar] [CrossRef]
- Yang, X.; Yan, L.; Shen, Y.; Liu, Y.; Liu, C. Optimal Design and Dynamic Control of an ISD Vehicle Suspension Based on an ADD Positive Real Network. IEEE Access 2020, 8, 94294–94306. [Google Scholar] [CrossRef]
- Shen, Y.; Hua, J.; Fan, W.; Liu, Y.; Yang, X.; Chen, L. Optimal design and dynamic performance analysis of a fractional-order electrical network-based vehicle mechatronic ISD suspension. Mech. Syst. Signal Process. 2023, 184, 109718–109731. [Google Scholar] [CrossRef]
- Zhang, T.; Yang, X.; Shen, Y.; Liu, X.; He, T. Performance Enhancement of Vehicle Mechatronic Inertial Suspension, Employing a Bridge Electrical Network. World Electr. Veh. J. 2023, 13, 299. [Google Scholar] [CrossRef]
- Kennedy, J. Particle swarm optimization. Encycl. Mach. Learn. 2011, 4, 1942–1948. [Google Scholar]
- Wu, Z.C.; Chen, S.Z.; Yang, L.; Zhang, B. Model of Road Roughness in Time Domain Based on Rational Function. Trans. Beijing Inst. Technol. 2009, 29, 795–798. [Google Scholar]











| Parameters of Damping Coefficient, Stiffness Coefficient and Equivalent Mass | ||||||
|---|---|---|---|---|---|---|
| k1 (N/m) | k2 (N/m) | k3 (N/m) | k4 (N/m) | k5 (N/m) | k (N/m) | kt (N/m) |
| 15,000 | 49,340 | 192,000 | 10,000 | 134,400 | 326,000 | 1,300,000 |
| c1 (Ns/m) | c2 (Ns/m) | c3 (Ns/m) | c4 (Ns/m) | c5 (Ns/m) | c (Ns/m) | |
| 1206 | 2475 | 200 | 125 | 250 | 14000 | |
| m1 (kg) | m2 (kg) | m3 (kg) | m4 (kg) | m5 (kg) | ms (kg) | mu (kg) |
| 22 | 27 | 20 | 9 | 5.5 | 1396 | 150 |
| A2 | A1 | A0 | B2 | B1 | B0 | b0 |
|---|---|---|---|---|---|---|
| 1.28 × 107 | 4.86 × 109 | 4.66 × 108 | 2.03 × 104 | 7.15 × 106 | 7.35 × 105 | 87.93 (kg) |
| Parameter Symbol and Units | Value | |
|---|---|---|
| Damping coefficient | c11 (Ns/m) | 633.29 |
| c22 (Ns/m) | 45.09 | |
| c33 (Ns/m) | 1.1 | |
| Spring stiffness | k11 (N/m) | 16291 |
| Inertance | b1 (kg) | 439 |
| Parameter Symbol and Units | Value | |
|---|---|---|
| Resistance | R1 (Ω) | 6.4 |
| R2 (Ω) | 89.92 | |
| R3 (Ω) | 3686.4 | |
| Inductance | L (H) | 0.25 |
| Capacitance | C (F) | 0.11 |
| Traditional Passive Seat Suspension | Seat Mechatronic ISD Suspension | Improvement | |
|---|---|---|---|
| RMS of head (m/s2) | 0.5982 | 0.4855 | 18.33% |
| RMS of upper trunk (m/s2) | 0.5820 | 0.4152 | 27.59% |
| RMS of viscera (m/s2) | 0.7330 | 0.4817 | 34.24% |
| RMS of pelvis (m/s2) | 0.5500 | 0.3533 | 36.36% |
| RMS of seat (m/s2) | 0.4851 | 0.4099 | 16.33% |
| T | 0.7598 | 0.6420 | 15.78% |
Disclaimer/Publisher’s Note: The statements, opinions and data contained in all publications are solely those of the individual author(s) and contributor(s) and not of MDPI and/or the editor(s). MDPI and/or the editor(s) disclaim responsibility for any injury to people or property resulting from any ideas, methods, instructions or products referred to in the content. |
© 2024 by the authors. Licensee MDPI, Basel, Switzerland. This article is an open access article distributed under the terms and conditions of the Creative Commons Attribution (CC BY) license (https://creativecommons.org/licenses/by/4.0/).
Share and Cite
Yang, X.; Bi, S.; Liu, Y.; Yang, Y.; Liu, C.; Qin, J. Improvement of Commercial Vehicle Seat Suspension Employing a Mechatronic Inerter Element. World Electr. Veh. J. 2024, 15, 194. https://doi.org/10.3390/wevj15050194
Yang X, Bi S, Liu Y, Yang Y, Liu C, Qin J. Improvement of Commercial Vehicle Seat Suspension Employing a Mechatronic Inerter Element. World Electric Vehicle Journal. 2024; 15(5):194. https://doi.org/10.3390/wevj15050194
Chicago/Turabian StyleYang, Xiaofeng, Shuilan Bi, Yanling Liu, Yi Yang, Changning Liu, and Jiahao Qin. 2024. "Improvement of Commercial Vehicle Seat Suspension Employing a Mechatronic Inerter Element" World Electric Vehicle Journal 15, no. 5: 194. https://doi.org/10.3390/wevj15050194
APA StyleYang, X., Bi, S., Liu, Y., Yang, Y., Liu, C., & Qin, J. (2024). Improvement of Commercial Vehicle Seat Suspension Employing a Mechatronic Inerter Element. World Electric Vehicle Journal, 15(5), 194. https://doi.org/10.3390/wevj15050194

