Study of the Effects of Current Imbalance in a Multiphase Buck Converter for Electric Vehicles
Abstract
:1. Introduction
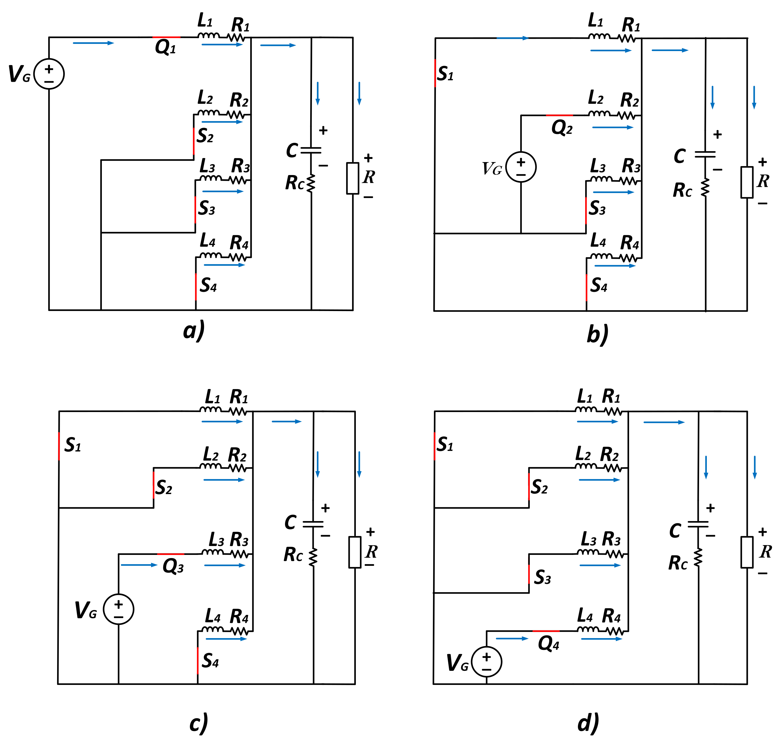
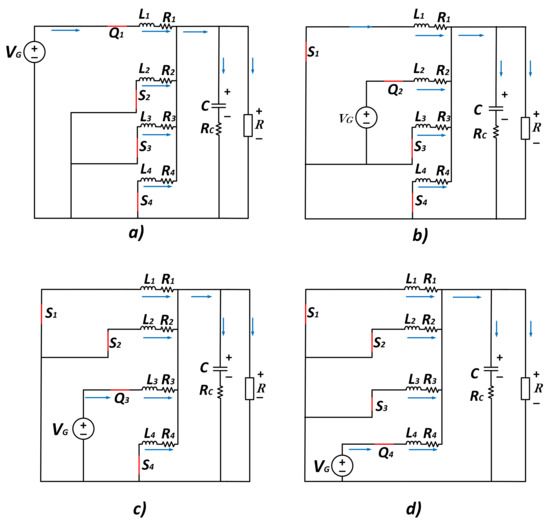
2. Operation of the Multiphase Buck Converter
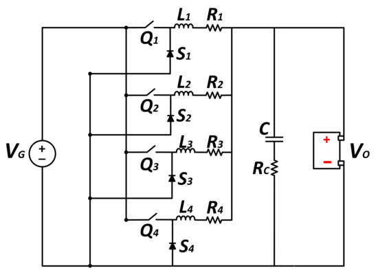
3. Modeling of the Converter
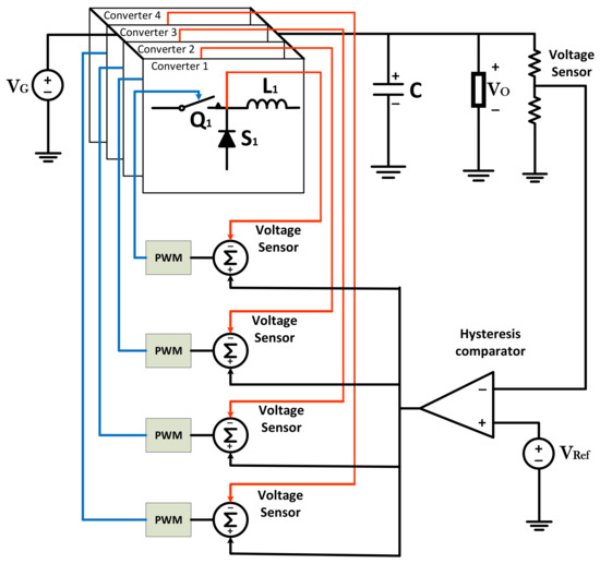
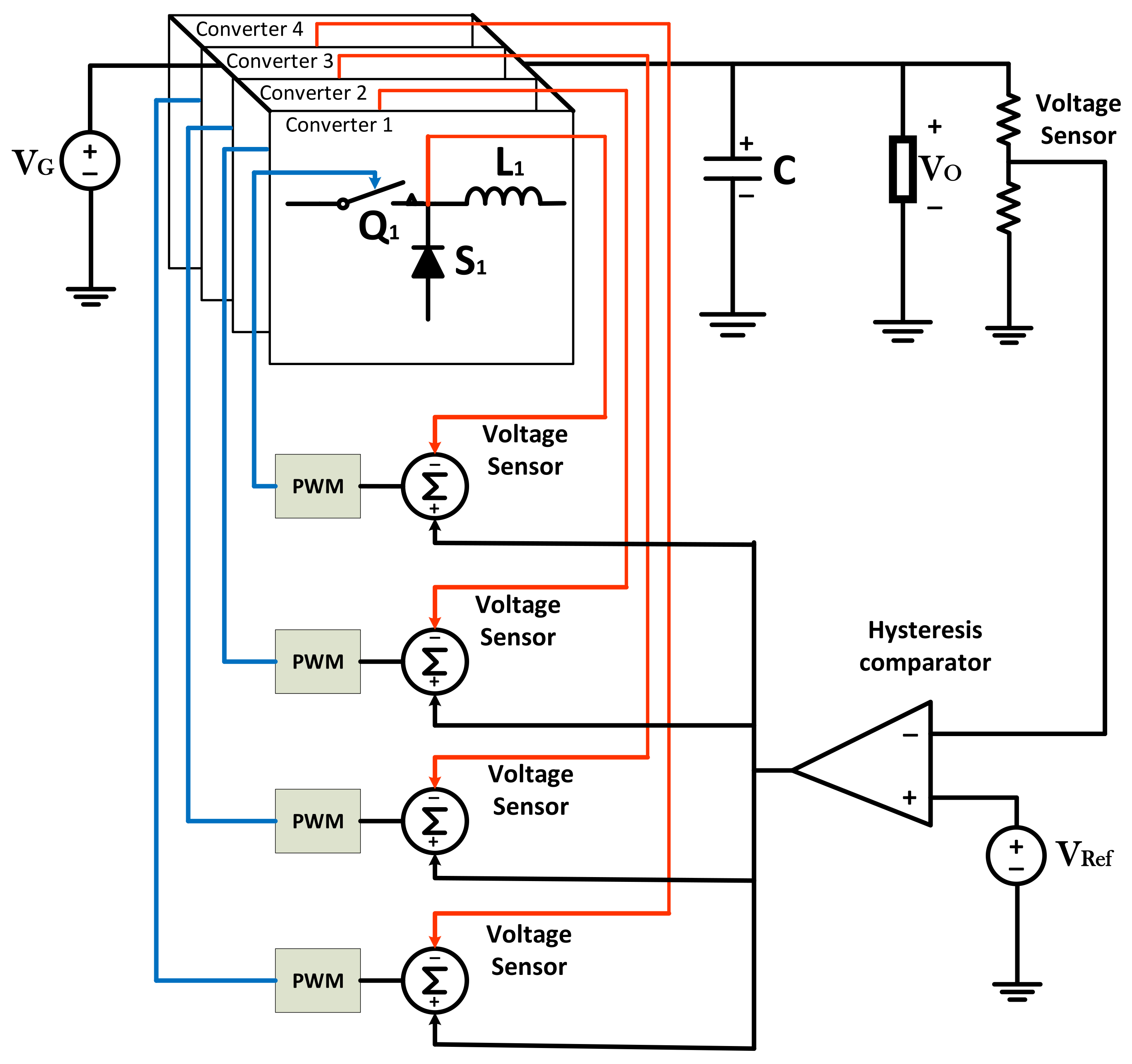
Current Balance Control Strategy
4. Parasitic Resistance Effect
- Case I: In phase four, a current of 10.7 A flows, this is due to the lower value of parasitic resistance. Having the highest current in this phase, the switching losses and thermal stress will be higher, while the other phases maintain a balanced current flow with a value of 8.7 A.
- Case II: In phases three and four, the current flow is 10.7 A; this is because the parasitic resistors have less opposition to the passage of current in these phases, while in phases one and two, the current value is 8.2 A.
- Case III: In phase four, it demands a current of 10.7 A, phase three demands 9.5 A, while phases one and two only demand 8.2 A.
- Case IV: In phases three and four, a current of 10.7 A is demanded, in phase one a current of 9.5 A is demanded, and, in phase two, the current is 8.2 A.
5. Experimental Analysis
- Case I: In Phase one, it transfers 7.02 A, being the phase with the highest current. Phases two and three present similar current values, with a value of 6.61 A and 6.37 A, while phase three is the one with the lowest current value transferred to the output. In this case, the output current () was 23 A.
- Case II: Phases one and two present more switching losses and high levels of thermal stress; this is due to the fact that they are the branches that transfer more current to the output, while phases three and four present values close to 3.6 A. In this case, the output current () was 25.55 A.
- Case III: Phase one transfers 7.02 A, in phase two, a current of 6.68 A circulates and phase three sends 5.13 A to the converter output, while phase four is where less current circulates. In this case, the output current () was 22.08 A.
- Case IV: This case presents the most critical case of current imbalance, phase one transfers 13.1 A to the output of the converter, phase four 8.29 A and phase two 3.78 A, while only 2.58 A circulates through phase three. In this case, the output current () was 27.75 A.
Thermal Stress Analysis of the Converter
6. Conclusions
Author Contributions
Funding
Institutional Review Board Statement
Informed Consent Statement
Data Availability Statement
Acknowledgments
Conflicts of Interest
References
- Ju, F.; Zhang, Q.; Deng, W.; Li, J. Review of structures and control of battery-supercapacitor hybrid energy storage system for electric vehicles. In Proceedings of the 2014 IEEE International Conference on Automation Science and Engineering (CASE), Taipei, Taiwan, 18–22 August 2014; pp. 143–148. [Google Scholar]
- Liu, Z.; Du, J.; Yu, B. Design Method of Double-Boost DC/DC Converter with High Voltage Gain for Electric Vehicles. World Electr. Veh. J. 2020, 11, 64. [Google Scholar] [CrossRef]
- Yujie, W.; Zhendong, S.; Zonghai, C. Energy management strategy for battery/supercapacitor/fuel cell hybrid source vehicles based on finite state machine. Appl. Energy 2019, 254, 113707. [Google Scholar]
- Portillo, I.A.R.; Saldaña, J.A.M.; Huerta, E.M.N.; Hernández, E.R.P.; Elizondo, S.R.M.; Sánchez, E.R. Design of a DC Transformerless Step-Down Regulator. In Proceedings of the 2021 IEEE International Autumn Meeting on Power, Electronics and Computing (ROPEC), Ixtapa, Mexico, 10–12 November 2021; pp. 1–6. [Google Scholar]
- Chen, T.; Fu, P.; Chen, X.; Dou, S.; Huang, L.; He, S.; Wang, Z. An Optimal Control Algorithm with Reduced DC-Bus Current Fluctuation for Multiple Charging Modes of Electric Vehicle Charging Station. World Electr. Veh. J. 2021, 12, 107. [Google Scholar] [CrossRef]
- Milad, B.; Jean-Philippe, M.; Gael, M.; Serge, P.; Mathieu, W.; Farid, M.; Majid, Z. Design and modeling of anequalizer for fuel cell energy management systems. IEEE Trans. Power Electron. 2019, 34, 10925–10935. [Google Scholar]
- Le Comte, A.; Reynier, Y.; Vincens, C.; Leys, C.; Azaïs, P. First prototypes of hybrid potassium-ion capacitor (KIC): An innovative, cost-effective energy storage technology for transportation applications. J. Power Sources 2017, 363, 34–43. [Google Scholar] [CrossRef]
- Jing, W.; Lai, C.H.; Wong, W.S.H.; Wong, M.L.D. A comprehensive study of battery-supercapacitor hybrid energy storage system for standalone PV power system in rural electrification. Appl. Energy 2018, 224, 340–356. [Google Scholar] [CrossRef]
- Shirsath, R.B.; Shaikh, S.L. Power optimisation Scheme for Electric Vehicle using Induction Motor. In Proceedings of the 2021 International Conference on Smart Generation Computing, Communication and Networking (SMART GENCON), Pune, India, 29–30 October 2021; pp. 1–9. [Google Scholar]
- Feng, L.; Mears, L.; Schulte, J. Key variable analysis and identification on energy consumption of automotive manufacturing plant. In Proceedings of the 2016 IEEE Conference on Technologies for Sustainability (SusTech), Phoenix, AZ, USA, 9–11 October 2016; pp. 162–168. [Google Scholar]
- Khan, M.A.; Zeb, K.; Sathishkumar, P.; Ali, M.U.; Uddin, W.; Hussain, S.; Ishfaq, M.; Khan, I.; Cho, H.G.; Kim, H.J. A novel supercapacitor/lithium-ion hybrid energy system with a fuzzy logic-controlled fast charging and intelligent energy management system. Electronics 2018, 7, 63. [Google Scholar] [CrossRef] [Green Version]
- Trashorras Montecelos, J. Motor Eléctrico. In Libro Vehículos Eléctricos; Ediciones Paraninfo, SA: Madrid, Spain, 2019; pp. 14–19. [Google Scholar]
- Strano, G.; Hao, L.; Evans, K.E.; Everson, R.M. Optimisation of quality and energy consumption for additive layer manufacturing processes. In Proceedings of the 5th International Conference on Responsive Manufacturing-Green Manufacturing (ICRM 2010), Ningbo, China, 11–13 January 2010; pp. 364–369. [Google Scholar]
- Chiang, G.T.; Shuji, T.; Takahide, S.; Hand, Y.; Fukada, M.; Kitamura, Y. Coupled Magnetic-based Integrated Isolated On-board Battery Charger and Boost Motor Drive Unit for Electric Vehicles. IEEE Trans. Transp. Electrif. 2021, 8, 135–148. [Google Scholar] [CrossRef]
- Kushwaha, R.; Singh, B.; Khadkikar, V. An Isolated Bridgeless Cuk-SEPIC Converter Fed Electric Vehicle Charger. IEEE Trans. Ind. Appl. 2021, 58, 2512–2526. [Google Scholar] [CrossRef]
- He, Y.; Kwak, K.H.; Kim, Y.; Jung, D.; Lee, J.; Ha, J. Real-time Torque-split Strategy for P0+P4 Mild Hybrid Vehicles with eAWD Capability. IEEE Trans. Transp. Electrif. 2021, 8, 1401–1413. [Google Scholar] [CrossRef]
- Liu, Z.; Onori, S.; Ivanco, A. Synthesis and Experimental Validation of Battery Aging Test Profiles Based on Real-World Duty Cycles for 48-V Mild Hybrid Vehicles. IEEE Trans. Veh. Technol. 2021, 66, 8702–8709. [Google Scholar] [CrossRef]
- García-Vite, P.M.; Rosas-Caro, J.C.; Martínez-Salazar, A.L.; de Jesus Chavez, J.; Valderrábano-González, A.; Sánchez-Huerta, V.M. Quadratic buck-boost converter with reduced input current ripple and wide conversion range. IET Power Electron. 2019, 12, 3977–3986. [Google Scholar] [CrossRef]
- Martinez-Heredia, J.M.; Colodro, F.; Mora-Jiménez, J.L.; Remujo, A.; Soriano, J.; Esteban, S. Development of GaN Technology-Based DC/DC Converter for Hybrid UAV. IEEE Access 2020, 8, 88014–88025. [Google Scholar] [CrossRef]
- Matsushita, Y.; Noguchi, T.; Taguchi, N.; Ishii, M. 2 kW Dual-Output Isolated DC/DC Converter Based on Current Doubler and Step-Down Chopper. World Electr. Veh. J. 2020, 11, 78. [Google Scholar] [CrossRef]
- Dao, N.D.; Lee, D.; Phan, Q.D. High-Effciency SiC-Based Isolated Three-Port DC/DC Converters for Hybrid Charging Stations. IEEE Trans. Power Electron. 2020, 35, 10455–10465. [Google Scholar] [CrossRef]
- Al Attar, H.; Hamida, M.A.; Ghanes, M.; Taleb, M. LLC DC-DC Converter Performances Improvement for Bidirectional Electric Vehicle Charger Application. World Electr. Veh. J. 2022, 13, 2. [Google Scholar] [CrossRef]
- Feng, L.; Ulutan, D.; Mears, L. Energy consumption modeling and analyses in automotive manufacturing final assembly process. In Proceedings of the 2015 IEEE Conference on Technologies for Sustainability (SusTech), Ogden, UT, USA, 30 July–1 August 2015; pp. 224–228. [Google Scholar]
- Alexandru, I.C.; Mircea, B. Analysis and design of a current mode buck converter with digitally controlled output voltage. In Proceedings of the 2019 International Semiconductor Conference (CAS), Sinaia, Romania, 9–11 October 2019; pp. 309–312. [Google Scholar]
- Zhu, Y.; Ye, Z.; Ge, T.; Abramson, R.; Pilawa-Podgurski, R.C.N. A Multi-Phase Cascaded Series-Parallel (CaSP) Hybrid Converter for Direct 48 V to Point-of-Load Applications. In Proceedings of the 2021 IEEE Energy Conversion Congress and Exposition (ECCE), Vancouver, BC, Canada, 10–14 October 2021; pp. 1973–1980. [Google Scholar]
- Qian, W.; Peng, F.Z.; Tolbert, L.M. Development of a 55 kW 3X dc-dc converter for HEV systems. In Proceedings of the 2009 IEEE Vehicle Power and Propulsion Conference, Dearborn, MI, USA, 7–10 September 2009; pp. 433–439. [Google Scholar]
- Kwan, A.K.; Younes, M.; Darraji, R.; Ghannouchi, F.M. On Track for Efficiency: Concurrent Multiband Envelope-Tracking Power Amplifiers. IEEE Microw. Mag. 2016, 17, 46–59. [Google Scholar] [CrossRef]
- Aggeler, D.; Biela, J.; Kolar, J.W. A compact, high voltage 25 kW, 50 kHz dc-dc converter based on SiC JFETs. In Proceedings of the 2008 23rd Annual IEEE Applied Power Electronics Conference and Exposition, (APEC), Austin, TX, USA, 24–28 February 2008; pp. 801–807. [Google Scholar]
- Ni, L.; Patterson, D.J.; Hudgins, J.L. High Power Current Sensorless Bidirectional 16-Phase Interleaved DC-DC Converter for Hybrid Vehicle Application. IEEE Trans. Power Electron. 2011, 27, 1141–1151. [Google Scholar] [CrossRef] [Green Version]
- Reyes, I.; Claudio, A.; Flores, E.; Lopez, M. Analysis of kinetic energy recovery system based on inertial flywheel. In Proceedings of the 2018 IEEE 14th International Conference on Power Electronics (CIEP), Cholula, Mexico, 24–26 October 2018; pp. 130–136. [Google Scholar]
- Gordillo, J.; Aguilar, C. A Simple Sensorless Current Sharing Technique for Multiphase DC–DC Buck Converters. IEEE Trans. Power Electron. 2017, 32, 3480–3489. [Google Scholar] [CrossRef]
- Miaja, P.F.; Rodríguez, A.; Sebastián, J. Buck-Derived Converters Based on Gallium Nitride Devices for Envelope Tracking Applications. IEEE Trans. Power Electron. 2015, 30, 2084–2095. [Google Scholar] [CrossRef] [Green Version]
- Vasić, M.; Cheng, P.; García, O.; Oliver, J.A.; Alou, P.; Cobos, J.A.; Tena, D.; Ortega-González, F.J. The Design of a Multilevel Envelope Tracking Amplifier Based on a Multiphase Buck Converter. IEEE Trans. Power Electron. 2016, 31, 4611–4627. [Google Scholar] [CrossRef] [Green Version]
- Choi, H.-W.; Kim, S.-M.; Kim, J.; Cho, Y.; Lee, K.-B. Current-balancing strategy for multileg interleaved DC/DC converters of electric-vehicle chargers. J. Power Electron. 2021, 21, 94–102. [Google Scholar] [CrossRef]
- Han, J.; Song, J. Phase Current-Balance Control Using DC-Link Current Sensor for Multiphase Converters With Discontinuous Current Mode Considered. IEEE Trans. Ind. Electron. 2016, 63, 4020–4030. [Google Scholar] [CrossRef]
- Chen, H.; Lu, C.; Rout, U.S. Decoupled Master-Slave Current Balancing Control for Three-Phase Interleaved Boost Converters. IEEE Trans. Power Electron. 2018, 33, 3683–3687. [Google Scholar] [CrossRef]
- Kim, H.; Falahi, M.; Jahns, T.M.; Degner, M.W. Inductor Current Measurement and Regulation Using a Single DC Link Current Sensor for Interleaved DC–DC Converters. IEEE Trans. Power Electron. 2011, 26, 1503–1510. [Google Scholar] [CrossRef]
- Foley, R.F.; Kavanagh, R.C.; Egan, M.G. Sensorless Current Estimation and Sharing in Multiphase Buck Converters. IEEE Trans. Power Electron. 2012, 27, 2936–2946. [Google Scholar] [CrossRef]
- Baek, J.; Elasser, Y.; Radhakrishnan, K.; Gan, H.; Douglas, J.P.; Krishnamurthy, H.K.; Li, X.; Jiang, S.; Sullivan, C.R.; Chen, M. Vertical Stacked LEGO-PoL CPU Voltage Regulator. IEEE Trans. Power Electron. 2022, 37, 6305–6322. [Google Scholar] [CrossRef]
- Kumar, S.S.; Panda, A.K.; Ramesh, T. A ZVT-PWM multiphase synchronous buck converter with an active auxiliary circuit for portable applications. In Proceedings of the 2014 IEEE 6th India International Conference on Power Electronics (IICPE), Kurukshetra, India, 8–10 December 2014; pp. 1–6. [Google Scholar]
- Valdez-Reséndiz, J.E.; Claudio-Sánchez, A.; Guerrero-Ramírez, G.V.; Tapia-Hernández, A.; Juárez, A.N.H.; Núñez, A.R.L. Voltage balancing in an interleaved high gain boost converter. In Proceedings of the 2014 IEEE Energy Conversion Congress and Exposition (ECCE), Pittsburgh, PA, USA, 14–18 September 2014; pp. 988–992. [Google Scholar]
- Costabeber, A.; Mattavelli, P.; Saggini, S. Digital Time- Optimal Phase Shedding in Multiphase Buck Converters. IEEE Trans. Power Electron. 2010, 25, 2242–2247. [Google Scholar] [CrossRef]
- ISL658 Datasheet. Multi-Purpose Precision Multi-Phase PWM Controller With Optional Active Voltage Positioning. 2015. Available online: https://www.renesas.com/us/en/document/dst/isl6558-datasheet (accessed on 11 March 2022).
- Hu, K.; Chen, Y.; Tsai, C. A Digital Multiphase Converter with Sensor-less Current and Thermal Balance Mechanism. In Proceedings of the 2018 IEEE Asian Solid-State Circuits Conference (A-SSCC), Tainan, Taiwan, 5–7 November 2018; pp. 175–178. [Google Scholar]















| Symbol | Parameter | Value |
|---|---|---|
| Input Voltage | 120 V | |
| Output Power | 1920 W | |
| Output voltage | 48 V | |
| Output current | 40 A | |
| Frequency | 103 kHz | |
| Inductors | 150 uH | |
| C | Capacitor | 2 uF |
| D | Duty cycle per phase | 40% |
| MOSFETs | C20N60CFD | |
| Diodes | TO-220-L | |
| Parasitic resistance | 130 m | |
| Capacitor ESR | 30 m |
| Case | Phase 1- | Phase 2- | Phase 3- | Phase 4- | ||||
|---|---|---|---|---|---|---|---|---|
| % | m | % | m | % | m | % | m | |
| I | +10 | 143 | +10 | 143 | +10 | 143 | 0 | 130 |
| II | +10 | 143 | +10 | 143 | 0 | 130 | 0 | 130 |
| III | +10 | 143 | +10 | 143 | 0 | 130 | −10 | 117 |
| IV | 0 | 130 | +10 | 143 | −10 | 117 | −10 | 117 |
| Case | Phase 1 (A) | Phase 2 (A) | Phase 3 (A) | Phase 4 (A) |
|---|---|---|---|---|
| I | 7.02 | 6.61 | 6.37 | 2.99 |
| II | 8.83 | 8.39 | 3.47 | 3.86 |
| III | 7.06 | 6.68 | 5.13 | 3.21 |
| IV | 13.1 | 3.78 | 2.58 | 8.29 |
Publisher’s Note: MDPI stays neutral with regard to jurisdictional claims in published maps and institutional affiliations. |
© 2022 by the authors. Licensee MDPI, Basel, Switzerland. This article is an open access article distributed under the terms and conditions of the Creative Commons Attribution (CC BY) license (https://creativecommons.org/licenses/by/4.0/).
Share and Cite
Reyes-Portillo, I.A.; Claudio-Sanchéz, A.; Morales-Saldaña, J.A.; Mina-Antonio, J.D.; Netzahuatl-Huerta, E.M.; Claudio-Pachecano, L.; Ponce-Silva, M.; Reyes-Sánchez, E. Study of the Effects of Current Imbalance in a Multiphase Buck Converter for Electric Vehicles. World Electr. Veh. J. 2022, 13, 88. https://doi.org/10.3390/wevj13050088
Reyes-Portillo IA, Claudio-Sanchéz A, Morales-Saldaña JA, Mina-Antonio JD, Netzahuatl-Huerta EM, Claudio-Pachecano L, Ponce-Silva M, Reyes-Sánchez E. Study of the Effects of Current Imbalance in a Multiphase Buck Converter for Electric Vehicles. World Electric Vehicle Journal. 2022; 13(5):88. https://doi.org/10.3390/wevj13050088
Chicago/Turabian StyleReyes-Portillo, Iván Alfonso, Abraham Claudio-Sanchéz, Jorge Alberto Morales-Saldaña, Jesús Darío Mina-Antonio, Edgardo Marvel Netzahuatl-Huerta, Luisana Claudio-Pachecano, Mario Ponce-Silva, and Ericka Reyes-Sánchez. 2022. "Study of the Effects of Current Imbalance in a Multiphase Buck Converter for Electric Vehicles" World Electric Vehicle Journal 13, no. 5: 88. https://doi.org/10.3390/wevj13050088
APA StyleReyes-Portillo, I. A., Claudio-Sanchéz, A., Morales-Saldaña, J. A., Mina-Antonio, J. D., Netzahuatl-Huerta, E. M., Claudio-Pachecano, L., Ponce-Silva, M., & Reyes-Sánchez, E. (2022). Study of the Effects of Current Imbalance in a Multiphase Buck Converter for Electric Vehicles. World Electric Vehicle Journal, 13(5), 88. https://doi.org/10.3390/wevj13050088

