An Efficient Vector Control Policy for EV-Hybrid Excited Permanent-Magnet Synchronous Motor
Abstract
| Nomenclature | |
| the d- and q-axis stator voltage components | |
| the d- and q-axis stator current components | |
| d–q-axis armature inductance current components | |
| the d- and q-axis core resistance current components | |
| the d- and q-axis flux linkage components | |
| the permanent-magnet and excitation flux linkages | |
| the permanent-magnet flux | |
| the electrical angular velocity and pole pairs number. | |
| the d- and q-axis inductances | |
| stator and excitation windings mutual inductance | |
| the excitation voltage and current. | |
| the stator winding and core resistances | |
| the d- and q-axis induced EMF components. | |
| the excitation winding resistance and inductance | |
| the motor torque and mechanical speed | |
| the motor rated torque and rated output power | |
| the mechanical rated, base, and maximum speed | |
| the stator voltage and flux linkage | |
| the angle between stator voltage and q-axis | |
| the angle between stator flux linkage and d-axis | |
| the electrical synchronous speed and speed ratio | |
| the rated stator current and machine constant | |
| the maximum q-axis stator inductance current | |
| the motor maximum torque and motor base torque | |
| the armature (stator) induced voltage and current | |
| the rated field current | |
| the no-load armature EMF and d-axis flux linkage | |
1. Introduction
- Better flux-weakening capability in all modes.
- Good alternative to PM alternators with power converter in generating mode
- An easier achievement of high-speed operation with higher energy efficiency in motoring mode. The PMs provide the constant flux and the field current can boost or weaken the overall flux.
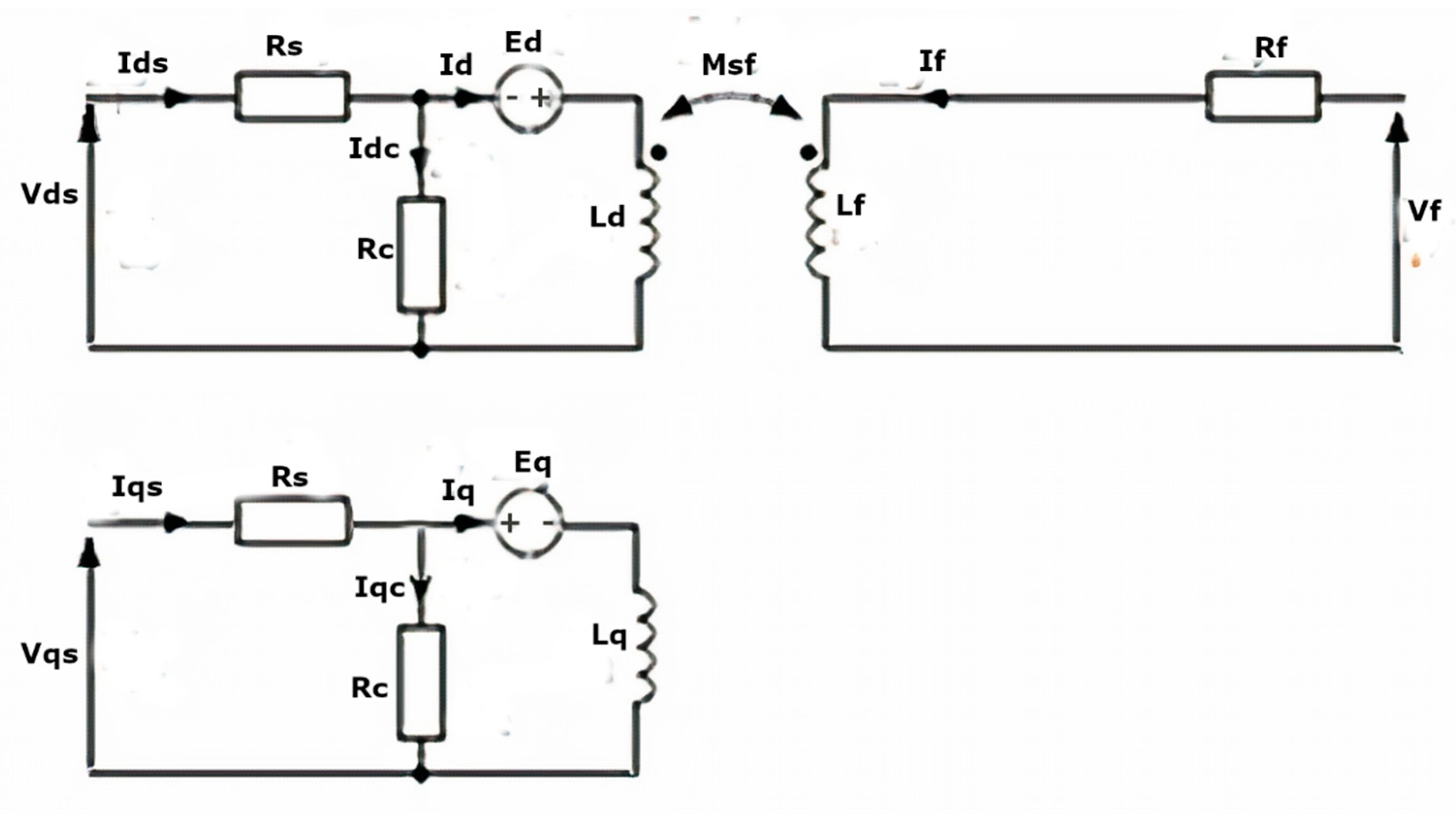
2. EV-Based HEPMSM Mathematical Model
3. Practical Ideal Torque–Speed Profile of Traction Motor Drive for EV/HEV
4. Proposed FC Control with ZDAC Strategy
4.1. Constant Torque Region Control (CT)
4.2. Proposed Flux-Weakening Control (CP)
5. EV Motor Optimum Control Strategies
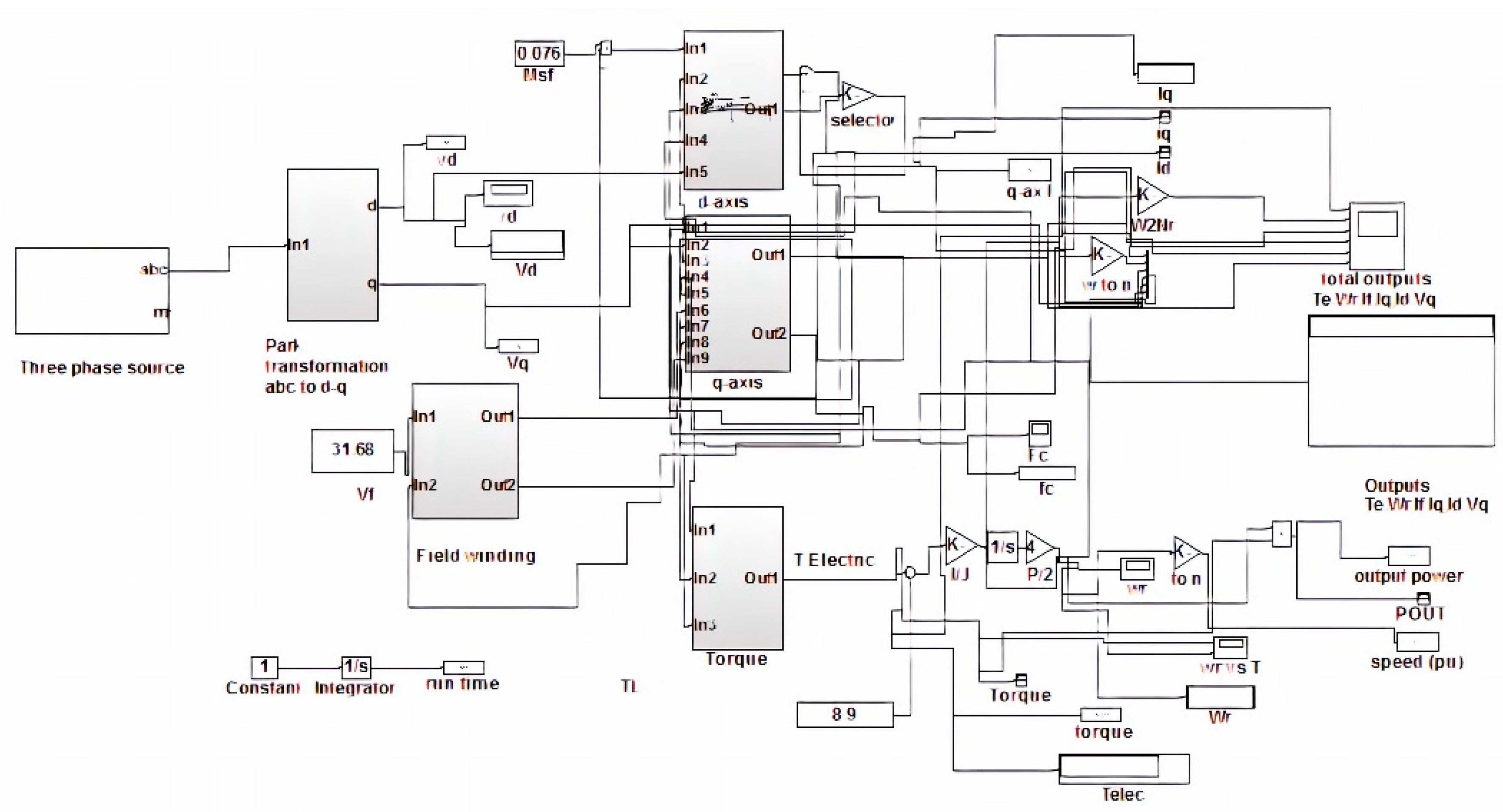
6. Modeling and Simulation
7. Conclusions
Author Contributions
Funding
Acknowledgments
Conflicts of Interest
Appendix A
| 4 | |
| 500 rpm | |
| 13 N.m | |
| 5 A | |
| 1 A | |
| 700 Watt | |
| 2.7 ohm | |
| 33 ohm | |
| 38 mH | |
| 27 mH | |
| 0.57 H | |
| 76 mH | |
| 0.243 Wb |
References
- Elsonbaty, N.A. High Performance Wound Field Synchronous Motor for EV Drives. Sci. Bull. 2003, 38, 497–513. [Google Scholar]
- Elsonbaty, N.A. A Novel AC Excited Axial Flux Synchronous Motor for Electric Vehicles. Alexandria Eng. J. 2003, 42, 209–217. [Google Scholar]
- Villani, M. High performance electrical motors for automotive applications—Status and future of motors with low cost permanent magnets. In Proceedings of the WMM-18–8th International Conference Magnetism and Metallurgy, Dresden, Germany, 12–14 June 2018. [Google Scholar]
- Zhang, Y.; Xu, D.; Liu, J.; Gao, S.; Xu, W. Performance Improvement of Model-Predictive Current Control of Permanent Magnet Synchronous Motor Drives. IEEE Trans. Ind. Appl. 2017, 53, 3683–3695. [Google Scholar] [CrossRef]
- Sun, X.; Hu, C.; Lei, G.; Guo, Y.; Zhu, J. State Feedback Control for a PM Hub Motor Based on Grey Wolf Optimization Algorithm. IEEE Trans. Power Electr. 2019. [Google Scholar] [CrossRef]
- Sun, X.; Hu, C.; Lei, G.; Yang, Z.; Guo, Y.; Zhu, J. Speed Sensorless Control of SPMSM Drives for EVs With a Binary Search Algorithm-Based Phase-Locked Loop. IEEE Trans. Veh. Technol. 2020. [Google Scholar] [CrossRef]
- Sun, X.; Junhao, C.; Gang, L.; Youguang, G.; Jianguo, Z. Speed Sensorless Control for Permanent Magnet Synchronous Motors Based on Finite Position Set. IEEE Trans. Ind. Electr. 2020. [Google Scholar] [CrossRef]
- Huynh, T.A.; Hsieh, M. Performance Analysis of Permanent Magnet Motors for Electric Vehicles (EV) Traction Considering Driving Cycles. Energies 2018, 11, 1385. [Google Scholar] [CrossRef]
- Asfirane, S.; Hlioui, S.; Amara, Y.; Gabsi, M. Study of a Hybrid Excitation Synchronous Machine: Modeling and Experimental Validation. Math. Comput. Appl. 2019, 24, 34. [Google Scholar] [CrossRef]
- Hlioui, S.; Amara, Y.; Hoang, E.; Lecrivain, M.; Gabsi, M. Overview of hybrid excitation synchronous machines technology. In Proceedings of the International Conference on Electrical Engineering and Software Applications (ICEESA), Hammamet, Tunisia, 21–23 March 2013; pp. 1–10. [Google Scholar]
- Yildiriz, E.; Önbilgin, G. Design studies of axial flux hybrid excitation synchronous machine with magnetic bridge. In Proceedings of the 8th International Conference on Electrical and Electronics Engineering (ELECO), Bursa, Turkey, 28–30 November 2013; pp. 234–237. [Google Scholar]
- Amara, Y.; Vido, L.; Gabsi, M.; Hoang, E.; Ahmed, A.; Lecrivain, M. Hybrid Excitation Synchronous Machines: Energy-Efficient Solution for Vehicles Propulsion. IEEE Trans. Veh. Technol. 2009, 58, 2137–2149. [Google Scholar] [CrossRef]
- Zhang, Y.; Huang, Q.; Huang, M.; Decker, D.; Qing, Y. Design and Experimental Verification of Adaptive Speed Region Control for Hybrid Excitation Claw-Pole Synchronous Machine. Progress Electromagn. Res. C 2018, 88, 195–205. [Google Scholar]
- Hendijanizadeh, M.; Sharkh, S.M.; Qazalbash, A.A. Comparison of PM and Hybrid Excited Machines for Marine Vessel Hybrid-Electric Propulsion. In Proceedings of the 2018 XIII International Conference on Electrical Machines (ICEM), Alexandroupoli, Greece, 3–6 September 2018. [Google Scholar]
- Wang, Y.; Deng, Z. Hybrid Excitation Topologies and Control Strategies of Stator Permanent Magnet Machines for DC Power System. IEEE Trans. Ind. Electr. 2012, 59, 4601–4616. [Google Scholar] [CrossRef]
- Kupiec, E.; Przyborowski, W. Magnetic equivalent circuit model for unipolar hybrid excitation synchronous machine. Arch. Electr. Eng. 2015, 64, 107–117. [Google Scholar] [CrossRef]
- Zhang, Z.; Liu, Y.; Tian, B.; Wang, W. Investigation and implementation of a new hybrid excitation synchronous machine drive system. IET Electr. Power Appl. 2017, 11, 487–494. [Google Scholar] [CrossRef]
- Mohammadi, A.; Trovão, P.; Dubois, R. Hybridisation ratio for hybrid excitation synchronous motors in electric vehicles with enhanced performance. IET Electr. Syst. Transp. J. 2017, 8, 12–19. [Google Scholar] [CrossRef]
- Wang, W.J.; Zhang, Z.R. Maximum torque control of hybrid excitation synchronous machine drives based on field current self-optimizing method. In Proceedings of the IECON 2013, Vienna, Austria, 10–13 November 2013; pp. 2977–2982. [Google Scholar]
- Safi, S.; SDT Drive Technology. Alternative Motor Technologies forTraction Drives of Hybrid and Electric Vehicles. Available online: https://assets.markallengroup.com/article-images/47910/DOWNLOAD%20THE%20FULL%20PAPER%20by%20Dr%20Sab%20Safi%20of%20SDT%20Drives.pdf (accessed on 18 February 2020).
- Borocci, G.; Capponi, F.G.; Donato, G.D.; Caricchi, F. Closed-loop flux-weakening control of hybrid-excitation synchronous machine drives. IEEE Trans. Ind. Appl. 2017, 53, 1116–1126. [Google Scholar] [CrossRef]
- Shinnaka, S. New optimal current control methods for energy-efficient and wide speed-range operation of hybrid-field synchronous motor. IEEE Trans. Ind. Electr. 2007, 54, 2443–2450. [Google Scholar] [CrossRef]




















© 2020 by the authors. Licensee MDPI, Basel, Switzerland. This article is an open access article distributed under the terms and conditions of the Creative Commons Attribution (CC BY) license (http://creativecommons.org/licenses/by/4.0/).
Share and Cite
Elsonbaty, N.A.; Enany, M.A.; Hassanin, M.I. An Efficient Vector Control Policy for EV-Hybrid Excited Permanent-Magnet Synchronous Motor. World Electr. Veh. J. 2020, 11, 42. https://doi.org/10.3390/wevj11020042
Elsonbaty NA, Enany MA, Hassanin MI. An Efficient Vector Control Policy for EV-Hybrid Excited Permanent-Magnet Synchronous Motor. World Electric Vehicle Journal. 2020; 11(2):42. https://doi.org/10.3390/wevj11020042
Chicago/Turabian StyleElsonbaty, Nadia A., Mohamed A. Enany, and Mahmoud I. Hassanin. 2020. "An Efficient Vector Control Policy for EV-Hybrid Excited Permanent-Magnet Synchronous Motor" World Electric Vehicle Journal 11, no. 2: 42. https://doi.org/10.3390/wevj11020042
APA StyleElsonbaty, N. A., Enany, M. A., & Hassanin, M. I. (2020). An Efficient Vector Control Policy for EV-Hybrid Excited Permanent-Magnet Synchronous Motor. World Electric Vehicle Journal, 11(2), 42. https://doi.org/10.3390/wevj11020042

