Comprehensive Review on Main Topologies of Impedance Source Inverter Used in Electric Vehicle Applications
Abstract
1. Introduction
2. Impedance Source Inverters
2.1. Z-Source Inverter
2.2. Quasi-Z-Source Inverter
2.3. Embedded Z-Source Inverter
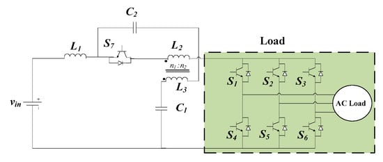
2.4. Embedded Quasi-Z-Source Inverter
2.5. Trans-Z-Source Inverter
2.6. Y-Source Inverter
2.7. Γ-Z-Source Inverter
2.8. LCCT-Z-Source Inverter
2.9. Advantages and Disadvantages of the Main Impedance Source Network Topologies
3. Z-Source Inverters for EV Applications
3.1. Z-Source Inverters for Single-Source EV Applications
3.2. Z-Source Inverter for Multisource EV Applications
3.2.1. Bidirectional EQZSI for Multisource EV Applications
Electric Vehicle Specifications and Modeling
Modeling of Bidirectional Embedded Quasi-Z-Source Inverter
PI-Based Controllers Design
3.2.2. Simulation Results and Discussion
3.3. Future Trends
4. Conclusions
Author Contributions
Funding
Conflicts of Interest
References
- Codani, P.; le Portz, P.L.; Claverie, P.; Perez, Y.; Petit, M. Coupling local renewable energy production with electric vehicle charging: A survey of the French case. World Electr. Veh. J. 2015, 7, 489–499. [Google Scholar] [CrossRef]
- Colak, I.; Kabalci, E.; Bayindir, R. Review of multilevel voltage source inverter topologies and control schemes. Energy Convers. Manag. 2011, 52, 1114–1128. [Google Scholar] [CrossRef]
- Peng, F.Z. Z-Source Inverter. IEEE Trans. Ind. Appl. 2003, 39, 504–510. [Google Scholar] [CrossRef]
- Siwakoti, Y.P.; Peng, F.Z.; Blaabjerg, F. Impedance-source networks for electric power conversion part I: A topological review. IEEE Trans. Power Electron. 2015, 30, 699–716. [Google Scholar] [CrossRef]
- Peng, F.Z.; Joseph, A.; Wang, J.; Shen, M.; Chen, L.; Pan, Z.; Ortiz-Rivera, E.; Huang, Y. Z-Source Inverter for Motor Drives. IEEE Trans. Power Electron. 2005, 20, 857–863. [Google Scholar] [CrossRef]
- Cao, D.; Lei, Q.; Peng, F.Z. Development of high efficiency current-fed quasi-Z-source inverter for HEV motor drive. In Proceedings of the 2013 Twenty-Eighth Annual IEEE Applied Power Electronics Conference and Exposition (APEC), Long Beach, CA, USA, 17–21 March 2013; pp. 157–164. [Google Scholar]
- Vijay, V.; Shruthi, K.J.; Kini, P.G.; Viswanatha, C.; Bhatt, M.S. Modified Z-Source Inverter Based Three Phase Induction Motor Drive for Solar PV Applications (EPSCICON). In Proceedings of the 2014 International Conference on Power Signals Control and Computations, Thrissur, India, 6–11 January 2014. [Google Scholar]
- Cortés, P.; Ortiz, G.; Yuz, J.I.; Rodríguez, J.; Vazquez, S.; Franquelo, L.G. Model Predictive Control of an Inverter with Output LC Filter for UPS Applications. IEEE Trans. Ind. Electron. 2009, 56, 1875–1883. [Google Scholar] [CrossRef]
- Yu, Y.; Zhang, Q.; Liang, B.; Liu, X.; Cui, S. Analysis of a Single-Phase Z-Source Inverter for Battery Discharging in Vehicle to Grid Applications. Energies 2011, 4, 2224–2235. [Google Scholar] [CrossRef]
- Gajanayake, C.J.; Vilathgamuwa, D.M.; Loh, P.C.; Teodorescu, R.; Blaabjerg, F. Z-Source-Inverter-Based Flexible Distributed Generation System Solution for Grid Power Quality Improvement. IEEE Trans. Energy Convers. 2009, 24, 695–704. [Google Scholar] [CrossRef]
- Shahinpour, A.; Moghani, J.S.; Gharehpetian, G.B.; Abdi, B. High Gain High-Voltage Z-Source Converter for Offshore Wind Energy Systems. In Proceedings of the 5th Annual International Power Electronics, Drive Systems and Technologies Conference (PEDSTC 2014), Tehran, Iran, 5–6 February 2014; pp. 488–493. [Google Scholar]
- Bharanikumar, R.; Senthilkumar, R.; Kumar, A.N. Impedance source inverter for wind turbine driven permanent magnet generator. In Proceedings of the 2008 Joint International Conference on Power System Technology and IEEE Power India Conference, New Delhi, India, 12–15 October 2018; pp. 1–7. [Google Scholar]
- Peng, F.Z.; Yuan, X.; Fang, X.; Qian, Z. Z-source inverter for adjustable speed drives. IEEE Power Electron. Lett. 2003, 1, 33–35. [Google Scholar] [CrossRef]
- Dehghan, S.M.; Mohamadian, M.; Yazdian, A. Hybrid electric vehicle based on bidirectional Z-source nine-switch inverter. IEEE Trans. Veh. Technol. 2010, 59, 2641–2653. [Google Scholar] [CrossRef]
- Hanif, M.; Basu, M.; Gaughan, K. Understanding the Operation of a Z-source inverter for photovoltaic application with a design example. IET Power Electron. 2011, 4, 278–287. [Google Scholar] [CrossRef]
- Siwakoti, Y.P.; Loh, P.C.; Blaabjerg, F.; Town, G.E. Y-Source Impedance Network. IEEE Trans. Power Electron. 2014, 29, 3250–3254. [Google Scholar] [CrossRef]
- Loh, P.C.; Li, D.; Blaabjerg, F. Γ-Z-Source Inverters. IEEE Trans. Power Electron. 2013, 28, 4880–4884. [Google Scholar] [CrossRef]
- Adamowicz, M. LCCT-Z-Source Inverters. In Proceedings of the 2011 10th International Conference on Environment and Electrical Engineering, Rome, Italy, 8–11 May 2011; pp. 1–6. [Google Scholar]
- Liu, Y.; Ge, B.; Ferreira, F.J.T.E.; de Almeida, A.T.; Rub, A.A. Modeling and SVPWM control of quasi-Z-source inverter. In Proceedings of the 11th IEEE International Conference on Electrical Power Quality and Utilisation, Lisbon, Portugal, 17–19 October 2011; pp. 1–7. [Google Scholar]
- Gajanayake, C.J.; Vilathgamuwa, D.M.; Loh, P.C. Development of a Comprehensive Model and a Multiloop Controller for Z-Source Inverter DG Systems. IEEE Trans. Ind. Electron. 2007, 54, 2352–2359. [Google Scholar] [CrossRef]
- Gupta, A.K.; Ahmad, A.; Samuel, P. HDL Co-Simulation of Single Phase Z-Source Inverter. In Proceedings of the IEEE Student Conference on Engineering and System SCES, Allahabad, India, 12–14 April 2013. [Google Scholar]
- Peng, F.Z.; Shen, M.; Qian, Z. Maximum boost control of the Z-source inverter. IEEE Trans. Power Electron. 2005, 20, 833–838. [Google Scholar] [CrossRef]
- Shen, M.; Peng, F.Z. Operation Modes and Characteristics of the Z-Source Inverter with Small Inductance or Low Power Factor. IEEE Trans. Ind. Electron. 2008, 55, 89–96. [Google Scholar] [CrossRef]
- Rostami, H.; Khaburi, D.A. Voltage gain comparison of different control methods of the Z-source inverter. In Proceedings of the IEEE International Conference on Electrical and Electronics Engineering (ELECO 2009), Bursa, Turkey, 5–8 November 2009; pp. I-268–I-272. [Google Scholar]
- Zhu, M.; Yu, K.; Luo, F.L. Switched Inductor Z-Source Inverter. IEEE Trans. Power Electron. 2010, 25, 2150–2158. [Google Scholar]
- Nguyen, M.K.; Lim, Y.C.; Cho, G.B. Switched-inductor quasi-Z-source inverter. IEEE Trans. Power Electron. 2011, 26, 3183–3191. [Google Scholar] [CrossRef]
- Singh, C.S.; Tripathi, R.K. Maximum Constant Boost Control of Switch Inductor Quasi-Z-Source Inverter. In Proceedings of the IEEE Student conference on Engineering and System (SCES 2013), Allahabad, India, 12–14 April 2013. [Google Scholar]
- Anderson, J.; Peng, F.Z. Four Quasi-Z-Source Inverters. In Proceedings of the 2008 IEEE Power Electronics Specialists Conference, Rhodes, Greece, 15–19 June 2008; Volume 58, pp. 2743–2749. [Google Scholar]
- Guo, F.; Fu, L.; Lin, C.H.; Li, C.; Choi, W.; Wang, J. Development of an 85-kW Bidirectional Quasi-Z-Source Inverter with DC-Link Feed-Forward Compensation for Electric Vehicle Applications. IEEE Trans. Power Electron. 2003, 28, 5477–5488. [Google Scholar] [CrossRef]
- Loh, P.C.; Gao, F.; Blaabjerg, F. Embedded EZ-Source Inverters. IEEE Trans. Power Electron. 2010, 46, 256–267. [Google Scholar]
- Ho, A.; Hyun, J.; Chun, T.; Lee, H. Embedded quasi-Z-source inverters based on active switched-capacitor structure. In Proceedings of the IECON 2016—42nd Annual Conference of the IEEE Industrial Electronics Society, Florence, Italy, 23–26 October 2016; pp. 3384–3389. [Google Scholar]
- Nisha, K.C.R. PV powered generalized multicell switched-inductor embedded quasi-Z-source inverter using MSP-430 controller. In Proceedings of the 2016 International Conference on Circuit, Power and Computing Technologies (ICCPCT), Nagercoil, India, 18–19 March 2016; pp. 1–6. [Google Scholar]
- Qian, W.; Peng, F.Z.; Cha, H. Trans-Z-source inverters. IEEE Trans. Power Electron. 2011, 26, 3453–3463. [Google Scholar] [CrossRef]
- Bajestan, M.M.; Shahparasti, M.; Khaburi, D.A. Application of trans Z-source inverter in photovoltaic systems. In Proceedings of the 21st Iranian Conference on Electrical Engineering (ICEE), Mashhad, Iran, 14–16 May 2013; pp. 1–6. [Google Scholar]
- Siwakoti, Y.P.; Loh, P.C.; Blaabjerg, F.; Town, G.E. Effects of Leakage Inductances on Magnetically Coupled Y-Source Network. IEEE Trans. Power Electron. 2014, 29, 5662–5666. [Google Scholar] [CrossRef]
- Adamowicz, M.; Strzelecki, R.; Peng, F.Z.; Guzinski, J.; Rub, H.A. High step-up continuous input current LCCT-Z-source inverters for fuel cells. In Proceedings of the IEEE Energy Conversion Congress and Exposition, Phoenix, AZ, USA, 17–22 September 2011; pp. 2276–2282. [Google Scholar]
- Adamowicz, M.; Strzelecki, R.; Peng, F.Z.; Guzinski, J.; Rub, H.A. New type LCCT-Z-source inverters. In Proceedings of the European Conference on Power Electronics and Applications (EPE), Birmingham, UK, 30 August–1 September 2011; pp. 1–10. [Google Scholar]
- Ellabban, O.; Mierlo, J.V.; Lataire, P.; den Bossche, P.V. Z-Source Inverter for Vehicular Applications. In Proceedings of the IEEE Vehicle Power and Propulsion Conference, Chicago, IL, USA, 6–9 September 2011. [Google Scholar]
- Pattanaphol, A.; Khomfoi, S.; Paisuwanna, P. Z-Source Grid-Connected Inverter for Solving the photovoltaic cell Shading problem. In Proceedings of the ECTI-CON2010: The 2010 ECTI International Conference on Electrical Engineering/Electronics, Computer, Telecommunications and Information Technology, Chiang Mai, Thailand, 19–21 May 2010; pp. 823–827. [Google Scholar]
- Hernández, N.M.; Cardoso, G.J.; Azcue-Puma, J.L.; Torrico, J.A.A.; Alfeu, J.; Sguarezi, F. Z-Source Inverter Applied to Wind Power System with Battery Energy Storage System. In Proceedings of the IEEE International Conference on Industry Applications (INDUSCON), Curitiba, Brazil, 20–23 November 2016; pp. 1–6. [Google Scholar]
- Beer, K.; Piepenbreie, B. Properties and Advantages of the Quasi-Z-Source Inverter for DC-AC Conversion for Electric Vehicle Applications. In Proceedings of the IEEE Conference on Emobility-Electrical Power Train, Leipzig, Germany, 8–9 November 2010; pp. 1–6. [Google Scholar]
- Zhang, Y.; Liu, Q.; Li, J.; Sumner, M.A. Common Ground Switched-Quasi-Z -Source Bidirectional DC–DC Converter with Wide-Voltage-Gain Range for EVs with Hybrid Energy Sources. IEEE Trans. Ind. Electron. 2018, 65, 5188–5200. [Google Scholar] [CrossRef]
- Park, J.H.; Kim, H.G.; Nho, E.C.; Chun, T.-W.; Choi, J. Grid-connected PV System Using a Quasi-Z-source Inverter. In Proceedings of the 2009 Twenty-Fourth Annual IEEE Applied Power Electronics Conference and Exposition, Washington, DC, USA, 15–19 February 2009; pp. 925–929. [Google Scholar]
- Khani, S.; Mohammadian, L.; Hosseini, S.H.; Ghasemzadeh, S. Design and Control of Fully Parallel Embedded Z-Source Inverters Based Flexible Photovoltaic Systems for Grid Power Quality Improvement under Distorted Condition. In Proceedings of the IEEE 21st Iranian Conference on Electrical Engineering (ICEE), Mashhad, Iran, 14–16 May 2013; pp. 1–7. [Google Scholar]
- Jiang, S.; Peng, F.Z. Modular Single-Phase Trans-Z-Source Inverter for Multi-Input Renewable Energy System. In Proceedings of the IEEE Applied Power Electronics Conference and Exposition (APEC), Orlando, FL, USA, 5–9 February 2012; pp. 2107–2114. [Google Scholar]
- Shehata, E.G. Predictive control of a new configuration of bidirectional quasi Y-source inverter fed IPMSM for electric vehicle applications. In Proceedings of the IEEE Nineteenth International Middle East Power Systems Conference (MEPCON), Cairo, Egypt, 19–21 December 2017; pp. 287–292. [Google Scholar]
- Forouzesh, M.; Baghramian, A.; Salavati, N. Improved Y-Source Inverter for Distributed Power Generation. In Proceedings of the IEEE 23rd Iranian Conference on Electrical Engineering (ICEE), Tehran, Iran, 10–14 May 2015; pp. 1677–1681. [Google Scholar]
- Khoshkhati, F.; Toofan, S.; Asaei, B. Modeling and control of asymmetric Γ-source inverters for photovoltaic applications. Int. J. Tech. Phys. Probl. Eng. (IJTPE) 2014, 6, 138–144. [Google Scholar]
- Daouda, M.; Trovao, J.P.; Rubio, R.G.; Ta, M.C. Comparison of Bidirectional Quasi-Z-Source Inverter and Bidirectional Conventional Two-Stage Inverter for Electric Traction System. In Proceedings of the IEEE Vehicle Power and Propulsion Conference (VPPC), Chicago, IL, USA, 27–30 August 2018; pp. 1–6. [Google Scholar]
- Welchko, B.A.; Nagashima, J.M.; Smith, G.S.; Chakrabarti, S.; Perisic, M.; John, G. Double Ended Inverter System with an Impedance Source Inverter Subsystem. U.S. Patent No. US7956569, 7 June 2011. [Google Scholar]
- Vasanthi, V.; Ashok, S. Performance evaluation of Z source inverter fed locomotive drives with different control topologies. In Proceedings of the IEEE International Conference on Power Electronics, Drives and Energy Systems, Bengaluru, India, 16–19 December 2012; pp. 1–4. [Google Scholar]
- Jung, J.; Keyhani, A. Control of a Fuel Cell Based Z-Source Converter. IEEE Trans. Energy Convers. 2007, 22, 467–476. [Google Scholar] [CrossRef]
- Shen, M.; Joseph, A.; Wang, J.; Peng, F.Z.; Adams, D.J. Comparison of traditional inverters and Z-source inverter for fuel cell vehicles. IEEE Trans. Power Electron. 2007, 22, 1453–1463. [Google Scholar] [CrossRef]
- Trovão, J.P.; Santos, V.D.N.; Pereirinha, P.G.; Jorge, H.M.; Antunes, C.H. Comparative Study of Different Energy Management Strategies for Dual-Source Electric Vehicles. World Electr. Veh. J. 2013, 6, 523–531. [Google Scholar] [CrossRef]
- Iversen, E.B.; Morales, J.M.; Madsen, H. Optimal charging of an electric vehicle using a Markov decision process. Appl. Energy 2014, 123, 1–12. [Google Scholar] [CrossRef]
- Zhang, F.; Hu, X.; Langari, R.; Cao, D. Energy management strategies of connected HEVs and PHEVs: Recent progress and outlook. Prog. Energy Combust. Sci. 2019, 73, 235–256. [Google Scholar] [CrossRef]
- Hu, S.; Liang, Z.; He, X. Ultracapacitor-Battery Hybrid Energy Storage System Based on the Asymmetric Bidirectional Z-Source Topology for EV. IEEE Trans. Power Electron. 2016, 31, 7489–7498. [Google Scholar] [CrossRef]
- Ellabban, O.; Van Mierlo, J.; Lataire, P. Control of a High-Performance Z-Source Inverter for Fuel Cell/Supercapacitor Hybrid Electric Vehicles. World Electr. Veh. J. 2010, 4, 444–451. [Google Scholar] [CrossRef]
- Mande, D.; Trovão, J.P.; Rubio, R.G.; Ta, M.C. Comparison of Different Power Train Topologies for an Off-Road Electric Vehicle. In Proceedings of the IEEE Vehicle Power and Propulsion Conference (VPPC), Hanoi, Vietnam, 14–17 October 2019; pp. 1–6. [Google Scholar]
- Godavarthi, N.K.; Lakshmi, P.S.R.; Devi, V.T.S. Comparative analysis of PWM methods of Quasi Z source Inverter. In Proceedings of the IEEE conferences International Conference on Renewable Energy and Sustainable Energy (ICRESE), Coimbatore, India, 5–6 December 2013; pp. 86–90. [Google Scholar]














| Impedance Network | Figure # | Boost Factor B | Switching Devices | Number of Capacitors | Number of Inductors | Voltage Stress on the Switching Device |
|---|---|---|---|---|---|---|
| Z-Source | # 1 | where, | 1 | 2 | 2 | |
| Quasi-Z-Source | # 2a | where, | 1 | 2 | 2 | |
| Embedded Z-Source | # 3 | where, | 1 | 2 | 2 | |
| Embedded Quasi-Z-Source | # 4 | where, | 1 | 2 | 2 | |
| Trans-Z-Source | # 5 | where, | 1 | 1 | Integrated two windings | |
| Y-Source | # 6 | where, and | 1 | 1 | Integrated three windings | |
| Γ-Z-source | # 7 | where, | 1 | 2 | One inductor and one 2 windings coupled inductor | |
| LCCT-Z-source | # 8 | where, | 1 | 2 | 2 |
| Impedance Network | Advantages | Disadvantages |
|---|---|---|
| Z-Source | - Overcomes the disadvantages of voltage source and current source inverters. - Offers novel power conversion concept. - Both switches from the same leg trigger at the same time do not cause any failure. - Inductor of current fed ZSI sustains high current. - Benefits to motor drives and renewable-energy-generation applications. | - Discontinuous input current. - Not suitable for very low input DC voltages [25]. - Cannot suppress the inrush current. - Different grounds for source and inverter circuits [26]. - High-voltage capacitors, which are required, increase the cost and volume of the system. - The shoot-through duty ratio must always be less than 0.5. |
| Quasi-Z-Source | - Continuous input current. - Reduces passive component ratings. - Provides lower current stress on inductors compared to ZSI. - Shares common ground with input DC supply [26]. - Benefits to motor drives and renewable-energy-generation applications. | - The shoot-through duty ratio must always be less than 0.5. - Not suitable for very low input DC voltage. |
| Embedded Z-Source | - Draws smooth current from source, without additional component. - Produce smaller ripples of input voltage and current. - Suitable for battery storage systems and PV-power generation. | - Different stress distribution among components, provided by its asymmetrical structure. - Supplied current is no longer maintained. - The shoot-through-duty ratio must always be less than 0.5. |
| Embedded Quasi-Z-Source | - Continuous input current. - Draws smooth current from source, without additional component. - Appropriate for battery storage systems and multisource power-conversion systems. | -The shoot-through duty ratio must always be less than 0.5. - Not suitable for very low input DC voltages. |
| Trans-Z-Source | - Increases voltage gain more than the case of Z-source and quasi-Z-source network. - Reduces component stress. - Able to operate on very low input voltage. - Suitable for renewable-energy generation. | - High gain is obtained with high winding-turns ratio. - Discontinuous input current. - Transformers and coupled inductors increase volume and cost. |
| Y-Source | - Very high gain can be obtained with small shoot-through-duty cycle. - Higher voltage boost and higher modulation index can be obtained at the same time. - Reduced THD of the inverter. - Suitable for power-conversion applications. | - Discontinuous input current. - Electromagnetic interference noise affects its reliability. |
| Γ-Z-source | - High gain can be achieved by lowering turn ratio. - Better spectral performance. - Continuous input current. - Convenient for renewable energy generation. | - Leakage inductance affects the voltage and current stress over semiconductors. |
| LCCT-Z-source | - Have continuous current even during light load. - Filter out high-frequency ripples from source current. - Appropriate for renewable-energy generation and power-conversion applications. | - Have high winding-turns ratio. - Electromagnetic interference noise affects its reliability. |
| Impedance Network Topology | Switching Frequency | Typical Used Power | Applications |
|---|---|---|---|
| Z-Source | 10 kHz | 15 kW (maximum output power) | Electric vehicles [38] |
| 125 kW (maximum output power) | Photovoltaic and Grid systems [39] | ||
| 12 kHz | 4.5 kW (rated power) | Wind Turbines [40] | |
| Quasi-Z-Source | 100 kHz | 10.6 kW (maximum output power) | Electric vehicles [41] |
| 20 kHz | 300 W (rated power) | Hybrid electric vehicles [42] | |
| 10 kHz | 2.6 kW (rated power) | Photovoltaic and Grid systems [43] | |
| Embedded Z-Source | 7 kHz | 6 kW (maximum output power) | Photovoltaic and Grid systems [44] |
| Embedded Quasi-Z-Source | 10 kHz | 375 W (maximum output power) | Photovoltaic [32] |
| Trans-Z-Source | 20 kHz | 6 kW (rated power) | Photovoltaic, fuel cell and Grid system [45] |
| Y-Source | 20 kHz | 2 kW (maximum output power) | Electric vehicle [46] |
| 10 kHz | 18.25 kW (maximum output power) | Photovoltaic [47] | |
| Γ-Z-source | 10 kHz | 3 kW (maximum output power) | Photovoltaic and Grid systems [48] |
| LCCT-Z-source | 20 kHz | 4.5 kW (rated power) | Permanent magnet synchronous generators [18] |
© 2020 by the authors. Licensee MDPI, Basel, Switzerland. This article is an open access article distributed under the terms and conditions of the Creative Commons Attribution (CC BY) license (http://creativecommons.org/licenses/by/4.0/).
Share and Cite
Mande, D.; Trovão, J.P.; Ta, M.C. Comprehensive Review on Main Topologies of Impedance Source Inverter Used in Electric Vehicle Applications. World Electr. Veh. J. 2020, 11, 37. https://doi.org/10.3390/wevj11020037
Mande D, Trovão JP, Ta MC. Comprehensive Review on Main Topologies of Impedance Source Inverter Used in Electric Vehicle Applications. World Electric Vehicle Journal. 2020; 11(2):37. https://doi.org/10.3390/wevj11020037
Chicago/Turabian StyleMande, Daouda, João Pedro Trovão, and Minh Cao Ta. 2020. "Comprehensive Review on Main Topologies of Impedance Source Inverter Used in Electric Vehicle Applications" World Electric Vehicle Journal 11, no. 2: 37. https://doi.org/10.3390/wevj11020037
APA StyleMande, D., Trovão, J. P., & Ta, M. C. (2020). Comprehensive Review on Main Topologies of Impedance Source Inverter Used in Electric Vehicle Applications. World Electric Vehicle Journal, 11(2), 37. https://doi.org/10.3390/wevj11020037

