Creep Performance and Life Prediction of Bamboo Scrimber under Long-Term Tension in Parallel-to-Grain
Abstract
1. Introduction
2. Materials and Methods
2.1. Test Materials
2.2. Test Equipments
2.3. Creep Test Methods
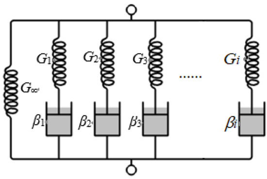
2.4. Creep Life Prediction Method
3. Results
3.1. Failure Mode
3.2. Creep Strain
3.3. Creep Compliance
3.4. Residual Strength
3.5. Creep Life Prediction
4. Discussion
5. Conclusions
Author Contributions
Funding
Institutional Review Board Statement
Informed Consent Statement
Data Availability Statement
Acknowledgments
Conflicts of Interest
References
- Yu, W. Current situation and opportunities for the development of bamboo scrimber industry in China. World Bamboo Ratt. 2019, 17, 1–4. [Google Scholar] [CrossRef]
- Fang, C.-H.; Jiang, Z.-H.; Sun, Z.-J.; Liu, H.-R.; Zhang, X.-B.; Zhang, R.; Fei, B.-H. An overview on bamboo culm flattening. Constr. Build. Mater. 2018, 171, 65–74. [Google Scholar] [CrossRef]
- Li, H.; Wu, G.; Zhang, Q.; Deeks, A.J.; Su, J. Ultimate bending capacity evaluation of laminated bamboo lumber beams. Constr. Build. Mater. 2018, 160, 365–375. [Google Scholar] [CrossRef]
- Liu, C.; Wu, X.; Li, X.; Wu, Y. Investigation into the effects of various processing treatments on the flexural performance of carbon fiber reinforced polymer-bamboo scrimber composites. Aust. J. Struct. Eng. 2022, 23, 370–386. [Google Scholar] [CrossRef]
- Li, X.; Mou, Q.; Ji, S. Effect of elevated temperature on physical and mechanical properties ofengineered bamboo composites. Ind. Crops Prod. 2022, 189, 115847. [Google Scholar] [CrossRef]
- Huang, Z.; Chen, Z.; Huang, D.; Zhou, A. The ultimate load-carrying capacity and deformation of laminated bamboo hollow decks: Experimental investigation and inelastic analysis. Constr. Build. Mater. 2016, 117, 190–197. [Google Scholar] [CrossRef]
- Wu, X.; Huang, X.; Li, X.; Wu, Y. Flexural performance of CFRP-bamboo scrimbercomposite beams. J. Renew. Mater. 2019, 7, 1295–1307. [Google Scholar] [CrossRef]
- Raftery, G.; Kelly, F. Basalt FRP rods for reinforcement and repair of timber. Compos. Part B 2015, 70, 9–19. [Google Scholar] [CrossRef]
- Gottron, J.; Harries, K.A.; Xu, Q. Creep behavior of bamboo. Constr. Build. Mater. 2014, 66, 79–88. [Google Scholar] [CrossRef]
- Kanzawa, E.; Aoyagi, S.; Nakano, T. Vascular bundle shape in cross-section and relaxation properties of Moso bamboo (Phyllostachys pubescens). Mater. Sci. Eng. C 2011, 31, 1050–1054. [Google Scholar] [CrossRef]
- Tu, D.; Shao, Z. Rheology model of bamboo under transverse heat-compression based on Burger-body. J. Nanjing For. Univ. (Nat. Sci. Ed.) 2008, 32, 67–70. [Google Scholar]
- Li, N. Research on Long Term Deformation Behavior of Bamboo Based Component. Master’s Thesis, Chongqing Jiaotong University, Chongqing, China, 2015. [Google Scholar]
- Dong, C.; Zhang, H. Evaluation of the static bending creep of bamboo-wood composited I-beam. J. Southwest For. Univ. 2014, 10, 99–102. [Google Scholar]
- Xiao, Y.; Li, L.; Yang, R.; Shang, B.; She, L. Experimental study on creep and loading property of laminated bamboo bridge. Build. Struct. 2013, 43, 86–91. [Google Scholar] [CrossRef]
- Zhou, Q. Experimental Study and engineering Application of Glue Laminated Bamboo Beams. Ph.D. Thesis, Hunan University, Changsha, China, 2013. [Google Scholar]
- Zhang, W.; Jiang, W.; Tang, R. Study on short-term bending creep behavior and microstructure of bamboo scrimber. J. For. Eng. 2017, 2, 33–37. [Google Scholar] [CrossRef]
- Yang, T.; Wu, T.; Hung, K. Mechanical properties and extended creep behavior of bamboo fiber reinforced recycled poly(lactic acid) composites using the time-temperature superposition principle. Constr. Build. Mater. 2015, 93, 558–563. [Google Scholar] [CrossRef]
- Ma, X.; Wang, G.; Jiang, Z.; Xian, Y.; Li, H. Comparison of bending creep behavior of bamboo-based composites manufactured by two types of stacking sequences. Bioresources 2014, 9, 5461–5472. [Google Scholar] [CrossRef][Green Version]
- Ma, X.; Jiang, Z.; Tong, L.; Wang, G.; Cheng, H. Development of creep models for glued laminated bamboo using the time-temperature superposition principle. Wood Fiber Sci. 2015, 47, 141–146. [Google Scholar]
- Chen, S.; Wei, Y.; Zhao, K.; Hang, C.; Zhao, K. Creep performance and prediction model of bamboo scrimber under compression. Acta Mater. Compos. Sin. 2021, 38, 944–952. [Google Scholar] [CrossRef]
- Wu, P. Experiment and Analysis on Creep Properties of Reconsolidated Bamboo. Master’s Thesis, Northeast Forestry University, Harbin, China, 2015. [Google Scholar]
- ASTM International. ASTM D143-2009 Standard Test Methods for Small Clear Specimens of Timber; ASTM International: West Conshohocken, PA, USA, 2009. [Google Scholar]
- Arai, M.; Kato, Y.; Kodera, T. Characterization of the thermo-viscoelastic property of glass and numerical simulation of the press molding of glass lens. J. Therm. Stress. 2009, 32, 1235–1255. [Google Scholar] [CrossRef]
- Wang, D.; Lin, L.; Fu, F. Fracture mechanisms of moso bamboo (Phyllostachys pubescens) under longitudinal tensile loading. Ind. Crops Prod. 2020, 153, 112574. [Google Scholar] [CrossRef]
- Liu, H.; Wang, X.; Zhang, X.; Sun, Z.; Jiang, Z. In situ detection of the fracture behaviour of moso bamboo (Phyllostachys pubescens) by scanning electron microscopy. Holzforschung 2016, 70, 1183–1190. [Google Scholar] [CrossRef]
- Xu, K. Research on Mechanics Performance of Steel-Bamboo Composite Fox Column under Long-Term Load. Master’s Thesis, Ningbo University, Ningbo, China, 2015. [Google Scholar]
- Zhang, F.; Chen, X.; Xu, Q.; Wang, Z.; Chen, L.; Gong, C. Experimental study on mechanical behavior of timber beam strengthened with steel plate during 1200-day sustained loading. J. Build. Struct. 2017, 38, 78–85. [Google Scholar] [CrossRef]
- Tweedie, C.A.; Van, K.J. Contact creep compliance of viscoelastic materials via nanoindentation. J. Mater Res. 2006, 21, 1576–1589. [Google Scholar] [CrossRef]
- GB50068-2001; Unified Standard for Reliability Design of Building Structures. China Architecture & Building Press: Beijing, China, 2001.
- Luo, X.; Wang, X.; Ren, H.; Zhang, S.; Zhong, Y. Long-term mechanical properties of bamboo scrimber. Constr. Build. Mater. 2022, 338, 127659. [Google Scholar] [CrossRef]
- Hoffmeyer, P.; Sørensen, J.D. Duration of load revisited. Wood Sci. Technol. 2007, 41, 687–711. [Google Scholar] [CrossRef]















| Property | Mean | Standard Deviation Coefficient |
|---|---|---|
| Ultimate tensile strain | 0.0092 | 0.00012 |
| Ultimate tensile strength | 118 MPa | 16.8 |
| Tensile modulus of elasticity | 12.71 GPa | 0.37 |
| No. | Stress Ratio | Theoretical Stress of Specimen (MPa) | Load Weight (kg) | Specimen Size (Thickness × Width, mm) | Load Stress of Specimen (MPa) | Load Stress/Theoretical Stress |
|---|---|---|---|---|---|---|
| L1-1 | 0.3 | 35.4 | 25 | 19.6 × 10.2 | 35.1 | 99.1% |
| L1-2 | 19.6 × 10.1 | 35.4 | 100% | |||
| L2-1 | 0.4 | 47.2 | 35 | 19.6 × 10.1 | 45.9 | 97.3% |
| L2-2 | 19.6 × 10.1 | 45.9 | 97.3% | |||
| L3-1 | 0.5 | 59 | 51/47 | 19.6 × 9.6 | 58.8 | 99.6% |
| L3-2 | 19.6 × 9.9 | 57.7 | 96.7% | |||
| L4-1 | 0.7 | 82.6 | 70.6 | 19.6 × 10.0 | 83.7 | 101.3% |
| L4-2 | 19.6 × 10.1 | 83.0 | 100.3% |
| Specimen | ε0 (10−3) | ε0a (10−3) | tc (d) | ε1 (10−3) | ε1a (10−3) | εc (10−3) | εca (10−3) | n | na |
|---|---|---|---|---|---|---|---|---|---|
| L1-1 | 2.936 | 2.818 | 80 | 3.682 | 3.596 | 0.745 | 0.778 | 0.254 | 0.276 |
| L1-2 | 2.700 | 80 | 3.510 | 0.810 | 0.300 | ||||
| L2-1 | 3.991 | 3.891 | 80 | 5.218 | 4.964 | 1.227 | 1.159 | 0.307 | 0.298 |
| L2-2 | 3.791 | 80 | 4.882 | 1.091 | 0.288 | ||||
| L3-1 | 5.281 | 5.177 | 80 | 6.419 | 5.050 | 1.137 | 0.903 | 0.215 | 0.174 |
| L3-2 | 5.073 | 80 | 5.742 | 0.669 | 0.132 | ||||
| L4-1 | 6.312 | 6.253 | 20 | 7.148 | 7.106 | 0.873 | 0.855 | 0.138 | 0.137 |
| L4-2 | 6.193 | 43 | 7.065 | 0.836 | 0.135 |
Disclaimer/Publisher’s Note: The statements, opinions and data contained in all publications are solely those of the individual author(s) and contributor(s) and not of MDPI and/or the editor(s). MDPI and/or the editor(s) disclaim responsibility for any injury to people or property resulting from any ideas, methods, instructions or products referred to in the content. |
© 2023 by the authors. Licensee MDPI, Basel, Switzerland. This article is an open access article distributed under the terms and conditions of the Creative Commons Attribution (CC BY) license (https://creativecommons.org/licenses/by/4.0/).
Share and Cite
Liu, C.; Wu, X.; Liu, X.; Li, X. Creep Performance and Life Prediction of Bamboo Scrimber under Long-Term Tension in Parallel-to-Grain. Forests 2023, 14, 1971. https://doi.org/10.3390/f14101971
Liu C, Wu X, Liu X, Li X. Creep Performance and Life Prediction of Bamboo Scrimber under Long-Term Tension in Parallel-to-Grain. Forests. 2023; 14(10):1971. https://doi.org/10.3390/f14101971
Chicago/Turabian StyleLiu, Caimei, Xizhi Wu, Xiubo Liu, and Xianjun Li. 2023. "Creep Performance and Life Prediction of Bamboo Scrimber under Long-Term Tension in Parallel-to-Grain" Forests 14, no. 10: 1971. https://doi.org/10.3390/f14101971
APA StyleLiu, C., Wu, X., Liu, X., & Li, X. (2023). Creep Performance and Life Prediction of Bamboo Scrimber under Long-Term Tension in Parallel-to-Grain. Forests, 14(10), 1971. https://doi.org/10.3390/f14101971

