Giant Seebeck Effect in a PEDOT Material Coated on a Felt Fiber
Abstract
1. Introduction
2. Materials and Methods
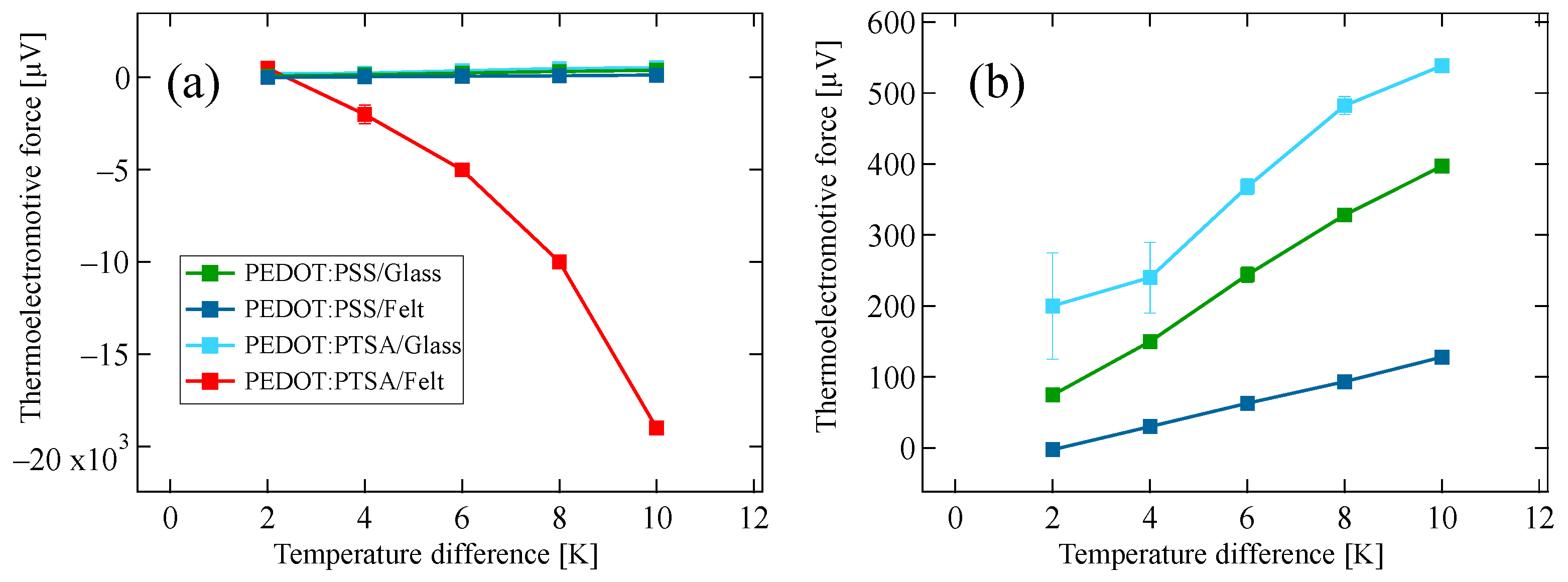
3. Results
4. Discussion
5. Conclusions
6. Patents
Author Contributions
Funding
Institutional Review Board Statement
Informed Consent Statement
Data Availability Statement
Acknowledgments
Conflicts of Interest
Abbreviations
| PEDOT | poly(3,4-ethylenedioxythiophene) |
| PSS | polystyrene sulfonate |
| PTSA | p-toluenesulfonic acid |
| DOS | Density Of State |
References
- Espinoza, O.; Tiwary, A. Assessment of Autonomous Renewable Energy System Operability under Extreme Events and Disasters. Sustain. Energy Technol. Assess. 2021, 44, 100995. [Google Scholar] [CrossRef]
- Masrur, H.; Gamil, M.M.; Islam, M.R.; Muttaqi, K.M.; Lipu, M.S.H.; Senjyu, T. An Optimized and Outage-Resilient Energy Management Framework for Multicarrier Energy Microgrids Integrating Demand Response. IEEE Trans. Ind. Appl. 2022, 58, 4171–4180. [Google Scholar] [CrossRef]
- Thirumalai, M.; Hariharan, R.; Yuvaraj, T.; Prabaharan, N. Optimizing Distribution System Resilience in Extreme Weather Using Prosumer-Centric Microgrids with Integrated Distributed Energy Resources and Battery Electric Vehicles. Sustainability 2024, 16, 2379. [Google Scholar] [CrossRef]
- Wei, J.; Yang, L.; Ma, Z.; Song, P.; Zhang, M.; Ma, J.; Yang, F.; Wang, X. Review of Current High-ZT Thermoelectric Materials. J. Mater. Sci. 2020, 55, 12642–12704. [Google Scholar] [CrossRef]
- Ang, A.K.R.; Yamazaki, I.; Hirata, K.; Singh, S.; Matsunami, M.; Takeuchi, T. Development of Cu2 Se/Ag2 (S,Se)-Based Monolithic Thermoelectric Generators for Low-Grade Waste Heat Energy Harvesting. ACS Appl. Mater. Interfaces 2023, 15, 46962–46970. [Google Scholar] [CrossRef]
- Cui, G.-P.; Feng, C.-P.; Xu, S.-C.; Sun, K.-Y.; Ji, J.-C.; Hou, L.; Lan, H.-B.; Shang, H.-J.; Ding, F.-Z. 3D-Printed Bi2 Te3-Based Thermoelectric Generators for Energy Harvesting and Temperature Response. ACS Appl. Mater. Interfaces 2024, 16, 35353–35360. [Google Scholar] [CrossRef] [PubMed]
- Bao, Y.; Sun, Y.; Jiao, F.; Hu, W. Recent Advances in Multicomponent Organic Composite Thermoelectric Materials. Adv. Electron. Mater. 2023, 9, 2201310. [Google Scholar] [CrossRef]
- Lee, S.; Kim, S.; Pathak, A.; Tripathi, A.; Qiao, T.; Lee, Y.; Lee, H.; Woo, H.Y. Recent Progress in Organic Thermoelectric Materials and Devices. Macromol. Res. 2020, 28, 531–552. [Google Scholar] [CrossRef]
- Zhang, Y.; Wang, W.; Zhang, F.; Dai, K.; Li, C.; Fan, Y.; Chen, G.; Zheng, Q. Soft Organic Thermoelectric Materials: Principles, Current State of the Art and Applications. Small 2022, 18, 2104922. [Google Scholar] [CrossRef] [PubMed]
- Nakamura, M.; Kojima, H.; Abe, R.; Cho, Y.; Hayashi, S.; Hiramoto, M. Giant Seebeck Effect over 0.1 V K−1—Is This an Intrinsic Phenomenon in Organic Semiconductors? Faraday Discuss. 2024, 250, 361–376. [Google Scholar] [CrossRef] [PubMed]
- Okada, N.; Sato, K.; Yokoo, M.; Kodama, E.; Kanehashi, S.; Shimomura, T. Thermoelectric Properties of Poly(3-Hexylthiophene) Nanofiber Aerogels with a Giant Seebeck Coefficient. ACS Appl. Polym. Mater. 2021, 3, 455–463. [Google Scholar] [CrossRef]
- Machida, Y.; Lin, X.; Kang, W.; Izawa, K.; Behnia, K. Colossal Seebeck Coefficient of Hopping Electrons in (TMTSF) 2 PF 6. Phys. Rev. Lett. 2016, 116, 087003. [Google Scholar] [CrossRef] [PubMed]
- Takahashi, H.; Okazaki, R.; Ishiwata, S.; Taniguchi, H.; Okutani, A.; Hagiwara, M.; Terasaki, I. Colossal Seebeck Effect Enhanced by Quasi-Ballistic Phonons Dragging Massive Electrons in FeSb2. Nat. Commun. 2016, 7, 12732. [Google Scholar] [CrossRef] [PubMed]
- Kojima, H.; Abe, R.; Fujiwara, F.; Nakagawa, M.; Takahashi, K.; Kuzuhara, D.; Yamada, H.; Yakiyama, Y.; Sakurai, H.; Yamamoto, T.; et al. Universality of the Giant Seebeck Effect in Organic Small Molecules. Mater. Chem. Front. 2018, 2, 1276–1283. [Google Scholar] [CrossRef]
- Chiang, W.-H.; Iihara, Y.; Li, W.-T.; Hsieh, C.-Y.; Lo, S.-C.; Goto, C.; Tani, A.; Kawai, T.; Nonoguchi, Y. Enhanced Thermoelectric Properties of Boron-Substituted Single-Walled Carbon Nanotube Films. ACS Appl. Mater. Interfaces 2019, 11, 7235–7241. [Google Scholar] [CrossRef] [PubMed]
- Gueye, M.N.; Carella, A.; Faure-Vincent, J.; Demadrille, R.; Simonato, J.-P. Progress in Understanding Structure and Transport Properties of PEDOT-Based Materials: A Critical Review. Prog. Mater. Sci. 2020, 108, 100616. [Google Scholar] [CrossRef]
- Liu, L.; Wu, L.; Yang, H.; Ge, H.; Xie, J.; Cao, K.; Cheng, G.; Chen, S. Conductivity and Stability Enhancement of PEDOT:PSS Electrodes via Facile Doping of Sodium 3-Methylsalicylate for Highly Efficient Flexible Organic Light-Emitting Diodes. ACS Appl. Mater. Interfaces 2022, 14, 1615–1625. [Google Scholar] [CrossRef]
- Kim, T.; Park, S.; Seo, J.; Lee, C.W.; Kim, J.-M. Highly Conductive PEDOT:PSS with Enhanced Chemical Stability. Org. Electron. 2019, 74, 77–81. [Google Scholar] [CrossRef]
- Fujima, T.; Uchiyama, K.; Yasumoro, K.; Ito, T.; Tabata, E. A PSS-Free PEDOT Conductive Film Supported by a Hierarchical Nanoporous Layer Glass. Macromol. Mater. Eng. 2018, 303, 1800183. [Google Scholar] [CrossRef]
- Yasumoro, K.; Fujita, Y.; Arimatsu, H.; Fujima, T. A New Composite Structure of PEDOT/PSS: Macro-Separated Layers by a Polyelectrolyte Brush. Polymers 2020, 12, 456. [Google Scholar] [CrossRef]
- Shi, Y.; Zhou, Y.; Shen, R.; Liu, F.; Zhou, Y. Solution-Based Synthesis of PEDOT:PSS Films with Electrical Conductivity over 6300 S/Cm. J. Ind. Eng. Chem. 2021, 101, 414–422. [Google Scholar] [CrossRef]
- Zhang, X.; Yang, W.; Zhang, H.; Xie, M.; Duan, X. PEDOT:PSS: From Conductive Polymers to Sensors. Nanotechnol. Precis. Eng. 2021, 4, 045004. [Google Scholar] [CrossRef]
- Brendgen, R.; Grethe, T.; Schwarz-Pfeiffer, A. Straightforward Production Methods for Diverse Porous PEDOT:PSS Structures and Their Characterization. Sensors 2024, 24, 4919. [Google Scholar] [CrossRef]
- Zan, G.; Jiang, W.; Kim, H.; Zhao, K.; Li, S.; Lee, K.; Jang, J.; Kim, G.; Shin, E.; Kim, W.; et al. A Core–Shell Fiber Moisture-Driven Electric Generator Enabled by Synergetic Complex Coacervation and Built-in Potential. Nat. Commun. 2024, 15, 10056. [Google Scholar] [CrossRef]
- Chen, J.; Ye, C.; Cang, T.; Gao, R.; Li, X. Recent Advances in the Construction and Application of Stretchable PEDOT Smart Electronic Membranes. J. Mater. Chem. C 2023, 11, 14930–14967. [Google Scholar] [CrossRef]
- Xu, Y.; Jia, Y.; Liu, P.; Jiang, Q.; Hu, D.; Ma, Y. Poly(3,4-Ethylenedioxythiophene) (PEDOT) as Promising Thermoelectric Materials and Devices. Chem. Eng. J. 2021, 404, 126552. [Google Scholar] [CrossRef]
- Stevens, D.L.; Gamage, G.A.; Ren, Z.; Grunlan, J.C. Salt Doping to Improve Thermoelectric Power Factor of Organic Nanocomposite Thin Films. RSC Adv. 2020, 10, 11800–11807. [Google Scholar] [CrossRef]
- Yemata, T.A.; Zheng, Y.; Kyaw, A.K.K.; Wang, X.; Song, J.; Chin, W.S.; Xu, J. Improved Thermoelectric Properties and Environmental Stability of Conducting PEDOT:PSS Films Post-Treated With Imidazolium Ionic Liquids. Front. Chem. 2020, 7, 870. [Google Scholar] [CrossRef]
- Wang, X.; Feng, Y.; Sun, K.; Chai, N.; Mai, B.; Li, S.; Chen, X.; Zhao, W.; Zhang, Q. Ultrafast Laser-Induced Excellent Thermoelectric Performance of PEDOT:PSS Films. ENERGY Environ. Mater. 2024, 7, e12650. [Google Scholar] [CrossRef]
- Wen, N.; Fan, Z.; Yang, S.; Zhao, Y.; Cong, T.; Xu, S.; Zhang, H.; Wang, J.; Huang, H.; Li, C.; et al. Highly Conductive, Ultra-Flexible and Continuously Processable PEDOT:PSS Fibers with High Thermoelectric Properties for Wearable Energy Harvesting. Nano Energy 2020, 78, 105361. [Google Scholar] [CrossRef]
- Li, J.; Wang, J.; Yang, X.; Dong, G.; Liu, Y.; Wang, Z.; Zhang, M.; Zuo, X.; Han, X.; Wu, C.; et al. Wet Spun Composite Fiber with an Ordered Arrangement of PEDOT:PSS-Coated Te Nanowires for High-Performance Wearable Thermoelectric Generator. Adv. Funct. Mater. 2024, 34, 2404195. [Google Scholar] [CrossRef]
- Yang, J.; Jia, Y.; Liu, Y.; Liu, P.; Wang, Y.; Li, M.; Jiang, F.; Lan, X.; Xu, J. PEDOT:PSS/PVA/Te Ternary Composite Fibers toward Flexible Thermoelectric Generator. Compos. Commun. 2021, 27, 100855. [Google Scholar] [CrossRef]
- Alhashmi Alamer, F.; Althagafy, K.; Alsalmi, O.; Aldeih, A.; Alotaiby, H.; Althebaiti, M.; Alghamdi, H.; Alotibi, N.; Saeedi, A.; Zabarmawi, Y.; et al. Review on PEDOT:PSS-Based Conductive Fabric. ACS Omega 2022, 7, 35371–35386. [Google Scholar] [CrossRef] [PubMed]
- Arimatsu, H.; Osada, Y.; Takagi, R.; Fujima, T. First-Principle Study on p-n Control of PEDOT-Based Thermoelectric Materials by PTSA Doping. Polymers 2021, 13, 3518. [Google Scholar] [CrossRef] [PubMed]
- Zhang, G.; Zhang, Y.-W. Strain Effects on Thermoelectric Properties of Two-Dimensional Materials. Mech. Mater. 2015, 91, 382–398. [Google Scholar] [CrossRef]
- Li, C.; Shan, C.; Luo, D.; Gu, X.; Le, Q.; Kyaw, A.K.K.; Dong, Z.; Sun, K.; Ouyang, J. Great Enhancement in the Seebeck Coefficient of PEDOT:PSS by Polaron Level Splitting via π–π Overlapping with Nonpolar Small Aromatic Molecules. Adv. Funct. Mater. 2024, 34, 2311578. [Google Scholar] [CrossRef]
- Liu, S.; Li, H.; He, C. Simultaneous Enhancement of Electrical Conductivity and Seebeck Coefficient in Organic Thermoelectric SWNT/PEDOT:PSS Nanocomposites. Carbon 2019, 149, 25–32. [Google Scholar] [CrossRef]
- Park, T.; Park, C.; Kim, B.; Shin, H.; Kim, E. Flexible PEDOT Electrodes with Large Thermoelectric Power Factors to Generate Electricity by the Touch of Fingertips. Energy Environ. Sci. 2013, 6, 788. [Google Scholar] [CrossRef]
- Choi, K.; Kim, S.L.; Yi, S.; Hsu, J.-H.; Yu, C. Promoting Dual Electronic and Ionic Transport in PEDOT by Embedding Carbon Nanotubes for Large Thermoelectric Responses. ACS Appl. Mater. Interfaces 2018, 10, 23891–23899. [Google Scholar] [CrossRef] [PubMed]







Disclaimer/Publisher’s Note: The statements, opinions and data contained in all publications are solely those of the individual author(s) and contributor(s) and not of MDPI and/or the editor(s). MDPI and/or the editor(s) disclaim responsibility for any injury to people or property resulting from any ideas, methods, instructions or products referred to in the content. |
© 2025 by the authors. Licensee MDPI, Basel, Switzerland. This article is an open access article distributed under the terms and conditions of the Creative Commons Attribution (CC BY) license (https://creativecommons.org/licenses/by/4.0/).
Share and Cite
Arimatsu, H.; Osada, Y.; Takagi, R.; Fujima, T. Giant Seebeck Effect in a PEDOT Material Coated on a Felt Fiber. Materials 2025, 18, 838. https://doi.org/10.3390/ma18040838
Arimatsu H, Osada Y, Takagi R, Fujima T. Giant Seebeck Effect in a PEDOT Material Coated on a Felt Fiber. Materials. 2025; 18(4):838. https://doi.org/10.3390/ma18040838
Chicago/Turabian StyleArimatsu, Hideki, Yuki Osada, Ryo Takagi, and Takuya Fujima. 2025. "Giant Seebeck Effect in a PEDOT Material Coated on a Felt Fiber" Materials 18, no. 4: 838. https://doi.org/10.3390/ma18040838
APA StyleArimatsu, H., Osada, Y., Takagi, R., & Fujima, T. (2025). Giant Seebeck Effect in a PEDOT Material Coated on a Felt Fiber. Materials, 18(4), 838. https://doi.org/10.3390/ma18040838

