Roles of Al and Mg on the Microstructure and Corrosion Resistance of Zn-Al-Mg Hot-Dipped Coated Steel
Abstract
1. Introduction
2. Materials and Methods
2.1. Materials
2.2. Corrosion Tests
2.3. Characterization
3. Results
3.1. Microstructure of ZM- and GI-Coated Steel
3.2. ZM- and GI-Coated Steel in NSST
3.2.1. Optical Photographs of the Coated Steel
3.2.2. Weight Loss Rate of the Coated Steel
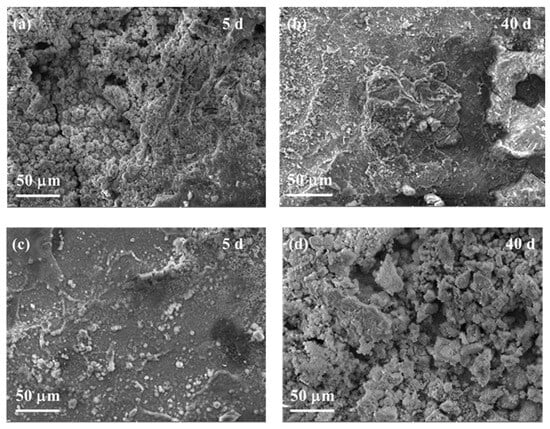
3.2.3. Evolution of the Coated Steel Structure and Composition
3.3. Corrosion Behavior of ZM- and GI-Coated Steel
3.3.1. Electrochemical Impedance Spectroscopy
3.3.2. Polarization Curves
3.3.3. SVET Measurement
4. Conclusions
- The addition of Mg and Al elements to the molten Zn bath results in the formation of MgZn2 alloy phases via eutectic reactions. This process generates binary eutectic (Zn/MgZn2) and ternary eutectic (Zn/Al/MgZn2).
- Polarization and electrochemical impedance spectroscopy results show that, after 168 h immersion in 3.5 wt.% NaCl solution, ZM-coated steel has a lower corrosion current, higher coating resistance (Rc), and charge transfer resistance (Rct) compared to GI-coated steel. The neutral salt spray test also demonstrated that ZM-coated steel exhibited a higher long-term corrosion resistance compared to GI-coated steel.
- SVET can distinguish anodic and cathodic sites on galvanized steel, providing precious local electrochemical information, i.e., the distribution of potential and current density on the surface. The presence of MgZn2 in the ZM coating refines the phase structure and improves uniformity, resulting in a low potential difference between the anodic and cathodic sites, and then the effective suppression of galvanic corrosion.
Author Contributions
Funding
Institutional Review Board Statement
Informed Consent Statement
Data Availability Statement
Conflicts of Interest
References
- Liu, Y.; Ooi, A.; Tada, E.; Nishikata, A. Electrochemical monitoring of the degradation of galvanized steel in simulated marine atmosphere. Corros. Sci. 2019, 147, 273–282. [Google Scholar] [CrossRef]
- Vera, R.; Araya, R.; Garín, C.; Ossandón, S.; Rojas, P. Study on the effect of atmospheric corrosion on mechanical properties with impact test: Carbon steel and Galvanized steel. Mater. Corros. 2019, 70, 1151–1161. [Google Scholar] [CrossRef]
- Liang, Y.; He, B.; Fu, G.; Wu, S.; Fan, B. Effects of ambient temperature and state of galvanized layer on corrosion of galvanized steel in high-humidity neutral atmosphere. Materials 2023, 16, 3656. [Google Scholar] [CrossRef] [PubMed]
- LeBozec, N.; Thierry, D.; Persson, D.; Riener, C.; Luckeneder, G. Influence of microstructure of zinc-aluminium-magnesium alloy coated steel on the corrosion behavior in outdoor marine atmosphere. Surf. Coat. Technol. 2019, 374, 897–909. [Google Scholar] [CrossRef]
- Lee, J.; Park, B.; Oh, S.; Yun, D.; Hwang, J.; Oh, M.; Kim, S. Mechanistic study on the cut-edge corrosion behaviors of Zn-Al-Mg alloy coated steel sheets in chloride containing environments. Corros. Sci. 2019, 160, 108170. [Google Scholar] [CrossRef]
- Kim, D.; Takata, N.; Yokoi, H.; Suzuki, A.; Kobashi, M. Microstructural factors controlling crack resistance of Zn–Al–Mg alloy coatings prepared via hot-dip galvanizing process: Combined approach of in-situ SEM observation with digital image correlation analysis. J. Mater. Technol. 2024, 29, 1535–1541. [Google Scholar] [CrossRef]
- Volovitch, P.; Vu, T.; Allély, C.; Aal, A.; Ogle, K. Understanding corrosion via corrosion product characterization: II. Role of alloying elements in improving the corrosion resistance of Zn–Al–Mg coatings on steel. Corros. Sci. 2011, 53, 2437–2445. [Google Scholar] [CrossRef]
- Guttmann, M. Diffusive phase transformations in hot dip galvanizing. Mater. Sci. Forum 1994, 155–156, 527–548. [Google Scholar] [CrossRef]
- Marder, A. The metallurgy of zinc-coated steel. Prog. Mater. Sci. 2000, 45, 191–271. [Google Scholar] [CrossRef]
- Zapico-Álvarez, D.; Bertrand, F.; Mataigne, J.; Giorgi, M. Nature of the inhibition layer in GA baths. Metall. Res. Technol. 2014, 111, 9–15. [Google Scholar] [CrossRef]
- Dou, B.; Li, X.; Han, J.; Ogle, K. Operando kinetics of hydrogen evolution and elemental dissolution I: The dissolution of galvanized steel in hydrochloric acid. Corros. Sci. 2023, 214, 111007. [Google Scholar] [CrossRef]
- Prosek, T.; Nazarov, A.; Le Gac, A.; Thierry, D. Coil-coated Zn-Mg and Zn-Al-Mg: Effect of climatic parameters on the corrosion at cut edges. Prog. Org. Coat. 2015, 83, 26–35. [Google Scholar] [CrossRef]
- Gogola, P.; Gabalcova, Z.; Kusy, M.; Suchanek, H. The Effect of Sn addition on Zn-Al-Mg alloy; Part I: Microstructure and phase composition. Materials 2021, 14, 5404. [Google Scholar] [CrossRef] [PubMed]
- Gabalcova, Z.; Gogola, P.; Kusy, M.; Suchanek, H. The Effect of Sn addition on Zn-Al-Mg Alloy; Part II: Corrosion behaviour. Materials 2021, 14, 5290. [Google Scholar] [CrossRef] [PubMed]
- Zhang, Z.; Zhang, J.; Zhao, X.; Cheng, X.; Jiang, S.; Zhang, Q. Effects of Al-Mg on the microstructure and phase distribution of Zn-Al-Mg coatings. Metals 2023, 13, 46. [Google Scholar] [CrossRef]
- Hu, D.; Song, S.; Zhang, Z.; Wang, L. Experimental study on corrosion resistance of Zn–Al–Mg alloy coating of high-strength steel wires for bridge cables. Anti-Corros. Methods Mater. 2023, 70, 459–468. [Google Scholar] [CrossRef]
- Zhang, Z.; Yue, Z.; Li, X.; Jiang, B.; Wang, F.; Fan, Z.; Yan, F.; Li, W.; Wu, Y.; Mi, C.; et al. Microstructure and corrosion resistance of Zn-Al-Mg alloy diffusion coating developed on carbon steel by hot dipping. Int. J. Electrochem. Sci. 2020, 15, 5512–5519. [Google Scholar] [CrossRef]
- Honda, K.; Yamada, W.; Ushioda, K. Solidification structure of the coating layer on hot-dip Zn-11% Al-3% Mg-0.2% Si-coated steel sheet. Mater. Trans. 2008, 49, 1395–1400. [Google Scholar] [CrossRef]
- Li, B.; Dong, A.; Zhu, G.; Chu, S.; Qian, H.; Hu, C.; Sun, B.; Wang, J. Investigation of the corrosion behaviors of continuously hot-dip galvanizing Zn-Mg coating. Surf. Coat. Technol. 2012, 206, 3989–3999. [Google Scholar] [CrossRef]
- Williams, G.; Birbilis, N.; McMurray, H. The source of hydrogen evolved from a magnesium anode. Electrochem. Commun. 2013, 36, 1–5. [Google Scholar] [CrossRef]
- Bastos, A.; Quevedo, M.; Karavai, O.; Ferreira, M. Review—On the application of the scanning vibrating electrode technique (SVET) to corrosion research. J. Electrochem. Soc. 2017, 164, C973. [Google Scholar] [CrossRef]
- ISO 9227:2006; Corrosion Tests in Artificial Atmospheres-Salt Spray Tests. International Organization for Standardization: Geneva, Switzerland, 2006.
- Azevedo, M.; Allély, C.; Ogle, K.; Volovitch, P. Corrosion mechanisms of Zn(Mg,Al) coated steel: 2. The effect of Mg and Al alloying on the formation and properties of corrosion products in different electrolytes. Corros. Sci. 2015, 90, 482–490. [Google Scholar] [CrossRef]
- Persson, D.; Prosek, T.; LeBozec, N.; Thierry, D.; Luckeneder, G. Initial SO2-induced atmospheric corrosion of ZnAlMg coated steel studied with in situ Infrared Reflection Absorption Spectroscopy. Corros. Sci. 2015, 90, 276–283. [Google Scholar] [CrossRef]
- Ding, C.; Ma, Z.; Liu, S.; Zhao, J.; Luo, Q.; Liu, H.; Zhang, J. Research on design and microstructure of hot-dip Zn-Al-Mg/Sn alloy. Mater. Charact. 2022, 185, 111746. [Google Scholar] [CrossRef]
- Schürz, S.; Fleischanderl, M.; Luckeneder, G.; Preis, K.; Haunschmied, T.; Mori, G.; Kneissl, A. Corrosion behaviour of Zn–Al–Mg coated steel sheet in sodium chloride-containing environment. Corros. Sci. 2009, 51, 2355–2363. [Google Scholar] [CrossRef]
- Ma, Y.; Li, Y.; Wang, F. Corrosion of low carbon steel in atmospheric environments of different chloride content. Corros. Sci. 2009, 51, 997–1006. [Google Scholar] [CrossRef]
- Cano, H.; Neff, D.; Morcillo, M.; Dillmann, P.; Diaz, I.; Fuente, D. Characterization of corrosion products formed on Ni 2.4 wt%–Cu 0.5 wt%–Cr 0.5 wt% weathering steel exposed in marine atmospheres. Corros. Sci. 2014, 87, 438–451. [Google Scholar] [CrossRef]
- Panchenko, Y.; Marshakov, A.; Igonin, T.; Kovtanyuk, V.; Nikolaeva, L. Long-term forecast of corrosion mass losses of technically important metals in various world regions using a power function. Corros. Sci. 2014, 88, 306–316. [Google Scholar] [CrossRef]
- Pan, J.; Wang, Y.; Yang, L.; Li, W.; Yang, D.; Dou, B.; Hu, C.; Lin, X. Effect of UV irradiation on the alternating wet and dry corrosion behavior of galvanized steel in sodium chloride solution. Crystals 2023, 13, 1195. [Google Scholar] [CrossRef]
- Schürz, S.; Luckeneder, G.; Fleischanderl, M.; Mack, P.; Gsaller, H.; Kneissl, A.; Mori, G. Chemistry of corrosion products on Zn–Al–Mg alloy coated steel. Corros. Sci. 2010, 52, 3271–3279. [Google Scholar] [CrossRef]
- Yang, Y.; Zhang, T.; Shao, Y.; Meng, G.; Wang, F. In situ study of dew point corrosion by electrochemical measurement. Corros. Sci. 2013, 71, 62–71. [Google Scholar] [CrossRef]
- Zhang, T.; Wang, D.; Shao, Y.; Meng, G.; Wang, F. A new criterion to determine the critical pitting temperature (CPT) based on electrochemical noise measurement. Corros. Sci. 2012, 58, 202–210. [Google Scholar] [CrossRef]
- Dou, B.; Wang, Y.; Zhang, T.; Liu, B.; Shao, Y.; Meng, G.; Wang, F. Growth behaviors of layered double hydroxide on microarc oxidation film and anti-corrosion performances of the composite film. J. Electrochem. Soc. 2016, 163, C917–C927. [Google Scholar] [CrossRef]
- Palcut, M.; Kaľavská, M.; Ďuriška, L.; Černičková, I.; Adamech, M. Corrosion behavior of Zn-Mg and Zn-Mg-Y alloys. AIP Conf. Proc. 2023, 2778, 040021. [Google Scholar] [CrossRef]












| Coatings | Thickness (μm) | Average Weight of Coating (g∙m−2) |
|---|---|---|
| Zn-Al-Mg (ZM) | 13.7 | 87 |
| Conventional galvanized (GI) | 16.1 | 104 |
| Label | Site | Chemical Compositions (wt.%) | |||||
|---|---|---|---|---|---|---|---|
| C | O | Mg | Al | Fe | Zn | ||
| ZM | I | 6.03 | 1.37 | 1.07 | 0.88 | 0.28 | 90.37 |
| II | 14.19 | 3.01 | 4.53 | 1.17 | 0.68 | 76.42 | |
| III | 7.05 | 2.52 | 3.79 | 4.68 | 0.72 | 81.24 | |
| GI | I | 3.80 | 2.55 | 0.00 | 0.12 | 0.27 | 93.26 |
| II | 7.66 | 4.32 | 0.00 | 0.15 | 0.85 | 87.02 | |
| Lable | Time (d) | Chemical Compositions (wt.%) | ||||||||
|---|---|---|---|---|---|---|---|---|---|---|
| C | N | O | Na | Mg | Al | Cl | Fe | Zn | ||
| GI | 5 | 8.19 | 2.78 | 26.94 | 4.12 | 0.00 | 0.00 | 6.34 | 1.92 | 49.68 |
| 40 | 4.94 | 1.98 | 25.12 | 0.00 | 0.00 | 0.00 | 0.09 | 64.84 | 2.83 | |
| ZM | 5 | 23.18 | 4.72 | 30.01 | 0.00 | 0.25 | 0.11 | 1.11 | 0.77 | 39.63 |
| 40 | 10.40 | 2.82 | 32.39 | 6.03 | 0.00 | 0.00 | 1.90 | 1.99 | 43.74 | |
| Coating | Time (h) | Rs (Ω·cm2) | Qc (Ω−1·cm−2·sn) | n1 | Rc (Ω·cm2) | Qdl (Ω−1·cm−2·sn) | n2 | Rct (Ω·cm2) |
|---|---|---|---|---|---|---|---|---|
| GI | 0.5 | 61 | 1.15 × 10−4 | 0.78 | 1049 | 7.89 × 10−4 | 0.87 | 1327 |
| 168 | 57 | 4.20 × 10−4 | 0.67 | 113 | 7.97 × 10−5 | 0.95 | 491 | |
| ZM | 0.5 | 30 | 2.34 × 10−5 | 0.81 | 1098 | 1.68 × 10−5 | 0.58 | 3580 |
| 168 | 59 | 4.46 × 10−4 | 0.72 | 945 | 3.56 × 10−4 | 0.74 | 1005 |
| Coating | Time (h) | Ecorr (V vs. SCE) | icorr (A∙cm−2) |
|---|---|---|---|
| GI-coated steel | 0.5 | −1.10 | 4.09 × 10−7 |
| 168 | −1.14 | 8.47 × 10−7 | |
| ZM-coated steel | 0.5 | −1.31 | 1.27 × 10−6 |
| 168 | −1.20 | 1.59 × 10−7 |
Disclaimer/Publisher’s Note: The statements, opinions and data contained in all publications are solely those of the individual author(s) and contributor(s) and not of MDPI and/or the editor(s). MDPI and/or the editor(s) disclaim responsibility for any injury to people or property resulting from any ideas, methods, instructions or products referred to in the content. |
© 2024 by the authors. Licensee MDPI, Basel, Switzerland. This article is an open access article distributed under the terms and conditions of the Creative Commons Attribution (CC BY) license (https://creativecommons.org/licenses/by/4.0/).
Share and Cite
Guo, T.; Wang, Y.; Yu, L.; Jin, Y.; Zeng, B.; Dou, B.; Liu, X.; Lin, X. Roles of Al and Mg on the Microstructure and Corrosion Resistance of Zn-Al-Mg Hot-Dipped Coated Steel. Materials 2024, 17, 1512. https://doi.org/10.3390/ma17071512
Guo T, Wang Y, Yu L, Jin Y, Zeng B, Dou B, Liu X, Lin X. Roles of Al and Mg on the Microstructure and Corrosion Resistance of Zn-Al-Mg Hot-Dipped Coated Steel. Materials. 2024; 17(7):1512. https://doi.org/10.3390/ma17071512
Chicago/Turabian StyleGuo, Taixiong, Yuhao Wang, Liusi Yu, Yongqing Jin, Bitao Zeng, Baojie Dou, Xiaoling Liu, and Xiuzhou Lin. 2024. "Roles of Al and Mg on the Microstructure and Corrosion Resistance of Zn-Al-Mg Hot-Dipped Coated Steel" Materials 17, no. 7: 1512. https://doi.org/10.3390/ma17071512
APA StyleGuo, T., Wang, Y., Yu, L., Jin, Y., Zeng, B., Dou, B., Liu, X., & Lin, X. (2024). Roles of Al and Mg on the Microstructure and Corrosion Resistance of Zn-Al-Mg Hot-Dipped Coated Steel. Materials, 17(7), 1512. https://doi.org/10.3390/ma17071512

