Propagation of a Fatigue Crack Through a Hole
Abstract
1. Introduction
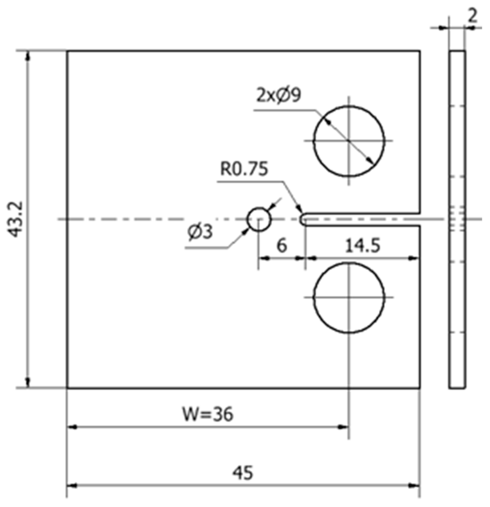
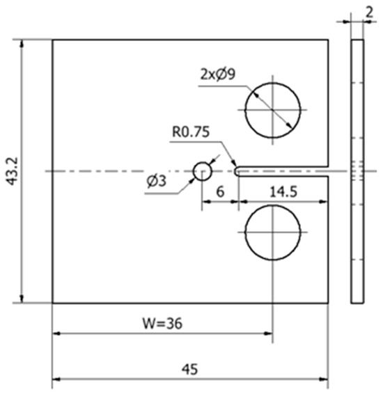
2. Experimental Work
2.1. Experimental Procedure
2.2. Experimental Results
3. Prediction of Re-Initiation Life
3.1. Methodology
3.2. Finite Element Analysis
3.3. Calculation of Initiation Life
4. Numerical Prediction of FCG
5. Conclusions
Author Contributions
Funding
Informed Consent Statement
Data Availability Statement
Conflicts of Interest
References
- Sharp, P.K.; Clayton, J.Q.; Clark, G. Retardation and Repair of Fatigue Cracks by Adhesive Infiltration. Fatigue Fract. Eng. Mater. Struct. 1997, 20, 605–614. [Google Scholar] [CrossRef]
- Shin, C.S.; Cai, C.Q. A model for evaluating the effect of fatigue crack repair by the infiltration method. Fatigue Fract. Eng. Mater. Struct. 2000, 23, 835–845. [Google Scholar] [CrossRef]
- Song, P.S.; Hwang, S.; Shin, C.S. Effect of artificial closure materials on crack growth retardation. Eng. Fract. Mech. 1998, 60, 47–58. [Google Scholar] [CrossRef]
- Song, P.S.; Sheu, B.C.; Chou, H.H. Deposition of plating metals to improve crack growth life. Int. J. Fatigue 2001, 23, 259–270. [Google Scholar] [CrossRef]
- Ayatollahi, M.R.; Hashemi, R. Mixed mode fracture in an inclined center crack repaired by composite patching. Compos. Struct. 2007, 81, 264–273. [Google Scholar] [CrossRef]
- Schubbe, J.J.; Mall, S. Investigation of a cracked thick aluminium panel repaired with a bonded composite patch. Eng. Fract. Mech. 1999, 63, 305–323. [Google Scholar] [CrossRef]
- Baker, A.A. Repair efficiency in fatigue-cracked aluminium components reinforced with boron/epoxy patches. Fatigue Fract. Eng. Mater. Struct. 1993, 16, 753–765. [Google Scholar] [CrossRef]
- Mendez, P.F.; Eagar, T.W. Penetration and Defect Formation in High-Current Arc Welding. Weld J. 2003, 82, 296–306. [Google Scholar]
- Liu, C.; Northwood, D.O.; Bhole, S.D. Tensile fracture behavior in CO2 laser beam welds of 7075-T6 aluminum alloy. Mater. Des. 2004, 25, 573–577. [Google Scholar] [CrossRef]
- Carlson, R.L.; Kardomateas, G.A.; Bates, P.R. The effects of overloads in fatigue crack growth. Int. J. Fatigue 1991, 13, 453–460. [Google Scholar] [CrossRef]
- Shin, C.S.; Hsu, S.H. On the mechanisms and behaviour of overload retardation in AISI 304 stainless steel. Int. J. Fatigue 1993, 15, 181–192. [Google Scholar] [CrossRef]
- Goto, M.; Miyagawa, H.; Nisitani, H. Crack growth arresting property of a hole and Brinell-type dimple. Fatigue Fract. Eng. Mater. Struct. 1996, 19, 39–49. [Google Scholar] [CrossRef]
- Song, P.S.; Sheu, G.L. Retardation of fatigue crack propagation by indentation technique. Int. J. Pres. Ves. Pip. 2002, 79, 725–733. [Google Scholar] [CrossRef]
- Lim, W.K.; Song, J.H.; Sankar, B.V. Effect of ring indentation on fatigue crack growth in an aluminum plate. Int. J. Fatigue 2003, 25, 1271–1277. [Google Scholar] [CrossRef]
- Nishimura, T. Experimental and numerical evaluation of crack arresting capability due to a dimple. J. Eng. Mater. Technol. 2005, 127, 244–250. [Google Scholar] [CrossRef]
- Ruzek, K.; Pavlas, J.; Doubrava, R. Application of indentation as a retardation mechanism for fatigue crack growth. Int. J. Fatigue 2012, 37, 92–99. [Google Scholar] [CrossRef]
- Buxbaum, O.; Huth, H. Expansion of cracked fastener holes as a measure for extension of lifetime to repair. Eng. Fract. Mech. 1987, 28, 689–698. [Google Scholar] [CrossRef]
- Ball, D.L.; Lowry, D.R. Experimental investigation on the effects of cold expansion of fastener holes. Fatigue Fract. Eng. Mater. Struct. 1998, 21, 17–34. [Google Scholar] [CrossRef]
- Ghfiri, R.; Amrouche, A.; Imad, A.; Mesmacque, G. Fatigue life estimation after crack repair in 6005 AT-6 aluminium alloy using the cold expansion hole technique. Fatigue Fract. Eng. Mater. Struct. 2000, 23, 911–916. [Google Scholar] [CrossRef]
- Fairand, B.P.; Clauer, A.H. Effect of water and paint coatings on the magnitude of laser-generated shocks. Opt. Commun. 1976, 18, 588–591. [Google Scholar] [CrossRef]
- Yang, J.M.; Her, Y.C.; Han, N.; Clauer, A. Laser shock peening on fatigue behavior of 2024-T3 Al alloy with fastener holes and stop holes. Mater. Sci. Eng. 2001, A298, 296–299. [Google Scholar] [CrossRef]
- Buchanan, D.J.; Shepard, M.J.; John, R. Emerald Article: Retained residual stress profiles in a laser shock peened and shot-peened nickel base superalloy subject to thermal exposure. Int. J. Struct. Integr. 2011, 2, 34–41. [Google Scholar] [CrossRef]
- Wang, S.; Li, Y.; Yao, M.; Wang, R. Compressive residual stress introduced by shot peening. J. Mater. Process. Tech. 1998, 73, 64–73. [Google Scholar] [CrossRef]
- Černy, I. Growth and retardation of physically short fatigue cracks in an aircraft Al-alloy after shot peening. Procedia Eng. 2011, 10, 3411–3416. [Google Scholar] [CrossRef]
- Liu, J. Numerical analysis for effects of shot peening on fatigue crack growth. Int. J. Fatigue 2013, 50, 101–108. [Google Scholar] [CrossRef]
- Ray, P.K.; Verma, B.B.; Mohanthy, P.K. Spot Heating Induced Fatigue Crack Growth Retardation. Int. J. Pres. Ves. Pip. 2002, 79, 373–376. [Google Scholar] [CrossRef]
- Ray, P.K.; Ray, P.K.; Verma, B.B. A study on spot heating induced fatigue crack growth retardation. Fatigue Fract. Eng. Mater. Struct. 2005, 28, 579–585. [Google Scholar] [CrossRef]
- Chen, B.D.; Griffiths, J.R.; Lam, Y.C. The Effects of Simultaneous Overload and Spot Heating on Crack Growth Retardation in Fatigue. Eng. Fract. Mech. 1993, 44, 567–572. [Google Scholar] [CrossRef]
- Song, P.S.; Shieh, Y.L. Stop drilling procedure for fatigue life improvement. Int. J. Fatigue 2004, 26, 1333–1339. [Google Scholar] [CrossRef]
- Wu, H.; Imad, A.; Benseddiq, N.; Castro, J.T.P.; Meggiolaro, M.A. On the prediction of the residual fatigue life of cracked structures repaired by the stop-hole method. Int. J. Fatigue 2010, 32, 670–677. [Google Scholar] [CrossRef]
- Aviation Maintenance Technician Handbook—Airframe, Vol. 1; Chapter 04; U.S. Department of transportation, Federal Aviation Administration, Flight Standards Service: Washington, DC, USA, 2012.
- Miki, C. Retrofitting Engineering for Fatigue Damaged Steel Structures. In IIW Collection; International Institute of Welding; Springer: New York, NY, USA, 2025; Available online: https://link.springer.com/book/9783031801457 (accessed on 1 October 2024).
- Repair of Bridge Structural Steel Elements Manual (Release 1.0). Technical Standards Branch. Alberta Transportation. 2004. Available online: http://www.transportation.alberta.ca/content/doctype30/production/rprbrstrstel.pdf (accessed on 1 October 2024).
- Makabe, C.; Murdani, A.; Kuniyoshi, K.; Irei, Y.; Saimoto, A. Crack-growth arrest by redirecting crack growth by drilling stop holes and inserting pins into them. Eng. Fail. Anal. 2009, 16, 475–483. [Google Scholar] [CrossRef]
- Shin, C.S.; Wang, C.M.; Song, P.S. Fatigue damage repair: A comparison of some possible methods. Int. J. Fatigue 1996, 18, 535–546. [Google Scholar] [CrossRef]
- Ghfiri, R.; Shi, H.; Guo, R.; Mesmacque, G. Effects of expanded and nonexpanded hole on the delay of arresting crack propagation for aluminum alloys. Mater. Sci. Eng. 2000, A286, 244–249. [Google Scholar] [CrossRef]
- Murdani, A.; Makabe, C.; Saimoto, A.; Kondo, R. A crack-growth arresting technique in aluminum alloy. Eng. Fail. Anal. 2008, 15, 302–310. [Google Scholar] [CrossRef]
- Fu, Z.; Ji, B.; Xie, S.; Liu, T. Crack stop holes in steel bridge decks: Drilling method and effects. J. Cent. South Univ. 2017, 24, 2372. [Google Scholar] [CrossRef]
- Hu, Y.; Song, M.; Liu, J.; Lei, M. Effects of stop hole on crack turning, residual fatigue life and crack tip stress field. J. Braz. Soc. Mech. Sci. Eng. 2020, 42, 216. [Google Scholar] [CrossRef]
- Bianchetti, C.; Lévesque, M.; Brochu, M. Probabilistic analysis of the effect of shot peening on the high and low cycle fatigue behaviors of AA 7050-T7451. Int. J. Fatigue 2018, 111, 289–298. [Google Scholar] [CrossRef]
- ASTM E647-22; Standard Test Method for Measurement of Fatigue Crack Growth Rates. American Society for Testing and Materials: West Conshohocken, PA, USA, 2022.
- Neto, D.M.; Antunes, F.V.; Sérgio, E.R.; Branco, R.; Camacho-Reyes, A.; Diaz, F.; Gómez Gonzales, G.L.; Vasco-Olmo, J. Numerical analysis of compliance and fatigue life of the CCC specimen. Int. J. Fatigue 2023, 170, 107496. [Google Scholar] [CrossRef]
- El Haddad, M.H.; Topper, T.H.; Smith, K.N. Prediction of non-propagating cracks. Eng. Fract. Mech. 1979, 11, 573–584. [Google Scholar] [CrossRef]
- Oliveira, M.C.; Alves, J.L.; Menezes, L.F. Algorithms and Strategies for Treatment of Large Deformation Frictional Contact in the Numerical Simulation of Deep Drawing Process. Arch. Comput. Meth. Eng. 2008, 15, 113–162. [Google Scholar] [CrossRef]
- Swift, H.W. Plastic instability under plane stress. J. Mech. Phys. Solids 1952, 1, 1–18. [Google Scholar] [CrossRef]
- Frederick, C.O.; Armstrong, P.J. A mathematical representation of the multiaxial Bauschinger effect. Mater. High Temp. 2007, 24, 1–26. [Google Scholar] [CrossRef]
- Jesus, J.S.; Antunes, F.V.; Prates, P.; Branco, R.; Antunes, P.V.; Borrego, L.P.; Neto, D.M. Influence of specimen orientation on fa-tigue crack growth in 7050-T7451 and 2050-T8 aluminium alloys. Int. J. Fatigue 2022, 164, 107136. [Google Scholar] [CrossRef]
- Hou, L.G.; Xiao, W.L.; Su, H.; Wu, C.M.; Eskin, D.G.; Katgerman, L.; Zhuang, L.Z.; Zhang, J.S. Room-temperature low-cycle fatigue and fracture behaviour of asymmetrically rolled high-strength 7050 aluminium alloy plates. Int. J. Fatigue 2021, 142, 105919. [Google Scholar] [CrossRef]
- Sharp, P.K.; Byrnes, R.; Clark, G. Examination of 7050 Fatigue Crack Growth Data and Its Effect on Life Prediction. DSTO-TN-0729, Australia. 1998. Available online: https://www.scribd.com/document/406623770/Experimental-Studies-Into-Short-Crack-Growth (accessed on 1 October 2024).
- Tong, D.; He, Y.; Benrun, H.; Bo, C.; Yanguang, Z. Effects of the specimen form on high cycle fatigue properties of 7050-T7451 and 2524-T3 aluminum alloys. IOP Conference Series. Mater. Sci. Eng. 2019, 768, 022044. [Google Scholar] [CrossRef]
- Miner, M.A. Cumulative damage in fatigue. J. Appl. Mech. 1954, 67, AI59–AI64. [Google Scholar] [CrossRef]
- Li, L.; Shen, L.; Proust, G. Fatigue crack initiation life prediction for aluminium alloy 7075 using crystal plasticity finite element simulations. Mech. Mat. 2015, 81, 84–93. [Google Scholar] [CrossRef]
- Borges, M.F.; Antunes, F.V.; Jesus, J.; Branco, R.; Prates, P.; Neto, D.M. Differences in fatigue crack growth between L-T and S-T orientations in an aluminium 7050-T7451 plate. Fatigue Fract. Eng. Mater. Struct. 2023, 46, 3274–3289. [Google Scholar] [CrossRef]
- Neto, D.M.; Sérgio, E.R.; Borges, M.F.; Borrego, L.P.; Antunes, F.V. Effect of load blocks on fatigue crack growth. Int. J. Fatigue 2022, 162, 107001. [Google Scholar] [CrossRef]
- Neto, D.M.; Pedro, J.; Borges, M.F.; Borrego, L.F.P.; Sérgio, E.R.; Antunes, F.V. Numerical prediction of fatigue crack growth based on cumulative plastic strain versus experimental results for AA6082-T6. Int. J. Fract. 2023, 240, 167–181. [Google Scholar] [CrossRef]









| Al | Cu | Cr | Mg | Mn | Ti | Si | Fe | Zn |
|---|---|---|---|---|---|---|---|---|
| Bal. | 2.17 | <0.01 | 2 | 0.01 | 0.04 | 0.04 | 0.06 | 6.67 |
| Density | Young Modulus | Yield Stress | Tensile Strength | Poisson Ratio |
|---|---|---|---|---|
| 2.75 g/cm3 | 71.7 GPa | 469 MPa | 524 MPa | 0.33 |
| Before the Hole | After the Hole | |
|---|---|---|
| Fmax | 650 N | 770 N |
| Fmin | 32.5 N | 38.5 N |
| ΔK | 6 MPa·√m | 12.49 MPa·√m |
| R | 0.05 | 0.05 |
| Material | Y0 | Cx | Xsat |
|---|---|---|---|
| L-T orientation | 357.93 | 378.64 | 183.24 |
| Young Modulus | σ′f | b | ε′f | c |
|---|---|---|---|---|
| 72 GPa | 808.86 MPa | −0.0873 | 70.858 | −1.4294 |
Disclaimer/Publisher’s Note: The statements, opinions and data contained in all publications are solely those of the individual author(s) and contributor(s) and not of MDPI and/or the editor(s). MDPI and/or the editor(s) disclaim responsibility for any injury to people or property resulting from any ideas, methods, instructions or products referred to in the content. |
© 2024 by the authors. Licensee MDPI, Basel, Switzerland. This article is an open access article distributed under the terms and conditions of the Creative Commons Attribution (CC BY) license (https://creativecommons.org/licenses/by/4.0/).
Share and Cite
Neto, D.; Jesus, J.; Branco, R.; Sérgio, E.; Antunes, F. Propagation of a Fatigue Crack Through a Hole. Materials 2024, 17, 6261. https://doi.org/10.3390/ma17246261
Neto D, Jesus J, Branco R, Sérgio E, Antunes F. Propagation of a Fatigue Crack Through a Hole. Materials. 2024; 17(24):6261. https://doi.org/10.3390/ma17246261
Chicago/Turabian StyleNeto, Diogo, Joel Jesus, Ricardo Branco, Edmundo Sérgio, and Fernando Antunes. 2024. "Propagation of a Fatigue Crack Through a Hole" Materials 17, no. 24: 6261. https://doi.org/10.3390/ma17246261
APA StyleNeto, D., Jesus, J., Branco, R., Sérgio, E., & Antunes, F. (2024). Propagation of a Fatigue Crack Through a Hole. Materials, 17(24), 6261. https://doi.org/10.3390/ma17246261

