Phase Field Simulation of the Effect of Second Phase Particles with Different Orientations on the Microstructure of Magnesium Alloys
Abstract
:1. Introduction
2. Model Description
3. Simulation Results
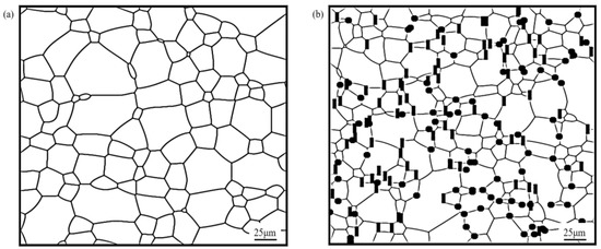
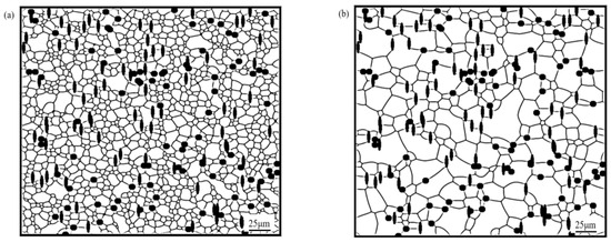
3.1. Different Shapes of Second Phase Particles
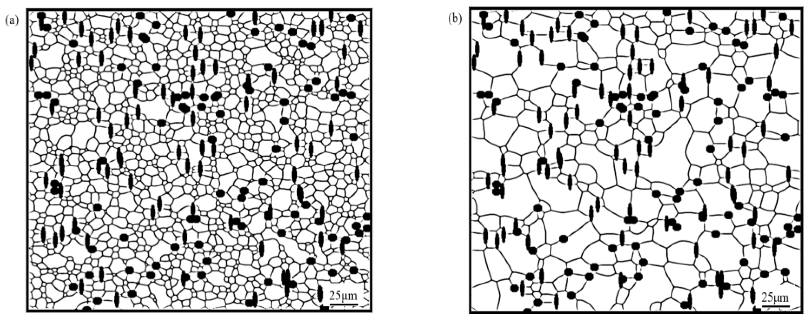
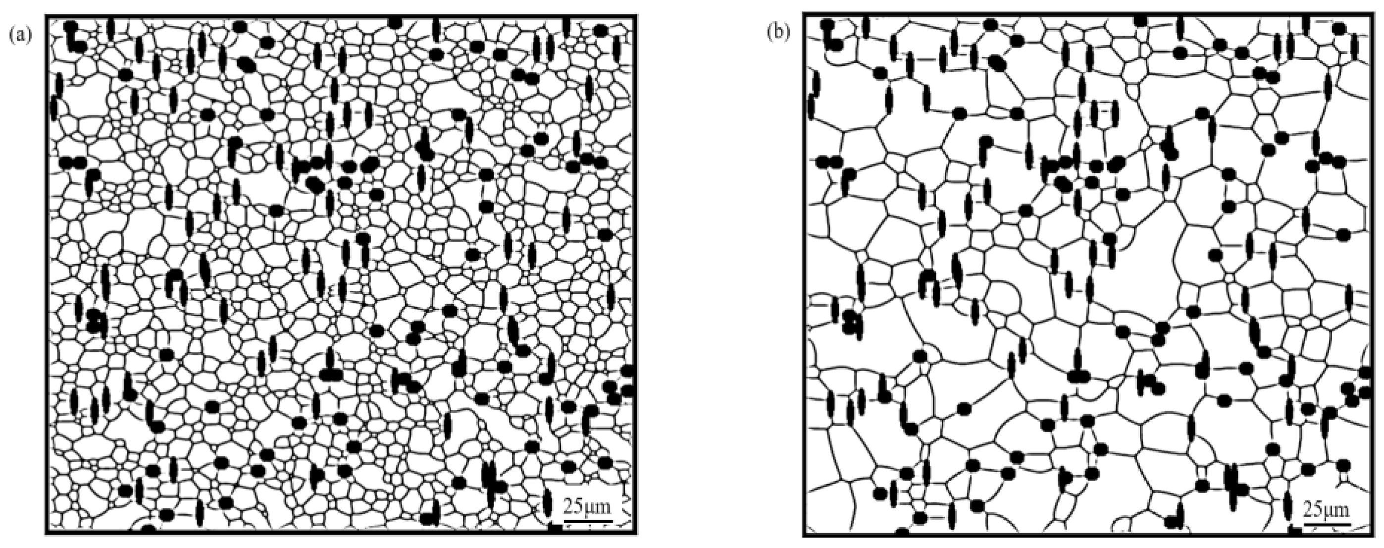
3.2. Effect of Spatial Arrangement Direction of Second Phase Particles
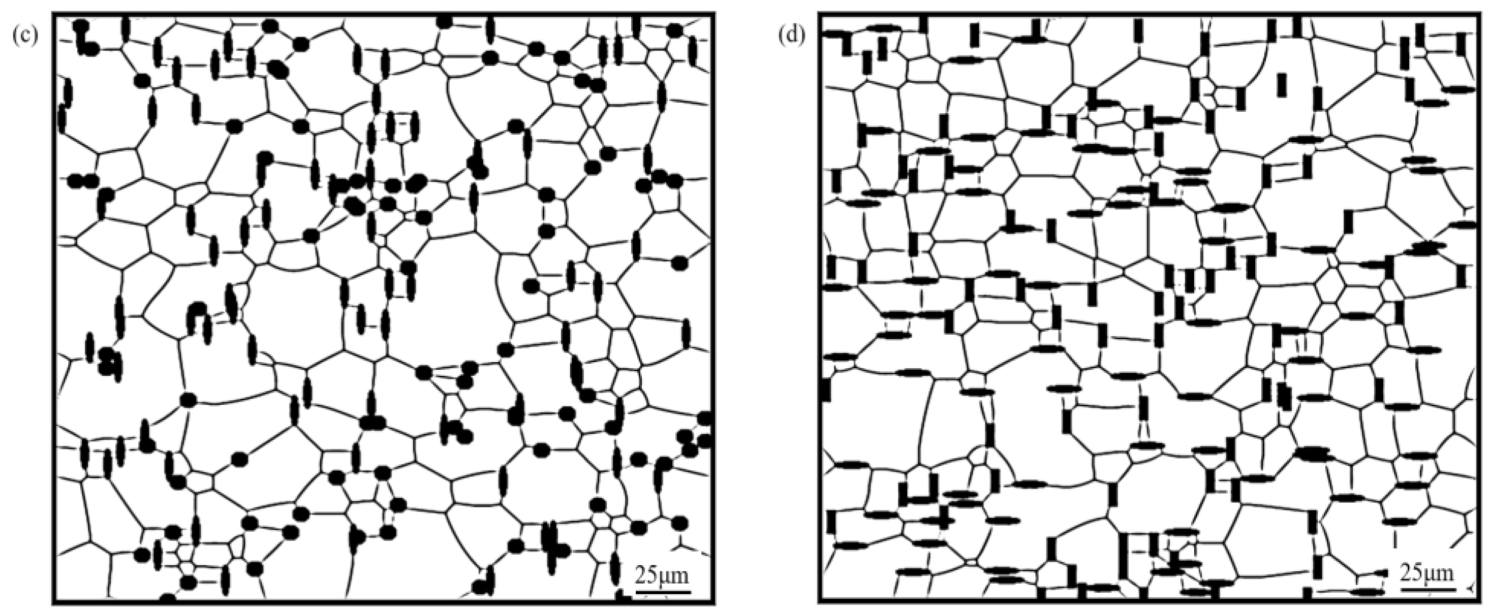
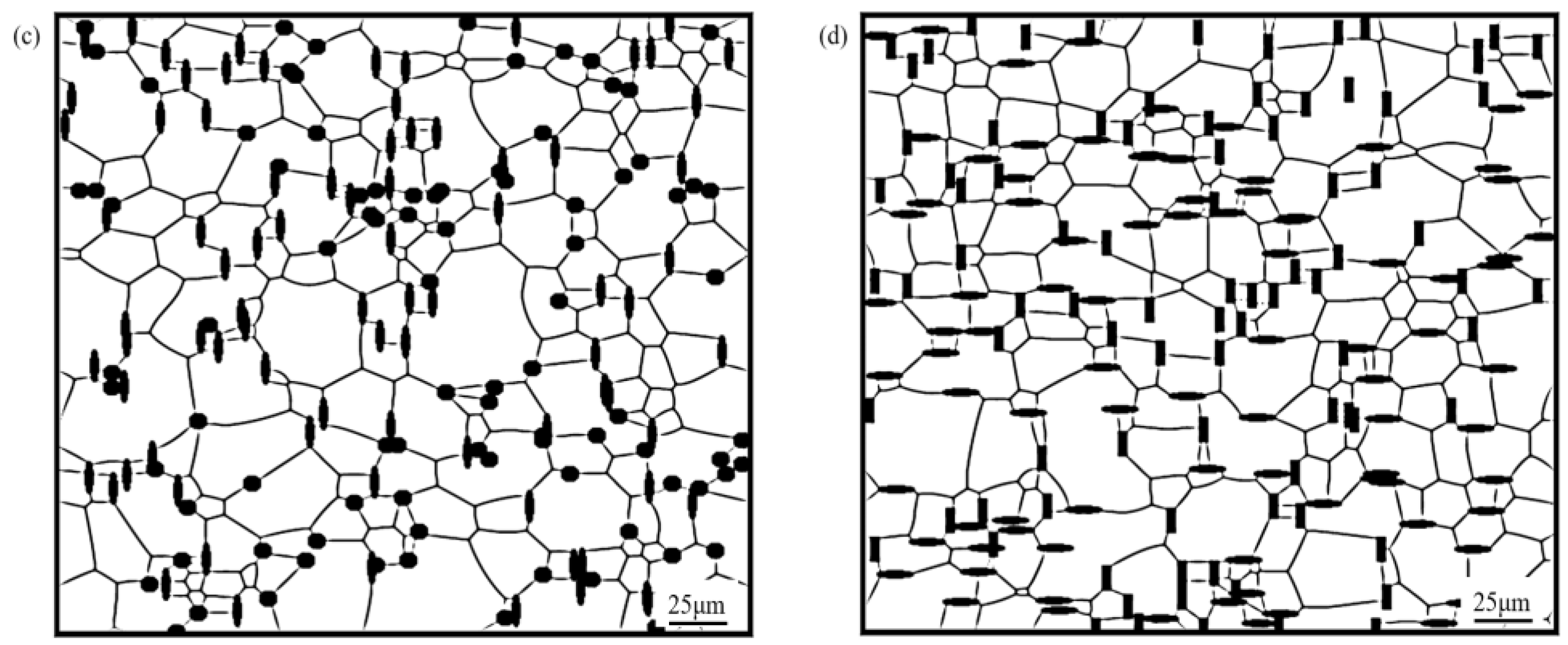
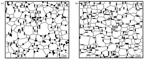
3.3. Effect of Mixing Shapes of Particles
4. Conclusions
- (1)
- The introduction of second phase particles had an obvious refining effect on the grain growth of AZ31 Mg alloy for fine grain strengthening;
- (2)
- When the content of the particles was certain, the effect of spherical particles on grain refinement was the weakest. The elliptical particles and rod-shaped particles exhibited similar refinement effects within 100 min;
- (3)
- The effect of the spatial arrangement direction of non-isometric elliptical particles on grain growth has been studied, and the results show that the spatial arrangement direction of the second phase particles had no significant effect on grain growth;
- (4)
- According to this study of the effect of adding different shapes of mixed particles with equal particle volume fractions into the microstructure, the lower the proportion of circular particles, the better the refinement effect of the particles on the microstructure.
Author Contributions
Funding
Institutional Review Board Statement
Informed Consent Statement
Data Availability Statement
Acknowledgments
Conflicts of Interest
References
- Wu, G.; Chen, Y.; Ding, W. Current Research, Application and Future Prospect of Magnesium Alloys in Aerospacce Industry. Manned Spacefl. 2016, 22, 281–292. [Google Scholar]
- Li, Z.; Pan, F.; Zhang, J. Present Research Status and Development Prospect of AZ31 Magnesium Alloy. Metal Form. Technol. 2004, 22, 54–57. [Google Scholar]
- Fu, J.; Du, W.; Jia, L.; Wang, Y.; Zhu, X.; Du, X. Cooling rate controlled basal precipitates and age hardening response of solid-soluted Mg–Gd–Er–Zn–Zr alloy. J. Magnes. Alloys 2021, 9, 1261–1271. [Google Scholar] [CrossRef]
- Kim, Y.; Lee, J.U.; Kim, Y.M.; Park, S.H. Microstructural evolution and grain growth mechanism of pre-twinned magnesium alloy during annealing. J. Magnes. Alloys 2021, 9, 1233–1245. [Google Scholar] [CrossRef]
- Jia, S.; Wang, Y.; Xiao, Y.; Wu, Y.; Peng, L.; Liu, J.; Liu, X. Research Progress of the Phase-field Simulation in Magnesium Alloy Microstructure. Mater. Rep. 2019, 33, 3306–3312. [Google Scholar]
- Feng, Y.; Chen, C.; Peng, C.; Wang, R. Research progress on magnesium matrix composites. Chin. J. Nonferrous Metals 2017, 27, 2385–2407. [Google Scholar]
- Poddar, P. Review of recent studies in magnesium matrix composites fabricated by stir casting. J. Metall. Mater. Sci. 2018, 60, 125–137. [Google Scholar]
- He, R.; Wang, M.; Jin, J.; Zong, Y. Effect of elastic strain energy on grain growth and texture in AZ31 magnesium alloy by phase-field simulation. Chin. Phys. B 2017, 26, 604–612. [Google Scholar] [CrossRef]
- Senuma, T. Present Status of and Future Prospects for Precipitation Research in the Steel Industry. ISIJ Int. 2002, 42, 1–12. [Google Scholar] [CrossRef]
- Zhang, Q.; Qi, L.; Li, H. Research progress on manufacture processes and interface of CNTs/Mg composites: A review. Mater. Sci. Technol. 2020, 28, 76–88. [Google Scholar]
- Wang, Z. Phase-Field Model for Grain Growth of Super-Alloy with Second Phase Particles under Annealing Treatment; Guangxi University: Nanning, China, 2015. [Google Scholar]
- Zhang, M. Study on Fine Grain Strengthening of Mg-Y-Sm-Zn Magnesium Alloy; Xi’an University of Architecture and Technology: Xi’an, China, 2019. [Google Scholar]
- Ma, J. Effect of Temperature on Mechanical Properties and Microstructure in Unidirectionally Compressed AZ31 Magnesium Alloy; Central Souta University: Changsha, China, 2013. [Google Scholar]
- Fan, C.; Guo, Q.; Li, B. Numerical Simulation of Grain Coarsening Based on Hot Forming Process for Metallic Materials. Hot Work. Technol. 2012, 41, 113–116. [Google Scholar]
- Wu, Y.; Zong, Y.; Jin, J. Grain growth in a nanostructured AZ31 Mg alloy containing second phase particles studied by phase filed simulation. Sci. China Mater. 2016, 59, 355–362. [Google Scholar] [CrossRef]
- Fan, Y.; Pan, J.; Wu, Z.; Li, B.; Wang, Z. A Method for Predicting the Corrosion Behavior of Structural Steel under Atmosphere. Buildings 2023, 13, 253. [Google Scholar] [CrossRef]
- Saucedo, L.; Marrow, T.J. Multi-scale damage modelling in a ceramic matrix composite using a finite-element microstructure meshfree methodology. Philos. Trans. Ser. A Math. Phys. Eng. Sci. 2016, 374, 20150276. [Google Scholar]
- Yu, Z.-M.; Peng, W.-F.; Zhang, X.; Oleksandr, M. Evolution of microstructure of aluminum alloy hollow shaft in cross wedge rolling without mandrel. J. Cent. South Univ. 2022, 29, 807–820. [Google Scholar] [CrossRef]
- Wang, H.; Liu, G. Verification of 3D Grain Growth Rate Equations with Large-Scale Potts Model Monte Carlo Simulation. Acta Metall. Sin. 2008, 44, 13–18. [Google Scholar]
- Liu, Z.; Zheng, Z.; Chen, D. Computer simulation of grain growth (II)—Influence of shape and orientation of second-phase particles on grain growth. Chin. J. Nonferrous Metals 2004, 14, 122–126. [Google Scholar]
- Wang, L. Monte Carlo Simulation of Grain Growth in the Heat-Affected-Zone of Laser Welding; Huazhong University of Science and Technology: Wuhan, China, 2004. [Google Scholar]
- Wang, R.; Wang, Y. Simulation and Experimental Verification of Grain Growth of H13 Steel Electron Beam Surface Treatment. In Proceedings of the International Conference on Mechatronics, Materials, Chemistry and Computer Engineering, Chongqing, China, 24–25 July 2017. [Google Scholar]
- Wu, Y.; Xiong, J.; Luo, Q.; Chen, J.; Zeng, R.; Wang, S. Estimation of the Critical Value of the Second-Phase Particles in the Microstructure of AZ31 Mg Alloy by Phase-Field Methods. Crystals 2022, 12, 1504. [Google Scholar] [CrossRef]
- Philip, S.; Arnab, M.; James, W.A.; Voorhees, P.W. Phase-field model for anisotropic grain growth. Acta Mater. 2022, 237, 118169. [Google Scholar]
- Yang, J.; Li, Y.; Lee, C.; Kim, J. Numerical simulations of the dynamics of axisymmetric compound liquid threads with a phase-field model. Eur. J. Mech.-B/Fluids 2021, 89, 203–216. [Google Scholar] [CrossRef]
- Li, D.; Zhang, J.; Deng, Z. Study on Effects of Reinforcement Particles on Microstructure in Laser Melt Casting Solidification by Phase-field Method. Hot Work. Technol. 2018, 47, 179–182. [Google Scholar]
- Shang, L.; Jung, I.H.; Yue, S.; Verma, R.; Essadiqi, E. An investigation of formation of second phases in microalloyed, AZ31 Mg alloys with Ca, Sr and Ce. J. Alloys Compd. 2009, 492, 173–183. [Google Scholar] [CrossRef]
- Gao, Y.; Zhang, H.; Jin, X.; Huang, C. Phase-Field Simulation of Two-Phase Grain Growth with Hard Particles. Acta Metall. Sin. 2009, 45, 1190–1198. [Google Scholar]
- Nes, E.; Ryum, N.; Hunderi, O. On the Zener drag. Acta Metall. 1985, 33, 11–12. [Google Scholar] [CrossRef]
- Ringer, S.P.; Li, W.B.; Easterling, K.E. On the interaction and pinning of grain boundaries by cubic shaped precipitate particles. Acta Metall. 1989, 37, 831–841. [Google Scholar] [CrossRef]
- Wang, X. Analytical Model for Grain Boundary Migration Pinned by Second-Phase Particle; Taiyuan University of Technology: Taiyuan, China, 2007. [Google Scholar]
- Zhao, Y.; Zhang, H.; Wei, H.; Zheng, Q.; Jin, T.; Sun, X. A Phase Field Study for Scaling Rules of Grain Coarsening in Poly Crystalline System Containing Second-Phase Particles. Acta Metall. Sin. 2013, 49, 981–988. [Google Scholar] [CrossRef]











| Rave = kt1/m + R0 | ||||
|---|---|---|---|---|
| k | R0 (μm) | m | R2 | |
| AZ31 magnesium alloy matrix | 1.89 | 1.29 | 2.07 | 0.99 |
| spherical particles f = 10% r = 2 μm | 13.16 | −11.16 | 6.85 | 0.99 |
| spherical particles f1 = 5% r = 2 μm; elliptical particles f2 = 5% a1 = 4 μm b1 = 1 μm | 12.27 | −9.55 | 8.12 | 0.99 |
| elliptical particles f = 5% a1 = 4 μm b1 = 1 μm | 22.73 | −20.90 | 10.88 | 0.99 |
Disclaimer/Publisher’s Note: The statements, opinions and data contained in all publications are solely those of the individual author(s) and contributor(s) and not of MDPI and/or the editor(s). MDPI and/or the editor(s) disclaim responsibility for any injury to people or property resulting from any ideas, methods, instructions or products referred to in the content. |
© 2023 by the authors. Licensee MDPI, Basel, Switzerland. This article is an open access article distributed under the terms and conditions of the Creative Commons Attribution (CC BY) license (https://creativecommons.org/licenses/by/4.0/).
Share and Cite
Wu, Y.; Xiong, J.; Wang, S.; Yang, J.; Wang, M. Phase Field Simulation of the Effect of Second Phase Particles with Different Orientations on the Microstructure of Magnesium Alloys. Materials 2023, 16, 6329. https://doi.org/10.3390/ma16186329
Wu Y, Xiong J, Wang S, Yang J, Wang M. Phase Field Simulation of the Effect of Second Phase Particles with Different Orientations on the Microstructure of Magnesium Alloys. Materials. 2023; 16(18):6329. https://doi.org/10.3390/ma16186329
Chicago/Turabian StyleWu, Yan, Jinlin Xiong, Shuo Wang, Junsheng Yang, and Mingtao Wang. 2023. "Phase Field Simulation of the Effect of Second Phase Particles with Different Orientations on the Microstructure of Magnesium Alloys" Materials 16, no. 18: 6329. https://doi.org/10.3390/ma16186329
APA StyleWu, Y., Xiong, J., Wang, S., Yang, J., & Wang, M. (2023). Phase Field Simulation of the Effect of Second Phase Particles with Different Orientations on the Microstructure of Magnesium Alloys. Materials, 16(18), 6329. https://doi.org/10.3390/ma16186329

