Numerical Strength Analysis of Laser-Welded Differential Housing and Gear Considering Residual Stress
Abstract
1. Introduction
2. Experiment
2.1. Laser-Welding Parameters and Preparation of Specimen
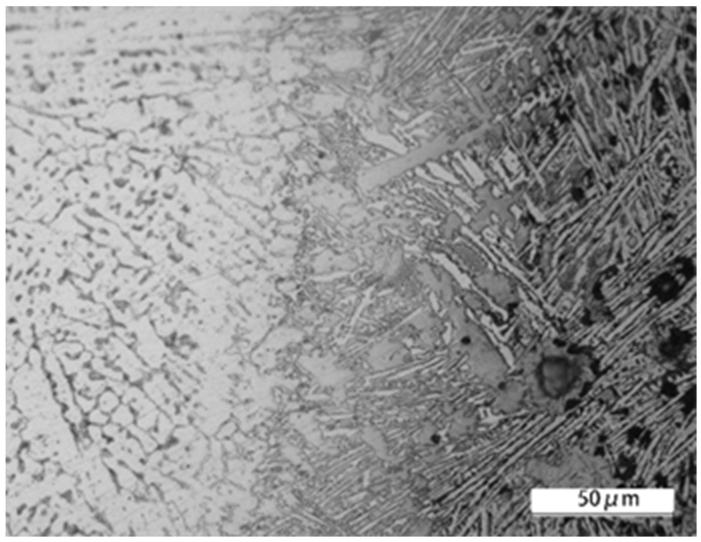
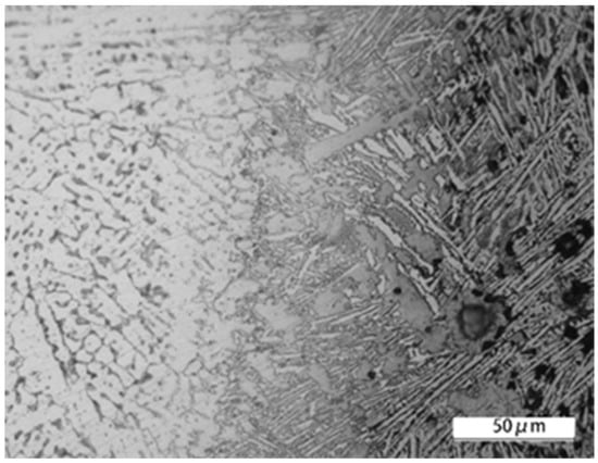
2.2. Elements Distribution and Microstructure
3. Simulation of Residual Stress
3.1. Geometric Modeling
3.2. Heat Source Model
3.3. Boundary Conditions
3.4. Coordinate Transformation
3.5. Simulation of Welding and Static-Pressing Process
4. Dynamic Strength Estimation
5. Conclusions
Author Contributions
Funding
Institutional Review Board Statement
Informed Consent Statement
Data Availability Statement
Conflicts of Interest
References
- Lee, C.M.; Woo, W.S.; Baek, J.T.; Kim, E.J. Laser and arc manufacturing processes: A review. Int. J. Precis. Eng. Manuf. 2016, 17, 973–985. [Google Scholar] [CrossRef]
- Chen, M.H.; Li, X.Y.; Liu, L.M. Effect of electric field on interaction between laser and arc plasma in laser-arc hybrid welding. IEEE Trans. Plasma Sci. 2012, 40, 2045–2050. [Google Scholar] [CrossRef]
- Bunaziv, I.; Akselsen, O.M.; Salminen, A.; Unt, A. Fiber laser-MIG hybrid welding of 5 mm 5083 aluminum alloy. J. Mater. Process. Technol. 2016, 233, 107–114. [Google Scholar] [CrossRef]
- Bagger, C.; Olsen, F.O. Review of laser hybrid welding. J. Laser Appl. 2004, 17, 2–14. [Google Scholar] [CrossRef]
- Wen, G.F.; Cui, S.H.; Sheng, H.J.; Liu, X.H. Research on the application of welded differential in pure electric vehicles. Automot. Manuf. 2023, 683, 54–56. [Google Scholar]
- Ribic, B.; Palmer, T.A.; Debroy, T. Problems and issues in laser-arc hybrid welding. Int. Mater. Rev. 2009, 54, 223–244. [Google Scholar] [CrossRef]
- Atabaki, M.M.; Ma, J.; Yang, G.; Kovacevic, R. Hybrid laser arc welding of advanced high strength steel in different butt joint configurations. Mater. Des. 2014, 64, 573–587. [Google Scholar] [CrossRef]
- Acherjee, B. Hybrid laser arc welding: State-of-art review. Opt. Laser Technol. 2018, 99, 60–71. [Google Scholar] [CrossRef]
- Kim, J.S.; Kim, N.P.; Han, S.H. Experimental study on the structural safety assessment of the tilting bolster frame. Key Eng. Mater. 2006, 321–323, 603–606. [Google Scholar] [CrossRef]
- Karhu, M.; Kujanpää, V.; Romu, J.; Sarikka, T. Metallurgical response of weld metal to different filler metal and joint design combinations of laser-arc hybrid welded lean duplex and novel ferritic stainless steels. J. Laser Appl. 2016, 28, 022422. [Google Scholar] [CrossRef]
- Zeng, H.L.; Xu, Y.B.; Wang, C.J.; He, J. Research on laser-arc hybrid welding technology for long-distance pipeline construction. China Weld. 2018, 27, 53–58. [Google Scholar]
- Zhang, C.; Li, G.; Gao, M.; Zeng, X. Microstructure and mechanical properties of narrow gap laser-arc hybrid welded 40 mm thick mild steel. Materials 2017, 10, 106. [Google Scholar] [CrossRef]
- Sui, Z.Q.; Qi, Y.C.; Wang, J.L.; Fang, J. Effects of welding processes on microstructure and corrosion resistance of weld metal of corrosion resistant it ship plate steel DH36. Mater. Mech. Eng. 2016, 40, 61–65. [Google Scholar]
- Sun, J.M.; Hensel, J.; Klaseen, J.; Nitschke-Pagel, T.; Dilger, K. Solid-state phase transformation and strain hardening on the residual stresses in S355 steel weldments. J. Mater. Process. Technol. 2019, 265, 173–184. [Google Scholar] [CrossRef]
- Youtsos, A.; Katsareas, D.E. Residual stress prediction in dissimilar metal weld pipe joints using the finite element method. Mater. Sci. Forum 2005, 6, 53–61. [Google Scholar]
- Deng, D.; Ogawa, K.; Kiyoshima, S.; Yanagida, N.; Saito, K. Prediction of residual stresses in a dissimilar metal welded pipe with considering cladding, buttering and post weld heat treatment. Comput. Mater. Sci. 2009, 47, 398–408. [Google Scholar] [CrossRef]
- Duan, X.C. Titanium Steel Heterogeneous Metal Electron Beam Welding Temperature Field and Stress Field Simulation Study. Ph.D. Thesis, Harbin Institute of Technology, Harbin, China, 2011. [Google Scholar]
- Phanikumar, G.; Dutta, P. Computational modeling of laser welding of Cu-Ni dissimilar couple. Metall. Mater. Trans. B 2004, 35, 339–350. [Google Scholar] [CrossRef]
- Xue, Z.Q. Fluid Dynamics Simulation of Copper-Aluminum Heterogeneous Metal Laser Welding Pool and Weld Tissue Characterization. Ph.D. Thesis, Tianjin University, Tianjin, China, 2013. [Google Scholar]
- ISO 4136: 2001; Destructive tests on welds in metallic materials-Transverse tensile test, IDT. National Welding Standardization Technical Committee: Harbin, China, 2008.
- Chen, Y.; Li, L.; Fang, J.; Feng, X.; Wu, L. Temperature field simulation of laser-TIG hybrid welding. China Weld. 2003, 12, 62–66. [Google Scholar]
- Liu, L.; Chi, M.; Song, G.; Wang, J.F. Laser-TIG composite heat source welding of magnesium alloy modeling and numerical simulation of heat source of magnesium alloy. Chin. J. Mech. Eng. 2006, 42, 82–86. [Google Scholar] [CrossRef]
- Ma, Y.S. Finite Element Analysis and Structural Optimization Design of Motor-Reducer Integrated Housing. Ph.D. Thesis, University of Technology, Zibo, China, 2020. [Google Scholar]



















| C | Si | Mn | P | S | Cr | Mg | Ni | Fe | |
|---|---|---|---|---|---|---|---|---|---|
| OT600 | 3.6–3.8 | 2.4–2.8 | 0.3–0.5 | ≤0.1 | ≤0.035 | - | 0.04–0.05 | - | Bal |
| 20MnCr5 | 0.17–0.22 | ≤0.25 | 1.1–1.5 | ≤0.035 | ≤0.035 | 1–1.3 | ≤0.15 | - | Bal |
| Weld wire | ≤0.1 | ≤0.5 | 2.5–3.5 | ≤0.04 | ≤0.04 | 18–22 | - | ≥67 | ≤3.0 |
| /s | /J | /mm | /mm | /mm | /mm | /kg/m3 | J/(kg °C) | W/(m·K) | |
|---|---|---|---|---|---|---|---|---|---|
| 3000 | 1200 | 0.003 | 0.006 | 0.003 | 0.003 | 7600 | 450 | 35 | 0.8 |
| /N | /N | /N | |
|---|---|---|---|
| Forward running | 19,565 | −7191 | 2749.7 |
| Reverse running | −19,565 | −7191 | −2749.7 |
| Start-up condition | 25,434 | −9360 | 3561 |
Disclaimer/Publisher’s Note: The statements, opinions and data contained in all publications are solely those of the individual author(s) and contributor(s) and not of MDPI and/or the editor(s). MDPI and/or the editor(s) disclaim responsibility for any injury to people or property resulting from any ideas, methods, instructions or products referred to in the content. |
© 2023 by the authors. Licensee MDPI, Basel, Switzerland. This article is an open access article distributed under the terms and conditions of the Creative Commons Attribution (CC BY) license (https://creativecommons.org/licenses/by/4.0/).
Share and Cite
Wang, L.; Ni, Z.; Xiao, Y.; Li, Y.; Liu, X.; Chen, Y.; Cui, S.; Zhang, D.; Mi, C.; He, Q. Numerical Strength Analysis of Laser-Welded Differential Housing and Gear Considering Residual Stress. Materials 2023, 16, 4721. https://doi.org/10.3390/ma16134721
Wang L, Ni Z, Xiao Y, Li Y, Liu X, Chen Y, Cui S, Zhang D, Mi C, He Q. Numerical Strength Analysis of Laser-Welded Differential Housing and Gear Considering Residual Stress. Materials. 2023; 16(13):4721. https://doi.org/10.3390/ma16134721
Chicago/Turabian StyleWang, Liuping, Zhengshun Ni, Yingang Xiao, Yongqiang Li, Xianghuan Liu, Yongzhi Chen, Shuanghao Cui, Dejun Zhang, Chengji Mi, and Quanguo He. 2023. "Numerical Strength Analysis of Laser-Welded Differential Housing and Gear Considering Residual Stress" Materials 16, no. 13: 4721. https://doi.org/10.3390/ma16134721
APA StyleWang, L., Ni, Z., Xiao, Y., Li, Y., Liu, X., Chen, Y., Cui, S., Zhang, D., Mi, C., & He, Q. (2023). Numerical Strength Analysis of Laser-Welded Differential Housing and Gear Considering Residual Stress. Materials, 16(13), 4721. https://doi.org/10.3390/ma16134721

