Microstructure and Hardness of Hollow Tube Shells at Piercing in Two-High Screw Rolling Mill with Different Plugs
Abstract
1. Introduction
2. Materials and Methods
2.1. Casting of Ingots
2.2. Two-High Screw Rolling
2.3. Microstructure Investigation
2.4. Hardness Measurement
3. Results and Discussion
4. Conclusions
- The average grain size of the hollow shells decreases by order of magnitude (up to 20 times) compared to the non-pierced billet. Notably, the hollow shells’ grains (subgrains) are elongated in the piercing direction. The elongated chains of dynamically recrystallized grains, 5–10 μm size, with rough edges, are visible near the subgrain boundaries.
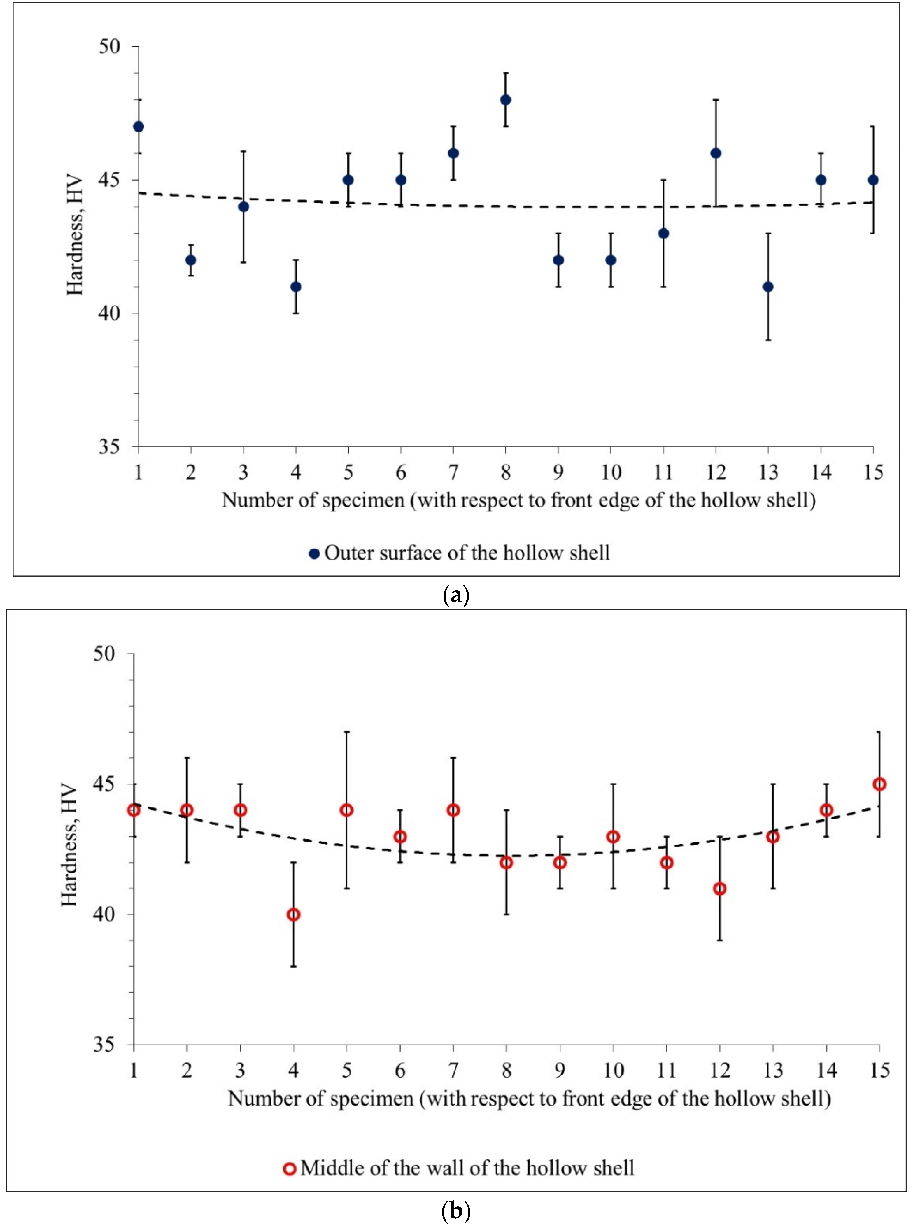
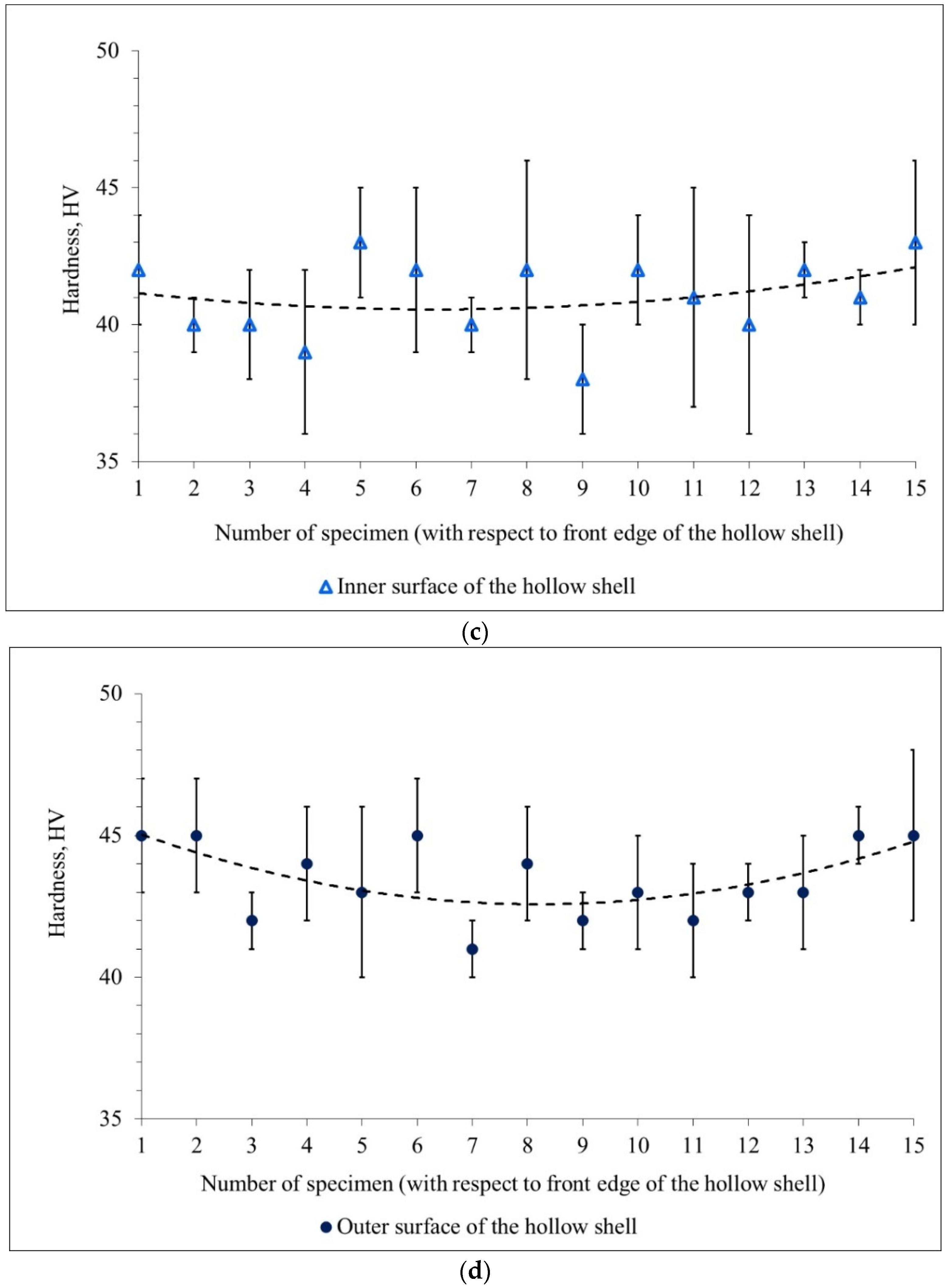
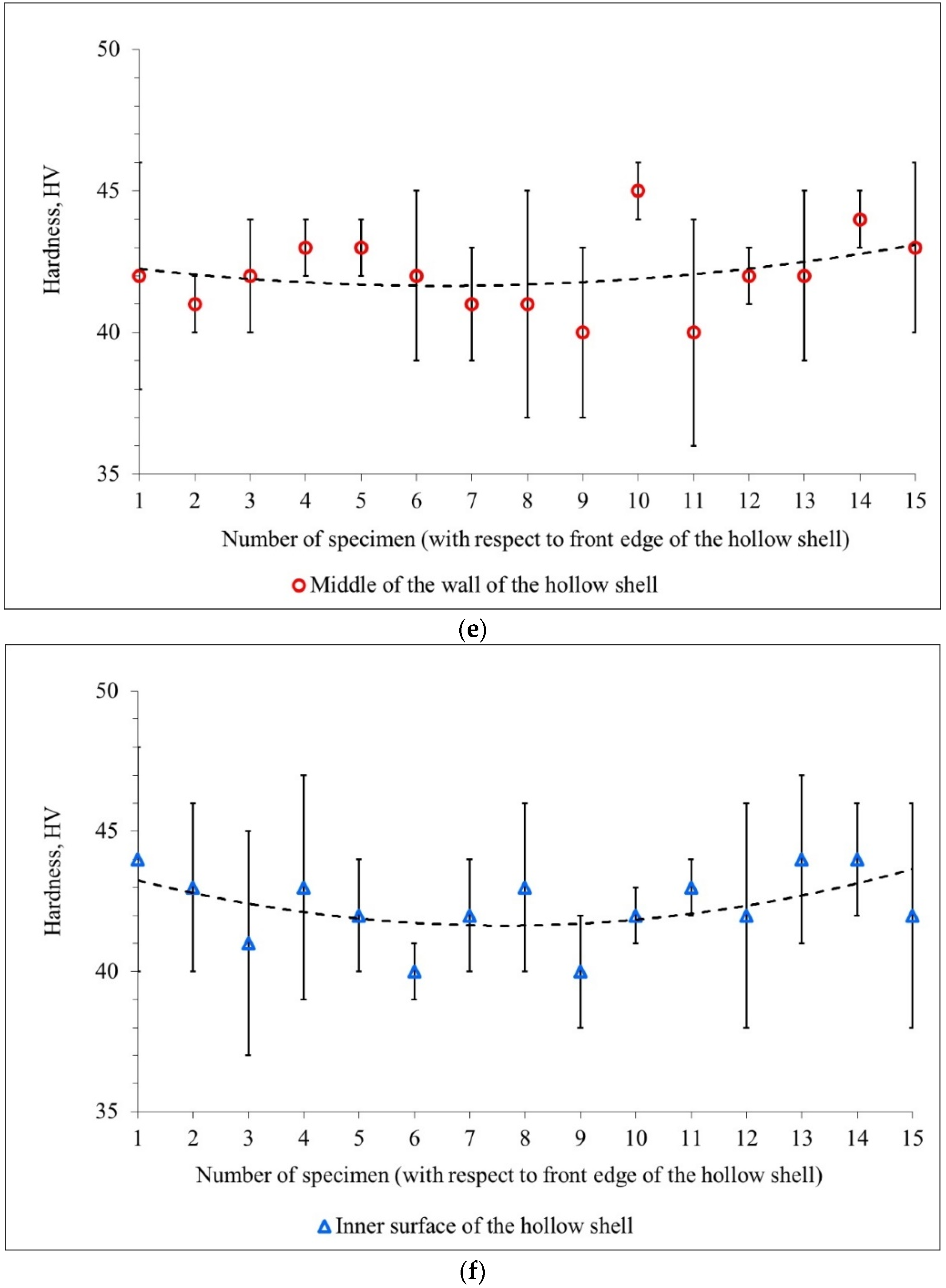
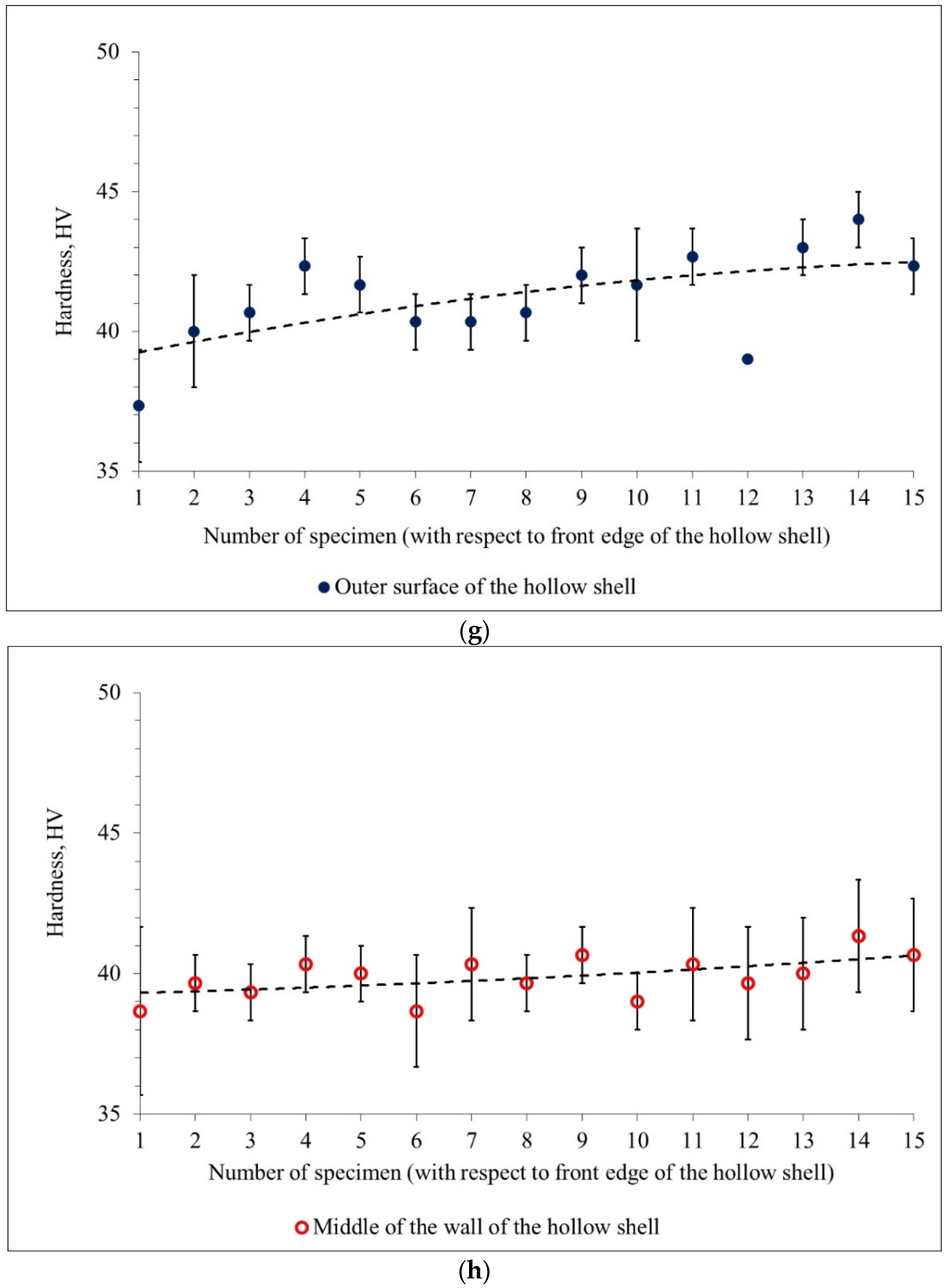
- The hardness for all hollow shells decreases from the outer surface to the inner surface. The mean value of hardness is the highest after the entire plug piercing (44 HV), followed by the plug with a cavity piercing (42–43 HV), then the hollow plug piercing (40–41 HV), and the mean value is the lowest for the non-pierced billet (33 HV).
- The hardness measurements for the cross and longitudinal sections of the hollow shells reveal a common trend; namely, the hardness decreases from the outer surface to the inner surface of the hollow shell.
- The experiments demonstrated that the traditional entire plug allows the achievement of the highest values of hardness and, hence, the highest material strength of all three investigated piercing cases. The hollow plug provides the most uniform hardness distribution through the hollow shells’ volume. Hence, it is possible to deduce that when metal only flows between the rolls and plug (as in the entire plug case), one can gain higher hardness and, hence, strength, but with a decrease in hardness distribution uniformity. Whereas, when metal not only flows between the rolls and plug, but also inside the plug, the uniformity of hardness distribution is higher, but the hardness values are less compared to those achieved with the traditional entire plug. For the plug with a cavity, the outcome is somewhere between those for the entire plug and the hollow plug. The estimated effect of plug construction on the hollow shell’s properties is important. Even though a hollow shell is a semi-finished product, it sufficiently defines the properties of the final seamless tube, which is produced from the hollow shell by an elongation process. Hence, plug construction is sufficient, in terms of defining the quality of the final seamless tubes.
Author Contributions
Funding
Institutional Review Board Statement
Informed Consent Statement
Data Availability Statement
Conflicts of Interest
References
- Romantsev, B.A.; Goncharuk, A.V.; Vavilkin, N.M.; Samusev, S.V. Pipe Manufacture; Izdatelskiy Dom MISiS: Moscow, Russia, 2011. (In Russian) [Google Scholar]
- Berazategui, D.; Cavaliere, M.; Montelatici, L.; Dvorkin, E. On the modelling of complex 3D bulk metal forming processes via the pseudo-concentrations technique. Application to the simulation of the Mannesmann piercing process. Int. J. Numer. Methods Eng. 2006, 65, 1113–1144. [Google Scholar] [CrossRef]
- Gamin, Y.; Romantsev, B.; Pashkov, A.; Patrin, P.; Bystrov, I.; Fomin, A.; Kadach, M. Obtaining Hollow Semifinished Products Based on Copper Alloys for Electrical Purposes by Means of Screw Rolling. Russ. J. Non-Ferr. Met. 2020, 61, 162–171. [Google Scholar] [CrossRef]
- Orlov, D.; Goncharuk, A.; Kobelev, O.; Komarnitskaya, O.; Bunits, N. Analysis of pipe piercing on PRP 70–270 with FEM modeling. Izv. Vysshikh Uchebnykh Zaved. Chernaya Metall. 2020, 63, 848–855. [Google Scholar] [CrossRef]
- Orlov, D.; Gamin, Y.; Goncharuk, A.; Romantscev, B. Development and Investigation of Piercing Process Using Cooled Guide Shoes. Metallurgist 2021, 65, 389–399. [Google Scholar] [CrossRef]
- Parfenov, V.; Shelest, A.; Khesuani, Y.; Yusupov, V.; Chepurin, M. Piercing of Continuous-Cast Billet on Two-Roller Screw Mills with Liners. Steel Transl. 2019, 49, 194–197. [Google Scholar] [CrossRef]
- Darki, S.; Raskatov, E. Study of the rollers geometry effects in rotary tube piercing and wear analyses of mandrel according to the finite element method. Proc. Inst. Mech. Eng. Part E 2021, 235, 1676–1684. [Google Scholar] [CrossRef]
- Fernandes, M.; Marouf, N.; Montmitonnet, P.; Mocellin, K. Impact of the Different Friction Coefficients on the Tools on the Mechanics of the Mannesmann 2-roll Tube Piercing. ISIJ Int. 2020, 60, 2917–2926. [Google Scholar] [CrossRef]
- Pater, Z.; Kazanecki, J. Complex Numerical Analysis of the Tube Forming Process Using Diescher Mill. Arch. Metall. Mater. 2013, 58, 717–724. [Google Scholar] [CrossRef][Green Version]
- Pater, Z.; Kazanecki, J.; Bartnicki, J. Three-dimensional thermo-mechanical simulation of the tube forming process in Diescher’s mill. J. Mater. Process. Technol. 2006, 177, 167–170. [Google Scholar] [CrossRef]
- Murillo-Marrodan, A.; Garcia, E.; Cortes, F. A Study of Friction Model Performance in a Skew Rolling Process Numerical Simulation. Int. J. Simul. Model. 2018, 17, 569–582. [Google Scholar] [CrossRef]
- Pater, Z.; Bartnicki, J.; Kazanecki, K. 3D Finite Elements Method (Fem) Analysis of Basic Process Parameters in Rotary Piercing Mill. Metalurgija 2012, 51, 501–504. [Google Scholar]
- Yoshida, M.; Barlat, F.; Moon, Y.; Lee, M. 3D FEM Simulation of Rolling Load Working on Piercer Plug in Mannesmann Piercing Process. AIP Conf. Proc. 2010, 1252, 1333–1338. [Google Scholar]
- Murillo-Marrodán, A.; García, E.; Barco, J.; Cortés, F. Analysis of Wall Thickness Eccentricity in the Rotary Tube Piercing Process Using a Strain Correlated FE Model. Metals 2020, 10, 1045. [Google Scholar] [CrossRef]
- Erman, E. The effect of processing parameters on the propensity for central fracturing in piercing. JApMw 1987, 4, 331–341. [Google Scholar] [CrossRef]
- Chastel, Y.; Diop, A.; Fanini, S.; Bouchard, P.; Mocellin, K. Finite Element Modeling of Tube Piercing and Creation of a Crack. Int. J. Mater. Form. 2008, 1, 355–358. [Google Scholar] [CrossRef]
- Lu, L.; Jia, Z. Shear stresses and velocity analysis of piercing process in Diescher’s mill using Finite Element Method. In Proceedings of the 2016 International Forum on Mechanical, Control and Automation, Shenzhen, China, 30–31 December 2016; pp. 753–757. [Google Scholar]
- Toporov, V.; Bogatov, A.; Nukhov, D. Study of the Tubular Billets Geometric Characteristics during Computer Simulation of the Rotary Piercing Process. Mater. Sci. Forum. 2019, 946, 788–793. [Google Scholar] [CrossRef]
- Wang, M.; Ma, D.; Liu, Z.; Zhou, J.; Chi, H.; Dai, J. Effect of Nb on Segregation, Primary Carbides and Toughness of H13 Steel. Acta Metall Sin. 2014, 50, 285–293. [Google Scholar]
- Davydov, A.; Zhitenev, A.; Alhimenko, A.; Devyaterikova, N.; Laev, K. Causes of Structural Heterogeneity in High-Strength OCTG Tubes and Minimizing Their Impact on Sulfide Stress Corrosion Cracking Resistance. Metals 2021, 11, 1843. [Google Scholar] [CrossRef]
- Murillo-Marrodán, A.; García, E.; Barco, J.; Cortés, F. Application of an Incremental Constitutive Model for the FE Analysis of Material Dynamic Restoration in the Rotary Tube Piercing Process. Materials 2020, 13, 4289. [Google Scholar] [CrossRef]
- Zhang, Z.; Liu, D.; Yang, Y.; Wang, J.; Zheng, Y.; Zhang, F. Microstructure evolution of nickel-based superalloy with periodic thermal parameters during rotary tube piercing process. Int. J. Adv. Manuf. Technol. 2019, 104, 3991–4006. [Google Scholar] [CrossRef]
- Zhang, Z.; Liu, D.; Li, Z.; Zhang, Y.; Zhang, R.; Yang, Y.; Pang, Y.; Wang, J. Study on the shear-torsion deformation of rotary tube piercing process for nickel base superalloy. J. Mater. Process. Technol. 2021, 295, 117–153. [Google Scholar] [CrossRef]
- Zhang, Z.; Liu, D.; Yang, Y.; Zheng, Y.; Pang, Y.; Wang, J.; Wang, H. Explorative study of rotary tube piercing process for producing titanium alloy thick-walled tubes with bi-modal microstructure. Arch. Civ. Mech. Eng. 2018, 18, 1451–1463. [Google Scholar] [CrossRef]
- Skripalenko, M.M.; Romantsev, B.A.; Bazhenov, V.E.; Tran, B.H.; Skripalenko, M.N.; Galkin, S.P.; Savonkin, M.B.; Gladkov, Y.A. Computer Simulation of Mannesmann Piercing of Aluminum Alloy Ingots. Russ. J. Non-Ferr. Met. 2019, 60, 27–34. [Google Scholar] [CrossRef]
- Skripalenko, M.N.; Bazhenov, V.E.; Romantsev, B.A.; Skripalenko, M.N.; Huy, T.B.; Gladkov, Y.A. Mannesmann piercing of ingots by plugs of different shapes. Mater. Sci. Technol. 2016, 32, 1712–1720. [Google Scholar] [CrossRef]
- Hansen, N. Hall–Petch relation and boundary strengthening. Scr. Mater. 2004, 51, 801–806. [Google Scholar] [CrossRef]















| Range, HV | Mean Value, HV | Variance, HV2 | |
|---|---|---|---|
| Entire plug | 11 | 44.3 | 8.1 |
| Plug with a cavity | 12 | 42.1 | 9.8 |
| Hollow plug | 9 | 40.5 | 4.3 |
| Range, HV | Mean Value, HV | Variance, HV2 | |
|---|---|---|---|
| Entire plug | 10 | 42.7 | 4.5 |
| Plug with a cavity | 5 | 42.6 | 2.1 |
| Hollow plug | 8 | 40.0 | 2.4 |
Publisher’s Note: MDPI stays neutral with regard to jurisdictional claims in published maps and institutional affiliations. |
© 2022 by the authors. Licensee MDPI, Basel, Switzerland. This article is an open access article distributed under the terms and conditions of the Creative Commons Attribution (CC BY) license (https://creativecommons.org/licenses/by/4.0/).
Share and Cite
Skripalenko, M.M.; Rogachev, S.O.; Romantsev, B.A.; Bazhenov, V.E.; Skripalenko, M.N.; Danilin, A.V. Microstructure and Hardness of Hollow Tube Shells at Piercing in Two-High Screw Rolling Mill with Different Plugs. Materials 2022, 15, 2093. https://doi.org/10.3390/ma15062093
Skripalenko MM, Rogachev SO, Romantsev BA, Bazhenov VE, Skripalenko MN, Danilin AV. Microstructure and Hardness of Hollow Tube Shells at Piercing in Two-High Screw Rolling Mill with Different Plugs. Materials. 2022; 15(6):2093. https://doi.org/10.3390/ma15062093
Chicago/Turabian StyleSkripalenko, Mikhail M., Stanislav O. Rogachev, Boris A. Romantsev, Viacheslav E. Bazhenov, Mikhail N. Skripalenko, and Andrei V. Danilin. 2022. "Microstructure and Hardness of Hollow Tube Shells at Piercing in Two-High Screw Rolling Mill with Different Plugs" Materials 15, no. 6: 2093. https://doi.org/10.3390/ma15062093
APA StyleSkripalenko, M. M., Rogachev, S. O., Romantsev, B. A., Bazhenov, V. E., Skripalenko, M. N., & Danilin, A. V. (2022). Microstructure and Hardness of Hollow Tube Shells at Piercing in Two-High Screw Rolling Mill with Different Plugs. Materials, 15(6), 2093. https://doi.org/10.3390/ma15062093

