Sintering Behavior of Bi-Material Micro-Component of 17-4PH Stainless Steel and Yttria-Stabilized Zirconia Produced by Two-Component Micro-Powder Injection Molding Process
Abstract
:1. Introduction
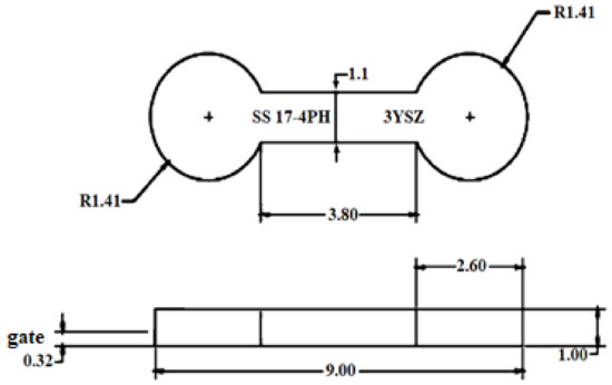
2. Materials and Methods
3. Results and Discussion
4. Conclusions
Author Contributions
Funding
Institutional Review Board Statement
Informed Consent Statement
Data Availability Statement
Acknowledgments
Conflicts of Interest
References
- Tay, B.Y.; Liu, A.; Loh, N.H.; Tor, S.B.; Murakoshi, Y.; Maeda, R. Characterization of metallic micro rod arrays fabricated by µMIM. Mater. Charact. 2006, 57, 80–85. [Google Scholar] [CrossRef]
- Liu, L.; Loh, N.H.; Tay, B.Y.; Tor, S.B.; Murakoshi, Y.; Maeda, R. Micro powder injection molding: Sintering kinetics of microstructured components. Scr. Mater. 2006, 55, 1103–1106. [Google Scholar] [CrossRef]
- Ruprecht, R.; Gietzelt, T.; Müller, K.; Piotter, V.; Haußelt, J. Injection molding of microstructured components from plastics, metals and ceramics. Microsyst. Technol. 2002, 8, 351–358. [Google Scholar] [CrossRef]
- Han, J.S.; Gal, C.W.; Kim, J.H.; Park, S.J. Fabrication of high-aspect-ratio micro piezoelectric array by powder injection molding. Ceram. Int. 2016, 42, 9475–9481. [Google Scholar] [CrossRef]
- Choi, J.-P.; Park, J.-S.; Hong, E.-J.; Lee, W.-S.; Lee, J.-S. Analysis of the rheological behavior of Fe trimodal micro-nano powder feedstock in micro powder injection molding. Powder Technol. 2017, 319, 253–260. [Google Scholar] [CrossRef]
- Meng, J.; Loh, N.H.; Tay, B.Y.; Tor, S.B.; Fu, G.; Khor, K.A.; Yu, L. Pressureless spark plasma sintering of alumina micro-channel part produced by micro powder injection molding. Scr. Mater. 2011, 64, 237–240. [Google Scholar] [CrossRef]
- Liu, L.; Gao, Y.Y.; Qi, X.T.; Qi, M.X. Effects of wall slip on ZrO2 rheological behavior in micro powder injection molding. Ceram. Int. 2018, 44, 16282–16294. [Google Scholar] [CrossRef]
- Ruh, A.; Hanemann, T.; Heldele, R.; Piotter, V.; Ritzhaupt-kleissl, H.-J.; Hausselt, J. Development of two-component micropowder injection molding (2C MicroPIM): Characteristics of applicable materials. Int. J. Appl. Ceram. Technol. 2011, 8, 194–202. [Google Scholar] [CrossRef]
- Imgrund, P.; Rota, A.; Wiegmann, M. Getting better bonding at tiny interfaces. Met. Powder Rep. 2007, 62, 31–34. [Google Scholar] [CrossRef]
- Imgrund, P.; Rota, A.; Simchi, A. Microinjection moulding of 316L/17-4PH and 316L/Fe powders for fabrication of magnetic-nonmagnetic bimetals. J. Mater. Process. Technol. 2008, 200, 259–264. [Google Scholar] [CrossRef]
- Piotter, V.; Finnah, G.; Zeep, B.; Ruprecht, R.; Hausselt, J. Metal and ceramic micro components made by powder injection molding. Mater. Sci. Forum 2007, 534–536, 373–376. [Google Scholar] [CrossRef]
- Basir, A.; Sulong, A.B.; Jamadon, N.H.; Muhamad, N. Bi-material micro-part of stainless steel and zirconia by two-component micro-powder injection molding: Rheological properties and solvent debinding behavior. Metals 2020, 10, 595. [Google Scholar] [CrossRef]
- Oliveira, R.V.B.; Soldi, V.; Fredel, M.C.; Pires, A.T.N. Ceramic injection moulding: Influence of specimen dimensions and temperature on solvent debinding kinetics. J. Mater. Process. Technol. 2005, 160, 213–220. [Google Scholar] [CrossRef]
- You, W.-K.; Choi, J.-P.; Yoon, S.-M.; Lee, J.-S. Low temperature powder injection molding of iron micro-nano powder mixture. Powder Technol. 2012, 228, 199–205. [Google Scholar] [CrossRef]
- Manman, Z.; Liang, Q.; Jingwu, Z.; Yao, Y.; Jing, Y.; Wangchang, L.; Shenglei, C. Investigation of the solvent debinding in the injection molding of ZrO2 ceramics using LDPE, HDPE and wax binders. Ceram. Int. 2019, 45, 3894–3901. [Google Scholar]
- Samanta, S.K.; Chattopadhyay, H.; Godkhindi, M.M. Thermo-physical characterization of binder and feedstock for single and multiphase flow of PIM 316L feedstock. J. Mater. Process. Technol. 2011, 211, 2114–2122. [Google Scholar] [CrossRef]
- Yemisci, I.; Mutlu, O.; Gulsoy, N.; Kunal, K.; Atre, S.; Gulsoy, H.O. Experimentation and analysis of powder injection molded Ti10Nb10Zr alloy: A promising candidate for electrochemical and biomedical application. J. Mater. Process. Technol. 2019, 8, 5233–5245. [Google Scholar] [CrossRef]
- Basir, A.; Sulong, A.B.; Jamadon, N.H.; Muhamad, N. Feedstock properties and debinding mechanism of yttria-stabilized zirconia/stainless steel 17-4PH micro-components fabricated via two-component micro-powder injection molding process. Ceram. Int. 2021, 47, 20476–20485. [Google Scholar] [CrossRef]
- Muñoz, M.C.; Gallego, S.; Beltrán, J.I.; Cerdá, J. Adhesion at metal–ZrO2 interfaces. Surf. Sci. Rep. 2006, 61, 303–344. [Google Scholar] [CrossRef]
- Emeka, U.B.; Sulong, A.B.; Muhamad, N.; Sajuri, Z.; Salleh, F. Two component injection molding of bi-material of stainless steel and yttria stabilized zirconia—Green part. J. Kejuruteraan 2017, 29, 49–55. [Google Scholar] [CrossRef]
- Arifin, A.; Sulong, A.B.; Muhamad, N.; Syarif, J.; Ramli, M.I. Powder injection molding of HA/Ti6Al4V composite using palm stearin as based binder for implant material. Mater. Des. 2015, 65, 1028–1034. [Google Scholar] [CrossRef]
- Quinard, C.; Song, J.; Barriere, T.; Gelin, J.C. Elaboration of PIM feedstocks with 316L fine stainless steel powders for the processing of micro-components. Powder Technol. 2011, 208, 383–389. [Google Scholar] [CrossRef] [Green Version]
- Moghadam, M.S.; Fayyaz, A.; Ardestani, M. Fabrication of titanium components by low-pressure powder injection moulding using hydride-dehydride titanium powder. Powder Technol. 2021, 377, 70–79. [Google Scholar] [CrossRef]
- Emeka, U.B.; Sulong, A.B.; Muhamad, N.; Sajuri, Z. Solvent de-binding of bi-material green component of two-component powder injection moulded stainless steel and zirconia. Int. J. Mech. Mechatron. Eng. 2018, 18, 96–104. [Google Scholar]
- Foudzi, F.M.; Muhamad, N.; Sulong, A.B.; Zakaria, H. Yttria stabilized zirconia formed by micro ceramic injection molding: Rheological properties and debinding effects on the sintered part. Ceram. Int. 2013, 39, 2665–2674. [Google Scholar] [CrossRef]
- Fayyaz, A.; Muhamad, N.; Sulong, A.B. Microstructure and physical and mechanical properties of micro cemented carbide injection moulded components. Powder Technol. 2018, 326, 151–158. [Google Scholar] [CrossRef]
- Rota, A.; Duong, T.V.; Hartwing, T. Micro powder metallurgy for the replicative production of metallic microstructures. Microsyst. Technol. 2002, 8, 323–325. [Google Scholar] [CrossRef]
- Yang, W.-W.; Yang, K.-Y.; Wang, M.-C.; Hon, M.-H. Solvent debinding mechanism for alumina injection molded compacts with water-soluble binders. Ceram. Int. 2003, 29, 745–756. [Google Scholar] [CrossRef]
- Ramli, M.I.; Sulong, A.B.; Muhamad, N.; Muchtar, A.; Zakaria, M.Y. Effect of sintering on the microstructure and mechanical properties of alloy titanium-wollastonite composite fabricated by powder injection moulding process. Ceram. Int. 2019, 45, 11648–11653. [Google Scholar] [CrossRef]
- German, R.M. Progress in titanium metal powder injection molding. Materials 2013, 6, 3641–3662. [Google Scholar] [CrossRef]
- Ani, S.M.; Muchtar, A.; Muhamad, N.; Ghani, J.A. Kesan suhu pensinteran terhadap sifat mekanik dan mikrostruktur alumina-zirkonia yang difabrikasi dengan kaedah pengacuan suntikan seramik. Sains Malays. 2017, 46, 1979–1986. [Google Scholar] [CrossRef]
- Heaney, D.F. Handbook of Metal Injection Molding; Woodhead Publishing: Cambridge, UK, 2012. [Google Scholar]
- Ruh, A.; Piotter, V.; Plewa, K.; Ritzhaupt-Kleissl, H.-J.; Hausselt, J. Development of two-component micropowder injection molding (2C-MicroPIM)—process development. Int. J. Appl. Ceram. Technol. 2011, 8, 610–616. [Google Scholar] [CrossRef]
- Piotter, V.; Gietzelt, T.; Merz, L. Micro powder-injection moulding of metals and ceramics. Sadhana 2003, 28, 299–306. [Google Scholar] [CrossRef] [Green Version]
- Heldele, R.; Schulz, M.; Kauzlaric, D.; Korvink, J.G.; Haußelt, J. Micro powder injection molding: Process characterization and modeling. Microsyst. Technol. 2006, 12, 941–946. [Google Scholar] [CrossRef]
- Firouzdor, V.; Simchi, A.; Kokabi, A.H. An investigation of the densification and microstructural evolution of M2/316L stepwise graded composite during co-sintering. J. Mater. Sci. 2008, 43, 55–63. [Google Scholar] [CrossRef]
- Simchi, A.; Petzoldt, F. Cosintering of powder injection molding parts made from ultrafine WC-Co and 316L stainless steel powders for fabrication of novel composite structures. Metall. Mater. Trans. A 2010, 41, 233–241. [Google Scholar] [CrossRef]
- Baumann, A.; Mortiz, T.; Lenk, R. Multi component powder injection moulding of metal-ceramic-composites. In Proceedings of the Euro PM 2009, Copenhagen, Denmark, 12–14 October 2009. [Google Scholar]
- Firouzdor, V.; Simchi, A. Co-sintering of M2/17-4PH powders for fabrication of functional graded composite layers. J. Compos. Mater. 2010, 44, 417–435. [Google Scholar] [CrossRef]
- Fayyaz, A.; Muhamad, N.; Sulong, A.B.; Rajabi, J.; Wong, Y.N. Fabrication of cemented tungsten carbide components by micro-powder injection moulding. J. Mater. Process. Technol. 2014, 214, 1436–1444. [Google Scholar] [CrossRef]













| Binders | Content (wt%) | Chemical Designation | Melting Temperature (°C) | Range of Decomposition (°C) |
|---|---|---|---|---|
| Palm stearin | 60 | CH3(CH2)14COOH | 49.8 | 355.8–465.9 |
| LDPE | 40 | (C2H4)n | 109.2 | 397.8–501.4 |
| Melt Temperature (°C) | Mold Temperature (°C) | Injection Pressure (bar) | Injection Time (s) | Holding Pressure (bar) |
|---|---|---|---|---|
| 180 | 65 | 10 | 7 | 10 |
| Sintering Temperature (°C) | Relative Density (%) |
|---|---|
| 1250 | 94.6 |
| 1300 | 98.5 |
| 1350 | 99.0 |
Publisher’s Note: MDPI stays neutral with regard to jurisdictional claims in published maps and institutional affiliations. |
© 2022 by the authors. Licensee MDPI, Basel, Switzerland. This article is an open access article distributed under the terms and conditions of the Creative Commons Attribution (CC BY) license (https://creativecommons.org/licenses/by/4.0/).
Share and Cite
Basir, A.; Sulong, A.B.; Jamadon, N.H.; Muhamad, N. Sintering Behavior of Bi-Material Micro-Component of 17-4PH Stainless Steel and Yttria-Stabilized Zirconia Produced by Two-Component Micro-Powder Injection Molding Process. Materials 2022, 15, 2059. https://doi.org/10.3390/ma15062059
Basir A, Sulong AB, Jamadon NH, Muhamad N. Sintering Behavior of Bi-Material Micro-Component of 17-4PH Stainless Steel and Yttria-Stabilized Zirconia Produced by Two-Component Micro-Powder Injection Molding Process. Materials. 2022; 15(6):2059. https://doi.org/10.3390/ma15062059
Chicago/Turabian StyleBasir, Al, Abu Bakar Sulong, Nashrah Hani Jamadon, and Norhamidi Muhamad. 2022. "Sintering Behavior of Bi-Material Micro-Component of 17-4PH Stainless Steel and Yttria-Stabilized Zirconia Produced by Two-Component Micro-Powder Injection Molding Process" Materials 15, no. 6: 2059. https://doi.org/10.3390/ma15062059
APA StyleBasir, A., Sulong, A. B., Jamadon, N. H., & Muhamad, N. (2022). Sintering Behavior of Bi-Material Micro-Component of 17-4PH Stainless Steel and Yttria-Stabilized Zirconia Produced by Two-Component Micro-Powder Injection Molding Process. Materials, 15(6), 2059. https://doi.org/10.3390/ma15062059

