Shell-to-Beam Numerical Homogenization of 3D Thin-Walled Perforated Beams
Abstract
1. Introduction
2. Materials and Methods
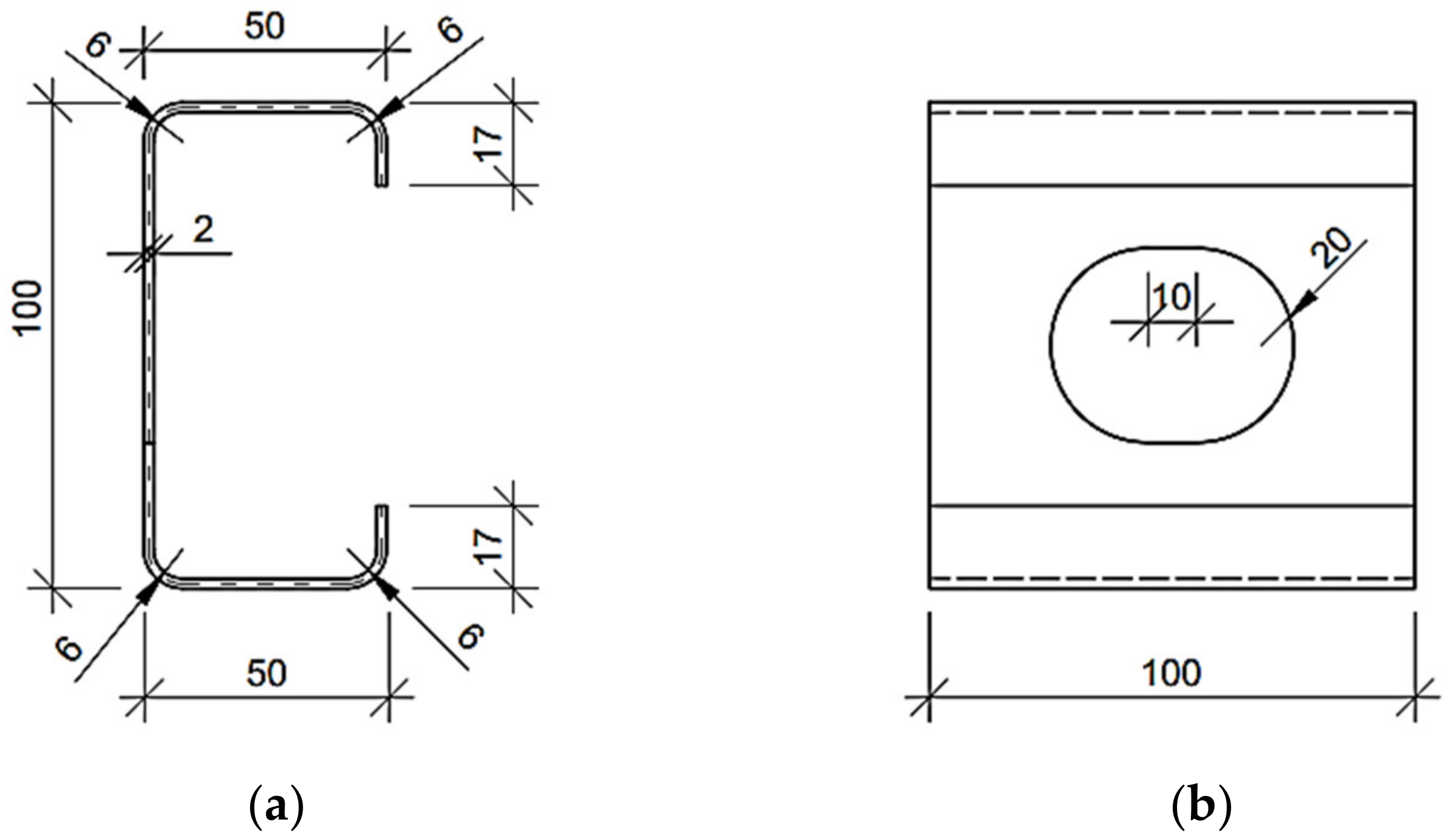
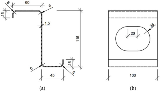
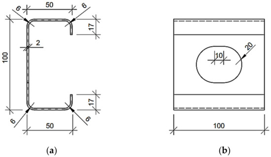
2.1. Beams—Numerical Models
2.2. Shell-to-Beam Numerical Homogenization
- Build a full stiffness matrix ;
- Static condensation of the stiffness matrix to the outer nodes (), in which the boundary conditions are applied—computing from Equation (1);
- Determination of a transformation matrix for each outer node from Equation (12);
- Assemble the matrix ;
- Determination of the matrix containing the searched RVE stiffnesses reduced to the structural element.
3. Results
3.1. Verification of Numerical Homogenization with an Analytical Approach
3.2. Numerical Homogenization
4. Discussion
5. Conclusions
Author Contributions
Funding
Institutional Review Board Statement
Informed Consent Statement
Data Availability Statement
Conflicts of Interest
References
- Bihina, G.; Zhao, B.; Bouchaïr, A. Behaviour of composite steel–concrete cellular beams in fire. Eng. Struct. 2013, 56, 2217–2228. [Google Scholar] [CrossRef]
- Ciesielczyk, K.; Studziński, R. Experimental and numerical investigation of stabilization of thin-walled Z-beams by sandwich panels. J. Constr. Steel Res. 2017, 133, 77–83. [Google Scholar] [CrossRef]
- Lenartowicz, A.; Przychodzki, M.; Guminiak, M.; Garbowski, T. Optimal Placement of Viscoelastic Vibration Dampers for Kirchhoff Plates Based on PSO Method. Materials 2021, 14, 6616. [Google Scholar] [CrossRef] [PubMed]
- Chuda-Kowalska, M.; Gajewski, T.; Garbowski, T. The mechanical characterization of orthotropic elastic parameters of a foam by the mixed experimental-numerical analysis. J. Theor. Appl. Mech. 2015, 53, 383–394. [Google Scholar] [CrossRef]
- Studziński, R.; Pozorski, Z.; Garstecki, A. Optimal design of sandwich panels with a soft core. J. Theor. Appl. Mech. 2009, 47, 685–699. [Google Scholar]
- Mrówczyński, D.; Gajewski, T.; Garbowski, T. Application of the generalized nonlinear constitutive law in 2D shear flexible beam structures. Arch. Civ. Eng. 2021, 67, 157–176. [Google Scholar] [CrossRef]
- Mrówczyński, D.; Gajewski, T.; Garbowski, T. The generalized constitutive law in nonlinear structural analysis of steel frames. In Modern Trends in Research on Steel, Aluminium and Composite Structures, Proceedings of the 14th International Conference on Metal Structures, Poznań, Poland, 16–18 June 2021; Giżejowski, M.A., Kozłowski, A., Chybiński, M., Rzeszut, K., Studziński, R., Szumigała, M., Eds.; Routledge Taylor and Francis Group: Leiden, The Netherlands, 2021; pp. 120–126. [Google Scholar] [CrossRef]
- Staszak, N.; Gajewski, T.; Garbowski, T. Generalized nonlinear constitutive law applied to steel trapezoidal sheet plates. In Modern Trends in Research on Steel, Aluminium and Composite Structures, Proceedings of the 14th international Conference on Metal Structures (ICMS2021), Poznan, Poland, 16–18 June 2021; Giżejowski, M.A., Kozłowski, A., Chybiński, M., Rzeszut, K., Studziński, R., Szumigała, M., Eds.; Routledge Taylor and Francis Group: Leiden, The Netherlands, 2021; pp. 185–191. [Google Scholar] [CrossRef]
- Staszak, N.; Garbowski, T.; Ksit, B. Application of the Generalized Nonlinear Constitutive Law to Hollow-Core. Preprints 2021, 2021070672. [Google Scholar] [CrossRef]
- Durif, S.; Bouchaïr, A.; Vassart, O. Experimental tests and numerical modeling of cellular beams with sinusoidal openings. J. Constr. Steel Res. 2013, 82, 72–87. [Google Scholar] [CrossRef]
- Gesauldo, A.; Iannuzzo, A.; Pio Pucillo, G.; Penta, F. A direct technique for the homogenization of periodic beam-like structures by transfer matrix eigen-analysis. Latin Am. J. Solids Struct. 2018, 15. [Google Scholar] [CrossRef]
- Cartraud, P.; Messager, T. Computational homogenization of periodic beam-like structures. Int. J. Solid Struct. 2006, 43, 686–696. [Google Scholar] [CrossRef]
- Frikha, A.; Cartraud, P.; Treyssède, F. Mechanical modeling of helical structures accounting for translational invariance. Part 1: Static behavior. Int. J. Solids Struct. 2013, 50, 1373–1382. [Google Scholar] [CrossRef]
- Treyssède, F.; Cartraud, P. A two-dimensional formulation for the homogenization of helical beam-like structures under bending loads. Int. J. Solids Struct. 2022, 234, 111270. [Google Scholar] [CrossRef]
- Reda, H.; Alavi, S.E.; Nasimsobhan, M.; Ganghoffer, J.F. Homogenization towards chiral Cosserat continua and applications to enhanced Timoshenko beam theories. Mech. Mater. 2021, 155, 21. [Google Scholar] [CrossRef]
- Garbowski, T.; Gajewski, T. Determination of transverse shear stiffness of sandwich panels with a corrugated core by numerical homogenization. Materials 2021, 14, 1976. [Google Scholar] [CrossRef]
- Staszak, N.; Garbowski, T.; Szymczak-Graczyk, A. Solid Truss to Shell Numerical Homogenization of Prefabricated Composite Slabs. Materials 2021, 14, 4120. [Google Scholar] [CrossRef]
- Garbowski, T.; Knitter-Piątkowska, A.; Mrówczyński, D. Numerical Homogenization of Multi-Layered Corrugated Cardboard with Creasing or Perforation. Materials 2021, 14, 3786. [Google Scholar] [CrossRef]
- Biancolini, M.E. Evaluation of equivalent stiffness properties of corrugated board. Compos. Struct. 2005, 69, 322–328. [Google Scholar] [CrossRef]
- Liu, T.C.H.; Chung, K.F. Steel beams with large web openings of various shapes and sizes: Finite element investigation. J. Constr. Steel Res. 2003, 59, 1159–1176. [Google Scholar] [CrossRef]
- Tsavdaridis, K.D.; D’Mello, C. Optimisation of novel elliptically-based web opening shapes of perforated steel beams. J. Constr. Steel Res. 2012, 76, 39–53. [Google Scholar] [CrossRef]
- Rzeszut, K.; Polus, Ł. Numerical analysis of thin-walled purlins restrained by sheeting in elevated temperature conditions. Arch. Civ. Eng. 2015, 61, 35–46. [Google Scholar] [CrossRef][Green Version]
- Szewczyk, I.; Rozylo, P.; Rzeszut, K. Influence of Mechanical Properties of Steel and CFRP Tapes on the Effectiveness of Strengthening Thin-Walled Beams. Materials 2021, 14, 2388. [Google Scholar] [CrossRef]
- Allaire, G.; Geoffroy-Donders, P.; Pantz, O. Topology optimization of modulated and oriented periodic microstructures by the homogenization method. Comput. Math. Appl. 2019, 78, 2197–2229. [Google Scholar] [CrossRef]
- Tserpes, K.I.; Chanteli, A. Parametric numerical evaluation of the effective elastic properties of carbon nanotube-reinforced polymers. Compos. Struct. 2013, 99, 366–374. [Google Scholar] [CrossRef]
- Grimal, Q.; Rus, G.; Parnell, W.J.; Laugier, P. A two-parameter model of the effective elastic tensor for cortical bone. J. Biomech. 2011, 44, 1621–1625. [Google Scholar] [CrossRef]
- Wang, Z.P.; Poh, L.H. Optimal form and size characterization of planar isotropic petal-shaped auxetics with tunable effective properties using IGA. Compos. Struct. 2018, 201, 486–502. [Google Scholar] [CrossRef]
- Al-Rifaie, H.; Novak, N.; Vesenjak, M.; Ren, Z.; Sumelka, W. Fabrication and Mechanical Testing of the Uniaxial Graded Auxetic Damper. Materials 2022, 15, 387. [Google Scholar] [CrossRef]
- Geoffroy-Donders, P.; Allaire, G.; Pantz, O. 3-d topology optimization of modulated and oriented periodic microstructures by the homogenization method. J. Comput. Phys. 2020, 401, 108994. [Google Scholar] [CrossRef]
- Laim, L.; Rodrigues, J.P.C.; da Silva, L.S. Experimental and numerical analysis on the structural behaviour of cold-formed steel beams. Thin-Walled Struct. 2013, 72, 1–13. [Google Scholar] [CrossRef]
- Singh, T.G.; Singh, K.D. Experimental investigation on performance of perforated cold–formed steel tubular stub columns. Thin-Walled Struct. 2018, 131, 107–121. [Google Scholar] [CrossRef]
- Abaqus Unified FEA Software. Available online: https://www.3ds.com/products-services/simulia/products/abaqus (accessed on 21 January 2022).
- Buannic, N.; Cartraud, P.; Quesnel, T. Homogenization of corrugated core sandwich panels. Compos. Struct. 2003, 59, 299–312. [Google Scholar] [CrossRef]
- Nawar, M.; Arafa, I.; Elhosseiny, O.; El-Zohairy, A. Full Static Resistance of Castellated Steel Beams with Hexagonal Web Openings for Blast Response Predictions. Eng. Struct. 2021, 245, 15. [Google Scholar] [CrossRef]











| Depth | |||||
|---|---|---|---|---|---|
| 400 | 7.725 | 5.412 | 16.540 | 0.226 | 0.585 |
| 200 | 7.765 | 5.334 | 16.502 | 0.483 | 0.950 |
| 100 | 7.850 | 5.315 | 16.563 | 0.804 | 1.207 |
| 50 | 8.000 | 5.345 | 16.770 | 1.032 | 1.386 |
| 25 | 8.175 | 5.428 | 17.161 | 1.147 | 1.537 |
| 5 | 8.446 | 5.746 | 17.933 | 1.594 | 1.978 |
| Analytically | 7.686 | 5.231 | 16.323 | 1.236 | 1.375 |
| Seed | |||||
|---|---|---|---|---|---|
| 15.0 | 7.87 | 5.32 | 16.59 | 0.818 | 1.217 |
| 12.5 | 7.86 | 5.32 | 16.58 | 0.815 | 1.215 |
| 10.0 | 7.86 | 5.31 | 16.57 | 0.812 | 1.212 |
| 7.5 | 7.85 | 5.32 | 16.57 | 0.806 | 1.209 |
| 5.0 | 7.85 | 5.32 | 16.56 | 0.804 | 1.207 |
| 2.5 | 7.85 | 5.31 | 16.55 | 0.802 | 1.206 |
| Analytically | 7.67 | 5.23 | 16.32 | 1.236 | 1.375 |
| Depth | |||||
|---|---|---|---|---|---|
| 400 | 9.54 | 3.77 | 15.6 | 0.215 | 0.596 |
| 200 | 9.58 | 3.63 | 15.5 | 0.566 | 1.029 |
| 100 | 9.67 | 3.57 | 15.5 | 0.989 | 1.376 |
| 50 | 9.84 | 3.58 | 15.7 | 1.283 | 1.639 |
| 25 | 10.1 | 3.62 | 16.0 | 1.438 | 1.859 |
| 5 | 10.4 | 3.80 | 16.8 | 1.988 | 2.423 |
| Analytically | 9.49 | 3.46 | 15.3 | 1.551 | 1.583 |
| Seed | |||||
|---|---|---|---|---|---|
| 15.0 | 9.69 | 3.576 | 15.54 | 1.01 | 1.39 |
| 12.5 | 9.68 | 3.576 | 15.53 | 1.00 | 1.39 |
| 10.0 | 9.68 | 3.578 | 15.53 | 0.996 | 1.38 |
| 7.5 | 9.67 | 3.575 | 15.52 | 0.994 | 1.38 |
| 5.0 | 9.67 | 3.570 | 15.51 | 0.989 | 1.38 |
| 2.5 | 9.66 | 3.555 | 15.49 | 0.987 | 1.37 |
| Analytically | 9.49 | 3.459 | 15.27 | 1.55 | 1.58 |
| Z profile | 7.43 | 4.74 | 15.1 | 0.77 | 1.19 |
| Z profile with hole | 5.96 | 4.71 | 14.8 | 0.77 | 0.52 |
| C profile | 9.09 | 3.17 | 14.0 | 0.95 | 1.35 |
| C profile with hole | 7.68 | 2.71 | 13.9 | 0.95 | 0.75 |
| Square tube | 24.2 | 37.3 | 37.2 | 3.74 | 3.74 |
| Square tube with hole | 20.9 | 33.4 | 33.4 | 2.35 | 2.34 |
Publisher’s Note: MDPI stays neutral with regard to jurisdictional claims in published maps and institutional affiliations. |
© 2022 by the authors. Licensee MDPI, Basel, Switzerland. This article is an open access article distributed under the terms and conditions of the Creative Commons Attribution (CC BY) license (https://creativecommons.org/licenses/by/4.0/).
Share and Cite
Staszak, N.; Gajewski, T.; Garbowski, T. Shell-to-Beam Numerical Homogenization of 3D Thin-Walled Perforated Beams. Materials 2022, 15, 1827. https://doi.org/10.3390/ma15051827
Staszak N, Gajewski T, Garbowski T. Shell-to-Beam Numerical Homogenization of 3D Thin-Walled Perforated Beams. Materials. 2022; 15(5):1827. https://doi.org/10.3390/ma15051827
Chicago/Turabian StyleStaszak, Natalia, Tomasz Gajewski, and Tomasz Garbowski. 2022. "Shell-to-Beam Numerical Homogenization of 3D Thin-Walled Perforated Beams" Materials 15, no. 5: 1827. https://doi.org/10.3390/ma15051827
APA StyleStaszak, N., Gajewski, T., & Garbowski, T. (2022). Shell-to-Beam Numerical Homogenization of 3D Thin-Walled Perforated Beams. Materials, 15(5), 1827. https://doi.org/10.3390/ma15051827

