Effect of Strain Rate and Temperature on Tensile and Fracture Performance of AA2050-T84 Alloy
Abstract
:1. Introduction
2. Material and Test Details
2.1. AA2050-T84 Alloy
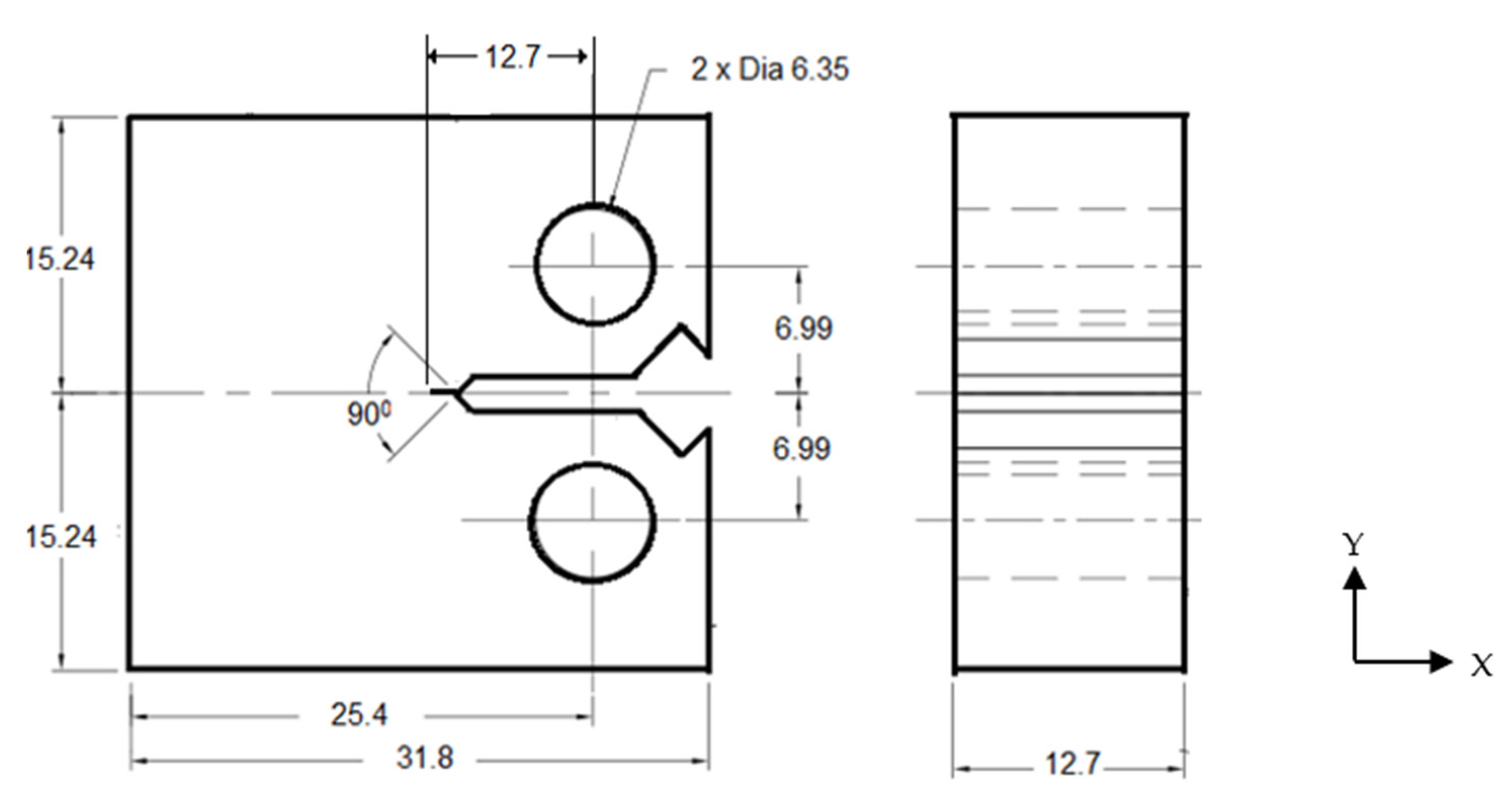
2.2. Tensile and Fracture Toughness Test
2.3. Finite Element Analysis
3. Results and Discussions
3.1. Experimental Analysis
3.1.1. Tensile Test Analysis
3.1.2. Fracture Toughness Test Analysis
3.2. Linear Elastic Fracture Analysis
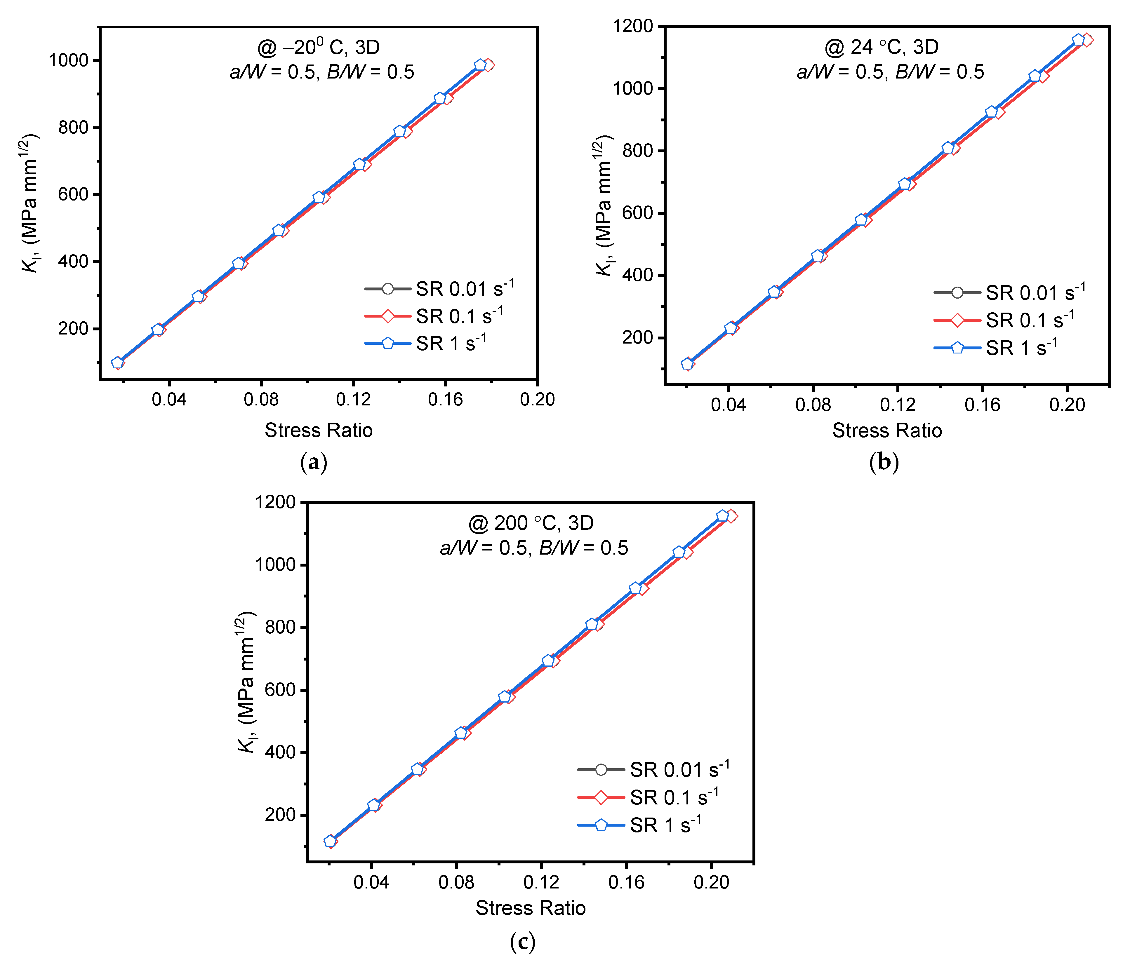
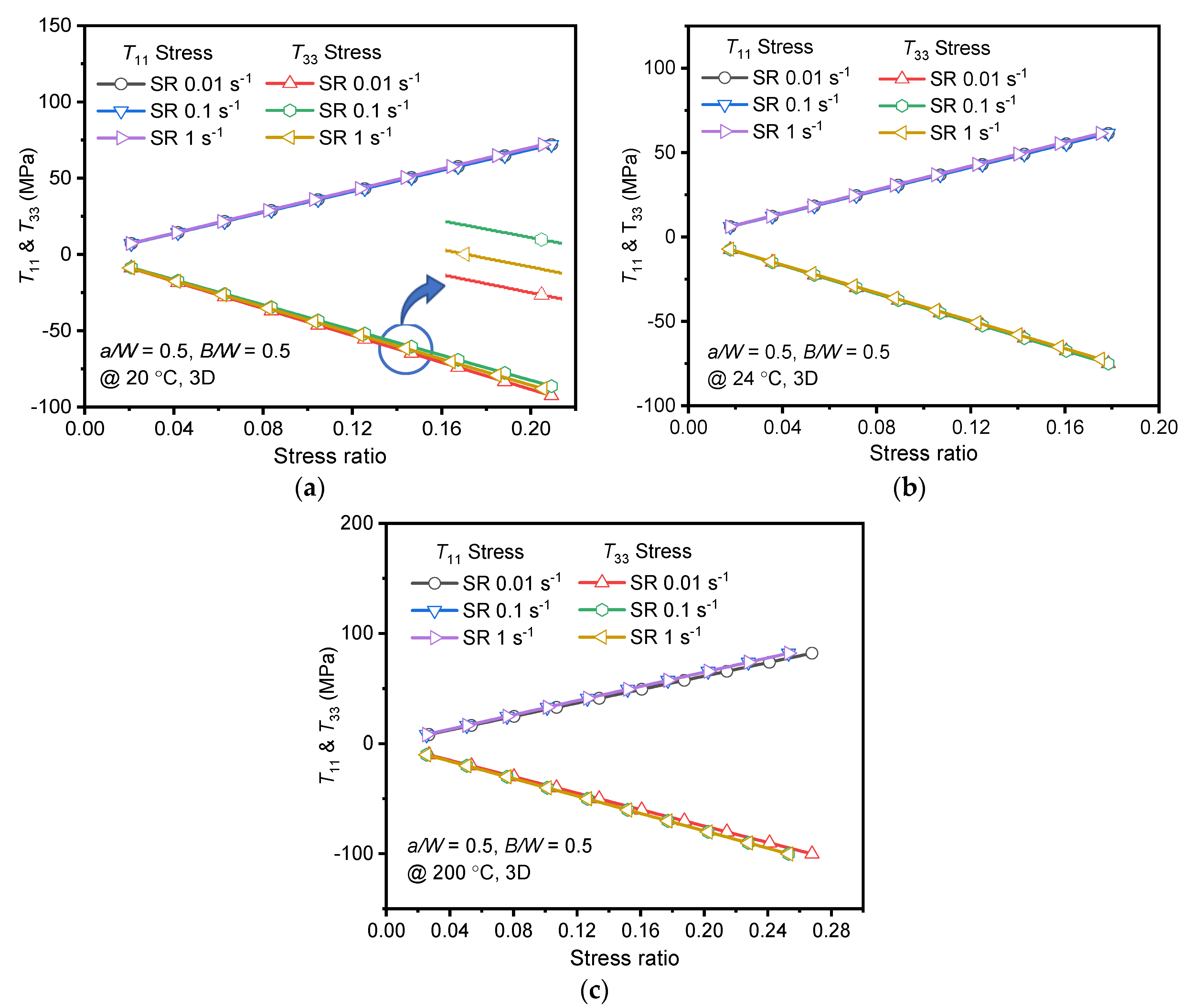
3.2.1. Effect of Strain Rate
3.2.2. Effect of Temperature
4. Conclusions
Author Contributions
Funding
Institutional Review Board Statement
Informed Consent Statement
Data Availability Statement
Acknowledgments
Conflicts of Interest
References
- Wanhill, R.J.; Bray, G.H. Aerostructural design and its application to aluminum–lithium alloys. In Aluminum-Lithium Alloys, 1st ed.; Prasad, N.E., Gokhale, A., Wanhill, R.J.H., Eds.; Butterworth-Heinemann: Oxford, UK, 2014; pp. 27–58. [Google Scholar]
- Lynch, S.P.; Wanhill, R.J.; Byrnes, R.T.; Bray, G.H. Fracture toughness and fracture modes of aerospace aluminum–lithium alloys. In Aluminum-Lithium Alloys, 1st ed.; Prasad, N.E., Gokhale, A., Wanhill, R.J.H., Eds.; Butterworth-Heinemann: Oxford, UK, 2014; pp. 415–455. [Google Scholar]
- Edgar, A.; Starke, J.R. Historical Development and Present Status of Aluminum Lithium Alloys. In Aluminum-Lithium Alloys, 1st ed.; Prasad, N.E., Gokhale, A., Wanhill, R.J.H., Eds.; Butterworth-Heinemann: Oxford, UK, 2014; pp. 3–26. [Google Scholar]
- Dorin, T.; Vahid, A.; Lamb, J. Aluminium lithium alloys. In Fundamentals of Aluminium Metallurgy, 1st ed.; Lumley, R.M., Ed.; Woodhead Publishing: Duxford, UK, 2018; pp. 387–438. [Google Scholar]
- Hafley, R.A.; Domack, M.S.; Hales, S.J.; Shenoy, R.N. Evaluation of Aluminum Alloy 2050-T84 Microstructure and Mechanical Properties at Ambient and Cryogenic Temperatures; Technical Report for NASA; Langley Research Center: Hampton, VA, USA, August 2011. [Google Scholar]
- Chemin, A.E.; Afonso, C.M.; Pascoal, F.A.; Maciel, C.D.; Ruchert, C.O.; Bose Filho, W.W. Characterization of phases, tensile properties, and fracture toughness in aircraft-grade aluminum alloys. Mater. Des. Process. Commun. 2019, 1, 1–3. [Google Scholar] [CrossRef] [Green Version]
- Mirza, M.S.; Barton, D.C.; Church, P. The effect of stress triaxiality and strain-rate on the fracture characteristics of ductile metals. J. Mater. Sci. 1996, 31, 453–461. [Google Scholar] [CrossRef]
- Clausen, A.H.; Børvik, T.; Hopperstad, O.S.; Benallal, A. Flow and fracture characteristics of aluminium alloy AA5083–H116 as function of strain rate, temperature and triaxiality. Mater. Sci. Eng. A 2004, 364, 260–272. [Google Scholar] [CrossRef]
- Singh, N.; Singh, V. Effect of temperature on tensile properties of near-α alloy Timetal 834. Mater. Sci. Eng. A 2008, 485, 130–139. [Google Scholar] [CrossRef]
- Khan, A.S.; Liu, H. Strain rate and temperature dependent fracture criteria for isotropic and anisotropic metals. Int. J. Plast. 2012, 37, 1–5. [Google Scholar] [CrossRef]
- Anderson, D.; Winkler, S.; Bardelcik, A.; Worswick, M.J. Influence of stress triaxiality and strain rate on the failure behavior of a dual-phase DP780 steel. Mater. Des. 2014, 60, 198–207. [Google Scholar] [CrossRef]
- Roth, C.C.; Mohr, D. Effect of strain rate on ductile fracture initiation in advanced high strength steel sheets: Experiments and modeling. Int. J. Plast. 2014, 56, 19–44. [Google Scholar] [CrossRef]
- Rincon, E.; Lopez, H.F.; Cisneros, M.M.; Mancha, H.; Cisneros, M.A. Effect of temperature on the tensile properties of an as-cast aluminum alloy A319. Mater. Sci. Eng. A 2007, 452, 682–687. [Google Scholar] [CrossRef]
- Natesan, E.; Ahlström, J.; Manchili, S.K.; Eriksson, S.; Persson, C. Effect of Strain Rate on the Deformation Behaviour of A356-T7 Cast Aluminium Alloys at Elevated Temperatures. Metals 2020, 10, 1239. [Google Scholar] [CrossRef]
- Pandya, K.S.; Roth, C.C.; Mohr, D. Strain rate and temperature dependent fracture of aluminum alloy 7075: Experiments and neural network modeling. Int. J. Plast. 2020, 135, 102788. [Google Scholar] [CrossRef]
- Ekabote, N.; Kodancha, K.G.; Kudari, S.K. Suitability of Standard Fracture Test Specimens for Low Constraint Conditions. Conf. Ser. Mater. Sci. Eng. 2021, 1123, 012033. [Google Scholar] [CrossRef]
- Ekabote, N.; Kodancha, K.G.; Revankar, P.P. Elastic-plastic fracture analysis of anisotropy effect on AA2050-T84 alloy at different temperatures: A numerical study. Frat. Integrita Strutt. 2022, 16, 78–88. [Google Scholar]
- Gupta, M.; Alderliesten, R.C.; Benedictus, R. A review of T-stress and its effects in fracture mechanics. Eng. Fract. Mech. 2015, 134, 218–241. [Google Scholar] [CrossRef]
- O’dowd, N.P.; Shih, C.F. Family of crack-tip fields characterized by a triaxiality parameter—I. Structure of fields. J. Mech. Phys. Solids. 1991, 39, 989–1015. [Google Scholar] [CrossRef]
- Hutař, P.; Seitl, S.; García, T.E.; Fernández-Canteli, A. Experimental and numerical analysis of in-and out-of plane constraint effects on fracture parameters: Aluminium alloy 2024. Appl. Comput. Mech. 2013, 7, 53–64. [Google Scholar]
- Fernández-Canteli, A.; Giner, E.; Fernández-Zúniga, D.; Fernández-Sáez, J. A unified analysis of the in-plane and out-of-plane constraints in 3-D linear elastic fracture mechanics. In Proceedings of the 19th European Conference on Fracture, Kazan, Russia, 26–31 August 2012. [Google Scholar]
- Kudari, S.K.; Kodancha, K.G. 3D Stress intensity factor and T-stresses (T11 and T33) formulations for a Compact Tension specimen. Frat. Integrita Strutt. 2017, 11, 216–225. [Google Scholar] [CrossRef]
- Wang, X. Elastic T-stress for cracks in test specimens subjected to non-uniform stress distributions. Eng. Fract. Mech. 2002, 69, 1339–1352. [Google Scholar] [CrossRef]
- Neimitz, A.; Galkiewicz, J. Fracture toughness of structural components: Influence of constraint. Int. J. Press. Vessel. Pip. 2006, 83, 42–54. [Google Scholar] [CrossRef]
- Galkiewicz, J.; Janus-Galkiewicz, U. The Numerical Analysis of the In-Plane Constraint Influence on the Behavior of the Crack Subjected to Cyclic Loading. Materials 2021, 14, 1764. [Google Scholar] [CrossRef] [PubMed]
- Kim, Y.K.; Oh, B.T.; Kim, J.H. Effects of Crack Tip Constraint on the Fracture Toughness Assessment of 9% Ni Steel for Cryogenic Application in Liquefied Natural Gas Storage Tanks. Materials 2020, 13, 5250. [Google Scholar] [CrossRef]
- ASTM E399-20; Standard Test Method for Linear-Elastic Plane-Strain Fracture Toughness of Metallic Materials. ASTM International: West Conshohocken, PA, USA, 2020.
- Brian Falzon. The Airbus A380 Wing Cracks: An Engineer’s Perspective. Available online: https://theconversation.com/the-airbus-a380-wing-cracks-an-engineers-perspective-5318 (accessed on 22 January 2022).
- Rioja, R.J.; Liu, J. The evolution of Al-Li base products for aerospace and space applications. Metall. Mater. Trans. A 2012, 43, 3325–3337. [Google Scholar] [CrossRef]
- ASTM E8/E8M-21; Standard Test Methods for Tension Testing of Metallic Materials. ASTM International: West Conshohocken, PA, USA, 2021.
- Mouritz, A.P. Introduction to Aerospace Materials; Woodhead Publishing Limited: Cambridge, UK, 2012; pp. 454–468. [Google Scholar]
- Ekabote, N.; Kodancha, K.G. Temperature and test specimen thickness (TST) effect on tensile and fracture behavior of AA2050-T84 alloy. Mater. Today Proc. 2021; in press. [Google Scholar] [CrossRef]
- Dassault Systemes. Abaqus Analysis User Guide. Available online: http://wufengyun.com/v6.14/books/usb/default.htm?startat=pt05ch22s02abm03.html (accessed on 22 January 2022).
- Farraro, R.; McLellan, R.B. Temperature dependence of the Young’s modulus and shear modulus of pure nickel, platinum, and molybdenum. Metall. Trans. A 1977, 8, 1563–1565. [Google Scholar] [CrossRef]
- Borges, M.F.; Antunes, F.V.; Prates, P.A.; Branco, R.; Vojtek, T. Effect of Young’s modulus on fatigue crack growth. Int. J. Fatigue 2020, 132, 105375. [Google Scholar] [CrossRef]
- Abd El-Aty, A.; Xu, Y.; Guo, X.; Zhang, S.H.; Ma, Y.; Chen, D. Strengthening mechanisms, deformation behavior, and anisotropic mechanical properties of Al-Li alloys: A review. J. Adv. Res. 2018, 10, 49–67. [Google Scholar] [CrossRef] [PubMed]
- Kavale, S.M.; Kodancha, K.G.; Ekabote, N. Effect of Poisson’s ratio on KI, T11 and T33 for SENB and CT specimen–A FE study. Procedia Struct. Integr. 2019, 14, 584–596. [Google Scholar] [CrossRef]










| Cu | Mg | Mn | Zn | Fe | Ti | Si | Li | Zr | Ag | Al |
|---|---|---|---|---|---|---|---|---|---|---|
| 3.743 | 0.369 | 0.372 | 0.025 | 0.045 | 0.040 | 0.039 | 0.798 | 0.087 | 0.398 | Base |
| Crack Length a (mm) | Crack Length/Width a/W | Maximum Stress σmax (MPa) | Minimum Stress σmin (MPa) | Mean Stress σmean (MPa) | Alternating Stress σaverage (MPa) |
|---|---|---|---|---|---|
| 12.94 | 0.51 | 250 | 25 | 137.5 | 112.5 |
Publisher’s Note: MDPI stays neutral with regard to jurisdictional claims in published maps and institutional affiliations. |
© 2022 by the authors. Licensee MDPI, Basel, Switzerland. This article is an open access article distributed under the terms and conditions of the Creative Commons Attribution (CC BY) license (https://creativecommons.org/licenses/by/4.0/).
Share and Cite
Ekabote, N.; Kodancha, K.G.; Khan, T.M.Y.; Badruddin, I.A. Effect of Strain Rate and Temperature on Tensile and Fracture Performance of AA2050-T84 Alloy. Materials 2022, 15, 1590. https://doi.org/10.3390/ma15041590
Ekabote N, Kodancha KG, Khan TMY, Badruddin IA. Effect of Strain Rate and Temperature on Tensile and Fracture Performance of AA2050-T84 Alloy. Materials. 2022; 15(4):1590. https://doi.org/10.3390/ma15041590
Chicago/Turabian StyleEkabote, Nagaraj, Krishnaraja G. Kodancha, T. M. Yunus Khan, and Irfan Anjum Badruddin. 2022. "Effect of Strain Rate and Temperature on Tensile and Fracture Performance of AA2050-T84 Alloy" Materials 15, no. 4: 1590. https://doi.org/10.3390/ma15041590
APA StyleEkabote, N., Kodancha, K. G., Khan, T. M. Y., & Badruddin, I. A. (2022). Effect of Strain Rate and Temperature on Tensile and Fracture Performance of AA2050-T84 Alloy. Materials, 15(4), 1590. https://doi.org/10.3390/ma15041590

