Effect of Specimen Thickness and Stress Intensity Factor Range on Plasticity-Induced Fatigue Crack Closure in A7075-T6 Alloy
Abstract
1. Introduction
2. Materials, Specimens, and Experimental Methods
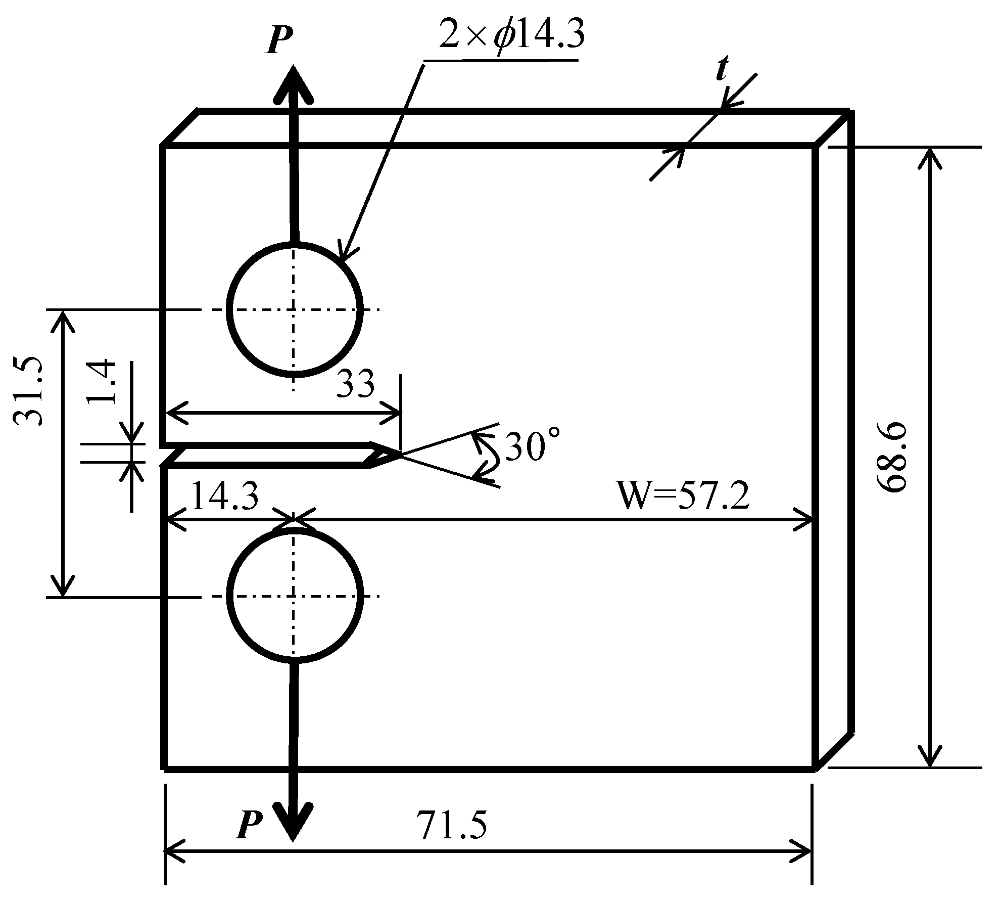
2.1. Material/Specimen
2.2. FCG Experiment and Kop Measurement
2.3. Specimen Surface Removal Experiment
2.4. Measurement of the Curvature on the Front Edge of the Crack
3. 3D Elastoplastic FEM
4. Experimental Results and Discussion
4.1. Relationships between FCG Rate da/dN and ΔK and between da/dN and ΔKeff
4.2. Specimen Surface Removal Experiment and ΔKeff
4.3. Effects of t and ΔK on Kop
4.3.1. Kop–ΔK Relationship
4.3.2. Kop–t Relationship
4.4. Shape of the Front Edge of the Crack
5. Depression Depth d Generated at the Crack Tip
5.1. Effect of d on Kop
5.2. Effect of the Leading Edge Shape of the Crack on the d Value
6. Conclusions
- In the da/dN–ΔK relationship, in the region where ΔK was 5 MPam1/2 or higher, da/dN at a constant ΔK value increased as t increased from 1 to 11 mm. The da/dN between t = 11 and 21 mm was the same. Meanwhile, in the region where ΔK was less than 5 MPam1/2, the effect of t on da/dN was not observed. Furthermore, it was discovered that the relationship of da/dN–ΔKeff was not affected by t and that ΔKeff was an effective FCG driving force.
- When ΔK was 5 MPam1/2 or higher and t was 11 to 15 mm or less (region ①), the Kop value increased as t decreased. The slope of Kop–ΔK was asymptotic to 0.58 as t became thinner. Conversely, as t thickened, the slope of Kop–ΔK approached 0.2. When ΔK was 5 MPam1/2 or higher and t was 11 to 15 mm or more (region ②), plane-strain PIFCC dominated, and the slope of Kop–ΔK approached 0.2, which did not depend on t. Meanwhile, in the region where ΔK was 5 MPam1/2 or lower (region ③), RIFCC occurred instead of PIFCC because the plastic deformation was small, and the slope of Kop–ΔK became 0.2. Hence, ΔK = 5 MPam1/2 was the transition stress intensity factor from RIFCC to PIFCC.
- When the specimen surface was removed during the FCG, the Kop value decreased; subsequently, the FCG velocity returned gradually to the original value. The experimental results showed that the interaction between plane stress and plane strain was an important factor for FCG and Kop.
- The leading edge shape of the fatigue crack showed an arc shape rather than a straight line. The radius of curvature r increased with t. Due to the interaction between the specimen surface and the specimen interior, ΔKeff near the specimen surface became lower than that inside the specimen. Therefore, the FCG velocity near the specimen surface became lower than that inside the specimen, and the leading edge of the crack arcuated.
- According to the FEM analysis of the depression depth d in the region where ΔK was 5 MPam 1/2 or higher, the value of d increased as t decreased, and ΔK increased. When t was thin, the resistance against lateral contraction by the specimen inside was small, and, thus, d was large. When ΔK was large, d increased because the out-of-plane plastic deformation at the crack tip increased. Meanwhile, when ΔK was 5 MPa m1/2 or lower, the d value was small, i.e., approximately 0.05 μm, regardless of t; hence, RIFCC occurred instead of PIFCC. Therefore, the effects of t and ΔK on Kop (conclusion (2)) can be quantitatively and physically explained using d.
Author Contributions
Funding
Institutional Review Board Statement
Informed Consent Statement
Data Availability Statement
Acknowledgments
Conflicts of Interest
Nomenclature
| FCC | Fatigue crack closure |
| FCG | Fatigue crack growth |
| Kmin | Minimum stress intensity factor (MPam1/2) |
| Kmax | Maximum stress intensity factor (MPam1/2) |
| ∆K | Stress intensity factor range, ∆K = KmaxKmin (MPam1/2) |
| Kop | Crack opening stress intensity factor (MPam1/2) |
| ∆Keff | Effective stress intensity factor range, ∆Keff = Kmax − Kop (MPam1/2) |
| d | Plastic lateral contraction (depression depth; m) |
| t | Specimen thickness (m) |
| PIFCC | Plasticity-induced fatigue crack closure |
| RIFCC | Roughness-induced fatigue crack closure |
| R | Stress ratio |
| Ra | Fracture surface roughness |
| CT | Compact tension |
| FEM | Finite element method |
| P | Applied load (N) |
| a | Crack length (m) |
| N | Number of stress cycles (cycles) |
| da/dN | FCG rate (m/cycle) |
| α | Non-dimensional quantity (= a/W, W = 57.2 × 10−3 (m)) |
| r | Radius of curvature of the leading edge of the crack (m) |
References
- Elber, W. Fatigue crack closure under cyclic tension. Eng. Fract. Mech. 1970, 2, 37–45. [Google Scholar]
- Elber, W. The Significance of Fatigue Crack Closure. In Damage Tolerance in Aircraft Structures; ASTM International: West Conshohocken, PA, USA, 2009; p. 230. [Google Scholar]
- Bao, H. Fatigue Crack Growth under Plane Stress Conditions. Ph. D. Dissertation, University of Connecticut, Storrs, CT, USA, 1994. [Google Scholar]
- Minakawa, K.; McEvily, A. On crack closure in the near-threshold region. Scr. Met. 1981, 15, 633–636. [Google Scholar] [CrossRef]
- Suresh, S.; Ritchie, R.O. A geometric model for fracture surface roughness-induced crack closure during fatigue crack-growth. J. Met. 1982, 34, 71. [Google Scholar]
- Morris, W.; James, M.; Buck, O. A simple model of stress intensity range threshold and crack closure stress. Eng. Fract. Mech. 1983, 18, 871–877. [Google Scholar] [CrossRef]
- Paris, P.; Bucci, R.; Wessel, E.; Clark, W.; Mager, T. Extensive Study of Low Fatigue Crack Growth Rates in A533 and A508 Steels. In Stress Analysis and Growth of Cracks: Proceedings of the 1971 National Symposium on Fracture Mechanics: Part 1; ASTM International: West Conshohocken, PA, USA, 2009; p. 141. [Google Scholar]
- Skelton, R.P.; Haigh, J.R. Fatigue crack growth rates and thresholds in steels under oxidizing conditions. Mater. Sci. Eng. 1978, 36, 17–25. [Google Scholar] [CrossRef]
- Suresh, S.; Zamiski, G.F.; Ritchie, D.R.O. Oxide-Induced Crack Closure: An Explanation for Near-Threshold Corrosion Fatigue Crack Growth Behavior. Met. Mater. Trans. A 1981, 12, 1435–1443. [Google Scholar] [CrossRef]
- Minakawa, K.; LeVan, G.; McEvily, A.J. The influence of load ratio on fatigue crack growth in 7090-t6 and in9021-t4 p/m aluminum alloys. Met. Mater. Trans. A 1986, 17, 1787–1795. [Google Scholar] [CrossRef]
- Schivje, J. Mechanics of Fatigue Crack Closure; ASTM: West Conshohocken, PA, USA, 1988; pp. 5–34. [Google Scholar]
- Ishihara, S.; Sugai, Y.; McEvily, A.J. On the Distinction Between Plasticity- and Roughness-Induced Fatigue Crack Closure. Met. Mater. Trans. A 2012, 9, 3086–3096. [Google Scholar] [CrossRef]
- Newman, J.C., Jr.; Anagnostou, E.L.; Rusk, D. Fatigue and crack-growth analyses on 7075-T651 aluminum alloy coupons under constant- and variable-amplitude loading. Int. J. Fatigue 2014, 62, 133–143. [Google Scholar] [CrossRef]
- De Matos, P.F.P.; Nowell, D. Experimental and numerical investigation of thickness effects in plasticity-induced fatigue crack closure. Int. J. Fatigue 2009, 31, 1795–1804. [Google Scholar] [CrossRef]
- Camas, D.; Lopez-Crespo, P.; Gonzalez-Herrera, A.; Moreno, B. Numerical and experimental study of the plastic zone in cracked specimens. Eng. Fract. Mech. 2017, 185, 20–32. [Google Scholar] [CrossRef]
- Rozumek, D.; Faszynka, S. Fatigue crack growth in 2017A-T4 alloy subjected to proportional bending with torsion. Frattura ed Integrità Strutturale 2017, 11, 23–29. [Google Scholar] [CrossRef]
- Ishihara, S.; McEvily, A.J. On the early initiation of fatigue cracks in the high cycle regime. In Proceedings of the 12th International Conference on Fracture, Ottawa, ON, Canada, 12–17 July 2009; pp. 12–17. [Google Scholar]
- Murakami, Y. Stress Intensity Factors; U.S. Department of Energy: Washington, DC, USA, 1987. [Google Scholar]
- Kikukawa, M.; Jono, M.; Tanaka, K. Fatigue crack closure at low stress intensity level. In Proceedings of the Second International Conference on Mechanical Behavior of Materials, Boston, MA, USA, 16–20 August 1976; pp. 716–720. [Google Scholar]
- Marc, MSC Software Corporation—MSC SimCompanion. Available online: https://www.mscsoftware.com/ (accessed on 30 January 2021).
- Jono, M.; Song, J.; Sugeta, A. Fatigue crack growth and crack closure under variable loadings on aluminum alloys. (Effect of load variation on characteristic form of crack growth rate curve in region II). J. Soc. Mater. Sci. Jpn. 1985, 34, 1193–1199. [Google Scholar] [CrossRef][Green Version]
- Tokaji, K.; Ogawa, T.; Kameyama, Y. The effect of stress ratio on growth behaviour of small fatigue cracks in an aluminum alloy 7075-T6 (With special interest in stage I crack growth). J. Soc. Mater. Sci. Jpn. 1989, 38, 1019–1025. [Google Scholar] [CrossRef]
- Suresh, S. Second edition, Fatigue of Materials. Aeronaut. J. 1999, 1026, 398. [Google Scholar]
- Masuda, K.; Ishihara, S.; McEvily, A.J.; Okane, M. Experimental investigation of thickness effects on fatigue crack closure behavior in Al7075-T6 alloy. In Proceedings of the 7th Engineering Integrity Society International Conference on Durability & Fatigue, Cambridge, UK, 3–5 July 2017; pp. 456–465. [Google Scholar]
- Anderson, T.L. Fracture Mechanics: Fundamentals and Applications, 2nd ed.; CRC Press, Inc.: Boca Raton, FL, USA, 1995. [Google Scholar]
- Pippan, R.; Hohenwarter, A. Fatigue crack closure: A review of the physical phenomena. Fatigue Fract. Eng. Mater. Struct. 2017, 40, 471–495. [Google Scholar] [CrossRef] [PubMed]
- ASTM E 399-90, Standard Test Method for Plane-Strain Fracture Toughness of Metallic Materials. America Society for Testing Materials, Philadelphia. 1990. Available online: https://www.astm.org/DATABASE.CART/HISTORICAL/E399-90R97.htm (accessed on 26 January 2021).
- Ohsaki, S.; Utsue, M.; Yokofujita, H.; Iino, M. Fracture Toughness and SCC Behavior of 7075 Aluminum Alloy under Mixed-Mode I-II Loading. Zairyo 1996, 45, 661–666. [Google Scholar] [CrossRef][Green Version]
- Roychowdhury, S.; Dodds, R.H., Jr. A numerical investigation of 3-D small-scale yielding fatigue crack growth. Eng. Fract. Mech. 2003, 70, 2363–2383. [Google Scholar] [CrossRef]
- Camas, D.; Garcia-Manrique, J.; Perez-Garcia, F.; Gonzalez-Herrera, A. Numerical modelling of three-dimensional fatigue crack closure: Plastic wake simulation. Int. J. Fatigue 2020, 131, 105344. [Google Scholar] [CrossRef]












| Si | Fe | Cu | Mn | Mg | Cr | Zn | Ti | Al |
|---|---|---|---|---|---|---|---|---|
| 0.40 | 0.50 | 1.60 | 0.30 | 2.50 | 0.24 | 5.50 | 0.20 | Bal. |
| Yield Strength | Tensile Strength | Young’s Modulus | Poisson’s Ratio | Elongation | Strain-Hardening Exponent |
|---|---|---|---|---|---|
| 510 MPa | 577 MPa | 70 GPa | 0.3 | 12% | 0.036 |
| Classification by ΔK | ③ ΔK < 5 MPa·m1/2 | ΔK > 5 MPa·m1/2 | |
| ① t < 11–15 mm | ② t > 11–15 mm | ||
| Classification of FCC | RIFCC Kop/ΔK = 0.2 | PIFCC under interaction between plane stress and plane strain Kop/ΔK = 0.2–0.58 | Plane strain PIFCC Kop/ΔK = 0.2 |
| Effect of t | No effect | Affected | No effect |
Publisher’s Note: MDPI stays neutral with regard to jurisdictional claims in published maps and institutional affiliations. |
© 2021 by the authors. Licensee MDPI, Basel, Switzerland. This article is an open access article distributed under the terms and conditions of the Creative Commons Attribution (CC BY) license (http://creativecommons.org/licenses/by/4.0/).
Share and Cite
Masuda, K.; Ishihara, S.; Oguma, N. Effect of Specimen Thickness and Stress Intensity Factor Range on Plasticity-Induced Fatigue Crack Closure in A7075-T6 Alloy. Materials 2021, 14, 664. https://doi.org/10.3390/ma14030664
Masuda K, Ishihara S, Oguma N. Effect of Specimen Thickness and Stress Intensity Factor Range on Plasticity-Induced Fatigue Crack Closure in A7075-T6 Alloy. Materials. 2021; 14(3):664. https://doi.org/10.3390/ma14030664
Chicago/Turabian StyleMasuda, Kenichi, Sotomi Ishihara, and Noriyasu Oguma. 2021. "Effect of Specimen Thickness and Stress Intensity Factor Range on Plasticity-Induced Fatigue Crack Closure in A7075-T6 Alloy" Materials 14, no. 3: 664. https://doi.org/10.3390/ma14030664
APA StyleMasuda, K., Ishihara, S., & Oguma, N. (2021). Effect of Specimen Thickness and Stress Intensity Factor Range on Plasticity-Induced Fatigue Crack Closure in A7075-T6 Alloy. Materials, 14(3), 664. https://doi.org/10.3390/ma14030664

