Tuning Alginate Microparticle Size via Atomization of Non-Newtonian Fluids
Abstract
:1. Introduction
2. Materials and Methods
2.1. Materials
2.2. Preparation and Characterization of Solutions
2.3. Rheological Experiments
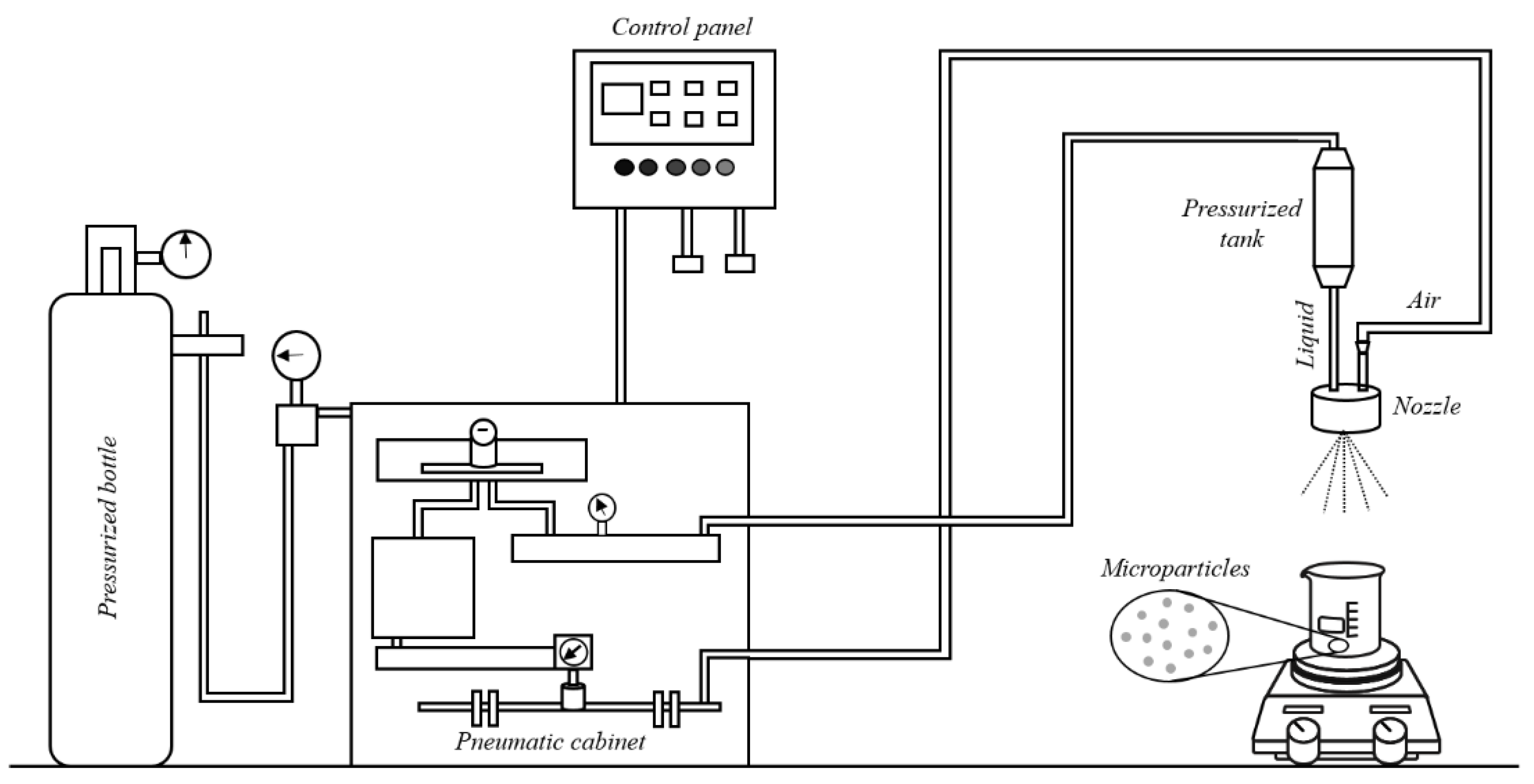
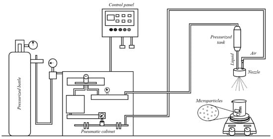
2.4. Experimental Device and Operational Procedure
2.5. Experimental Conditions
2.6. Characterization of Microparticles
2.7. Particle Size Distribution Estimation
3. Results and Discussion
3.1. Rheological Results
3.1.1. Alginate Solutions
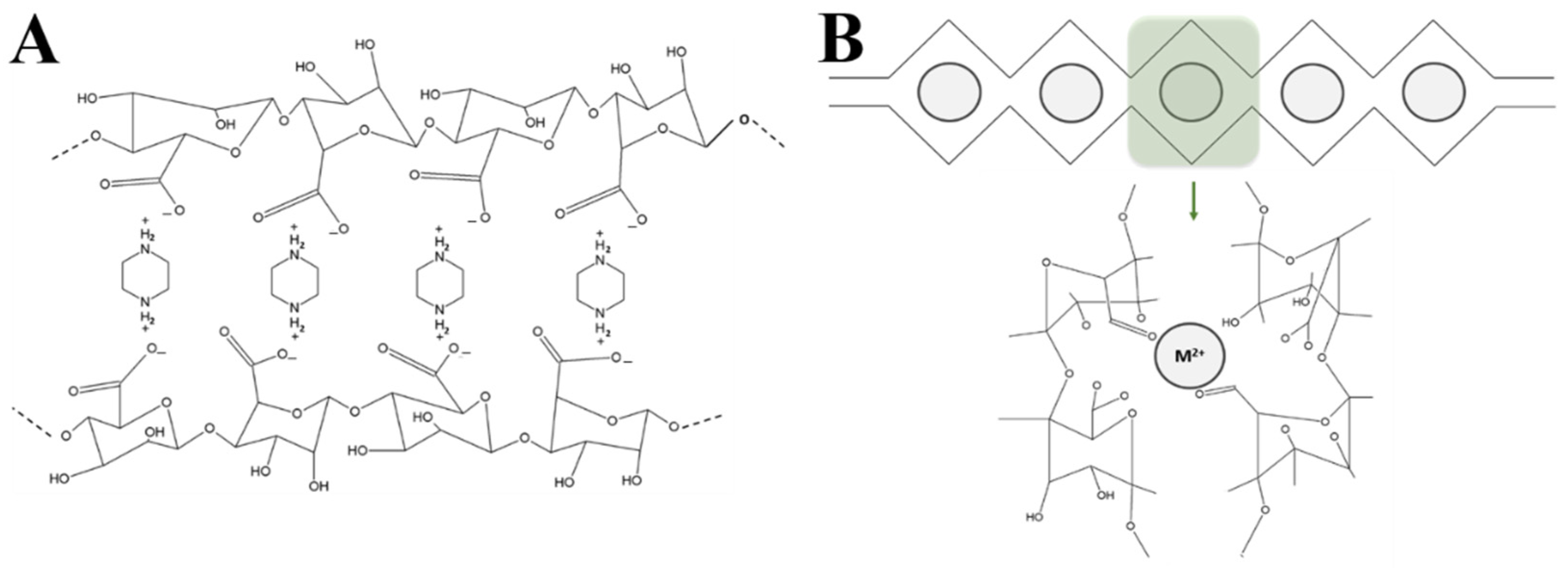
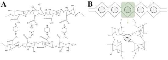
3.1.2. Alginate-Piperazine and Alginate-Barium Chloride
3.2. Comparison in Production of Both Types of Microparticles
3.2.1. Influence of Liquid and Air Pressure
3.2.2. Viscosity Influence
3.3. Microparticles Size and Morphology
3.4. Mathematical Modeling of the Alginate-Piperazine System
Alginate-Piperazine Microparticles
4. Conclusions
Supplementary Materials
Author Contributions
Funding
Institutional Review Board Statement
Informed Consent Statement
Data Availability Statement
Acknowledgments
Conflicts of Interest
Nomenclature
| G′(w) | storage modulus |
| G′′(w) | loss modulus |
| K | consistency index |
| l | nozzle inner diameter |
| n | flow behavior index |
| v | velocity of the jet |
| We | Weber number |
| Z | Ohnesorge number |
| Greek letters | |
| µ | viscosity of the fluid |
| ρ | density of the fluid |
| σ | surface tension |
| τ | shear stress |
| shear rate | |
References
- Martín del Valle, E.M.; Galán, M.A.; Carbonell, R.G. Drug Delivery technologies: The way forward in the new decade. Ind. Eng. Chem. Res. 2009, 48, 2475–2486. [Google Scholar] [CrossRef]
- Yhee, J.; Im, J.; Nho, R. Advanced Therapeutic Strategies for Chronic Lung Disease Using Nanoparticle-Based Drug Delivery. J. Clin. Med. 2016, 5, 82. [Google Scholar] [CrossRef]
- Caballero Aguilar, L.M.; Duchi, S.; Onofrillo, C.; O’Connell, C.D.; Di Belle, C.; Moulton, S.E. Formation of alginate microspheres prepared by optimized microfluidics parameters for high encapsulation of bioactive molecules. J. Colloid Interface Sci. 2021, 587, 240–251. [Google Scholar] [CrossRef] [PubMed]
- Prasher, P.; Sharma, M.; Mehta, M.; Satija, S.; Aljabali, A.A.; Tambuwala, M.M.; Anand, K.; Sharna, N.; Durja, H.; Jha, N.K.; et al. Current-status and application of polysaccharides in drug delivery systems. Colloids Interface Sci. Commun. 2021, 42, 100418. [Google Scholar] [CrossRef]
- Lee, K.Y.; Mooney, D.J. Alginate: Properties and biomedical applications. Prog. Polym Sci. 2012, 37, 106–126. [Google Scholar] [CrossRef] [PubMed] [Green Version]
- Sebastian, V.; Arruebo, M.; Santamaría, J. Reaction Engineering Strategies for the Production of Inorganic Nanomaterials. Small 2014, 10, 835–853. [Google Scholar] [CrossRef]
- Caballero Aguilar, L.; Stoddart, P.R.; McArthur, S.L.; Moulton, S.E. Polycaprolactone porous template facilitates modulated release of molecules from alginate hydrogels. React. Funct. Polym. 2018, 133, 29–36. [Google Scholar] [CrossRef]
- Herrero, E.P.; Martín del Valle, E.M.; Galán, M.A. Modelling prediction of the microcapsule size of polyelectrolyte complexes produced by atomization. Chem. Eng. J. 2006, 121, 1–8. [Google Scholar] [CrossRef]
- Cerveró, J.M.; Nogareda, J.; Martín del Valle, E.M.; Galán, M.A. Development of a technology to produce monodispersed microparticles based on the formation of drops from viscous non-Newtonian liquids sprayed through a fan jet nozzle. Chem. Eng. J. 2011, 174, 699–708. [Google Scholar] [CrossRef]
- Zhao, J.; Guo, Q.; Huang, W.; Zhang, T.; Wang, J.; Zhang, Y.; Huang, L.; Tang, Y. Shape Tuning and Size Production of Millimiter-scale calcium alginate capsules with Aquous Core. Polymers 2020, 12, 688. [Google Scholar] [CrossRef] [Green Version]
- Davarci, F.; Turan, D.; Ozkelic, B.; Poncelet, D. The influence of solution viscosities and surface tensión on calcium-alginate microbead formation using dripping technique. Food Hydrocoll. 2017, 62, 119–127. [Google Scholar] [CrossRef]
- Alnaief, M.; Obaidat, R.M.; Alsmadi, M.M. Preparation of Hybrid Alginate-Chitosan Aerogel as Potential Carriers for Pulmonary Drug Delivery. Polymers 2020, 12, 2223. [Google Scholar] [CrossRef]
- Herrero, E.P.; Martín del Valle, E.M.; Galán, M.A. Development of a new technology for the production of microcapsules based in atomization processes. Chem. Eng. J. 2006, 117, 137–142. [Google Scholar] [CrossRef]
- Martín del Valle, E.M.; Herrero, E.P.; Martins, D.A.O.; Galán, M.A. Immobilisation of cells in biocompatible films to cell therapy. Open Tissue Eng. Regen. Med. J. 2009, 2, 14–19. [Google Scholar] [CrossRef]
- Rodríguez-Rivero, C.; Martín del Valle, E.M.; Galán, M.A. Development of a new technique to generate microcapsules from the breakup of non-Newtonian highly viscous fluids jets. AICHE J. 2011, 57, 3426–3447. [Google Scholar] [CrossRef]
- Román, J.V.; Rodríguez-Rodríguez, J.A.; del Martín Valle, E.M.; Galán, M.A. Synthesis of a new nanoparticle system based on electrostatic alginate-piperazine interactions. Polym. Adv. Technol. 2016, 27, 623–629. [Google Scholar] [CrossRef]
- Nieto, C.; Centa, A.; Rodríguez-Rodríguez, J.A.; Pandiella, A.; Martín del Valle, E.M. Paclitaxel-Trastuzumab mixed nanovehicle to target HER2-overexpressing tumors. Nanomaterials 2019, 9, 948. [Google Scholar] [CrossRef] [PubMed] [Green Version]
- Chuang, J.J.; Huang, Y.Y.; Lo, S.H.; Hsu, T.F.; Huang, W.Y.; Huang, S.L.; Lin, Y.S. Effects of pH on the Shape of Alginate Particles and Its Release Behavior. Int. J. Polym. Sci. 2017, 2017, 3902704. [Google Scholar] [CrossRef]
- Khalili, F.; Henni, A.; East, K.J. pKa Values of Some Piperazines at (298, 303, 313, and 323). Chem. Eng. Data 2009, 54, 2914–2917. [Google Scholar] [CrossRef]
- Román, J.V.; Galán, M.A.; Martín del Valle, E.M. Preparation and preliminary evaluation of alginate crosslinked microcapsules as potential drug delivery system (DDS) for human lung cancer therapy. Biomed. Phys. Eng. Express. 2016, 2, 035015. [Google Scholar] [CrossRef]
- Rodríguez-Rivero, C.; Hilliou, L.; Martín del Valle, E.M.; Galán, M.A. Rheological characterization of commercial highly viscous alginate solutions in shear and extensional flows. Rheol. Acta 2014, 53, 559–570. [Google Scholar] [CrossRef]
- Kenned, J.B. High Weber Number SMD Correlations for Pressure Atomizers. J. Eng. Gas Turbines Power 1986, 108, 191–195. [Google Scholar] [CrossRef]
- Song, K.W.; Kim, Y.S.; Chang, G.S. Rheology of concentrated xanthan gum solutions: Steady shear Flow behaviour. Fibers Polym. 2006, 7, 129–138. [Google Scholar] [CrossRef]
- Mazzitelli, S.; Luca, G.; Mancuso, F.; Calvitti, M.; Calafiore, R.; Nastruzzi, C.; Johnson, S.; Badylak, S.F. Production and characterization of engineered alginate-based microparticles containing ECM powder for cell/tissue engineering applications. Acta Biomater. 2011, 7, 1050–1062. [Google Scholar] [CrossRef]
- Cui, J.; Goh, J.; Park, S.; Kim, P.; Lee, B. Preparation and Physical Characterization of Alginate Microparticles Using Air Atomization Method. Drug Dev. Ind. Pharm. 2001, 27, 309–319. [Google Scholar] [CrossRef] [PubMed]
- Hariyadi, D.M.; Lin, S.C.Y.; Wang, Y.; Bostrom, T.; Turner, M.S.; Bhandari, B.; Coombes, A.G.A. Diffusion loading and drug delivery characteristics of alginate gel microparticles produced by a novel impinging aerosols method. J. Drug Target. 2010, 18, 831–841. [Google Scholar] [CrossRef]
- Loira-Pastoriza, C.; Todoroff, J.; Vanbever, R. Delivery strategies for sustained drug release in the lungs. Adv. Drug Deliv. Rev. 2014, 75, 81–91. [Google Scholar] [CrossRef]
- Gonçalves, V.S.S.; Gurikov, P.; Poejo, J.; Matias, A.A.; Heinrich, S.; Duarte, C.M.M.; Smirnova, I. Alginate-based hybrid aerogel microparticles for mucosal drug delivery. Eur. J. Pharm. Biopharm. 2016, 107, 160–170. [Google Scholar] [CrossRef]









| Alginate (% w/w) | Density (g/cm3) | Surface Tension (N/m) | Viscosity (cP) |
|---|---|---|---|
| 0.50 | 0.999 | 0.096 | 15 |
| 0.75 | 1.001 | 0.102 | 40 |
| 1.00 | 1.004 | 0.111 | 90 |
| 1.50 | 1.006 | 0.115 | 250 |
| 2.00 | 1.008 | 0.142 | 450 |
| Alginate (% w/w) | K (Pa·s)n | n | Standard Error |
|---|---|---|---|
| 0.50 | 0.015 | 0.9642 | 2.65 |
| 0.75 | 0.038 | 0.9246 | 4.66 |
| 1.00 | 0.089 | 0.9410 | 5.63 |
| 1.50 | 0.250 | 0.7812 | 10.23 |
| 2.00 | 1.901 | 0.7336 | 18.49 |
| Pressure Ratio | Alginate Concentration (%) | Viscosity (cP) | Size (µm) |
|---|---|---|---|
| 1 | 0.50% | 15 | 2.969 |
| 0.75% | 40 | 6.401 | |
| 1.00% | 90 | 7.203 | |
| 1.50% | 250 | 6.951 | |
| 0.85 | 0.50% | 15 | 1.898 |
| 0.75% | 40 | 4.000 | |
| 1.00% | 90 | 5.956 | |
| 1.50% | 250 | 6.000 |
| Microparticles | Z-Average Size (µm) | PDI | Flow (L/h) | Pressure Ratio | |
|---|---|---|---|---|---|
| Formulations | Ppz 1 | 6.04 ± 0.50 | 0.818 | 5.4 | 1 |
| Ppz 2 | 6.37 ± 0.60 | 0.456 | 5.8 | 0.85 | |
| Ppz 3 | 5.06 ± 0.42 | 0.470 | 5.8 | 1 | |
| Ppz 4 | 4.93 ± 0.69 | 0.351 | 6.1 | 0.85 | |
| Ppz 5 | 7.56 ± 1.99 | 0.398 | 6.1 | 1 | |
| Ppz 6 | 5.42 ± 0.19 | 0.535 | 6.5 | 0.85 | |
| Ppz 7 | 10.41 ± 1.27 | 0.510 | 6.5 | 1 | |
| Ppz 8 | 7.11 ± 0.27 | 0.482 | 6.7 | 0.85 | |
| Ppz 9 | 6.94 ± 0.84 | 0.430 | 6.7 | 1 | |
| Microparticles | SMD (µm) (3,2) | Span | d0.1 (µm) | d0.5 (µm) | d0.9 (µm) | Flow (L/h) | Pressure Ratio | |
|---|---|---|---|---|---|---|---|---|
| Formulations | BaCl2 1 | 30.75 | 2.334 | 20.30 | 43.90 | 122.95 | 5.4 | 1 |
| BaCl2 2 | 50.90 | 3.154 | 32.95 | 74.87 | 269.07 | 5.8 | 0.85 | |
| BaCl2 3 | 62.60 | 1.892 | 27.70 | 211.90 | 428.70 | 5.8 | 1 | |
| BaCl2 4 | 37.56 | 2.020 | 23.55 | 58.75 | 141.60 | 6.1 | 0.85 | |
| BaCl2 5 | 60.94 | 4.580 | 27.60 | 84.74 | 415.75 | 6.1 | 1 | |
| BaCl2 6 | 40.45 | 2.168 | 24.70 | 64.75 | 165.09 | 6.5 | 0.85 | |
| BaCl2 7 | 47.38 | 2.747 | 23.26 | 149.61 | 434.28 | 6.5 | 1 | |
| BaCl2 8 | 41.05 | 1.586 | 26.48 | 60.81 | 112.02 | 6.7 | 0.85 | |
| Pressure Ratio | Alginate Concentration (%) | Z | We | SMD (µm) |
|---|---|---|---|---|
| 1 | 0.50% | 0.002 | 3105 | 2.969 |
| 0.75% | 0.006 | 2920 | 6.401 | |
| 1.00% | 0.015 | 2705 | 7.203 | |
| 1.50% | 0.043 | 2610 | 6.951 | |
| 0.85 | 0.50% | 0.002 | 3105 | 1.898 |
| 0.75% | 0.006 | 2920 | 4.000 | |
| 1.00% | 0.015 | 2705 | 5.956 | |
| 1.50% | 0.043 | 2610 | 6.000 |
| PR: 0.85 | PR: 1.0 | ||
|---|---|---|---|
| Parameters estimated | a | −7.125 | −7.92 |
| b | 8.85 × 10−4 | 8.01 × 10−4 | |
| c | 7.44 | 8.11 | |
| d | −0.312 | −0.1873 | |
| Calculous time (s) | 74 | 102 | |
| Number of iterations | 281 | 386 | |
| Weighted residuals | 891.4 | 415.7 | |
| χ2 | 99,999 | 99,999 | |
| Alginate Concentration | PR | Experimental (µm) | Estimated (µm) |
|---|---|---|---|
| 0.4% (w/w) | 0.85 | 0.768 | 0.957 |
| 1 | 1.111 | 2.127 | |
| 1.8% (w/w) | 0.85 | 7.469 | 9.614 |
| 1 | 8.741 | 8.340 |
Publisher’s Note: MDPI stays neutral with regard to jurisdictional claims in published maps and institutional affiliations. |
© 2021 by the authors. Licensee MDPI, Basel, Switzerland. This article is an open access article distributed under the terms and conditions of the Creative Commons Attribution (CC BY) license (https://creativecommons.org/licenses/by/4.0/).
Share and Cite
Arauzo, B.; González-Garcinuño, Á.; Tabernero, A.; Lobera, M.P.; Santamaria, J.; Martín del Valle, E.M. Tuning Alginate Microparticle Size via Atomization of Non-Newtonian Fluids. Materials 2021, 14, 7601. https://doi.org/10.3390/ma14247601
Arauzo B, González-Garcinuño Á, Tabernero A, Lobera MP, Santamaria J, Martín del Valle EM. Tuning Alginate Microparticle Size via Atomization of Non-Newtonian Fluids. Materials. 2021; 14(24):7601. https://doi.org/10.3390/ma14247601
Chicago/Turabian StyleArauzo, Beatriz, Álvaro González-Garcinuño, Antonio Tabernero, Maria Pilar Lobera, Jesus Santamaria, and Eva María Martín del Valle. 2021. "Tuning Alginate Microparticle Size via Atomization of Non-Newtonian Fluids" Materials 14, no. 24: 7601. https://doi.org/10.3390/ma14247601
APA StyleArauzo, B., González-Garcinuño, Á., Tabernero, A., Lobera, M. P., Santamaria, J., & Martín del Valle, E. M. (2021). Tuning Alginate Microparticle Size via Atomization of Non-Newtonian Fluids. Materials, 14(24), 7601. https://doi.org/10.3390/ma14247601

