Broadband Bi-Directional Polarization-Insensitive Metamaterial Absorber
Abstract
:1. Introduction
2. Design and Simulation
3. Results and Discussion
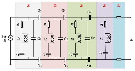
4. Analysis of the Equivalent Circuit
5. Experimental Verification
6. Conclusions
Author Contributions
Funding
Institutional Review Board Statement
Informed Consent Statement
Data Availability Statement
Conflicts of Interest
References
- Kim, J.; Han, K.; Hahn, J.W. Selective dual-band metamaterial perfect absorber for infrared stealth technology. Sci. Rep. 2017, 7, 6740. [Google Scholar] [CrossRef]
- Peng, L.; Liu, D.; Cheng, H.; Zhou, S.; Zu, M. A multilayer film based selective thermal emitter for infrared stealth technology. Adv. Opt. Mater. 2018, 6, 1801006. [Google Scholar] [CrossRef]
- Li, P.; Liu, B.; Ni, Y.; Liew, K.K.; Sze, J.; Chen, S. Large-scale nanophotonic solar selective absorbers for high-efficiency solar thermal energy conversion. Adv. Mater. 2015, 27, 4585–4591. [Google Scholar] [CrossRef] [PubMed]
- Lin, K.-T.; Lin, H.; Yang, T.; Jia, B. Structured graphene metamaterial selective absorbers for high efficiency and omnidirectional solar thermal energy conversion. Nat. Commun. 2020, 11, 1389. [Google Scholar] [CrossRef] [PubMed] [Green Version]
- Alavikia, B.; Almoneef, T.S.; Ramahi, O.M. Wideband resonator arrays for electromagnetic energy harvesting and wireless power transfer. Appl. Phys. Lett. 2015, 107, 243902. [Google Scholar] [CrossRef]
- Duan, X.; Chen, X.; Zhou, Y.; Zhou, L.; Hao, S. Wideband metamaterial electromagnetic energy harvester with high capture efficiency and wide incident angle. IEEE Antennas Wirel. Propag. Lett. 2018, 17, 1617–1621. [Google Scholar] [CrossRef]
- Alkurt, F.O.; Altintas, O.; Ozakturk, M.; Karaaslan, M.; Akgol, O.; Unal, E.; Sabah, C. Enhancement of image quality by using metamaterial inspired energy harvester. Phys. Lett. A 2020, 384, 126041. [Google Scholar] [CrossRef]
- Liu, T.; Cao, X.; Gao, J.; Zheng, Q.; Li, W.; Yang, H. RCS Reduction of Waveguide Slot Antenna with Metamaterial Absorber. IEEE Trans. Antennas Propag. 2012, 61, 1479–1484. [Google Scholar] [CrossRef]
- Bhattarai, K.; Ku, Z.; Silva, S.; Jeon, J.; Kim, J.O.; Lee, S.J.; Urbas, A.; Zhou, J. A large-area, mushroom-capped plasmonic perfect absorber: Refractive index sensing and Fabry—Perot cavity mechanism. Adv. Opt. Mater. 2015, 3, 1779–1786. [Google Scholar] [CrossRef]
- Cetin, A.E.; Korkmaz, S.; Durmaz, H.; Aslan, E.; Kaya, S.; Paiella, R.; Turkmen, M. Quantification of multiple molecular fingerprints by dual-resonant perfect absorber. Adv. Opt. Mater. 2016, 4, 1274–1280. [Google Scholar] [CrossRef]
- Vafapour, Z. Polarization-independent perfect optical metamaterial absorber as a glucose sensor in food industry applications. IEEE Trans. Nanobiosci. 2019, 18, 622–627. [Google Scholar] [CrossRef]
- Hasan, D.; Lee, C. Hybrid metamaterial absorber platform for sensing of CO2 gas at Mid-IR. Adv. Sci. 2018, 5, 1700581. [Google Scholar] [CrossRef] [PubMed]
- Lari, E.S.; Vafapour, Z.; Ghahraloud, H. Optically tunable triple—band perfect absorber for nonlinear optical liquids sensing. IEEE Sens. J. 2020, 20, 10130–10137. [Google Scholar] [CrossRef]
- Chen, K.; Adato, R.; Altug, H. Dual-band perfect absorber for multispectral plasmon-enhanced infrared spectroscopy. ACS Nano 2012, 6, 7998–8006. [Google Scholar] [CrossRef] [PubMed]
- Zhao, L.; Liu, H.; He, Z.; Dong, S. All-metal frequency-selective absorber/emitter for laser stealth and infrared stealth. Appl. Opt. 2018, 57, 1757–1764. [Google Scholar] [CrossRef] [PubMed]
- Chirumamilla, M.; Chirumamilla, A.; Yang, Y.; Roberts, A.S.; Kristensen, P.K.; Chaudhuri, K.; Boltasseva, A.; Sutherland, D.S.; Bozhevolnyi, S.I.; Pedersen, K. Large-area ultrabroadband absorber for solar thermophotovoltaics based on 3D titanium nitride nanopillars. Adv. Opt. Mater. 2017, 5, 1700552. [Google Scholar] [CrossRef]
- Kim, I.; So, S.; Rana, A.S.; Mehmood, M.Q.; Rho, J. Thermally robust ring-shaped chromium perfect absorber of visible light. Nanophotonics 2018, 7, 1827–1833. [Google Scholar] [CrossRef]
- Zuo, W.; Yang, Y.; He, X.; Zhan, D.; Zhang, Q. A miniaturized metamaterial absorber for ultrahigh—frequency RFID system. IEEE Antennas Wirel. Propag. Lett. 2017, 16, 329–332. [Google Scholar] [CrossRef]
- Li, A.; Singh, S.; Sievenpiper, D. Metasurfaces and their applications. Nanophotonics 2018, 7, 989–1011. [Google Scholar] [CrossRef]
- Bilal, R.M.H.; Baqir, M.A.; Choudhury, P.K.; Ali, M.M.; Rahim, A.A.; Kamal, W. Polarization-insensitive multi-band metamaterial absorber operating in the 5G spectrum. Opt.-Int. J. Light Electron Opt. 2020, 216, 164958. [Google Scholar] [CrossRef]
- Landy, N.I.; Sajuyigbe, S.; Mock, J.J.; Smith, D.R.; Padilla, W.J. Perfect metamaterial absorber. Phys. Rev. Lett. 2008, 100, 207402. [Google Scholar] [CrossRef] [PubMed]
- Wen, D.; Huang, X.; Guo, L.; Yang, H.; Han, S.; Zhang, J. Quadruple-band polarization-insensitive wide-angle metamaterial absorber based on multi-layer structure. Optik 2015, 126, 1018–1020. [Google Scholar] [CrossRef]
- Zhu, W.; Rukhlenko, I.D.; Xiao, F.; He, C.; Geng, J.; Liang, X.; Premaratne, M.; Jin, R. Multiband coherent perfect absorption in a water-based metasurface. Opt. Express 2017, 25, 15737–15745. [Google Scholar] [CrossRef]
- Cheng, Y.Z.; Huang, M.L.; Chen, H.R.; Guo, Z.Z.; Mao, X.S.; Gong, R.Z. Ultrathin six-band polarization-insensitive perfect metamaterial absorber based on a cross-cave patch resonator for terahertz waves. Materials 2017, 10, 591. [Google Scholar] [CrossRef] [PubMed] [Green Version]
- Wang, L.; Huang, X.; Li, M.; Dong, J. Chirality selective metamaterial absorber with dual bands. Opt. Express 2019, 27, 25983–25993. [Google Scholar] [CrossRef]
- Lin, H.; Sturmberg, B.C.P.; Lin, K.-T.; Yang, Y.; Zheng, X.; Chong, T.K.; Sterke, C.M.S.; Jia, B. A 90-nm-thick graphene metamaterial for strong and extremely broadband absorption of unpolarized light. Nat. Photonics 2019, 13, 270. [Google Scholar] [CrossRef]
- Yu, P.; Besteiro, L.V.; Huang, Y.; Wu, J.; Fu, L.; Tan, H.H.; Jagadish, C.; Wiederrecht, G.P.; Govorov, A.O.; Wang, Z. Broadband Metamaterial Absorbers. Adv. Opt. Mater. 2019, 7, 1800995. [Google Scholar] [CrossRef] [Green Version]
- Zhuang, H.Y.; Wang, X.K.; Wang, J.J.; Guo, M.C.; Tang, D.M.; Zhang, B.S.; Chen, X.; Chen, P.; Yang, Y. Broadband microwave metamaterial absorber based on magnetic periodic elements. J. Phys. D Appl. Phys. 2020, 53, 255502. [Google Scholar] [CrossRef]
- Deng, G.S.; Lv, K.; Sun, H.X.; Yang, J.; Yin, Z.P.; Chi, B.H.; Li, X. An ultra-broadband and optically transparent metamaterial absorber based on multilayer indium-tin-oxide structure. J. Phys. D Appl. Phys. 2021, 54, 165301. [Google Scholar] [CrossRef]
- Fan, S.; Song, Y. Ultra-wideband flexible absorber in microwave frequency band. Materials 2020, 13, 4883. [Google Scholar] [CrossRef]
- Wang, B.X.; Wang, L.L.; Wang, G.Z.; Huang, W.Q.; Li, X.F.; Zhai, X. Theoretical investigation of broadband and wide-angle terahertz metamaterial absorber. IEEE Photonics Technol. Lett. 2014, 26, 111–114. [Google Scholar] [CrossRef]
- Deng, G.; Lv, K.; Sun, H.; Yang, J.; Yin, Z.; Li, Y.; Chi, B.; Li, X. An ultrathin, triple—band metamaterial absorber with wide - incident - angle stability for conformal applications at X and Ku frequency band. Nanoscale Res. Lett. 2020, 15, 217. [Google Scholar] [CrossRef]
- Ghosh, S.; Bhattacharyya, S.; Kaiprath, Y.; Vaibhav Srivastava, K. Bandwidth-enhanced polarization-insensitive microwave metamaterial absorber and its equivalent circuit model. J. Appl. Phys. 2014, 115, 104503. [Google Scholar] [CrossRef]
- Amiri, M.; Tofigh, F.; Shariati, N.; Lipman, J.; Abolhasan, M. Wide—angle metamaterial absorber with highly insensitive absorption for TE and TM modes. Sci. Rep. 2020, 10, 13638. [Google Scholar] [CrossRef] [PubMed]
- Li, A.; Kim, S.; Luo, Y.; Li, Y.; Long, J.; Sievenpiper, D.F. High-power transistor-based tunable and switchable metasurface absorber. IEEE Trans. Microw. Theory Tech. 2017, 65, 2810–2818. [Google Scholar] [CrossRef] [Green Version]
- Li, Y.; Lin, J.; Guo, H.; Sun, W.; Xiao, S.; Zhou, L. A tunable metasurface with switchable functionalities: From perfect transparency to perfect absorption. Adv. Opt. Mater. 2020, 8, 1901548. [Google Scholar] [CrossRef]
- Jeong, H.; Le, D.H.; Lim, D.; Phon, R.; Lim, S. Reconfigurable metasurfaces for frequency selective absorption. Adv. Opt. Mater. 2020, 8, 1902182. [Google Scholar] [CrossRef]
- Nemati, A.; Wang, Q.; Hong, M.; Teng, J. Tunable and reconfigurable metasurfaces and metadevices. Opto-Electron. Adv. 2018, 1, 180009. [Google Scholar] [CrossRef] [Green Version]
- Han, C.; Zhong, R.; Liang, Z.; Yang, L.; Fang, Z.; Wang, Y.; Ma, A.; Wu, Z.; Hu, M.; Liu, D.; et al. Independently tunable multipurpose absorber with single layer of metal-graphene metamaterials. Materials 2021, 14, 284. [Google Scholar] [CrossRef] [PubMed]
- Stephen, L.; Yogesh, N.; Subramanian, V. Realization of bidirectional, bandwidth-enhanced metamaterial absorber for microwave applications. Sci. Rep. 2019, 9, 10058. [Google Scholar] [CrossRef] [PubMed]
- Li, Z.; Liu, W.; Tang, C.; Cheng, H.; Li, Z.; Zhang, Y.; Li, J.; Chen, S.; Tian, J. A bilayer plasmonic metasurface for polarization-insensitive bidirectional perfect absorption. Adv. Theory Simul. 2020, 3, 1900216. [Google Scholar] [CrossRef]
- Meng, H.; Shang, X.; Xue, X.; Tang, K.; Xia, S.; Zhai, X.; Liu, Z.; Chen, J.; Li, H.; Wang, L. Bidirectional and dynamically tunable THz absorber with Dirac semimetal. Opt. Express 2019, 27, 31062–31074. [Google Scholar] [CrossRef] [PubMed]
- Langley, R.J.; Parker, E.A. Equivalent circuit model for arrays of square loops. Electron. Lett. 1982, 18, 294–296. [Google Scholar] [CrossRef]
- Chen, X.; Li, Y.; Fu, Y.; Yuan, N. Design and analysis of lumped resistor loaded metamaterial absorber with transmission band. Opt. Express 2012, 20, 28347. [Google Scholar] [CrossRef]













| Parameter | R1 | R2 | R3 | P | L1 | L2 | L3 | h1 |
| Dimension | 250 Ω | 250 Ω | 450 Ω | 48 mm | 42 mm | 23.15 mm | 14 mm | 1.7 mm |
| Parameter | t1 | t2 | t3 | w1 | w2 | w3 | w4 | -- |
| Dimension | 2.5 mm | 14 mm | 0.3 mm | 1 mm | 1.5 mm | 2 mm | 3.5 mm | -- |
| Parameter | R1 | R2 | R3 | R4 | Parameter | C2 | C22 | C23 | C24 |
| Value (Ω) | 30.01 | 0.01 | 900.01 | 0.01 | Value (pF) | 2.75 | 0.66 | 17.12 | 0.61 |
| Parameter | L1 | L2 | L3 | L4 | Parameter | C3 | C32 | C33 | C34 |
| Value (nH) | 27.31 | 4.96 | 0.01 | 24.01 | Value (pF) | 1.21 | 0.01 | 11.11 | 0.88 |
| Parameter | C1 | C12 | C13 | C14 | Parameter | C4 | -- | -- | -- |
| Value (pF) | 0.31 | 0.28 | 0.01 | 1.55 | Value (pF) | 3.61 | -- | -- | -- |
Publisher’s Note: MDPI stays neutral with regard to jurisdictional claims in published maps and institutional affiliations. |
© 2021 by the authors. Licensee MDPI, Basel, Switzerland. This article is an open access article distributed under the terms and conditions of the Creative Commons Attribution (CC BY) license (https://creativecommons.org/licenses/by/4.0/).
Share and Cite
Tian, F.; Ma, X.; Hao, H.; Li, X.; Fan, J.; Guo, L.; Huang, X. Broadband Bi-Directional Polarization-Insensitive Metamaterial Absorber. Materials 2021, 14, 7339. https://doi.org/10.3390/ma14237339
Tian F, Ma X, Hao H, Li X, Fan J, Guo L, Huang X. Broadband Bi-Directional Polarization-Insensitive Metamaterial Absorber. Materials. 2021; 14(23):7339. https://doi.org/10.3390/ma14237339
Chicago/Turabian StyleTian, Feng, Xia Ma, Han Hao, Xuewen Li, Jingdao Fan, Liang Guo, and Xiaojun Huang. 2021. "Broadband Bi-Directional Polarization-Insensitive Metamaterial Absorber" Materials 14, no. 23: 7339. https://doi.org/10.3390/ma14237339
APA StyleTian, F., Ma, X., Hao, H., Li, X., Fan, J., Guo, L., & Huang, X. (2021). Broadband Bi-Directional Polarization-Insensitive Metamaterial Absorber. Materials, 14(23), 7339. https://doi.org/10.3390/ma14237339

