An Improved Method of Minimizing Tool Vibration during Boring Holes in Large-Size Structures
Abstract
1. Introduction
- –
- discrete modeling of an inherently rigid workpiece was abandoned;
- –
- the focus was put on the discrete modeling of a boring tool with the use of a set of flexible bars, and on the assessment of model compliance with a real object;
- –
- vibrations in the boring process were observed in all directions, and the cutting process itself shows the features of geometric nonlinearity due to the dynamic change in the thickness and width of the layer.
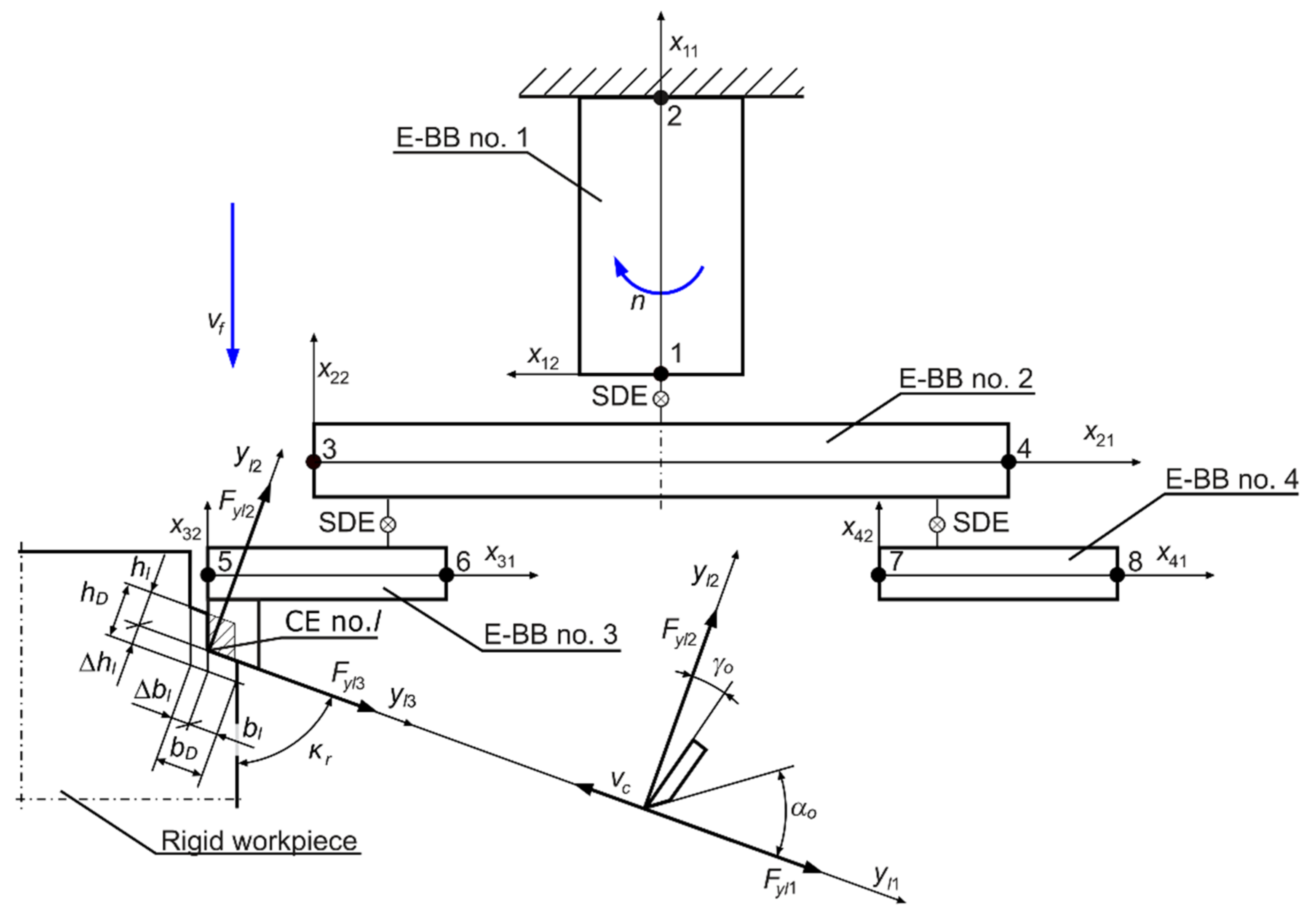
2. Simulation Model
- –
- rake angle γ0 and clearance angle α0, as elements of cutting edge geometry in the orthogonal plane of the edge,
- –
- cutting edge angle κr,
- –
- force Fyl1, acting in the direction of the cutting speed vc,
- –
- the time-varying thickness of the cutting layer hl, and the force acting in its direction—Fyl2,
- –
- the time-varying width of the cutting layer bl, and the force acting in its direction—Fyl3.
3. Selecting the Best Spindle Speed
4. Modal Identification of Boring Tool
5. The Calculation Model of a Boring Tool
6. Computer Simulations
7. Experimental Research of the Boring Process
8. Implementation Profitability Assessment
- –
- lp0—number of inspection cuts for pass,
- –
- tpk0—time of inspection cut of pass,
- –
- tg0—main time of pass.
- –
- for standard technology—16.04 min,
- –
- in the case of technology based on the best combination of parameters—7.13 min.
- –
- minimizing the vibration level of the boring tool, thereby maintaining the required product quality, and
- –
- shortening the total standard of time by 8.91 min, i.e., by 56%.
9. Conclusions
Author Contributions
Funding
Institutional Review Board Statement
Informed Consent Statement
Data Availability Statement
Acknowledgments
Conflicts of Interest
Appendix A
Appendix A.1. Matrix of Shape Functions of E-BB No. e
Appendix A.2. Inertia Matrix of E-BB No. e
Appendix A.3. Stiffness Matrix of E-BB No. e
Appendix A.4. Damping Matrix of E-BB No. e
Appendix A.5. Inertia Matrix of the Whole M-Degree-of-Freedom Discrete System
Appendix A.6. Damping Matrix of the Whole M-Degree-of-Freedom Discrete System
- —matrix of damping coefficients of SDE no. k, connecting E-BB no. e = e1 and E-BB no. e = e2,
- —matrix of direction cosines of angles between axis of SDE no. k and axis of E-BB no. e,
- —matrix of shape functions of E-BB no. e, determined for the coordinates of the connection point of SDE no. k and E-BB no. e.
Appendix A.7. Stiffness Matrix of the Whole M-Degree-of-Freedom Discrete System
Appendix A.8. Time-Dependent Matrix of Transformation from Generalized Coordinates Vector to Cartesian Coordinates yl1, yl2, yl3 of CE No. l
- —matrix of direction cosines of angles between axis of CE no. l and axis of E-BB no. e,
- —matrix of shape functions of E-BB no. e, determined for the coordinate of the connection point of CE no. l and E-BB no. e.
References
- Ajayan, M.; Nishad, P.N. Vibration control of 3D gantry crane with precise positioning in two dimensions. In Proceedings of the IEEE Emerging Research Areas: Magnetics, Machines and Drives (AICERA/iCMMD), Annual International Conference, Kottayam, India, 24–26 July 2014; pp. 1–5. [Google Scholar] [CrossRef]
- Yigit, U.; Cigeroglu, E.; Budak, E. Chatter reduction in boring process by using piezoelectric shunt damping with experimental verification. Mech. Syst. Signal Process. 2017, 94, 312–321. [Google Scholar] [CrossRef]
- Atabey, F.; Lazoglu, I.; Altintas, Y. Mechanics of boring processes—Part I. Int. J. Mach. Tools Manuf. 2003, 43, 463–476. [Google Scholar] [CrossRef]
- Kalinski, K.J.; Galewski, M.A.; Mazur, M.R.; Morawska, N. A technique of experiment aided virtual prototyping to obtain the best spindle speed during face milling of large-size structures. Meccanica 2021, 56, 825–840. [Google Scholar] [CrossRef]
- Lawrance, G.; Paul, P.S.; Varadarajan, A.S.; Vasanth, A.; Gunaraj, L. Suppression of Tool Vibration in Boring Process: A Review. J. Inst. Eng. 2019, 100, 1053–1069. [Google Scholar] [CrossRef]
- Saleh, M.K.; Nejatpour, M.; Acar, H.Y.; Lazoglu, I. A new magnetorheological damper for chatter stability of boring tools. J. Mater. Process. Technol. 2021, 289, 116931. [Google Scholar] [CrossRef]
- Miguélez, M.; Rubio, M.L.; Loya, J.; Fernández-Sáez, J. Improvement of chatter stability in boring operations with passive vibration absorbers. Int. J. Mech. Sci. 2010, 52, 1376–1384. [Google Scholar] [CrossRef]
- Bansal, A.; Law, M. A Receptance Coupling Approach to Optimally Tune and Place Absorbers on Boring Bars for Chatter Suppression. Procedia CIRP 2018, 77, 167–170. [Google Scholar] [CrossRef]
- Yadav, A.; Talaviya, D.; Bansal, A.; Law, M. Design of Chatter-Resistant Damped Boring Bars Using a Receptance Coupling Approach. J. Manuf. Mater. Process. 2020, 4, 53. [Google Scholar] [CrossRef]
- Ema, S.; Marui, E. Suppression of chatter vibration of boring tools using impact dampers. Int. J. Mach. Tools Manuf. 2000, 40, 1141–1156. [Google Scholar] [CrossRef]
- Liu, X.; Liu, Q.; Wu, S.; Li, R.; Gao, H. Analysis of the vibration characteristics and adjustment method of boring bar with a variable stiffness vibration absorber. Int. J. Adv. Manuf. Technol. 2017, 98, 95–105. [Google Scholar] [CrossRef]
- Wallyson, T.; Zsombor, F.; Attila, A. Passive Damping Techniques for Vibration Suppression in Boring Operation with Long Overhangs. In Vehicle and Automotive Engineering 3; Jarmal, K., Voith, K., Eds.; Springer: Singapore, 2020; pp. 256–264. [Google Scholar] [CrossRef]
- Zhang, Y.; Ren, Y.; Zhang, J. Stability Analysis of Cutting Process with Internally Damped Rotating Tapered Composite Cutter Bar. Math. Probl. Eng. 2020, 2020, 2587820. [Google Scholar] [CrossRef]
- Ma, J.; Xu, J.; Ren, Y. Analysis on Free Vibration and Stability of Rotating Composite Milling Bar with Large Aspect Ratio. Appl. Sci. 2020, 10, 3557. [Google Scholar] [CrossRef]
- Ghorbani, S.; Rogov, V.A.; Carluccio, A.; Belov, P.S. The effect of composite boring bars on vibration in machining process. Int. J. Adv. Manuf. Technol. 2019, 105, 1157–1174. [Google Scholar] [CrossRef]
- Ma, B.; Ren, Y. Nonlinear Dynamic Analysis of the Cutting Process of a Nonextensible Composite Boring Bar. Shock Vib. 2020, 2020, 5971540. [Google Scholar] [CrossRef]
- Houck, L., III; Schmitz, T.L.; Smith, K.S. A tuned holder for increased boring bar dynamic stiffness. J. Manuf. Process. 2011, 13, 24–29. [Google Scholar] [CrossRef]
- Chockalingam, S.; Ramabalan, S.; Govindan, K. Chatter control and stability analysis in cantilever boring bar using FEA methods. Mater. Today Proc. 2020, 33, 2577–2580. [Google Scholar] [CrossRef]
- Suzuki, N.; Nishimura, K.; Watanabe, R.; Kato, T.; Shamoto, E. Development of Novel Anisotropic Boring Tool for Chatter Suppression. Procedia CIRP 2012, 1, 56–59. [Google Scholar] [CrossRef][Green Version]
- Takahashi, W.; Suzuki, N.; Shamoto, E. Development of a novel boring tool with anisotropic dynamic stiffness to avoid chatter vibration in cutting: Part 2: Analytical and experimental verification of the proposed method. Precis. Eng. 2021, 68, 20–34. [Google Scholar] [CrossRef]
- Moradian, H.; Abbasi, M.H.; Moradi, H. Adaptive sliding mode control of regenerative chatter and stability improvement in boring manufacturing process with model uncertainties. Proc. Inst. Mech. Eng. Part C J. Mech. Eng. Sci. 2019, 234, 1171–1181. [Google Scholar] [CrossRef]
- Östling, D.; Jensen, T.; Tjomsland, M.; Standal, O.; Mugaas, T. Cutting process monitoring with an instrumented boring bar measuring cutting force and vibration. 8th CIRP Conference on High Performance Cutting (HPC 2018). Procedia CIRP 2018, 77, 235–238. [Google Scholar] [CrossRef]
- Gil Lee, D.; Hwang, H.Y.; Kim, J.K. Design and manufacture of a carbon fiber epoxy rotating boring bar. Compos. Struct. 2003, 60, 115–124. [Google Scholar] [CrossRef]
- Thorenz, B.; Friedrich, M.; Westermann, H.-H.; Döpper, G. Evaluation of the influence of different inner cores on the dynamic behavior of boring bars. Procedia CIRP 2019, 81, 1171–1176. [Google Scholar] [CrossRef]
- Rubio, M.L.; Loya, J.; Miguélez, M.; Fernandez-Saez, J. Optimization of passive vibration absorbers to reduce chatter in boring. Mech. Syst. Signal Process. 2013, 41, 691–704. [Google Scholar] [CrossRef]
- Chen, F.; Hanifzadegan, M.; Altintas, Y.; Lu, X. Active Damping of Boring Bar Vibration with a Magnetic Actuator. IEEE/ASME Trans. Mechatron. 2015, 20, 2783–2794. [Google Scholar] [CrossRef]
- Hayati, S.; Shahrokhi, M.; Hedayati, A. Development of a frictionally damped boring bar for chatter suppression in boring process. Int. J. Adv. Manuf. Technol. 2021, 113, 2761–2778. [Google Scholar] [CrossRef]
- Atabey, F.; Lazoglu, I.; Altintas, Y. Mechanics of boring processes—Part II—Multi-insert boring heads. Int. J. Mach. Tools Manuf. 2003, 43, 477–484. [Google Scholar] [CrossRef]
- Budak, E.; Özlü, E. Analytical Modeling of Chatter Stability in Turning and Boring Operations: A Multi-Dimensional Approach. CIRP Ann. 2007, 56, 401–404. [Google Scholar] [CrossRef]
- Uriarte, L.; Zatarain, M.; Axinte, D.; Yagüe-Fabra, J.; Ihlenfeldt, S.; Eguia, J.; Olarra, A. Machine tools for large parts. CIRP Ann.-Manuf. Technol. 2013, 62, 731–750. [Google Scholar] [CrossRef]
- Kaliński, K.J.; Galewski, M.A.; Mazur, M.R.; Morawska, N. Experiment-aided virtual prototyping to minimize tool-workpiece vibration during boring of large-sized structures. In Advances in Mechanism and Machine Science; Uhl, T., Ed.; Springer: Cham, Switzerland, 2019; Volume 73, pp. 2741–2750. [Google Scholar] [CrossRef]
- Kaliński, K.J. A Surveillance of Dynamic Processes in Mechanical Systems; The GUT Publishing House: Gdańsk, Poland, 2012. (In Polish) [Google Scholar]
- Przemieniecki, J.S. Theory of Matrix Structural Analysis; Dover Publications Inc.: New York, NY, USA, 2012. [Google Scholar]
- Wittbrodt, E.; Adamiec-Wójcik, I.; Wojciech, S. Dynamics of Flexible Multibody Systems. Rigid Finite Element Method; Springer: Berlin/Heidelberg, Germany, 2006. [Google Scholar] [CrossRef]
- Kaliński, K. The finite element method application to linear closed loop steady system vibration analysis. Int. J. Mech. Sci. 1997, 39, 315–330. [Google Scholar] [CrossRef]
- Gawroński, W.; Kruszewski, J.; Ostachowicz, W.; Tarnowski, J.; Wittbrodt, E. Finite Element Method in Structure Dynamics; Arkady: Warszawa, Poland, 1984. (In Polish) [Google Scholar]
- Tomkow, J. Vibrostability of Machine Tools; The Scientific and Technical Publication: Warsaw, Poland, 1997. (In Polish) [Google Scholar]
- Kalinski, K.J.; Galewski, M.A. Optimal spindle speed determination for vibration reduction during ball-end milling of flexible details. Int. J. Mach. Tools Manuf. 2015, 92, 19–30. [Google Scholar] [CrossRef]
- Kaliński, K.J.; Galewski, M.A.; Mazur, M.; Chodnicki, M. Modelling and Simulation of a New Variable Stiffness Holder for Milling of Flexible Details. Pol. Marit. Res. 2017, 24, 115–124. [Google Scholar] [CrossRef][Green Version]
- Galewski, M.; Kaliński, K. Vibration Surveillance in High Speed Milling with Slender Tools and Variable Rotation Speed; The GUT Publishing House: Gdańsk, Poland, 2009. (In Polish) [Google Scholar]
- Sandvik CoroBore® 825 Fine Boring Tools for High-Precision Boring. Available online: https://www.sandvik.coromant.com/en-gb/products/corobore_825_826_xl/pages/assortment.aspx (accessed on 10 December 2017).
- Maia, N.M.M.; Silva, J.M.M. Theoretical and Experimental Modal Analysis; Research Studies Press: Taunton, UK, 1997. [Google Scholar]
- Heylen, W.; Lammens, S.; Sas, P. Modal Analysis Theory and Testing; KU Leuven: Leuven, Belgium, 2007. [Google Scholar]
- Mazur, M.R.; Galewski, M.A.; Kaliński, K.J. Estimation of structural stiffness with the use of Particle Swarm Optimization. Lat. Am. J. Solids Struct. 2021, 18, 1–18. [Google Scholar] [CrossRef]
- Feld, M. Fundamentals of Designing Technological Processes of Typical Machine Parts; The Scientific and Technical Publication: Warsaw, Poland, 2000. (In Polish) [Google Scholar]












| Mode Number | ERA Natural Frequency (Hz) | ERA Modal Damping (%) | Mode Number | p-LSCFD Natural Frequency (Hz) | p-LSCFD Modal Damping (%) |
|---|---|---|---|---|---|
| 1 | 125.77 | 3.3 | 1 | 127.12 | 2.7 |
| 2 | 145.59 | 4.0 | 2 | 144.06 | 2.8 |
| 3 | 381.73 | 2.7 | 3 | 382.02 | 2.8 |
| 4 | 460.25 | 2.6 | 4 | 457.59 | 2.6 |
| 5 | 672.39 | 3.6 | 5 | 674.50 | 3.6 |
| 6 | 987.76 | 2.1 | 6 | 982.15 | 1.9 |
| 7 | 1128.6 | 1.5 | – | 1130.7 | 2.1 |
| 8 | 1203.8 | 3.5 | – | 1222.8 | 2.6 |
| – | – | – | 7 | 1299.99 | 3.1 |
| 9 | 1454.38 | 2.0 | 8 | 1447.36 | 1.7 |
| 10 | 1477.27 | 2.3 | 9 | 1475.39 | 2.5 |
| 11 | 1580.28 | 2.1 | 10 | 1582.56 | 1.9 |
| 12 | 1675.22 | 1.9 | 11 | 1643.77 | 2.5 |
| Spindle Speed | Feed Speed | 1st Natural Frequency | Radial Direction | Feed Speed Direction | Cutting Speed Direction | |||
|---|---|---|---|---|---|---|---|---|
| n (rpm) | vf (mm/min) | f (Hz) | RMS (mm) | q0 (mm) | RMS (mm) | q0 (mm) | RMS (mm) | q0 (mm) |
| 105 | 9.6 | 127.21 | 0.0229 | 0.0234 | 0.0546 | 0.0535 | 0.0196 | 0.0180 |
| 110 | 10.1 | 126.26 | 0.0360 | 0.0390 | 0.0858 | 0.0930 | 0.0187 | 0.0162 |
| 115 | 10.5 | 126.26 | 0.0323 | 0.0250 | 0.0770 | 0.0597 | 0.0172 | 0.0104 |
| 120 | 11.0 | 127.35 | 0.0208 | 0.0233 | 0.0496 | 0.0535 | 0.0189 | 0.0197 |
| 125 | 11.4 | 126.65 | 0.0380 | 0.0475 | 0.0906 | 0.1133 | 0.0219 | 0.0248 |
| Procedure | ae (mm) | n (rpm) | vf (mm/min) | D (mm) | Ra (µm) | Rz (µm) | Technology |
|---|---|---|---|---|---|---|---|
| W1 | 1 | 105 | 9.6 | 727.4632 | 5.080 | 24.73 | Standard |
| W2 | 1 | 110 | 10.1 | 729.4516 | 4.063 | 19.93 | Modification 1 |
| W3 | 1 | 120 | 10.8 | 731.4521 | 5.852 | 26.53 | Modification 2 |
| W4 | 1 | 125 | 11.9 | 733.4432 | 3.935 | 20.09 | Modification 3 |
Publisher’s Note: MDPI stays neutral with regard to jurisdictional claims in published maps and institutional affiliations. |
© 2021 by the authors. Licensee MDPI, Basel, Switzerland. This article is an open access article distributed under the terms and conditions of the Creative Commons Attribution (CC BY) license (https://creativecommons.org/licenses/by/4.0/).
Share and Cite
Kaliński, K.J.; Galewski, M.A.; Mazur, M.R.; Stawicka-Morawska, N. An Improved Method of Minimizing Tool Vibration during Boring Holes in Large-Size Structures. Materials 2021, 14, 4491. https://doi.org/10.3390/ma14164491
Kaliński KJ, Galewski MA, Mazur MR, Stawicka-Morawska N. An Improved Method of Minimizing Tool Vibration during Boring Holes in Large-Size Structures. Materials. 2021; 14(16):4491. https://doi.org/10.3390/ma14164491
Chicago/Turabian StyleKaliński, Krzysztof J., Marek A. Galewski, Michał R. Mazur, and Natalia Stawicka-Morawska. 2021. "An Improved Method of Minimizing Tool Vibration during Boring Holes in Large-Size Structures" Materials 14, no. 16: 4491. https://doi.org/10.3390/ma14164491
APA StyleKaliński, K. J., Galewski, M. A., Mazur, M. R., & Stawicka-Morawska, N. (2021). An Improved Method of Minimizing Tool Vibration during Boring Holes in Large-Size Structures. Materials, 14(16), 4491. https://doi.org/10.3390/ma14164491

