Effect of Confining Conditions on the Hydraulic Conductivity Behavior of Fiber-Reinforced Lime Blended Semiarid Soil
Abstract
:1. Introduction
2. Materials
2.1. Soil
2.2. Fiber
2.3. Lime
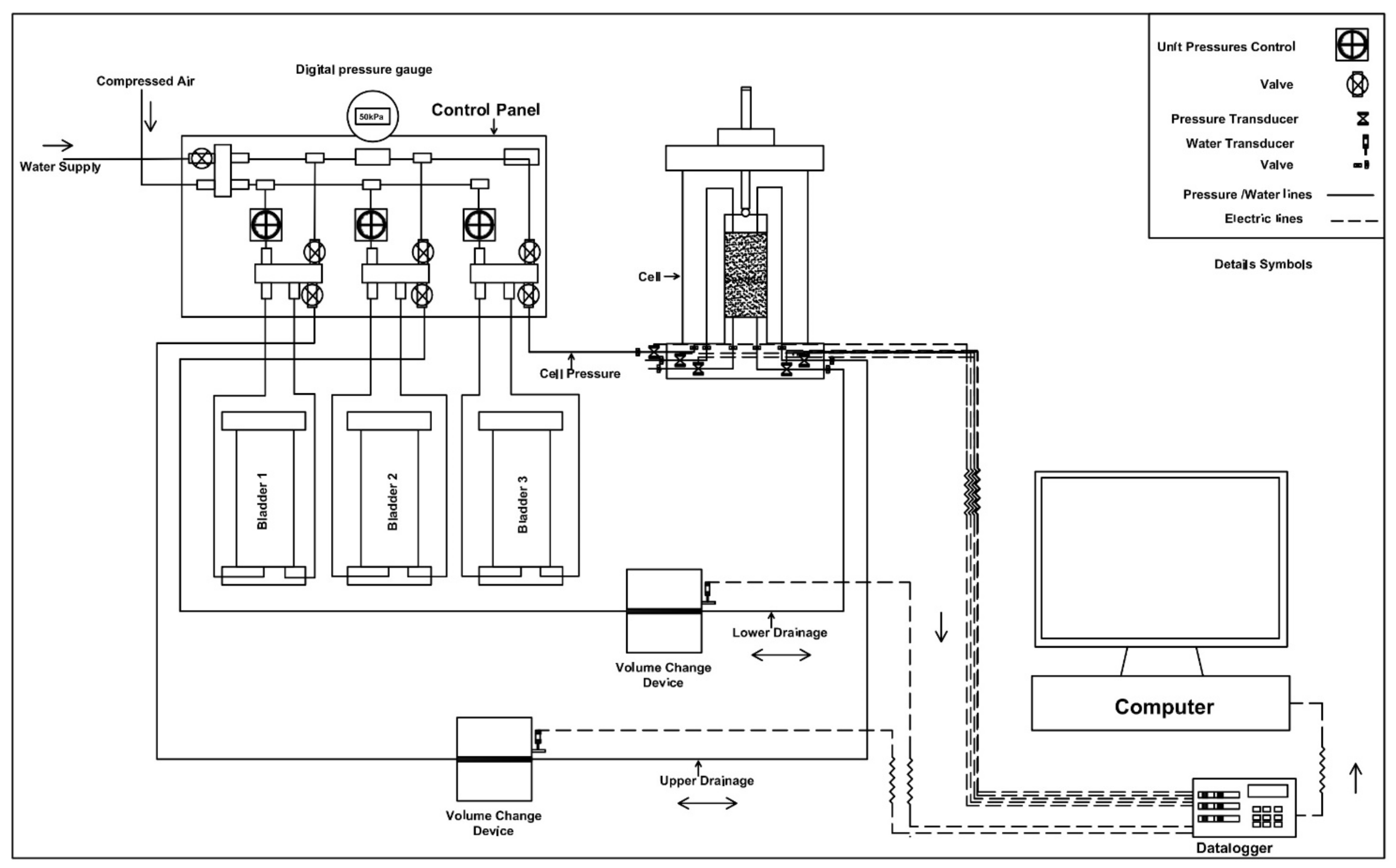
3. Experimental Program
3.1. Sample Preparation
3.2. Testing Procedure
4. Results and Discussion
4.1. Effect of Confining Pressure
4.2. Effect of Lime
4.3. Effect of Curing Time
4.4. Effect of Fiber
4.5. Comparison between Flexible Wall Permeameter and Rigid Wall Permeameter
5. Conclusions
- The addition of lime significantly increased the ksat values compared to untreated specimens.
- At lower confining pressures (50 to 200 kPa), the reduction in ksat values is attributed to a decrease in inter-aggregate flow paths. This effect is not significant at higher confining pressure (400 kPa).
- An increase in the dosage and lengths of fiber leads to an increase in ksat values irrespective of the fiber type.
- For FC at 0.2%, the ksat values reduced at the end of the 28-day curing period irrespective of the length of fiber used. At 0.6% dosage, the values marginally increased for the 12 mm fiber length due to increased drainage paths.
- For FM, the ksat values increased at the end of 28 days irrespective of dosage and fiber length at all confining pressures.
- ksat values are directly dependent on the nature and type of fiber used, of which FM fibers with extended protrusions enable higher friction levels. For FC fibers, increased fiber dosage from 0.2 to 0.6% has caused an increase in ksat values by 9.5% and 94.3% for the 6 and 12 mm lengths, respectively, at all confining pressures. In contrast, for a similar change in fiber amount for FM fibers, the ksat values for samples mixed with 6 mm fiber increased by 12 and 99.2% for 6 and 12 mm lengths, respectively for all confining pressures.
Author Contributions
Funding
Institutional Review Board Statement
Informed Consent Statement
Data Availability Statement
Acknowledgments
Conflicts of Interest
Abbreviations
| B | Coefficient of Saturation |
| BP | Back Pressure |
| CP | Cell Pressure |
| FC | Fiber Cast |
| FM | Fiber Mesh |
| FWP | Flexible Wall Permeameter |
| ksat | Saturated hydraulic conductivity |
| RWP | Rigid Wall Permeameter |
| ΔCP | The difference in cell pressure |
| Δu | The difference in pore-water pressure |
References
- Puppala, A.J.; Musenda, C. Effects of fiber reinforcement on strength and volume change in expansive soils. Transp. Res. Rec. 2000, C, 134–140. [Google Scholar] [CrossRef]
- Yetimoglu, T.; Salbas, O. A study on shear strength of sands reinforced with randomly distributed discrete fibers. Geotext. Geomembr. 2003, 21, 103–110. [Google Scholar] [CrossRef]
- Moghal, A.A.B.; Bhaskar, C.S.C.; Basha, B.M. Effect of fibre reinforcement on CBR behaviour of lime-blended expansive soils: Reliability approach. Road Mater. Pavement Des. 2017, 19, 690–709. [Google Scholar] [CrossRef]
- Moghal, A.A.B.; Lateef, M.A.; Mohammed, S.A.S.; Ahmad, M.; Usman, A.R.A.; Almajed, A. Heavy Metal Immobilization Studies and Enhancement in Geotechnical Properties of Cohesive Soils by EICP Technique. Appl. Sci. 2020, 10, 7568. [Google Scholar] [CrossRef]
- Almajed, A.; Lateef, M.A.; Moghal, A.A.B.; Lemboye, K.K. State-of-the-Art Review of the Applicability and Challenges of Microbial-Induced Calcite Precipitation (MICP) and Enzyme-Induced Calcite Precipitation (EICP) Techniques for Geotechnical and Geoenvironmental Applications. Crystals 2021, 11, 370. [Google Scholar] [CrossRef]
- Moghal, A.A.B.; Vydehi, K.V. State-of-the-art review on efficacy of xanthan gum and guar gum inclusion on the engineering behavior of soils. Innov. Infrastruct. Solut. 2021, 6, 1–14. [Google Scholar] [CrossRef]
- Khattak, M.J.; Alrashidi, M. Durability and mechanistic characteristics of fiber reinforced soil-cement mixtures. Int. J. Pavement Eng. 2006, 7, 53–62. [Google Scholar] [CrossRef]
- Viswanadham, B.V.S.; Phanikumar, B.R.; Mukherjee, R.V. Swelling behaviour of a geofiber-reinforced expansive soil. Geotext. Geomembr. 2009, 27, 73–76. [Google Scholar] [CrossRef]
- Moghal, A.A.B.; Bhaskar, C.S.C.; Basha, B.M.; Al-Mahbashi, A.M. Effect of polypropylene fibre reinforcement on the consolidation, swell and shrinkage behaviour of lime-blended expansive soil. Int. J. Geotech. Eng. 2018, 12, 462–471. [Google Scholar] [CrossRef]
- Abdi, M.R.; Parsapajouh, A.; Arjomand, M.A. Effects of Random Fiber Inclusion on Consolidation, Hydraulic Conductivity, Swelling, Shrinkage Limit and Desiccation Cracking of Clays. Int. J. Civ. Eng. 2008, 6, 284–292. [Google Scholar]
- Maher, M.; HO, Y. Mechanical properties of kaolinite/fiber soil composite. J. Geotech. Eng. ASCE 1994, 120, 1381–1393. [Google Scholar] [CrossRef]
- Miller, C.J.; Rifai, S. Fiber Reinforcement for Waste Containment Soil Liners. J. Environ. Eng. 2004, 130, 891–895. [Google Scholar] [CrossRef]
- Moghal, A.A.B.; Basha, B.M.; Ashfaq, M. Probabilistic Study on the Geotechnical Behavior of Fiber Reinforced Soil; Springer: Singapore, 2019; ISBN 9789811358715. [Google Scholar]
- Moghal, A.A.B.; Basha, B.M.; Chittoori, B.; Al-Shamrani, M.A. Effect of fiber reinforcement on the hydraulic conductivity behavior of lime-treated expansive soil—Reliability-based optimization perspective. ASCE Geotech Spec. Publ. No 2016, 263, 25–34. [Google Scholar] [CrossRef]
- Almajed, A.; Dinesh, S.; Moghal, A.A.B. Response Surface Method Analysis of Chemically Stabilized Fiber-Reinforced Soil. Materials 2021, 14, 1535. [Google Scholar] [CrossRef] [PubMed]
- Shaker, A.A.; Elkady, T.Y. Investigation of the hydraulic efficiency of sand-natural expansive clay mixtures. Int. J. Geomate 2016, 11, 2410–2415. [Google Scholar] [CrossRef]
- Nalbantoglu, Z.; Tuncer, E.R. Compressibility and hydraulic conductivity of a chemically treated expansive clay. Can. Geotech. J. 2001, 38, 154–160. [Google Scholar] [CrossRef]
- Locat, J.; Trembaly, H.; Leroueil, S. Mechanical and hydraulic behaviour of a soft inorganic clay treated with lime. Can. Geotech. J. 1996, 33, 654–669. [Google Scholar] [CrossRef]
- Metelková, Z.; Bohác, J.; Sedlárová, I.; Prikryl, R. Changes of pore size and of hydraulic conductivity by adding lime in compacting clay liners. In Geotechnical Engineering: New Horizons, Proceedings of the 21st European Young Geotechnical Engineers Conference Rotterdam 2011, Amsterdam, The Netherlands, 4–7 September 2011; IOS Press: Amsterdam, The Netherlands, 2011; Volume 2011, pp. 93–98. [Google Scholar] [CrossRef]
- Tran, T.D.; Cui, Y.J.; Tang, A.M.; Audiguier, M.; Cojean, R. Effects of lime treatment on the microstructure and hydraulic conductivity of Héricourt clay. J. Rock Mech Geotech. 2014, 6, 399–404. [Google Scholar] [CrossRef]
- Daniel, D.E.; Anderson, D.C.; Boynton, S.S. Fixed-wall versus flexible-wall permeameters. In Hydraulic Barriers in Soil and Rock; ASTM STP, 874; Johnson, A.I., Frobel, R.K., Cavalli, N.J., Pettersson, C.B., Eds.; ASTM: West Conshohoken, PA, USA, 1985; pp. 107–126. [Google Scholar] [CrossRef]
- Kang, J.; Shackelford, C.D. Clay membrane testing using a flexible-wall cell under closed-system boundary conditions. Appl. Clay Sci. 2009, 44, 43–58. [Google Scholar] [CrossRef]
- Dafalla, M.; Shaker, A.A.; Elkady, T.; Al-Shamrani, M.; Dhowian, A. Effects of confining pressure and effective stress on hydraulic conductivity of sand-clay mixtures. Arab. J. Geosci. 2015, 8, 9993–10001. [Google Scholar] [CrossRef]
- Eades, J.L.; Grim, R.E. A Quick Test to Determine Lime Requirements For Lime Stabilization. Highw. Res. Rec. 1966, 5, 61–72. [Google Scholar]
- Nataraj, M.S.; McManis, K.L. Strength and deformation properties of soils reinforced with fibrillated fibers. Geosynth. Int. 1997, 4, 65–79. [Google Scholar] [CrossRef]
- Soganci, A.S. The Effect of Polypropylene Fiber in the Stabilization of Expansive Soils. Int. J. Environ. Chem. Ecol. Geophys. Eng. 2015, 9, 956–959. [Google Scholar] [CrossRef]
- ASTM International. ASTM D5084-03: Standard Test Methods for Measurement of Hydraulic Conductivity of Saturated Porous Materials Using a Flexible Wall Permeameter; ASTM International: West Conshohocken, PA, USA, 2003. [Google Scholar]
- Olsen, H.W. Hydraulic flow through saturated clays. In Proceedings of the 9th National Conference on Clays and Clay Minerals, Lafayette, IN, USA, 5–8 October 1960; pp. 131–161. [Google Scholar] [CrossRef]
- Scholes, O.N.; Clayton, S.A.; Hoadley, A.F.A.; Tiu, C. Permeability anisotropy due to consolidation of compressible porous media. Transp Porous Media. 2007, 68, 365–387. [Google Scholar] [CrossRef]
- Elkady, T.Y.; Shaker, A.; Al-Shamrani, M. Hydraulic Conductivity of Compacted Lime-Treated Expansive Soils. In Proceedings of the Fourth Geo-China International Conference, Geo-China 2016, Shandong, China, 25–27 July 2016; ASCE: Shandong, China, 2016; pp. 52–59. [Google Scholar] [CrossRef]
- de Brito Galvão, T.C.; Elsharief, A.; Simões, G.F. Effects of Lime on Permeability and Compressibility of Two Tropical Residual Soils. J. Environ. Eng. 2004, 130, 881–885. [Google Scholar] [CrossRef]
- Shaker, A.A.; Elkady, T.Y. Hydraulic performance of sand–clay mixtures: Soil fabric perspective. Géotechnique Lett. 2015, 5, 198–204. [Google Scholar] [CrossRef]
- Bell, F.G. Lime stabilization of clay minerals and soils. Eng. Geol. 1996, 42, 223–237. [Google Scholar] [CrossRef]
- Moghal, A.A.B.; Rehman, A.U.; Vydehi, K.V.; Umer, U. Sustainable Perspective of Low-Lime Stabilized Fly Ashes for Geotechnical Applications: PROMETHEE-Based Optimization Approach. Sustainability 2020, 12, 6649. [Google Scholar] [CrossRef]













| Physical Property | Value |
|---|---|
| Liquid Limit (%) | 66 |
| Plastic Limit (%) | 32 |
| Plasticity Index (%) | 34 |
| Shrinkage Limit (%) | 15 |
| Linear Shrinkage (%) | 31 |
| % Finer No.200 sieve | 87 |
| Natural Moisture Content (%) | 3.2 |
| Maximum Dry Density (kN/m3) | 16.08 |
| Optimum Water Content (%) | 25 |
| Specific Gravity | 2.85 |
| Specific Surface Area (BET Method) (m2/g) | 27.08 |
| USCS Classification | CH |
| Color | light brown |
| Property | Fiber Cast 500 (FC) | Fiber Mesh 300 (FM) |
|---|---|---|
| Tensile Strength | 440 N/mm2 | 330 N/mm2 |
| Specific Gravity | 0.91 | 0.91 |
| Electrical Conductivity | Low | Low |
| Acid and Salt Resistance | High | High |
| Melt Point | 324 °F (162 °C) | 324 °F (162 °C) |
| Ignition Point | 1100 °F (593 °C) | 1100 °F (593 °C) |
| Thermal Conductivity | Low | Low |
| Water Absorption | Nil | Nil |
| Alkali Resistance | Alkali Proof | Alkali Proof |
| Surface Texture | Relatively Smooth | Rough with Protrusions |
| Shape | Fibrillated | Monofilament |
| Aspect Ratio (L/D) | 42.8 and 120 | 193.5 and 387 |
Publisher’s Note: MDPI stays neutral with regard to jurisdictional claims in published maps and institutional affiliations. |
© 2021 by the authors. Licensee MDPI, Basel, Switzerland. This article is an open access article distributed under the terms and conditions of the Creative Commons Attribution (CC BY) license (https://creativecommons.org/licenses/by/4.0/).
Share and Cite
Shaker, A.A.; Al-Shamrani, M.A.; Moghal, A.A.B.; Vydehi, K.V. Effect of Confining Conditions on the Hydraulic Conductivity Behavior of Fiber-Reinforced Lime Blended Semiarid Soil. Materials 2021, 14, 3120. https://doi.org/10.3390/ma14113120
Shaker AA, Al-Shamrani MA, Moghal AAB, Vydehi KV. Effect of Confining Conditions on the Hydraulic Conductivity Behavior of Fiber-Reinforced Lime Blended Semiarid Soil. Materials. 2021; 14(11):3120. https://doi.org/10.3390/ma14113120
Chicago/Turabian StyleShaker, Abdullah Ali, Mosleh Ali Al-Shamrani, Arif Ali Baig Moghal, and Kopparthi Venkata Vydehi. 2021. "Effect of Confining Conditions on the Hydraulic Conductivity Behavior of Fiber-Reinforced Lime Blended Semiarid Soil" Materials 14, no. 11: 3120. https://doi.org/10.3390/ma14113120
APA StyleShaker, A. A., Al-Shamrani, M. A., Moghal, A. A. B., & Vydehi, K. V. (2021). Effect of Confining Conditions on the Hydraulic Conductivity Behavior of Fiber-Reinforced Lime Blended Semiarid Soil. Materials, 14(11), 3120. https://doi.org/10.3390/ma14113120

