On Characteristics of Ferritic Steel Determined during the Uniaxial Tensile Test
Abstract
1. Introduction
2. Materials and Research Methods
3. Experimental Research
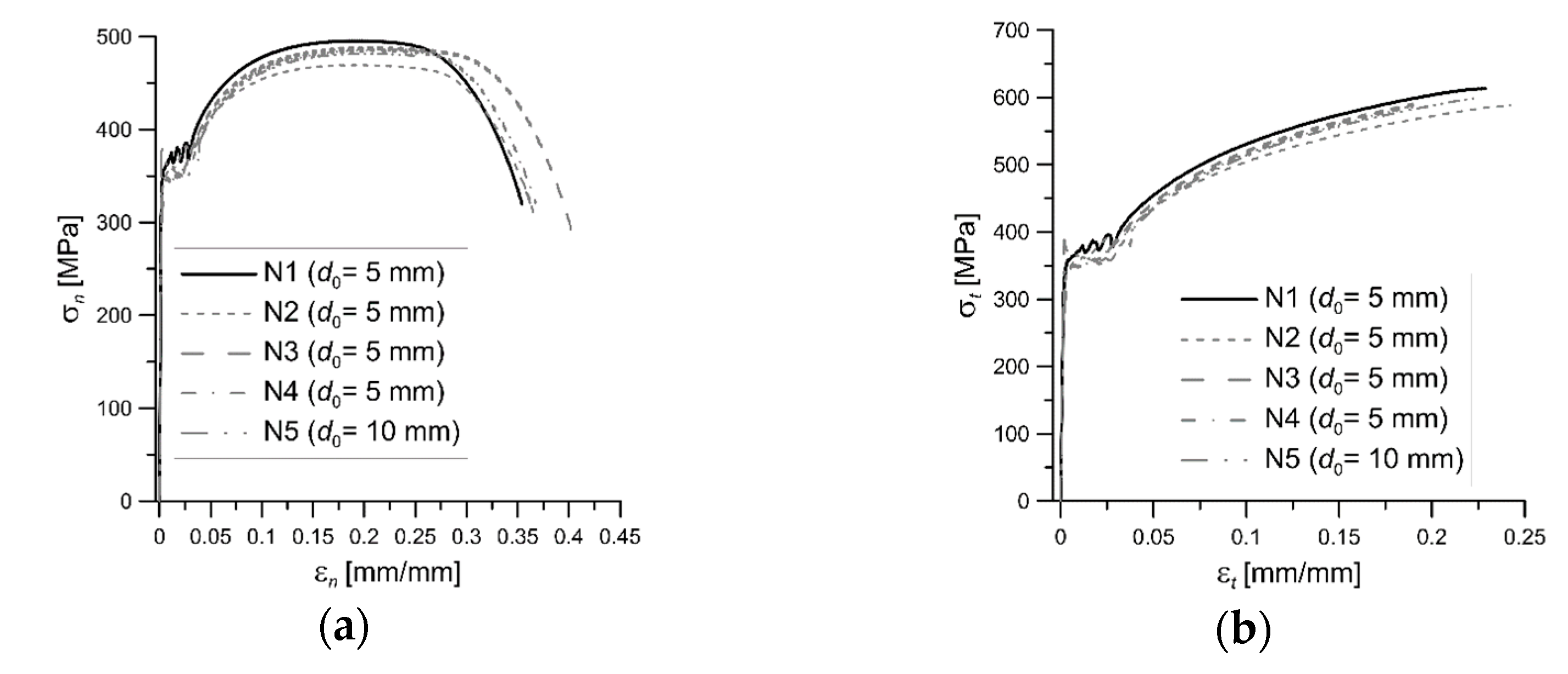
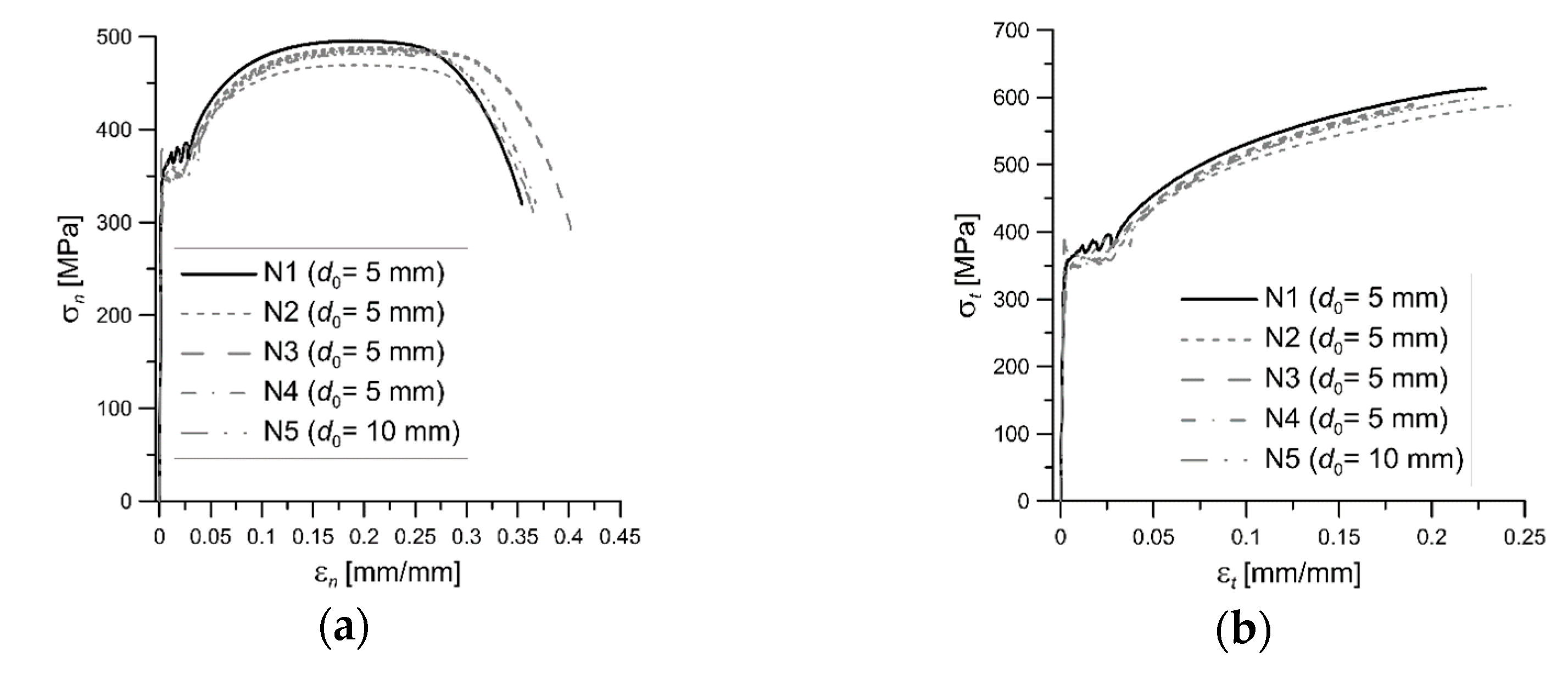
3.1. Assessment of Material Strain
3.2. Assessment of the Actual Minimum Diameter of Specimen
3.3. Numerical Analysis of Stress-Strain State
3.3.1. Numerical Modeling
3.3.2. The Stress and Strain Distributions in the Neck of the Tensile Specimen
3.3.3. Stress and Strain Analysis in Crack Front of the SENB Specimen
4. Discussion
- —the function that describes the true stress-strain relationship, which is obtained experimentally during the tensile test;
- η—triaciality stress factor: ; —effective stress; —the reference factor of the triaxial stress factor in the calibrated specimen (for uniaxial tensile specimen—0.33);
5. Summary
- According to the metallographic method based on strain measurement of the material microstructural component—grains;
- According to the method basing on the extension measurement of the decreasing segment of the specimen with the further extrapolation of the fit function to the level corresponding to the grain size of the material. Applying video recording during the uniaxial tensile test enables us to estimate true strain values for each moment of neck formation and not only for the critical when fracture occurs.
- Seemingly the simplest—the force divided by the full cross-section in fracture moment of the specimen does not lead to obtaining the correct material constitutive relationship, which has been confirmed by verification performed by FEM calculations;
- The critical stress values obtained based on the change electric voltage method allow us to obtain the material constitutive relationship, which leads to convergence of the experimental and calculated force-displacement relations.
Author Contributions
Funding
Institutional Review Board Statement
Informed Consent Statement
Data Availability Statement
Conflicts of Interest
References
- ASTM E8/E8M-16ae1. Standard Test Methods for Tension Testing of Metallic Materials; ASTM International: West Conshohocken, PA, USA, 2016. [Google Scholar]
- PN-EN ISO 6892-1:2020-05. Metallic Materials—Tensile Testing—Part 1: Method of Test at Room Temperature; International Organization for Standardization: Geneva, Switzerland, 2019. [Google Scholar]
- Baltic, S.; Magnien, J.; Gänser, H.P.; Antretter, T.; Hammer, R. Coupled Damage Variable Based on Fracture Locus: Modelling and Calibration. Int. J. Plast. 2019, 126, 102623. [Google Scholar] [CrossRef]
- Tu, S.; Ren, X.; He, J.; Zhang, Z. Stress–Strain Curves of Metallic Materials and Post-necking Strain Hardening Characterization: A Review. Fatigue Fract. Eng. Mater. Struct. 2020, 43, 3–19. [Google Scholar] [CrossRef]
- Tu, S.; Ren, X.; He, J.; Zhang, Z. Experimenta Measurement of Temperature-Dependent Equivalent Stress-Strain Curves of a 420 MPa Structural Steel with Axisymmetric Notched Tensile Specimens. Eng. Fail. Anal. 2019, 100, 312–321. [Google Scholar] [CrossRef]
- Gromada, M.; Miszuris, G.; Öchsner, A. Correction Formulae for the Stress Distribution in Round Tensile Specimens at Neck Presence; Springer Science & Business Media: Berlin/Heidelberg, Germany, 2011. [Google Scholar]
- Bridgman, P.W. Studies in Large Plastic Flow and Fracture with Special Emphasis on the Effects of Hydrostatic Pressure; Harvard University Press: Cambridge, MA, USA, 1964. [Google Scholar]
- Wang, L.; Tong, W. Identification of Post-necking Strain Hardening Behavior of Thin Sheet Metals from Image-based Surface Strain Data in Uniaxial Tension Tests. Int. J. Solids Struct. 2015, 75, 12–31. [Google Scholar] [CrossRef]
- Dunand, M.; Mohr, D. On the Predictive Capabilities of the Shear Modified Gurson and the Modified Mohr–Coulomb Fracture Models over a Wide Range of Stress Triaxialities and Lode Angles. J. Mech. Phys. Solids 2011, 59, 1374–1394. [Google Scholar] [CrossRef]
- Coppieters, S.; Kuwabara, T. Identification of Post-necking Hardening Phenomena in Ductile Sheet Metal. Exp. Mech. 2014, 54, 1355–1371. [Google Scholar] [CrossRef]
- Depreński, Ł.; Seweryn, A.; Bartoszewicz, J. Ductile Fracture of Notched Aluminum Alloy Specimens under Elevated Temperature Part 1—Experimental Research. Theor. Appl. Fract. Mech. 2019, 102, 70–82. [Google Scholar]
- Depreński, Ł.; Seweryn, A. Ductile Fracture of Notched Aluminum Alloy Specimens under Elevated Temperature Part 2—Numerical Modelling and Fracture Criterion. Theor. Appl. Fract. Mech. 2019, 102, 83–97. [Google Scholar]
- Wierzbicki, T.; Bao, Y.; Lee, Y.-W.; Bai, Y. Calibration of Seven Fracture Models. Int. J. Mech. Sci. 2005, 47, 719–743. [Google Scholar] [CrossRef]
- Bai, Y.; Wierzbicki, T. A New Model of Metal Plasticity and Fracture with Pressure and Lode Dependence. Int. J. Plast. 2008, 24, 1071–1096. [Google Scholar] [CrossRef]
- Bai, Y.; Wierzbicki, T. Application of Extended Mohr–Coulomb Criterion to Ductile Fracture. Int. J. Fract. 2010, 161, 1–20. [Google Scholar] [CrossRef]
- Neimitz, A.; Gałkiewicz, J.; Dzioba, I. Calibration of Constitutive Equations under Conditions of Large Strains and Stress Triaxiality. Arch. Civ. Eng. Mater. 2018, 18, 1123–1135. [Google Scholar] [CrossRef]
- Neimitz, A.; Gałkiewicz, J.; Lipiec, S.; Dzioba, I. Estimation of the Onset of Crack Growth in Ductile Materials. Materials 2018, 11, 2026. [Google Scholar] [CrossRef] [PubMed]
- Neimitz, A.; Dzioba, I.; Lipiec, S. Calibration of Constitutive Equations for the Stress Level Estimation in Domain with the Large Strains. Procedia Struct. Integr. 2018, 13, 862–867. [Google Scholar] [CrossRef]
- Koçak, M.; Webster, S.; Janosch, J.J.; Ainsworth, R.A.; Koerc, R. FITNET: Fitness-for-Service. Fracture-Fatique-Creep-Corrosion; GKSS Research Centre Geesthacht GmbH: Stuttgart, Germany, 2008. [Google Scholar]
- Neimitz, A.; Dzioba, I. Application of the Standard Options of the FITNET Procedure to the Structural Integrity Assessment of Welded Specimens Containing Cracks. Int. J. Press. Vessel. Pip. 2007, 84, 475–486. [Google Scholar]
- Ritchie, R.O.; Knott, J.F.; Rice, J.R. On the relationship between critical tensile stress and fracture toughness in mild steel. J. Mech. Phys. Solids 1973, 21, 395–410. [Google Scholar] [CrossRef]
- Yusof, F. Three-Dimensional Assessments of Crack Tip Constraint. Theor. Appl. Fract. Mech. 2019, 101, 1–16. [Google Scholar] [CrossRef]
- Gurson, A.L. Continuum Theory of Ductile Rupture by Void Nucleation and Growth: Part 1—Yield Criteria and Flow Rules for Porous Ductile Media. J. Eng. Mater. Technol. 1977, 99, 2–15. [Google Scholar] [CrossRef]
- Chu, C.C.; Needleman, A. Void Nucleation Effects in Biaxially Stretched Sheets. J. Eng. Mater. Technol. 1980, 102, 249–256. [Google Scholar] [CrossRef]
- Tvergaard, V. On Localization in Ductile Materials Containing Spherical Voids. Int. J. Fract. 1982, 18, 237–252. [Google Scholar]
- Tvergaard, V.; Needleman, A. Analysis of Cup-Cone Fracture in a Round Tensile Bar. Acta Metall. 1984, 32, 157–169. [Google Scholar] [CrossRef]
- Besson, J.; Steglich, D.; Brocks, W. Modeling of Crack Growth in Round Bar and Plane Strain Specimens. Int. J. Solids Struct. 2001, 38, 8259–8284. [Google Scholar] [CrossRef]
- Tanguy, B.; Luu, T.T.; Perrin, G.; Pineau, A.; Besson, J. Plastic and Damage Behaviour of a High Strength X100 Pipeline Steel: Experiments and Modelling. Int. J. Press. Vessel. Pip. 2008, 85, 322–335. [Google Scholar] [CrossRef]
- Dzioba, I.; Lipiec, S.; Furmańczyk, P.; Pała, R. Investigation of Fracture Process of S355JR Steel in Transition Region Using Metallographic and Fractographic Tests and Numerical Analysis. Acta Mech. Autom. 2018, 12, 145–150. [Google Scholar] [CrossRef]
- Dzioba, I.; Lipiec, S. Fracture Mechanisms of S355 Steel—Experimental Research, FEM Simulation and SEM Observation. Materials 2019, 12, 3959. [Google Scholar] [CrossRef] [PubMed]
- PN-EN 10025-3:2019-11. Hot Rolled Products of Structural Steels—Part 2: Technical Delivery Conditions for Non-Alloy Structured Steels; Polish Standardization Resource: Warsaw, Poland, 2019. [Google Scholar]
- Boumerzoug, Z.; Derfouf, C.; Baudin, T. Effect of Welding on Microstructure and Mechanical Properties of an Industrial Low Carbon Stee. Sci. Res. Eng. 2010, 2, 502–506. [Google Scholar]
- Dzioba, I. Properties of 13KHMF Steel after Operation and Degradation under the Laboratory Conditions. Mater. Sci. 2010, 46, 357–364. [Google Scholar] [CrossRef]
- ASTM E647-15e1. Standard Test Method for Measurement of Fatigue Crack Growth Rates; ASTM International: West Conshohocken, PA, USA, 2015. [Google Scholar]
- ASTM E1737-96. Test Method for J-Integral Characterization of Fracture Toughness; ASTM International: West Conshohocken, PA, USA, 1996. [Google Scholar]
- ASTM E112-13. Standard Test Methods for Determining Average Grain Size; ASTM International: West Conshohocken, PA, USA, 2013. [Google Scholar]
- Knott, J.F. Micromechanisms of Fracture and the Fracture Toughness of Engineering Alloy. Fracture 1977, 1, 61–91. [Google Scholar]
- Rice, J.R.; Tracey, D.M. On the Ductile Enlargement of Voids in Triaxial Stress Fields. J. Mech. Phys. Solids 1968, 17, 201–217. [Google Scholar] [CrossRef]
- Mohr, D.; Marcadet, S.J. Micromechanically–Motivated Phenomenological Hasford–Coulomb Model for Predicting Ductile Fracture Initiation at Low Stress Triaxialities. Int. J. Solids Struct. 2015, 67, 40–45. [Google Scholar] [CrossRef]
- Faleskog, J.; Barsoum, I. Tension-Torsion Fracture Experiments-Part I; Experiments and a Procedure to Evaluate the Equivalent Plastic Strain. Int. J. Solids Struct. 2013, 50, 4241–4257. [Google Scholar] [CrossRef]
- Xue, L. Damage Accumulation and Fracture Initiation in Uncracked Ductile Solids Subject to Triaxial Loading. Int. J. Solids Struct. 2007, 44, 5163–5181. [Google Scholar] [CrossRef]
- Dzioba, I.; Gajewski, M.; Neimitz, A. Studies of Fracture Processes in Cr-Mo-V Ferritic Steel with Various Types of Microstructures. Int. J. Press. Vessel. Pip. 2010, 87, 575–586. [Google Scholar] [CrossRef]
- Kim, Y.; Chao, Y.J.; Zhu, X.K. Effect of Specimen Size and Crack Depth on 3D Crack-Front Constraint for SENB Specimens. Int. J. Solids Struct. 2003, 40, 6267–6284. [Google Scholar] [CrossRef]
- Tkach, Y.; Burdekin, F.M. A Three-Dimensional Analysis of Fracture Mechanics Test Pieces of Different Geometries. Part 1 Stress-State Ahead of the Crack Tip. Int. J. Press. Vessel. Pip. 2012, 93–94, 42–50. [Google Scholar] [CrossRef]
- Tkach, Y.; Burdekin, F.M. A Three-Dimensional Analysis of Fracture Mechanics Test Pieces of Different Geometries. Part 2 Constraint and Material Variations. Int. J. Press. Vessel. Pip. 2012, 93–94, 51–56. [Google Scholar] [CrossRef]
- He, G.; Bao, C.; Cai, L. Study on Uniform Parameters Characterizing the Crack-Tip Constraint Effect of Fracture Toughness. Eng. Fract. Mech. 2019, 222, 1–10. [Google Scholar] [CrossRef]
- Pineau, A. Development of the local approach to fracture over the past 25 years: Theory and application. Int. J. Fract. 2006, 138, 139–166. [Google Scholar] [CrossRef]

















| C | Si | Mn | Cr | Ni | S | P |
|---|---|---|---|---|---|---|
| 0.18 | 0.2–0.5 | 1.5 | max. 0.003 | max. 0.003 | max. 0.004 | max. 0.004 |
| S355 Steel | σYS_L, (MPa) | σYS_H, (MPa) | σUTS, (MPa) | E, (GPa) | n | A5, (%) | |||||
|---|---|---|---|---|---|---|---|---|---|---|---|
| Nom. | True | Nom. | True | Nom. | True | Nom. | True | Nom. | True | Nom. | |
| Average | 366.7 | 368.3 | 377.5 | 380.0 | 489.6 | 596.9 | 200 | 201 | 7.89 | 4.78 | 37.23 |
| Maximum | 375.7 | 379.5 | 381.9 | 392.0 | 495.6 | 613.3 | 203 | 204 | 8.93 | 5.08 | 40.45 |
| Minimum | 353.3 | 356.7 | 357.6 | 362.7 | 479.6 | 587.9 | 198 | 198 | 6.96 | 4.28 | 35.12 |
Publisher’s Note: MDPI stays neutral with regard to jurisdictional claims in published maps and institutional affiliations. |
© 2021 by the authors. Licensee MDPI, Basel, Switzerland. This article is an open access article distributed under the terms and conditions of the Creative Commons Attribution (CC BY) license (https://creativecommons.org/licenses/by/4.0/).
Share and Cite
Dzioba, I.; Lipiec, S.; Pala, R.; Furmanczyk, P. On Characteristics of Ferritic Steel Determined during the Uniaxial Tensile Test. Materials 2021, 14, 3117. https://doi.org/10.3390/ma14113117
Dzioba I, Lipiec S, Pala R, Furmanczyk P. On Characteristics of Ferritic Steel Determined during the Uniaxial Tensile Test. Materials. 2021; 14(11):3117. https://doi.org/10.3390/ma14113117
Chicago/Turabian StyleDzioba, Ihor, Sebastian Lipiec, Robert Pala, and Piotr Furmanczyk. 2021. "On Characteristics of Ferritic Steel Determined during the Uniaxial Tensile Test" Materials 14, no. 11: 3117. https://doi.org/10.3390/ma14113117
APA StyleDzioba, I., Lipiec, S., Pala, R., & Furmanczyk, P. (2021). On Characteristics of Ferritic Steel Determined during the Uniaxial Tensile Test. Materials, 14(11), 3117. https://doi.org/10.3390/ma14113117

