On Investigating the Microstructural, Mechanical, and Tribological Properties of Hybrid FeGr1/SiC/Gr Metal Matrix Composites
Abstract
1. Introduction
2. Materials and Methods
3. Results and Discussion
3.1. The Microstructure and New Compounds Characterization
3.2. Strength of the Materials
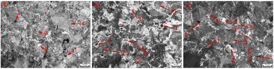
3.3. Features of Fracturing for the Materials Tested
3.4. Tribological Behavior of the Materials Tested
4. Conclusions
- An addition of 1% graphite to the base sintered material forms a pearlite structure with a cementite torn mesh when compared to the initial, pearlite–ferrite structure. When 1% SiC is added, structural fragmentation occurs, and the content of granular pearlite and ferrite increases significantly; silicone carbides are also located along the boundaries of the grain.
- Compared to the addition of 1% graphite, the addition of 1% silicon carbides to the FeGr1 metal matrix leads to a reduction in the ultimate stresses in the material.
- Depending on the composition of the additive, various conditions occur in the fracturing of the material; particularly prevalent are viscous fracturing, inter-granular fracturing, facet transcrystalline fracturing, dimpled viscous fracturing, and/or quasi-brittle fracturing.
- With regard to the composites tested, the coefficients of friction and temperature were approximately twice as high when compared to the base material. The composition of the additives hardly changed the momentary coefficient of friction, changing the temperature level by some 15–20% only, but wear rates decreased 12 times as much when compared to the base material once SiC or SiC + Gr had been added; this is due to the formation of a spongy-capillary texture on the friction’s surface. This effect is followed by changes in the microstructure, the local hardness, and the fatigue strength of the MMCs, as well as the admission of the liquid lubricant into the micropores.
Author Contributions
Funding
Institutional Review Board Statement
Informed Consent Statement
Data Availability Statement
Conflicts of Interest
References
- Xia, J.; Lewandowski, J.J.; Willard, M.A. Tension and fatigue behavior of Al-2124A/SiC-particulate metal matrix composites. Mater. Sci. Eng. 2020, 770, 138518. [Google Scholar] [CrossRef]
- Rofman, O.V.; Mikhaylovskaya, A.V.; Kotov, A.D.; Mochugovskiy, A.G.; Mohamed, A.K.; Cheverikin, V.V.; Short, M.P. AA2024/SiC metal matrix composites simultaneously improve ductility and cracking resistance during elevated temperature deformation. Mater. Sci. Eng. 2020, 790, 139697. [Google Scholar] [CrossRef]
- Ponhan, K.; Tassenberg, K.; Weston, D.; Nicholls, G.M.; Thornton, R. Effect of SiC nanoparticle content and milling time on the microstructural characteristics and properties of Mg-SiC nanocomposites synthesized with powder metallurgy incorporating high-energy ball milling. Ceram. Int. 2020, 46, 26956–26969. [Google Scholar] [CrossRef]
- Kumar, N.; Bharti, A.; Saxena, K.K. A re-analysis of effect of various process parameters on the mechanical properties of Mg based MMCs fabricated by powder metallurgy technique. Mater. Today Proc. 2020, 26, 1953–1959. [Google Scholar] [CrossRef]
- Huang, S.-J.; Ali, A.-N. Experimental investigations of effects of SiC contents and severe plastic deformation on the microstructure and mechanical properties of SiCp/AZ61 magnesium metal matrix composites. J. Mater. Process. Technol. 2019, 272, 28–39. [Google Scholar] [CrossRef]
- Prasad, V.J.; Rao, K.N.; Babu, N.K. Mechanical and tribological characterization of aluminum metal matrix composite reinforced with micro ceramic particles (TiB2/SiC). Mater. Today Proc. 2020, 23, 637–641. [Google Scholar] [CrossRef]
- Lee, T.; Lee, J.; Lee, D.; Jo, I.; Lee, S.K.; Ryu, H.J. Effects of particle size and surface modification of SiC on the wear behavior of high volume fraction Al/SiCp composites. J. Alloys Compd. 2020, 831, 154647. [Google Scholar] [CrossRef]
- Tosun, G.; Kurt, M. The porosity, microstructure, and hardness of Al-Mg composites reinforced with micro particle SiC/Al2O3 produced using powder metallurgy. Compos. Part B 2019, 174, 106965. [Google Scholar] [CrossRef]
- Saranu, R.; Chanamala, R.; Putti, S.-R. Processing, micro structures and mechanical properties of AZ91E, SiC and fly ash composites: A review. Mater. Today Proc. 2020, 26, 2629–2635. [Google Scholar] [CrossRef]
- Patel, M.; Sahu, S.K.; Singh, M.K. Abrasive wear behavior of SiC particulate reinforced AA5052 metal matrix composite. Mater. Today Proc. 2020, in press. [Google Scholar] [CrossRef]
- Surya, M.-S.; Prasanthi, G. Manufacturing, microstructural and mechanical characterization of powder metallurgy processed Al7075/SiC metal matrix composite. Mater. Today Proc. 2020, in press. [Google Scholar] [CrossRef]
- Kumar, M.V.P.; Seenappa, X.X. Dual matrix and reinforcement particle size (SPS and DPS) composites: Influence on mechanical behavior of particulate aluminum-SiC-Gr metal matrix composites. Mater. Today Proc. 2020, 26, 1644–1653. [Google Scholar] [CrossRef]
- Mohanraj, C.; Naveen Kumar, K.M.; Praveen Kumar, K.; Mukesh, S. Development of AA6082 based metal matrix composite using Sic,Ti,Ni,Cr by conventional casting technique. Mater. Today Proc. 2020, in press. [Google Scholar] [CrossRef]
- Raheja, G.S.; Singh, S.; Prakash, C. Development of hybrid Gr/SiC reinforced AMCs through friction stir processing. Mater. Today Proc. 2020, in press. [Google Scholar] [CrossRef]
- Zhang, X.; Chen, T.; Qin, H.; Wang, C. A Comparative Study on Permanent Mold Cast and Powder Thixoforming 6061 Aluminum Alloy and Sicp/6061Al Composite: Microstructures and Mechanical Properties. Materials 2016, 9, 407. [Google Scholar] [CrossRef] [PubMed]
- Li, L. A Micromechanical Fatigue Limit Stress Model of Fiber-Reinforced Ceramic-Matrix Composites under Stochastic Overloading Stress. Materials 2020, 13, 3304. [Google Scholar] [CrossRef] [PubMed]
- Olejnik, E.; Szymański, Ł.; Batóg, P.; Tokarski, T.; Kurtyka, P. TiC-FeCr local composite reinforcements obtained in situ in steel casting. J. Mater. Process. Technol. 2020, 275, 116157. [Google Scholar] [CrossRef]
- Feldshtein, E.E.; Dyachkova, L.N. On the properties and tribological behaviors of P/M iron based composites reinforced with ultrafine particulates. Compos. Part B Eng. 2014, 58, 16–24. [Google Scholar] [CrossRef]
- Feldshtein, E.E.; Dyachkova, L.N.; Adamczuk, K.; Legutko, S.; Królczyk, G.M. Synergy effect of ultrafine tungsten, silicon carbides, and graphite microadditives on the Fe-based MMCs properties using the simplex lattice design. J. Alloys Compd. 2018, 757, 31–38. [Google Scholar] [CrossRef]
- ASTM C39/C39M-18 Standard Test Method for Compressive Strength of Cylindrical Concrete Specimens; ASTM International: West Conshohocken, PA, USA, 2018.
- ASTM C78/C78M-18 Standard Test Method for Flexural Strength of Concrete (Using Simple Beam with Third-Point Loading; ASTM International: West Conshohocken, PA, USA, 2018.
- Feldshtein, E.E.; Dyachkova, L.N. Wear minimization for highly loaded iron-based MMCs due to the formation of spongy-capillary texture on the friction surface. Wear 2020, 444–445, 203161. [Google Scholar] [CrossRef]











| Spectrum Number | C, % | Si, % | Fe, % |
|---|---|---|---|
| Spectrum 1 | 21.5 | 2.2 | The rest |
| Spectrum 2 | 47.9 | 0.3 | The rest |
| Spectrum 3 | 26.0 | 2.7 | The rest |
| Spectrum 4 | 61.3 | 11.6 | The rest |
| Spectrum Number | Elements, % | |||
|---|---|---|---|---|
| C | O | S | Fe | |
| Spectrum 1 | 36.77 | 3.6 | 0.7 | 58.93 |
| Spectrum 2 | 1.63 | 7.35 | 0.45 | 90.57 |
| Spectrum Number | Elements, % | |||
|---|---|---|---|---|
| C | O | S | Fe | |
| Spectrum 1 | 18.47 | 7.78 | 0.48 | 73.27 |
| Spectrum 2 | 15.79 | 6.71 | 0.38 | 77.12 |
| Spectrum Number | Elements, % | ||||
|---|---|---|---|---|---|
| C | O | S | Fe | Si | |
| Spectrum 1 | 13.83 | 7.29 | 0.31 | 54.46 | 23.3 |
| Spectrum 2 | 2.87 | 24 | 0.34 | 64 | 8.79 |
| Spectrum 3 | 1.37 | 11.1 | 0.63 | 85.37 | 1.53 |
| Spectrum Number | Elements, % | ||||
|---|---|---|---|---|---|
| C | O | S | Fe | Si | |
| Spectrum 1 | 6.1 | 17.86 | 2.55 | 65.11 | 8.38 |
| Spectrum 2 | 10.32 | 2.69 | 0.46 | 29.29 | 57.24 |
| Spectrum 3 | 7.11 | 28.86 | 2.88 | 59.45 | 1.7 |
| Spectrum 4 | 1.6 | 11.84 | 5.43 | 78.61 | 2.52 |
Publisher’s Note: MDPI stays neutral with regard to jurisdictional claims in published maps and institutional affiliations. |
© 2021 by the authors. Licensee MDPI, Basel, Switzerland. This article is an open access article distributed under the terms and conditions of the Creative Commons Attribution (CC BY) license (http://creativecommons.org/licenses/by/4.0/).
Share and Cite
Feldshtein, E.E.; N. Dyachkova, L.; Patalas-Maliszewska, J. On Investigating the Microstructural, Mechanical, and Tribological Properties of Hybrid FeGr1/SiC/Gr Metal Matrix Composites. Materials 2021, 14, 174. https://doi.org/10.3390/ma14010174
Feldshtein EE, N. Dyachkova L, Patalas-Maliszewska J. On Investigating the Microstructural, Mechanical, and Tribological Properties of Hybrid FeGr1/SiC/Gr Metal Matrix Composites. Materials. 2021; 14(1):174. https://doi.org/10.3390/ma14010174
Chicago/Turabian StyleFeldshtein, Eugene E., Larisa N. Dyachkova, and Justyna Patalas-Maliszewska. 2021. "On Investigating the Microstructural, Mechanical, and Tribological Properties of Hybrid FeGr1/SiC/Gr Metal Matrix Composites" Materials 14, no. 1: 174. https://doi.org/10.3390/ma14010174
APA StyleFeldshtein, E. E., N. Dyachkova, L., & Patalas-Maliszewska, J. (2021). On Investigating the Microstructural, Mechanical, and Tribological Properties of Hybrid FeGr1/SiC/Gr Metal Matrix Composites. Materials, 14(1), 174. https://doi.org/10.3390/ma14010174

