Influence of Hot Consolidation Conditions and Cr-Alloying on Microstructure and Creep in New-Generation ODS Alloy at 1100 °C
Abstract
1. Introduction
2. Materials and Methods
2.1. Material Processing
- The ODS powders are prepared from the powders of individual components in a self-made ball mill by MA. A vacuum-tight milling container with a volume of 22 dm3 and diameter of 400 mm made from low alloyed steel is filled with 100 bearing balls of diameter 40 mm (25 kg). The total amount of 1 kg of the powder is mechanically alloyed by rotation of the milling container at 70 rpm along the horizontal axis. After a sufficiently long MA of the powder in vacuum (two weeks), its properties become saturated, and the powder particles consist of a homogeneous solid solution with a huge density of defects such as dislocations and vacancies. This ensures also the complete dissolution of input yttria powder in the mechanically alloyed powder; see [27] for the respective theoretical reasoning. A larger amount of powder, e.g., 2.5 kg, can also be used if the MA time is proportionally increased. A small amount of Cr (0.05 wt%—determined by Energy-dispersive X-ray spectrometer (EDX) analysis) in the Fe-10Al-4Y2O3 powder after MA indicates that about 5% of the powder originates from the continuous abrasion of the milling balls made from Fe-1Cr-1C bearing steel. This amount of abrasion determines also the amount of C (about 0.05 wt%) in the new-generation ODS alloy.
- After MA, the powder is poured and cold compacted into a rolling container from a low-alloyed steel tube with 20 mm diameter and 1 mm wall thickness. Then, the rolling container is evacuated, sealed by welding, and rolled at temperatures in the range of 840–1020 °C in three steps to the thicknesses of 7.5, 4.9, and 3.25 mm. The mean strain rate during hot rolling is estimated to be 10 s−1. An intensive dynamic recrystallization occurring during hot rolling leads to an ultra fine-grained pore-free microstructure (see [16] and Section 3 in this paper).
- After the hot consolidation, the new-generation ODS alloy is stripped from the rolling container and annealed at 1200 °C for 4 h to achieve the required coarse-grained microstructure with homogeneously dispersed nano-oxides by secondary recrystallization. The kinetics of microstructure evolution after hot rolling in similar systems is analyzed in [16,17].
2.2. Microstructure Characterization
2.3. Hardness Measurement
2.4. Specimens Preparation
2.5. Loading of Specimens
3. Results and Discussion
4. Conclusions and Outlook
- The microstructure of the new-generation ODS alloys consists of large grains (80–400 μm, not much depending on chemical composition and rolling temperature) strengthened by the homogeneous dispersion of yttria nano-precipitates (20 nm) of the volume fraction of 5%.
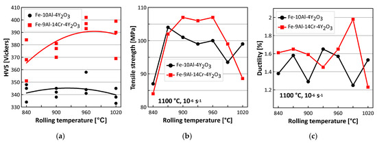
- The results of microstructure characterization and of mechanical testing indicate that a rather wide processing window of rolling temperatures from 900 °C to 960 °C exists to provide very good creep properties of the new-generation ODS alloys at 1100 °C. The creep strength exceeds that of the top commercial ODS alloy MA956 by about 30%.
- The influence of Cr content in the system does not seem to play an important role in both mechanical properties and grain microstructure. The presence of Cr causes the formation of (Fe,Cr)3C carbides; however, these dissolve at the testing temperature 1100 °C, and thus, they have no influence on creep properties.
- The grain boundary decohesion mechanism initiated at cavities is detected to be responsible for the rather brittle creep fracture of the new-generation ODS alloys. However, the ductility significantly increases with decreasing applied stress, which is a promising message for practice utilizing substantially lower applied stresses than those used in the present study.
Author Contributions
Funding
Conflicts of Interest
References
- Pollock, T.M.; Argon, A.S. Directional coarsening in nickel-base single crystals with high volume fractions of coherent precipitates. Acta Metall. Mater. 1994, 42, 1859–1874. [Google Scholar] [CrossRef]
- Svoboda, J.; Lukáš, P. Model of creep in 〈001〉-oriented superalloy single crystals. Acta Mater. 1998, 46, 3421–3431. [Google Scholar] [CrossRef]
- Kunčická, L.; Kocich, R.; Hervoches, C.; Macháčková, A. Study of structure and residual stresses in cold rotary swaged tungsten heavy alloy. Mater. Sci. Eng. A 2017, 704, 25–31. [Google Scholar] [CrossRef]
- Stratil, L.; Horník, V.; Dymáček, P.; Roupcová, P.; Svoboda, J. The influence of aluminium content on oxidation resistance of new-generation ODS alloy at 1200 °C. Metals 2020, 10, 1478. [Google Scholar] [CrossRef]
- Material Data Sheet; Incoloy, alloy MA 956; Incoloy, alloy MA 957; Inco Alloys Limitted: Hereford, UK.
- Korb, G.; Rühle, M.; Martinz, H.-P. New iron based ODS-superalloys for high demanding applications. In Proceedings of the International Gas Turbine and Aeroengine Congress and Exposition, Orlando, FL, USA, 3–6 June 1991. [Google Scholar]
- Kazimierzak, B.; Prignon, J.M.; Fromont, R.I. An ODS Material with outstanding creep and oxidation resistance above 1100 °C. Mater. Des. 1992, 13, 67–70. [Google Scholar] [CrossRef]
- Ukai, S.; Harada, M.; Okada, H.; Inoue, M.; Nomura, S.; Shikakura, S.; Nishida, T.; Fujiwara, M.; Asabe, K. Tube manufacturing and mechanical properties of oxide dispersion strengthened ferritic steel. J. Nucl. Mater. 1993, 204, 74–80. [Google Scholar] [CrossRef]
- Schaeublin, R.; Leguey, T.; Spätig, P.; Baluc, N.; Victoria, M. Microstructure and mechanical properties of two ODS ferritic/martensitic steels. J. Nucl. Mater. 2002, 307–311, 778–782. [Google Scholar] [CrossRef]
- Klueh, R.L.; Shingledecker, J.P.; Swindeman, R.W.; Hoelzer, D.T. Oxide dispersion-strengthened steels: A comparison of some commercial and experimental alloys. J. Nucl. Mater. 2005, 341, 103–114. [Google Scholar] [CrossRef]
- Kim, J.H.; Byun, T.S.; Hoelzer, D.T.; Kim, S.-W.; Lee, B.H. Temperature dependence of strengthening mechanisms in the nanostructured ferritic alloy 14YWT: Part I-Mechanical and microstructural observations. Mater. Sci. Eng. A 2013, 559, 101–110. [Google Scholar] [CrossRef]
- Byun, T.S.; Yoon, J.H.; Wee, S.H.; Hoelzer, D.T.; Maloy, S.A. Fracture behaviour of 9Cr nanostructured ferritic alloy with improved fracture toughness. J. Nucl. Mater. 2014, 449, 39–48. [Google Scholar] [CrossRef]
- Hoelzer, D.T.; Unocic, K.A.; Sokolov, M.A.; Byun, T.S. Influence of processing on the microstructure and mechanical properties of 14YWT. J. Nucl. Mater. 2016, 471, 251–265. [Google Scholar] [CrossRef]
- Rösler, J.; Arzt, E. A new model based creep equation for dispersion strengthened materials. Acta Metall. 1990, 38, 671–683. [Google Scholar] [CrossRef]
- Fischer, F.D.; Svoboda, J.; Fratzl, P. A Thermodynamical approach to grain growth and coarsening. Philos. Mag. 2003, 83, 1075–1093. [Google Scholar] [CrossRef]
- Bártková, D.; Šmíd, M.; Mašek, B.; Svoboda, J.; Šiška, F. Kinetic study of static recrystallization in an Fe–Al–O ultra-fine-grained nanocomposite. Philos. Mag. Lett. 2017, 97, 379–385. [Google Scholar] [CrossRef]
- Svoboda, J.; Hornik, V.; Stratil, L.; Hadraba, H.; Masek, B.; Khalaj, O.; Jirkova, H. Microstructure Evolution in ODS Alloys with a High-Volume Fraction of Nano Oxides. Metals 2018, 8, 1079. [Google Scholar] [CrossRef]
- Fu, J.; Brouwer, J.C.; Richardson, I.M.; Hermans, M.J.M. Effect of mechanical alloying and spark plasma sintering on the microstructure and mechanical properties of ODS Eurofer. Mater. Des. 2019, 177, 107849. [Google Scholar] [CrossRef]
- Massey, C.P.; Dryepondt, S.N.; Edmondson, P.D.; Terrani, K.A.; Zinkle, S.J. Influence of mechanical alloying and extrusion conditions on the microstructure and tensile properties of Low-Cr ODS FeCrAl alloys. J. Nucl. Mater. 2018, 512, 227–238. [Google Scholar] [CrossRef]
- Li, J.; Wu, S.; Ma, P.; Yang, Y.; Wu, E.; Xiong, L.; Liu, S. Microstructure evolution and mechanical properties of ODS FeCrAl alloys fabricated by an internal oxidation process. Mater. Sci. Eng. A 2019, 757, 42–51. [Google Scholar] [CrossRef]
- Li, Z.; Lu, Z.; Xie, R.; Lu, C.; Shi, Y.; Liu, C. Effects of Y2O3, La2O3 and CeO2 additions on microstructure and mechanical properties of 14Cr-ODS ferrite alloys produced by spark plasma sintering. Fusion Eng. Des. 2017, 121, 159–166. [Google Scholar] [CrossRef]
- Auger, M.A.; Hoelzer, D.T.; Field, K.G.; Moody, M.P. Nanoscale analysis of ion irradiated ODS 14YWT ferritic alloy. J. Nucl. Mater. 2020, 528, 151852. [Google Scholar] [CrossRef]
- Zhang, G.; Zhou, Z.; Mo, K.; Miao, Y.; Xu, S.; Jia, H.; Liu, X.; Stubbins, J.F. The effect of thermal-aging on the microstructure and mechanical properties of 9Cr ferritic/martensitic ODS alloy. J. Nucl. Mater. 2019, 522, 212–219. [Google Scholar] [CrossRef]
- Kumar, D.; Prakash, U.; Dabhade, V.V.; Laha, K.; Sakthivel, T. Development of Oxide Dispersion Strengthened (ODS) Ferritic Steel through Powder Forging. J. Mater. Eng. Perform. 2017, 26, 1817–1824. [Google Scholar] [CrossRef]
- Zhou, Z.; Sun, S.; Zou, L.; Schneider, Y.; Schmauder, S.; Wang, M. Enhanced strength and high temperature resistance of 25Cr20Ni ODS austenitic alloy through thermo-mechanical treatment and addition of Mo. Fusion Eng. Des. 2019, 138, 175–182. [Google Scholar] [CrossRef]
- Pal, S.; Alam, M.E.; Maloy, S.A.; Hoelzer, D.T.; Odette, G.R. Texture evolution and microcracking mechanisms in as-extruded and cross-rolled conditions of a 14YWT nanostructured ferritic alloy. Acta Mater. 2018, 152, 338–357. [Google Scholar] [CrossRef]
- Svoboda, J.; Ecker, W.; Razumovskiy, V.I.; Zickler, G.A.; Fischer, F.D. Kinetics of interaction of impurity interstitials with dislocations revisited. Prog. Mater. Sci. 2018, 101, 172–206. [Google Scholar] [CrossRef]
- Svoboda, J.; Horník, V.; Riedel, H. Modelling of Processing Steps of New Generation ODS Alloys. Met. Trans. A 2020, 51A, 5296–5305. [Google Scholar] [CrossRef]
- Svoboda, J.; Kunčická, L.; Luptáková, N.; Weiser, A.; Dymáček, P. Fundamental improvement of creep resistance of new-generation nano-oxide strengthened alloys via hot rotary swaging consolidation. Materials 2020, 13. (under review). [Google Scholar]
- Riedel, H. Fracture at high temperatures. In Materials Research and Engineering; Springer: Berlin, Germany, 1987; ISBN 978-3-642-82963-5. [Google Scholar]








Publisher’s Note: MDPI stays neutral with regard to jurisdictional claims in published maps and institutional affiliations. |
© 2020 by the authors. Licensee MDPI, Basel, Switzerland. This article is an open access article distributed under the terms and conditions of the Creative Commons Attribution (CC BY) license (http://creativecommons.org/licenses/by/4.0/).
Share and Cite
Svoboda, J.; Luptáková, N.; Jarý, M.; Dymáček, P. Influence of Hot Consolidation Conditions and Cr-Alloying on Microstructure and Creep in New-Generation ODS Alloy at 1100 °C. Materials 2020, 13, 5070. https://doi.org/10.3390/ma13225070
Svoboda J, Luptáková N, Jarý M, Dymáček P. Influence of Hot Consolidation Conditions and Cr-Alloying on Microstructure and Creep in New-Generation ODS Alloy at 1100 °C. Materials. 2020; 13(22):5070. https://doi.org/10.3390/ma13225070
Chicago/Turabian StyleSvoboda, Jiří, Natália Luptáková, Milan Jarý, and Petr Dymáček. 2020. "Influence of Hot Consolidation Conditions and Cr-Alloying on Microstructure and Creep in New-Generation ODS Alloy at 1100 °C" Materials 13, no. 22: 5070. https://doi.org/10.3390/ma13225070
APA StyleSvoboda, J., Luptáková, N., Jarý, M., & Dymáček, P. (2020). Influence of Hot Consolidation Conditions and Cr-Alloying on Microstructure and Creep in New-Generation ODS Alloy at 1100 °C. Materials, 13(22), 5070. https://doi.org/10.3390/ma13225070

