Preparation and Component Optimization of Resin-Based Permeable Brick
Abstract
1. Introduction
2. Experimental
2.1. Raw Material
2.2. Sample Preparation
2.3. Test Methods
2.3.1. Test Method for Water Permeability and Mechanical Properties of Resin-Based Permeable Brick (RBPB)
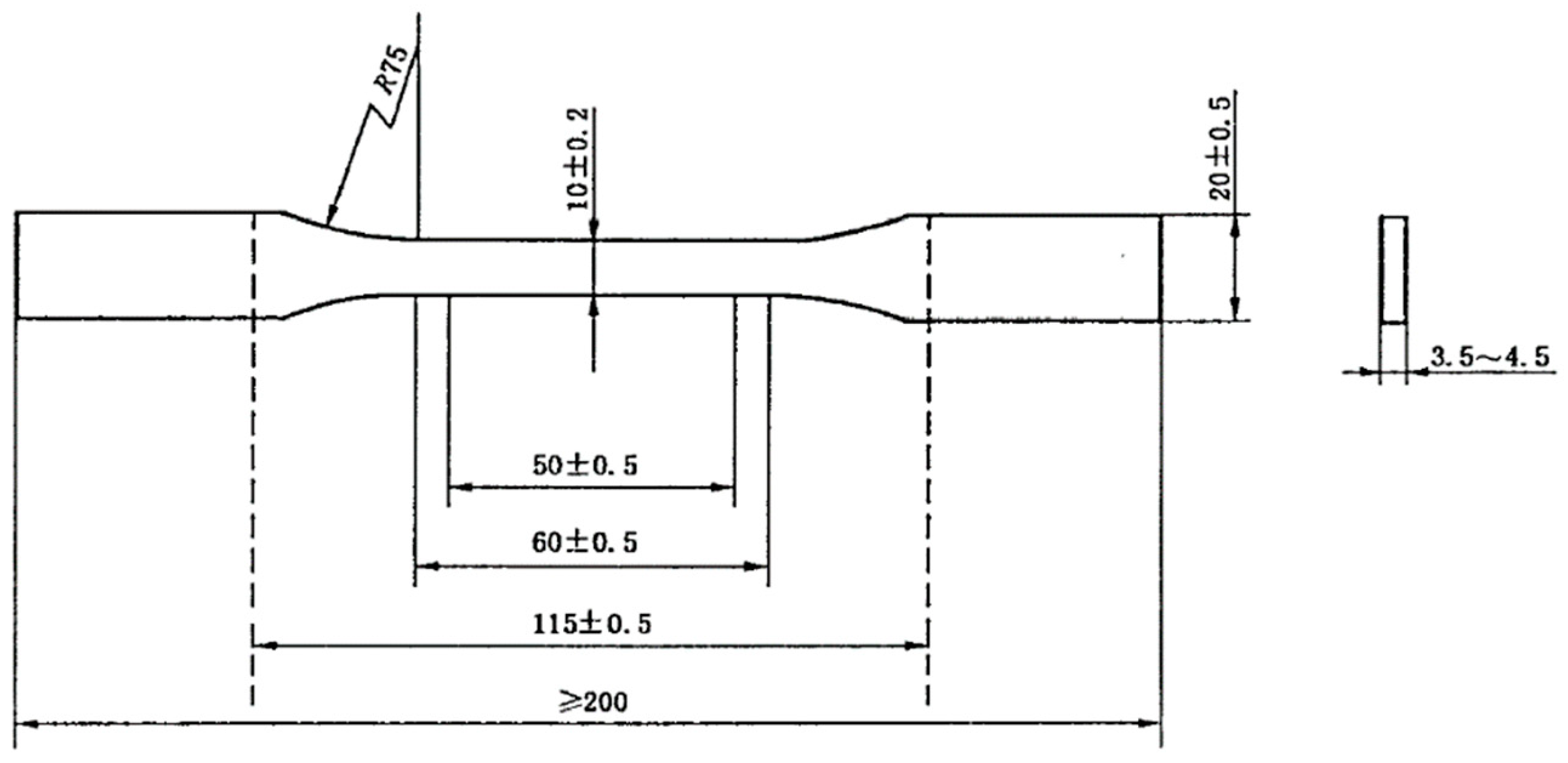
2.3.2. Tensile Test
2.3.3. Dynamic Mechanical Analysis (DMA)
2.3.4. Particle Group Parameter Test
2.3.5. Scanning Electron Microscopy (SEM) Analysis
3. Results and Discussion
3.1. Test Results of Binder Materials
3.1.1. Tensile Test
3.1.2. DMA
3.2. Particle Group Parameter Test Results of Aggregate
3.2.1. Frequency Analysis of Particle Size
3.2.2. Aggregate Division Method
3.3. Micromorphology Research Results of the Brick
3.3.1. Apparent Morphology and Energy-Dispersive X-ray Spectroscopy (EDS)
3.3.2. SEM Analysis
4. Conclusions
- (1)
- The tensile strength of bisphenol-A epoxy resin is 60.03 MPa, and the elongation at break is 6.17%. The glass transition temperature of bisphenol-A epoxy resin is 61 °C. The liquid shrinkage of the resin has a coating effect on the particles under SEM observation. The thickness of the coating layer is about 1 μm, and there is a brittle fracture characteristic when the resin is damaged by force. It is a hard and brittle adhesive material suitable for withstanding static pressure.
- (2)
- An aggregate classification method was obtained: (a) when α < 0.264, its performance tends to be high permeable and low strength, which is divided into high permeable aggregate; (b) when α > 0.8001, its performance is high strength and low water permeability, which is divided into high-strength aggregate; (c) when the aggregate distribution coefficient α value is in the range of 0.264–0.8001, its strength performance and water permeability are in a relatively balanced level, which is a comprehensive aggregate; SEM analysis of the permeable brick aggregate prepared from desert sand shows that the roundness of the aggregate particles is very high, but due to weathering there will be surface defects of the empty shell, which may affect the strength of the RBPB; according to this study, permeable brick can be made from desert sand.
- (3)
- Pores of RBPB can be divided into two types: three-sided pores and four-sided pores. The three side pore with a diameter of 30–50 microns, and the four side pores are about 100 microns wide. Permeable bricks with micron level pores have three advantages: (a) it can prevent large particles of sediment; (b) it can effectively reduce the migration of particles below 38 microns in the permeable brick, which is beneficial to prevent the formation of a clogging layer between the permeable brick and the base soil; and (c) the capillary phenomenon of small pores is obvious, facilitates the movement of water in the brick, and improves the macro-permeability.
Author Contributions
Funding
Conflicts of Interest
References
- Cohen, J.E. Human Population: The Next Half Century. Science 2003, 302, 1172–1175. [Google Scholar] [CrossRef] [PubMed]
- Meybeck, M.; Vörösmarty, C. Fluvial Filtering of Land-To-Ocean Fluxes: From Natural Holocene Variations to Anthropocene. Cr. Geosci. 2005, 337, 107–123. [Google Scholar] [CrossRef]
- Grimm, N.B.; Faeth, S.H.; Golubiewski, N.E.; Redman, C.L.; Wu, J.; Bai, X.; Briggs, J.M. Global Change and the Ecology of Cities. Science 2008, 319, 756–760. [Google Scholar] [CrossRef] [PubMed]
- Walsh, C.J.; Fletcher, T.D.; Burns, M.J. Urban Stormwater Runoff: A New Class of Environmental Flow Problem. PLoS ONE 2012, 7, e45814. [Google Scholar] [CrossRef]
- Weng, Q. Modeling Urban Growth Effects on Surface Runoff with the Integration of Remote Sensing and GIS. Environ. Manag. 2001, 28, 737–748. [Google Scholar] [CrossRef]
- Jiang, Y.; Zevenbergen, C.; Ma, Y. Urban Pluvial Flooding and Stormwater Management: A Contemporary Review of China’s Challenges and "Sponge Cities" Strategy. Environ. Sci. Policy 2018, 80, 132–143. [Google Scholar] [CrossRef]
- Jamali, B.; Löwe, R.; Bach, P.M.; Urich, C.; Arnbjerg-Nielsen, K.; Deletic, A. A Rapid Urban Flood Inundation and Damage Assessment Model. J. Hydrol. 2018, 564, 1085–1098. [Google Scholar] [CrossRef]
- Driscoll, M.; Clinton, S.; Jefferson, A.; Manda, A.; McMillan, S. Urbanization Effects on Watershed Hydrology and In-Stream Processes in the Southern United States. Water Sui. 2010, 2, 605–648. [Google Scholar] [CrossRef]
- Cao, C.; Lee, X.; Liu, S.; Schultz, N.; Xiao, W.; Zhang, M.; Zhao, L. Urban Heat Islands in China Enhanced by Haze Pollution. Nat. Commun. 2016, 7, 12509. [Google Scholar] [CrossRef] [PubMed]
- Connors, J.P.; Galletti, C.S.; Chow, W.T.L. Landscape Configuration and Urban Heat Island Effects: Assessing the Relationship between Landscape Characteristics and Land Surface Temperature in Phoenix, Arizona. Landscape Ecol. 2013, 28, 271–283. [Google Scholar] [CrossRef]
- Sen, S.; Roesler, J. Thermal and Optical Characterization of Asphalt Field Cores for Microscale Urban Heat Island Analysis. Constr. Build. Mater. 2019, 217, 600–611. [Google Scholar] [CrossRef]
- Li, H.; Harvey, J.; Ge, Z. Experimental Investigation On Evaporation Rate for Enhancing Evaporative Cooling Effect of Permeable Pavement Materials. Constr. Build. Mater. 2014, 65, 367–375. [Google Scholar] [CrossRef]
- Strecker, E.W.; Quigley, M.M.; Urbonas, B.R.; Jones, J.E.; Clary, J.K. Determining Urban Storm Water BMP Effectiveness. J. Water Res. Plan. Man. 2001, 127, 144–149. [Google Scholar] [CrossRef]
- Dietz, M.E. Low Impact Development Practices: A Review of Current Research and Recommendations for Future Directions. Water Air Soil Pollut. 2007, 186, 351–363. [Google Scholar] [CrossRef]
- Norton, B.A.; Coutts, A.M.; Livesley, S.J.; Harris, R.J.; Hunter, A.M.; Williams, N.S.G. Planning for Cooler Cities: A Framework to Prioritise Green Infrastructure to Mitigate High Temperatures in Urban Landscapes. Landscape Urban Plan. 2015, 134, 127–138. [Google Scholar] [CrossRef]
- Abbott, C.L.; Comino Mateos, L. In-Situ Hydraulic Performance of a Permeable Pavement Sustainable Urban Drainage System. Water Environ. J. 2003, 17, 187–190. [Google Scholar] [CrossRef]
- Coutts, A.M.; Tapper, N.J.; Beringer, J.; Loughnan, M.; Demuzere, M. Watering Our Cities: Thecapacity for Water Sensitive Urban Design to Support Urban Cooling and Improve Human Thermal Comfort in the Australian Context. Prog. Phys. Geogr. Earth Environ. 2013, 37, 2–28. [Google Scholar] [CrossRef]
- Van Roon, M. Water Localisation and Reclamation: Steps towards Low Impact Urban Design and Development. J. Environ. Manag. 2007, 83, 437–447. [Google Scholar] [CrossRef]
- Lim, H.S.; Lu, X.X. Sustainable Urban Stormwater Management in the Tropics: An Evaluation of Singapore’S ABC Waters Program. J. Hydrol. 2016, 538, 842–862. [Google Scholar] [CrossRef]
- Xia, J.; Zhang, Y.; Xiong, L.; He, S.; Wang, L.; Yu, Z. Opportunities and Challenges of the Sponge City Construction Related to Urban Water Issues in China. Sci. China Earth Sci. 2017, 60, 652–658. [Google Scholar] [CrossRef]
- Fletcher, T.D.; Shuster, W.; Hunt, W.F.; Ashley, R.; Butler, D.; Arthur, S.; Trowsdale, S.; Barraud, S.; Semadeni-Davies, A.; Bertrand-Krajewski, J.; et al. SUDS, LID, BMPs, WSUD and More—the Evolution and Application of Terminology Surrounding Urban Drainage. Urban Water J. 2015, 12, 525–542. [Google Scholar] [CrossRef]
- Scholz, M.; Grabowiecki, P. Review of Permeable Pavement Systems. Build. Environ. 2007, 42, 3830–3836. [Google Scholar] [CrossRef]
- Jiang, W.; Sha, A.; Xiao, J.; Li, Y.; Huang, Y. Experimental Study On Filtration Effect and Mechanism of Pavement Runoff in Permeable Asphalt Pavement. Constr. Build. Mater. 2015, 100, 102–110. [Google Scholar] [CrossRef]
- Wang, Y.; Gao, S.; Liu, X.; Tang, B.; Mukiza, E.; Zhang, N. Preparation of Non-Sintered Permeable Bricks Using Electrolytic Manganese Residue: Environmental and NH3-N Recovery Benefits. J. Hazard. Mater. 2019, 378, 120768. [Google Scholar] [CrossRef] [PubMed]
- Lin, C.; Wu, C.; Ho, H. Recovery of Municipal Waste Incineration Bottom Ash and Water Treatment Sludge to Water Permeable Pavement Materials. Waste Manag. 2006, 26, 970–978. [Google Scholar] [CrossRef] [PubMed]
- Lian, C.; Zhuge, Y.; Beecham, S. The Relationship between Porosity and Strength for Porous Concrete. Constr. Build. Mater. 2011, 25, 4294–4298. [Google Scholar] [CrossRef]
- Tang, C.; Cheng, C.; Tsai, C. Mix Design and Mechanical Properties of High-Performance Pervious Concrete. Materials 2019, 12, 2577. [Google Scholar] [CrossRef]
- Elizondo-Martinez, E.J.; Andres-Valeri, V.C.; Rodriguez-Hernandez, J.; Castro-Fresno, D. Proposal of a New Porous Concrete Dosage Methodology for Pavements. Materials 2019, 12, 3100. [Google Scholar] [CrossRef]
- Sansalone, J.; Kuang, X.; Ying, G.; Ranieri, V. Filtration and Clogging of Permeable Pavement Loaded by Urban Drainage. Water Res. 2012, 46, 6763–6774. [Google Scholar] [CrossRef]
- Tang, B.; Gao, S.; Wang, Y.; Liu, X.; Zhang, N. Pore Structure Analysis of Electrolytic Manganese Residue Based Permeable Brick by Using Industrial CT. Constr. Build. Mater. 2019, 208, 697–709. [Google Scholar] [CrossRef]
- Zhu, M.; Wang, H.; Liu, L.; Ji, R.; Wang, X. Preparation and Characterization of Permeable Bricks from Gangue and Tailings. Constr. Build. Mater. 2017, 148, 484–491. [Google Scholar] [CrossRef]
- Zhou, C. Production of Eco-Friendly Permeable Brick from Debris. Constr. Build. Mater. 2018, 188, 850–859. [Google Scholar] [CrossRef]
- Yuan, X.; Tang, Y.; Li, Y.; Wang, Q.; Zuo, J.; Song, Z. Environmental and Economic Impacts Assessment of Concrete Pavement Brick and Permeable Brick Production Process—A Case Study in China. J. Clean. Prod. 2018, 171, 198–208. [Google Scholar] [CrossRef]
- Mora, C.F.; Kwan, A.K.H. Sphericity, Shape Factor, and Convexity Measurement of Coarse Aggregatefor Concrete Using Digital Image Processing. Cem. Concr. Res. 2000, 30, 351–358. [Google Scholar] [CrossRef]
- Kwan, A.K.H.; Mora, C.F.; Chan, H.C. Particle Shape Analysis of Coarse Aggregate Using Digital Image Processing. Cem. Concr. Res. 1999, 29, 1403–1410. [Google Scholar] [CrossRef]
- Permeable Paving Bricks & Permeable Paving Flags; GB/T 25993-2010; Standards Press of China: Beijing, China, 2010.
- Sand for Construction; GB/T 14684-2011; Standards Press of China: Beijing, China, 2011. (In Chinese)
- State Administration for Quality Supervision and Inspection and Quarantine Permeable Paving Bricks and Permeable Paving Flags; GB/T 25993-2010; Standards Press of China: Beijing, China, 2011. (In Chinese)
- Sand-Based Water Permeable Brick; JG/T 376-2012; Standards Press of China: Beijing, China, 2012. (In Chinese)
- Test Method for Properties of Resin Casting Body; GB/T 2567-2008; Standards Press of China: Beijing, China, 2008. (In Chinese)
- Van Mier, J.G.M.; Meyer, D.; Man, H. Fracture of Quasi-Brittle Materials Like Concrete under Compressive Loading. Adv. Mat. Res. 2008, 41–42, 207–214. [Google Scholar] [CrossRef]
- Zhou, J.; Lucas, J.P. Hygrothermal Effects of Epoxy Resin. Part II: Variations of Glass Transition Temperature. Polymer 1999, 40, 5513–5522. [Google Scholar] [CrossRef]
- Han, J.; Wang, K.; Wang, X.; Monteiro, P.J.M. 2D Image Analysis Method for Evaluating Coarse Aggregate Characteristic and Distribution in Concrete. Constr. Build. Mater. 2016, 127, 30–42. [Google Scholar] [CrossRef]
- Chindaprasirt, P.; Hatanaka, S.; Chareerat, T.; Mishima, N.; Yuasa, Y. Cement Paste Characteristics and Porous Concrete Properties. Constr. Build. Mater. 2008, 22, 894–901. [Google Scholar] [CrossRef]
- Ba, M.; Qian, C.; Guo, X.; Han, X. Effects of Steam Curing On Strength and Porous Structure of Concrete with Low Water/Binder Ratio. Constr. Build. Mater. 2011, 25, 123–128. [Google Scholar] [CrossRef]
- Rodriguez, E.L.; Newaz, G.M. The Effect of Sand Surface Treatment on Sand-Filled Composites. Polym. Compos. 1988, 9, 93–102. [Google Scholar] [CrossRef]
- Kayhanian, M.; Anderson, D.; Harvey, J.T.; Jones, D.; Muhunthan, B. Permeability Measurement and Scan Imaging to Assess Clogging of Pervious Concrete Pavements in Parking Lots. J. Environ. Manag. 2012, 95, 114–123. [Google Scholar] [CrossRef] [PubMed]
- Siriwardene, N.; Deletic, A.; Fletcher, T. Clogging of Stormwater Gravel Infiltration Systems and Filters: Insights from a Laboratory Study. Water Res. 2007, 41, 1433–1440. [Google Scholar] [CrossRef]
- Wardlaw, N.C.; Li, Y.; Forbes, D. Pore-Throat Size Correlation from Capillary Pressure Curves. Transp. Porous Med. 1987, 2, 597–614. [Google Scholar] [CrossRef]
- Karkare, M.V.; Fort, T. Water Movement in "Unsaturated" Porous Media Due to Pore Size and Surface Tension Induced Capillary Pressure Gradients. Langmuir 1993, 9, 2398–2403. [Google Scholar] [CrossRef]




















| Test Items | Flexural Strength (MPa) | Compressive Strength (MPa) | |
|---|---|---|---|
| performance requirement | ≥3.0 | ≥30.0 | ≥ |
| Composition | Sand | Resin | Curing Agent |
|---|---|---|---|
| Weight (g) | 7617 | 352 | 105 |
| Weight fraction (wt%) | 94.3 | 4.4 | 1.3 |
| Grade | Resin (g) | Curing Agent (g) | Total Weight (g) |
|---|---|---|---|
| E44 | 80 | 20 | 100 |
| Test Items | Maximum Force/N | Elongation at Break/% | Tensile Fracture Stress/MPa | Tensile Strength/MPa | Offset Yield Stress/MPa |
|---|---|---|---|---|---|
| Binder | 3301.6 | 6.17 | 60.03 | 60.03 | 55.97 |
| Sample | Compressive Strength/MPa | ||||
|---|---|---|---|---|---|
| S1 | 0.066 | 0.25 | 0.264 | 36.12 | 3.74 |
| S2 | 0.0735 | 0.2686 | 0.2736 | 36.58 | 3.25 |
| S3 | 0.1329 | 0.1661 | 0.8001 | 39.84 | 2.35 |
| S4 | 0.2746 | 0.4844 | 0.5668 | 37.51 | 2.74 |
| S5 | 0.2419 | 0.3059 | 0.7907 | 39.37 | 2.55 |
| S6 | 0.131 | 0.1826 | 0.7174 | 38.44 | 2.52 |
| S7 | 0.2098 | 0.1785 | 1.1753 | 41.08 | 1.51 |
| S8 | 0.0697 | 0.5026 | 0.1386 | 33.29 | 6.22 |
| S9 | 0.1042 | 0.4273 | 0.2438 | 34.19 | 4.73 |
| S10 | 0.0823 | 0.3616 | 0.2276 | 33.74 | 5.1 |
| Aggregate Category | Permeability/cm·s−1 | Compressive Strength/MPa | α |
|---|---|---|---|
| High permeable aggregate | ≥0.040 | ≥30 | <0.264 |
| Comprehensive aggregate | ≥0.020 | ≥35 | 0.264–0.8001 |
| High strength aggregate | ≥0.010 | ≥40 | >0.8001 |
© 2020 by the authors. Licensee MDPI, Basel, Switzerland. This article is an open access article distributed under the terms and conditions of the Creative Commons Attribution (CC BY) license (http://creativecommons.org/licenses/by/4.0/).
Share and Cite
Wang, X.; Zhang, X. Preparation and Component Optimization of Resin-Based Permeable Brick. Materials 2020, 13, 2701. https://doi.org/10.3390/ma13122701
Wang X, Zhang X. Preparation and Component Optimization of Resin-Based Permeable Brick. Materials. 2020; 13(12):2701. https://doi.org/10.3390/ma13122701
Chicago/Turabian StyleWang, Xiaofu, and Xiong Zhang. 2020. "Preparation and Component Optimization of Resin-Based Permeable Brick" Materials 13, no. 12: 2701. https://doi.org/10.3390/ma13122701
APA StyleWang, X., & Zhang, X. (2020). Preparation and Component Optimization of Resin-Based Permeable Brick. Materials, 13(12), 2701. https://doi.org/10.3390/ma13122701

