Upscale Design, Process Development, and Economic Analysis of Industrial Plants for Nanomagnetic Particle Production for Environmental and Biomedical Use
Abstract
1. Introduction
2. Materials and Methods
3. Industrial Design-Economic and Technological Viability
3.1. Process Selection
3.1.1. Environmental Applications
3.1.2. Biotechnological Applications
3.2. Market Study
3.2.1. Environmental Applications
3.2.2. Biotechnological Applications
3.3. Size of the Plants
3.3.1. Environmental Applications
3.3.2. Biotechnological Applications
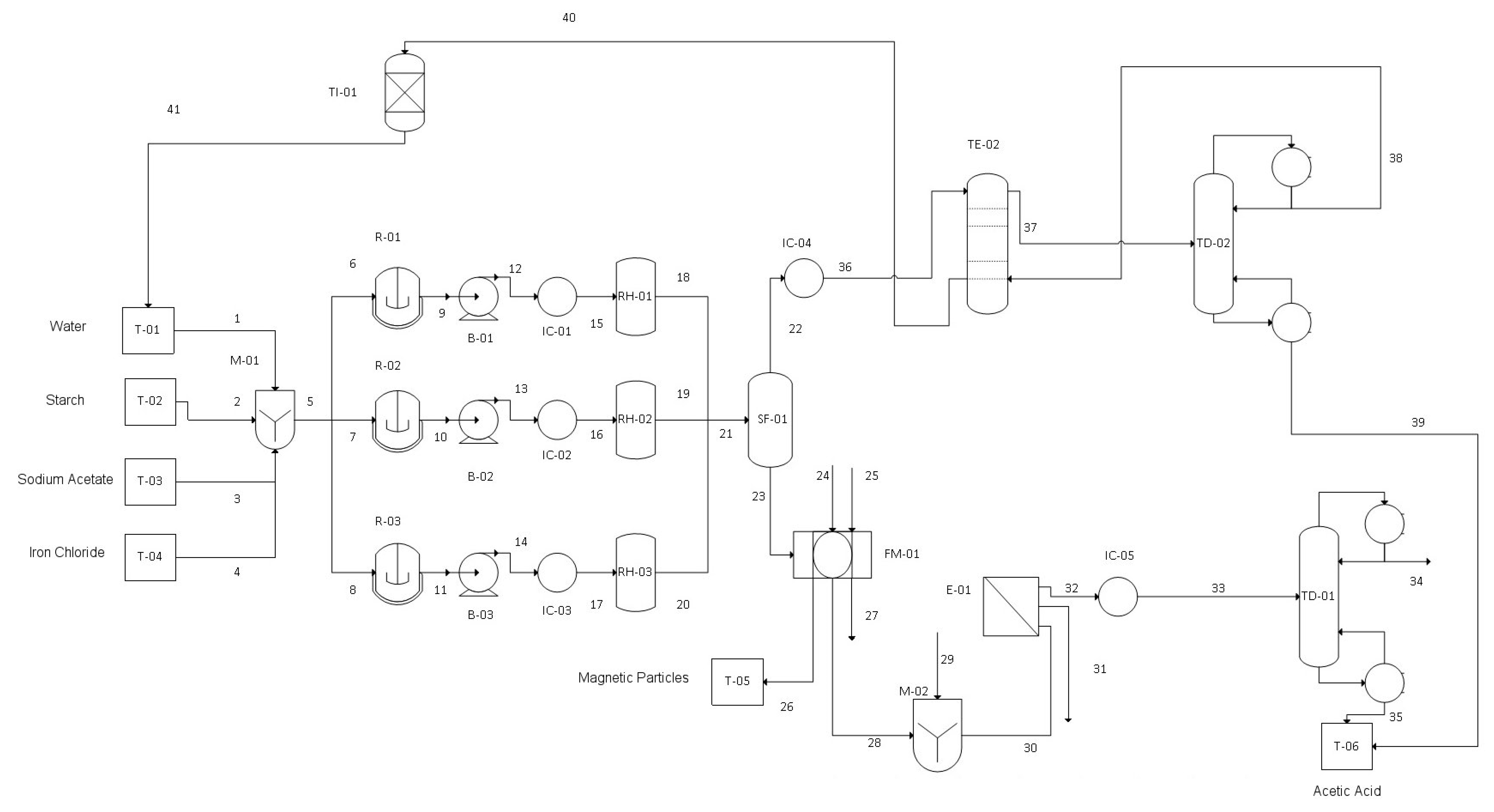
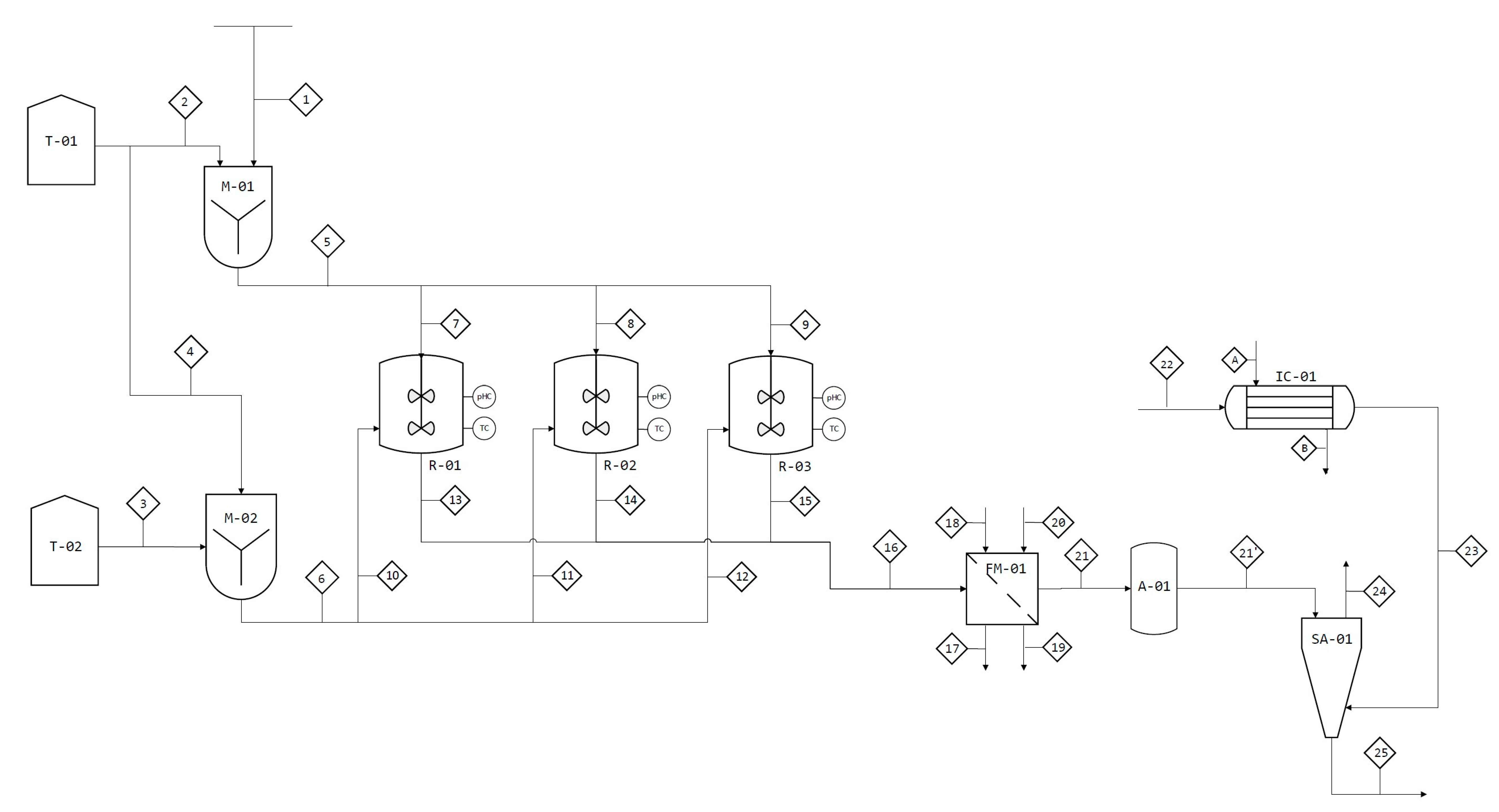
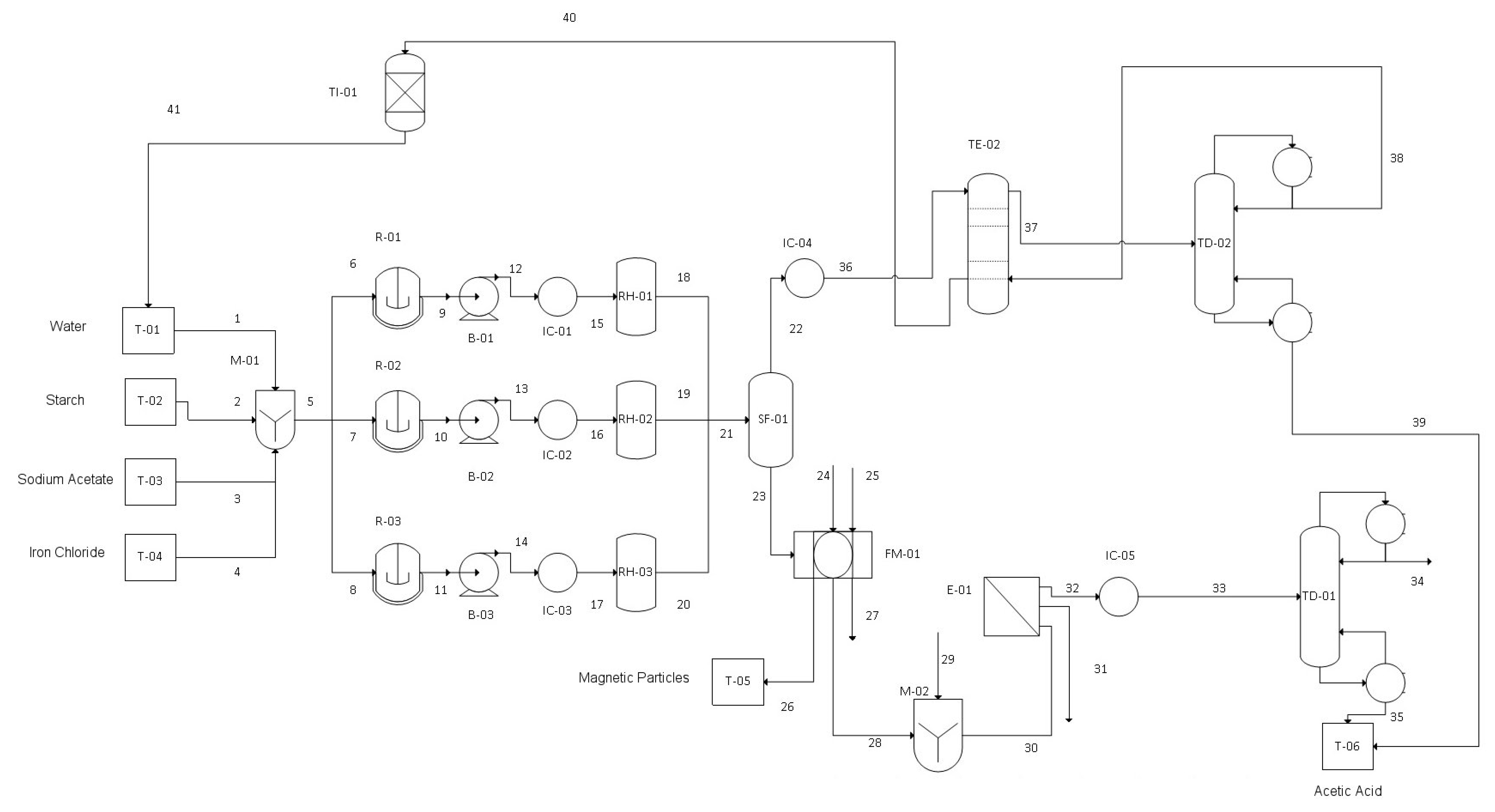
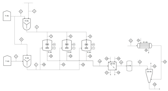
3.4. Process Engineering and Energy and Mass Balances
3.4.1. Raw Materials and Products
3.4.2. Operation and Sector Division
3.5. Economic Impact and Profitability
4. Discussion
5. Conclusions and Future Perspectives
Supplementary Materials
Author Contributions
Funding
Conflicts of Interest
References
- Mehta, R.V. Synthesis of magnetic nanoparticles and their dispersions with special reference to applications in biomedicine and biotechnology (Review). Mater. Sci. Eng. C 2017, 79, 901–916. [Google Scholar] [CrossRef] [PubMed]
- Dabaghi, M.; Hilger, I. Magnetic Nanoparticles Behavior in Biological Solutions; The Impact of Clustering Tendency on Sedimentation Velocity and Cell Uptake. Materials 2020, 13, 1644. [Google Scholar] [CrossRef] [PubMed]
- Staniland, S.S.; Rawlings, A.; Bramble, J.; Tolosa, J.; Wilson, O.; García-Martínez, J.C.; Binns, C. Chapter 3—Novel Methods for the Synthesis of Magnetic Nanoparticles. In Frontiers of Nanoscience; Binns, C., Ed.; Elsevier: Amsterdam, The Netherlands, 2014; Volume 6, pp. 85–128. [Google Scholar]
- Farag, R.K.; Labena, A.; Fakhry, S.H.; Safwat, G.; Diab, A.; Atta, A.M. Antimicrobial Activity of Hybrids Terpolymers Based on Magnetite Hydrogel Nanocomposites. Materials 2019, 12, 3604. [Google Scholar] [CrossRef] [PubMed]
- Moraes, S.S.; Tavallaie, R.; Sandiford, L.; Tilley, R.D.; Gooding, J.J. Gold coated magnetic nanoparticles: From preparation to surface modification for analytical and biomedical applications. Chem. Commun. (Camb.) 2016, 52, 7528–7540. [Google Scholar] [CrossRef] [PubMed]
- Fouriki, A.; Dobson, J. Nanomagnetic Gene Transfection for Non-Viral Gene Delivery in NIH 3T3 Mouse Embryonic Fibroblasts. Materials 2013, 6, 255–264. [Google Scholar]
- Nikitin, M.P.; Orlov, A.V.; Sokolov, I.L.; Minakov, A.A.; Nikitin, P.I.; Ding, J.; Bader, S.D.; Rozhkova, E.A.; Novosad, V. Ultrasensitive detection enabled by nonlinear magnetization of nanomagnetic labels. Nanoscale 2018, 10, 11642–11650. [Google Scholar]
- Gu, T.; Wang, J.; Xia, H.; Wang, S.; Yu, X. Direct Electrochemistry and Electrocatalysis of Horseradish Peroxidase Immobilized in a DNA/Chitosan-Fe3O4 Magnetic Nanoparticle Bio-Complex Film. Materials 2014, 7, 1069–1083. [Google Scholar] [CrossRef]
- Sharif, H.M.A.; Cheng, H.-Y.; Haider, M.R.; Khan, K.; Yang, L.; Wang, A.-J. NO Removal with Efficient Recovery of N 2 O by Using Recyclable Fe 3 O 4 @EDTA@Fe(II) Complex: A Novel Approach toward Resource Recovery from Flue Gas. Environ. Sci. Technol. 2019, 53, 1004–1013. [Google Scholar] [CrossRef]
- Banerjee, R.; Katsenovich, Y.; Lagos, L.; Mciintosh, M.; Zhang, X.; Li, C.-Z. Nanomedicine: Magnetic nanoparticles and their biomedical applications. Curr. Med. Chem. 2010, 17, 3120–3141. [Google Scholar] [CrossRef]
- Augusto, P.A.; Castelo-Grande, T.; Merchan, L.; Estevez, A.M.; Quintero, X.; Barbosa, D. Landfill leachate treatment by sorption in magnetic particles: Preliminary study. Sci. Total Environ. 2019, 648, 636–668. [Google Scholar] [CrossRef]
- Augusto, P.A.; Castelo-Grande, T.; Estévez, A.M.; Barbosa, D.; Costa, P.M. Method to evaluate and prove-the-concept of magnetic separation and/or classification of particles. J. Magn. Magn. Mater. 2017, 426, 405–414. [Google Scholar] [CrossRef]
- Castelo-Grande, T.; Augusto, P.A.; Carron, I.; Barbosa, D. Ultrasound Supercritical Extraction as an innovative method to remediate soils: From Laboratorial Experiments into Industrial Implementation. JEM 2020. submitted. [Google Scholar]
- Vian-Ortuño, Á. El pronóstico Económico en Química Industrial; EUDEMA, S.A.: Madrid, Spain, 1991. [Google Scholar]
- Sinnot, R. Diseño en Ingeniería Química; Reverté: Barcelona, Spain, 2012. [Google Scholar]
- Estevez, A.M.; Rodriguez, J.M.; Alvaro, A.; Augusto, P.A.; Jiménez, O.; Castelo-Grande, T.; Barbosa, D. Preparation, characterization, and testing of magnetic carriers for arsenic removal from water. IEEE Trans. Magn. 2008, 44, 4436–4439. [Google Scholar] [CrossRef]
- Chang, M.; Chang, M.-Y.; Lin, W.-S.; Gabayno, J.L. Magnetic Control of Fe3O4 Nanomaterial for Fat Ablation in Microchannel. Materials 2015, 8, 7813–7820. [Google Scholar] [CrossRef]
- Wang, X.; Zhang, Z.; Zhao, Y.; Xia, K.; Guo, Y.; Qu, Z.; Bai, R. A Mild and Facile Synthesis of Amino Functionalized CoFe2O4@SiO2 for Hg(II) Removal. Nanomaterials 2018, 8, 673. [Google Scholar] [CrossRef]
- Bernardino, S.; Estrela, N.; Ochoa-Mendes, V.; Fernandes, P.; Fonseca, L.P. Optimization in the immobilization of penicillin G acylase by entrapment in xerogel particles with magnetic properties. J. Sol-Gel Sci. Technol. 2011, 58, 545–556. [Google Scholar] [CrossRef]
- Yiu, H.H.P.; McBain, S.C.; Lethbridge, Z.A.D.; Lees, M.R.; Palona, I.; Olariu, C.I.; Dobson, J. Novel Magnetite-Silica Nanocomposite (Fe3O4-SBA-15) Particles for DNA Binding and Gene Delivery Aided by a Magnet Array. J. Nanosci. Nanotechnol. 2011, 11, 3586–3591. [Google Scholar] [CrossRef]
- Nanzhaxi, S.; Aimin, S.; Lichao, Y.; Zhuo, Z.; Wei, Z.; Xiqian, Z. Effect performance of the nanomagnetic properties of Ni–Cu–Co ferrites by Al3+ ions adulteration. Mod. Phys. Lett. B 2020, 34, 2050059. [Google Scholar]
- Bomatí-Miguel, O.; Morales, M.P.; Serna, C.; Veintemillas-Verdaguer, S. Magnetic nanoparticles prepared by laser pyrolysis. IEEE Trans. Magn. 2002, 38, 2616–2618. [Google Scholar] [CrossRef]
- Ghazanfari, M.R.; Kashefi, M.; Shams, S.F.; Jaafari, M.R. Perspective of Fe3O4 Nanoparticles Role in Biomedical Applications. Biochem. Res. Int. 2016, 2016, 7840161. [Google Scholar] [CrossRef]
- Gyergyek, S.; Makovec, D.; Kodre, A.; Arcon, I.; Jagodi, M.; Drofenik, M. Influence of synthesis method on structural and magnetic properties of cobalt ferrite nanoparticles. J. Nanopart. Res. 2010, 12, 1263–1273. [Google Scholar] [CrossRef]
- Gopalan, E.V.; Joy, P.A.; Al-Omari, I.A.; Kumar, D.S.; Yoshida, Y.; Anantharaman, M.R. On the structural, magnetic and electrical properties of sol-gel derived nanosized cobalt ferrite. J. Alloy. Compd. 2009, 485, 711–717. [Google Scholar] [CrossRef]
- Peng, J.; Hojamberdiev, M.; Xu, Y.; Cao, B.; Wang, J.; Wu, H. Hydrothermal synthesis and magnetic properties of gadolinium-doped CoFe2O4 nanoparticles. J. Magn. Magn. Mater. 2011, 323, 133–138. [Google Scholar] [CrossRef]
- Augusto, P.A.; Castelo-Grande, T.; Augusto, P. Magnetic classification in health sciences and in chemical engineering. Chem. Eng. J. 2005, 111, 85–90. [Google Scholar] [CrossRef]
- Augusto, P.A.; Castelo-Grande, T.; Vargas, D.; Hernández, L.; Merchán, L.; Estevez, A.M.; Barbosa, D. Water decontamination with magnetic particles by adsorption and chemical degradation. Influence of the manufacturing parameters. Materials 2020, 13, 2219. [Google Scholar] [CrossRef] [PubMed]
- Aono, H.; Hirazawa, H.; Naohara, T.; Maehara, T.; Kikkawa, H.; Watanabe, Y. Synthesis of fine magnetite powder using reverse coprecipitation method and its heating properties by applying AC magnetic field. Mater. Res. Bull. 2005, 40, 1126–1135. [Google Scholar] [CrossRef]
- Chomoucka, J.; Drbohlavova, J.; Huska, D.; Adam, V.; Kizek, R.; Hubalek, J. Magnetic nanoparticles and targeted drug delivering. Pharmacol. Res. 2010, 62, 144–149. [Google Scholar] [CrossRef]
- Kazemzadeh, H.; Ataie, A.; Rashchi, F. In situ synthesis of silica-coated magnetic nanoparticles by reverse coprecipitation method. J. Supercond. Nov. Magn. 2012, 25, 2803–2808. [Google Scholar] [CrossRef]
- Mahmed, N.; Heczko, O.; Lancok, A.; Hannula, S.-P. The magnetic and oxidation behavior of bare and silica-coated iron oxide nanoparticles synthesized by reverse co-precipitation of ferrous ion (Fe2+) in ambient atmosphere. J. Magn. Magn. Mater. 2014, 353, 15–22. [Google Scholar] [CrossRef]
- Mahmed, N.; Heczko, O.; Söderberg, O.; Hannula, S.-P. Room Temperature Synthesis of Magnetite (Fe3-O4) Nanoparticles by a Simple Reverse Co-Precipitation Method. IOP Conf. Ser. Mater. Sci. Eng. 2011, 18, 032020. [Google Scholar] [CrossRef]
- Vangijzegem, T.; Dimitri-Stanicki, I.; Laurent, S. Magnetic iron oxide nanoparticles for drug delivery: Applications and characteristics. Expert Opin. Drug Deliv. 2019, 16, 69–78. [Google Scholar] [CrossRef] [PubMed]
- Cruz, M.M.; Ferreira, L.P.; Alves, A.F.; Mendo, S.G.; Ferreira, P.; Godinho, M.; Deus-Carvalho, M. Chapter 19—Nanoparticles for magnetic hyperthermia. In Nanostructures for Cancer Therapy; Elsevier: Amsterdam, Netherlands, 2017; pp. 485–511. [Google Scholar]
- Mao, G.Y.; Yang, W.J.; Bu, F.X.; Jiang, D.M.; Zhao, Z.J.; Zhang, Q.H.; Fang, Q.C.; Jiang, J.S. One-step hydrothermal synthesis of Fe3O4@C nanoparticles with great performance in biomedicine. J. Mater. Chem. B 2014, 2, 4481–4488. [Google Scholar] [PubMed]
- Sun, X.; Sun, K.; Liang, Y. Hydrothermal synthesis of magnetite: Investigation of influence of aging time and mechanism. Micronano Lett. 2014, 10, 99–104. [Google Scholar] [CrossRef]
- Iwasaki, T.; Mizutani, N.; Watano, S.; Yanagida, T.; Kawai, T. Hydrothermal synthesis of magnetite nanoparticles via sequential formation of iron hydroxide precipitates. J. Exp. Nanosci. 2012, 7, 355–365. [Google Scholar] [CrossRef]
- Setyawan, H.; Widiyastuti, W. Progress in the Preparation of Magnetite Nanoparticles through the Electrochemical Method. KONA Powder Part. J. 2019, 36, 145–155. [Google Scholar]
- Mizutani, N. Effect of ferrous/ferric ions molar ratio on reaction mechanism for hydrothermal synthesis of magnetite nanoparticles. Bull. Mater. Sci. 2008, 31, 713–717. [Google Scholar]
- ICONO. Documento de Trabajo ICONO:Evolución de la Nanotecnología en España. Fundación Española para la Ciencia y la Tecnología (FECYT). Observatorio español de I+D+i. 2018. Available online: https://icono.fecyt.es/informes-y-publicaciones/documento-de-trabajo-evolucion-de-la-nanotecnologia-en-espana (accessed on 5 May 2020).
- Global Market for Nanomaterials (Zion Market Research, 2016). Available online: https://www.zionmarketresearch.com/ (accessed on 5 May 2020).
- Gómez-Pastora, J.; Bringas, E.; Ortiz, I. Recent progress and future challenges on the use of high performance magnetic nano-adsorbents in environmental applications. Chem. Eng. J. 2014, 256, 187–204. [Google Scholar]
- Tang, S.C.; Lo, I.M. Magnetic Nanoparticles: Essential Factors for Sustainable Environmental Applications. Water Res. 2013, 47, 2613–2632. [Google Scholar] [CrossRef]
- Skyspring Nanomaterials Inc. Available online: https://ssnano.com/ (accessed on 5 May 2020).
- James, K.; Highsmith, J.; Evers, P. Drug Development and Delivery. Available online: https://drug-dev.com/nanotechnology-market-nanotechnology-markets-in-healthcare-medicine/ (accessed on 5 May 2020).
- The Maturing Nanotechnology Market: Products and Applications Nov 2016|NAN031G|BCC Publishing. Available online: https://www.bccresearch.com/market-research/nanotechnology/nanotechnology-market-products-applications-report.html (accessed on 5 May 2020).
- Sigma-Aldrich. Available online: https://www.sigmaaldrich.com/ (accessed on 5 May 2020).






| Manufacturing Method | Synthesis | Reaction Temp. (°C) | Reaction time | Solvent | Surface-Capping Agents | Size Distribution | Shape Control | Yield |
|---|---|---|---|---|---|---|---|---|
| Co-precipitation | Very simple | 20–90 | Minutes | Water | During/after reaction | Relatively narrow | Not good | High |
| Microemulsion | Complicated | 20–50 | Hours | Organic agents | During reaction | Relatively narrow | Good | Low |
| Thermal decomposition | Complicated | 100–320 | Hours-days | Organic agents | During reaction | Very narrow | Very good | High |
| Hydrothermal | Simple | 200–250 | Hours-days | Water-ethanol | During reaction | Very narrow | Very good | Medium |
| Product | Price |
|---|---|
| Iron oxide nanopowder/nanoparticles (alpha-Fe2O3, 99%, 20–40 nm) | $98/100 g $262/500 g $380/1000 g |
| Iron oxide nanopowder/nanoparticles (gamma-Fe2O3, 99%, 20–40 nm) | $98/100 g $262/500 g $380/1 kg |
| Iron oxide nanopowder/nanoparticles (Fe3O4, 98 + %, 20–30 nm) | $98/100 g $262/500 g $340/1 kg |
| Materials | Unit | 1 | 2 | 3 | 4 | 5 | 6 | 7 | 8 | 9 | 10 | 11 | 12 | 13 | 14 |
| FeSO4 | kg/h | 19.68 | - | - | - | 19.68 | - | 6.56 | 6.56 | 6.56 | - | - | - | - | - |
| H2O | kg/h | 16.34 | 647.86 | 1297.18 | 3321.00 | 664.20 | 4618.19 | 221.40 | 221.40 | 221.40 | 1539.40 | 1539.40 | 1539.40 | 1540.17 | 1540.17 |
| NH4OH | kg/h | - | - | 1691.72 | - | - | 1691.72 | - | - | - | 563.91 | 563.91 | 563.91 | 560.88 | 560.88 |
| Fe3O4 | kg/h | - | - | - | - | - | - | - | - | - | - | - | - | 3.33 | 3.33 |
| (NH4)2SO4 | kg/h | - | - | - | - | - | - | - | - | - | - | - | - | 5.71 | 5.71 |
| Air | kg/h | - | - | - | - | - | - | - | - | - | - | - | - | - | - |
| Total | kg/h | 36.02 | 647.86 | 2988.90 | 3321.00 | 683.88 | 6309.91 | 227.96 | 227.96 | 227.96 | 2103.30 | 2103.30 | 2103.30 | 2110.09 | 2110.09 |
| Total | kmol/h | 1.04 | 35.96 | 120.28 | 184.35 | 37.00 | 304.63 | 12.33 | 12.33 | 12.33 | 101.54 | 101.54 | 101.54 | 101.56 | 101.56 |
| T | K | 298 | 298 | 298 | 298 | 298 | 298 | 298 | 298 | 298 | 298 | 298 | 298 | 298 | 298 |
| P | kPa | 101.33 | 101.33 | 101.33 | 101.33 | 101.33 | 101.33 | 101.33 | 101.33 | 101.33 | 101.33 | 101.33 | 101.33 | 101.33 | 101.33 |
| Enthalpy | kJ/h | 0 | 0 | 0 | 0 | 0 | 0 | 0 | 0 | 0 | 0 | 0 | 0 | 0 | 0 |
| - | - | - | - | - | - | - | - | - | - | - | - | - | - | - | - |
| Materials | Unit | 15 | 16 | 17 | 18 | 19 | 20 | 21 | 21ª | 22 | 23 | 24 | 25 | A | B |
| FeSO4 | kg/h | - | - | - | - | - | - | - | - | - | - | - | - | - | - |
| H2O | kg/h | 1540.17 | 4620.52 | 4620.52 | 10.00 | 10.00 | 4.29 | 4.29 | 4.29 | 3.12 | 3.12 | 7.10 | 0.31 | 32.14 | 32.14 |
| NH4OH | kg/h | 560.88 | 1682.64 | 1682.64 | - | - | - | - | - | - | - | - | - | - | - |
| Fe3O4 | kg/h | 3.33 | 10.00 | - | - | - | 10.00 | 10.00 | - | - | - | 10.00 | - | - | |
| (NH4)2SO4 | kg/h | 5.71 | 17.12 | 17.12 | - | - | - | - | - | - | - | - | - | - | - |
| Air | kg/h | - | - | - | - | - | - | - | - | 195.27 | 195.27 | 195.27 | - | - | - |
| Total | kg/h | 2110.09 | 6330.28 | 6320.28 | 10.00 | 10.00 | 4.29 | 14.29 | 14.29 | 198.40 | 198.40 | 202.38 | 10.31 | 32.14 | 32.14 |
| Total | kmol/h | 101.56 | 304.67 | 304.63 | 0.56 | 0.56 | 0.24 | 0.28 | 0.28 | 6.92 | 6.92 | 7.14 | 0.06 | 1.78 | 1.78 |
| T | K | 298 | 298 | 298 | 298 | 298 | 298 | 298 | 298 | 298 | 368 | 318 | 308 | 523 | 523 |
| P | kPa | 101.33 | 101.33 | 101.33 | 101.33 | 101.33 | 101.33 | 101.33 | 101.33 | 101.33 | 101.33 | 101.33 | 101.33 | 101.33 | 101.33 |
| Enthalpy | kJ/h | 0 | 0 | 0 | 0 | 0 | 0 | 0 | 0 | 0 | 20,271.67 | 20,233.54 | 38.13 | 55,152.57 | 34,880.90 |
| T-01 | Storage Tank 1 | T-02 | Storage Tank 2 |
|---|---|---|---|
| M-01 | Mixer 1 | M-02 | Mixer 2 |
| R-01 | Reactor 1 | R-02 | Reactor 2 |
| R-03 | Reactor 3 | FM-01 | Magnetic Filter |
| IC-01 | Heat Exchanger 1 | A-01 | Roller Crusher |
| SA-01 | Dryer Atomizer | - | - |
| Materials | Quantit y (kg/h) | Quality |
|---|---|---|
| FeSO4 | 19.68 | Raw Material |
| H2O | 4620.52 | Sub-Product/Raw Material |
| NH4OH | 1691.72 | Raw Material |
| Fe3O4 | 10.00 | Raw Material |
| (NH4)2SO4 | 17.12 | Sub-Product |
| Materials | 1 | 2 | 3 | 4 | 5 | 6 | 7 | 8 | 9 | 10 | 11 | 12 | 13 | 14 | 15 | 16 | 17 | 18 | 19 | 20 | - |
| FeCl2·4H2O | 48.64 | 0.00 | 0.00 | 0.00 | 48.64 | 16.21 | 16.21 | 16.21 | 0.00 | 0.00 | 0.00 | 0.00 | 0.00 | 0.00 | 0.00 | 0.00 | 0.00 | 0.00 | 0.00 | 0.00 | - |
| CH3COONa | 0.00 | 133.26 | 0.00 | 0.00 | 133.26 | 44.42 | 44.42 | 44.42 | 30.99 | 30.99 | 30.99 | 30.99 | 30.99 | 30.99 | 30.99 | 30.99 | 30.99 | 30.99 | 30.99 | 30.99 | - |
| Starch | 0.00 | 0.00 | 54.47 | 0.00 | 54.47 | 18.16 | 18.16 | 18.16 | 18.16 | 18.16 | 18.16 | 18.16 | 18.16 | 18.16 | 18.16 | 18.16 | 18.16 | 0.00 | 0.00 | 0.00 | - |
| H2O | 0.00 | 0.00 | 0.00 | 2174.99 | 2174.99 | 725.00 | 725.00 | 725.00 | 727.95 | 727.95 | 727.95 | 727.95 | 727.95 | 727.95 | 727.95 | 727.95 | 727.95 | 729.40 | 729.40 | 729.40 | - |
| CH3COOH | 0.00 | 0.00 | 0.00 | 0.00 | 0.00 | 0.00 | 0.00 | 0.00 | 9.83 | 9.83 | 9.83 | 9.83 | 9.83 | 9.83 | 9.83 | 9.83 | 9.83 | 9.83 | 9.83 | 9.83 | - |
| Fe(OH)2 | 0.00 | 0.00 | 0.00 | 0.00 | 0.00 | 0.00 | 0.00 | 0.00 | 7.37 | 7.37 | 7.37 | 7.37 | 7.37 | 7.37 | 7.37 | 7.37 | 7.37 | 0.00 | 0.00 | 0.00 | - |
| NaCl | 0.00 | 0.00 | 0.00 | 0.00 | 0.00 | 0.00 | 0.00 | 0.00 | 9.50 | 9.50 | 9.50 | 9.50 | 9.50 | 9.50 | 9.50 | 9.50 | 9.50 | 9.50 | 9.50 | 9.50 | - |
| HCl | 0.00 | 0.00 | 0.00 | 0.00 | 0.00 | 0.00 | 0.00 | 0.00 | 0.00 | 0.00 | 0.00 | 0.00 | 0.00 | 0.00 | 0.00 | 0.00 | 0.00 | 0.00 | 0.00 | 0.00 | - |
| C2H5OH | 0.00 | 0.00 | 0.00 | 0.00 | 0.00 | 0.00 | 0.00 | 0.00 | 0.00 | 0.00 | 0.00 | 0.00 | 0.00 | 0.00 | 0.00 | 0.00 | 0.00 | 0.00 | 0.00 | 0.00 | - |
| MTBE | 0.00 | 0.00 | 0.00 | 0.00 | 0.00 | 0.00 | 0.00 | 0.00 | 0.00 | 0.00 | 0.00 | 0.00 | 0.00 | 0.00 | 0.00 | 0.00 | 0.00 | 0.00 | 0.00 | 0.00 | - |
| Magnetite | 0.00 | 0.00 | 0.00 | 0.00 | 0.00 | 0.00 | 0.00 | 0.00 | 0.00 | 0.00 | 0.00 | 0.00 | 0.00 | 0.00 | 0.00 | 0.00 | 0.00 | 6.27 | 6.27 | 6.27 | - |
| Total (kg/day) | 48.64 | 133.26 | 54.47 | 2174.99 | 2411.36 | 803.79 | 803.79 | 803.79 | 803.79 | 803.79 | 803.79 | 803.79 | 803.79 | 803.79 | 803.79 | 803.79 | 803.79 | 785.99 | 785.99 | 785.99 | - |
| Total (kmol/day) | 0.246 | 1.625 | 0.336 | 120.833 | 123.040 | 41.01 | 41.01 | 41.01 | 41.34 | 41.34 | 41.34 | 41.34 | 41.34 | 41.34 | 41.34 | 41.34 | 41.34 | 41.25 | 41.25 | 41.25 | - |
| Enthalpy (kJ/day) | 0.00 | 0.00 | 0.00 | 0.00 | 25,278.33 | 8426.11 | 8426.11 | 8426.11 | 17,2967.67 | 17,2967.67 | 17,2967.67 | 173,807.35 | 173,807.35 | 173,807.35 | 550,215.21 | 550,215.21 | 550,215.21 | 547,316.72 | 547,316.72 | 547,316.72 | - |
| T(K) | 298.00 | 298.00 | 298.00 | 298.00 | 300.70 | 300.70 | 300.70 | 300.70 | 353.00 | 353.00 | 353.00 | 353.35 | 353.35 | 353.35 | 473.00 | 473.00 | 473.00 | 473.00 | 473.00 | 473.00 | - |
| P(MPa) | 0.10 | 0.10 | 0.10 | 0.10 | 0.10 | 0.10 | 0.10 | 0.10 | 0.10 | 0.10 | 0.10 | 2.00 | 2.00 | 2.00 | 2.00 | 2.00 | 2.00 | 2.00 | 2.00 | 2.00 | - |
| - | - | - | - | - | - | - | - | - | - | - | - | - | - | - | - | - | - | - | - | - | - |
| - | - | - | - | - | - | - | - | - | - | - | - | - | - | - | - | - | - | - | - | - | - |
| - | - | - | - | - | - | - | - | - | - | - | - | - | - | - | - | - | - | - | - | - | - |
| - | - | - | - | - | - | - | - | - | - | - | - | - | - | - | - | - | - | - | - | - | - |
| - | - | - | - | - | - | - | - | - | - | - | - | - | - | - | - | - | - | - | - | - | - |
| Materials | 21 | 22 | 23 | 24 | 25 | 26 | 27 | 28 | 29 | 30 | 31 | 32 | 33 | 34 | 35 | 36 | 37 | 38 | 39 | 40 | 41 |
| FeCl2·4H2O | 0.00 | 0.00 | 0.00 | 0.00 | 0.00 | 0.00 | 0.00 | 0.00 | 0.00 | 0.00 | 0.00 | 0.00 | 0.00 | 0.00 | 0.00 | 0.00 | 0.00 | 0.00 | 0.00 | 0.00 | 0.00 |
| CH3COONa | 92.98 | 0.00 | 92.98 | 0.00 | 0.00 | 0.00 | 0.00 | 92.98 | 0.00 | 0.00 | 0.00 | 0.00 | 0.00 | 0.00 | 0.00 | 0.00 | 0.00 | 0.00 | 0.00 | 0.00 | 0.00 |
| Starch | 0.00 | 0.00 | 0.00 | 0.00 | 0.00 | 0.00 | 0.00 | 0.00 | 0.00 | 0.00 | 0.00 | 0.00 | 0.00 | 0.00 | 0.00 | 0.00 | 0.00 | 0.00 | 0.00 | 0.00 | 0.00 |
| H2O | 2188.21 | 2186.22 | 142.27 | 28.21 | 0.00 | 0.00 | 28.21 | 142.27 | 73.92 | 216.19 | 0.00 | 216.19 | 216.19 | 215.76 | 0.43 | 2186.22 | 21.86 | 21.86 | 0.04 | 2164.35 | 2164.35 |
| CH3COOH | 29.48 | 29.42 | 0.05 | 0.00 | 0.00 | 0.00 | 0.00 | 0.05 | - | 68.09 | 0.00 | 68.09 | 68.09 | 0.14 | 67.9 | 29.42 | 28.35 | 0.06 | 28.29 | 1.07 | - |
| Fe(OH)2 | 0.00 | 0.00 | 0.00 | 0.00 | 0.00 | 0.00 | 0.00 | 0.00 | 0.00 | 0.00 | 0.00 | 0.00 | 0.00 | 0.00 | 0.00 | 0.00 | 0.00 | 0.00 | 0.00 | 0.00 | 0.00 |
| NaCl | 28.49 | 0.00 | 28.49 | 0.00 | 0.00 | 0.00 | 28.49 | 0.00 | 94.26 | 94.26 | 0.00 | 0.00 | 0.00 | 0.00 | 0.00 | 0.00 | 0.00 | 0.00 | 0.00 | 0.00 | |
| HCl | 0.00 | 0.00 | 0.00 | 0.00 | 0.00 | 0.00 | 0.00 | 0.00 | 40.82 | 0.00 | 0.00 | 0.00 | 0.00 | 0.00 | 0.00 | 0.00 | 0.00 | 0.00 | 0.00 | 0.00 | 0.00 |
| C2H5OH | 0.00 | 0.00 | 0.00 | 0.00 | 0.00 | 0.00 | 0.00 | 0.00 | 0.00 | 0.00 | 0.00 | 0.00 | 0.00 | 0.00 | 0.00 | 0.00 | 886.26 | 886.26 | 0.00 | 0.00 | 0.00 |
| MTBE | 0.00 | 0.00 | 0.00 | 0.00 | 28.21 | 0.00 | 28.21 | 0.00 | 0.00 | 0.00 | 0.00 | 0.00 | 0.00 | 0.00 | 0.00 | 0.00 | 0.00 | 0.00 | 0.00 | 0.00 | 0.00 |
| Magnetite | 18.81 | 0.00 | 18.81 | 0.00 | 0.00 | 18.81 | 0.00 | 0.00 | 0.00 | 0.00 | 0.00 | 0.00 | 0.00 | 0.00 | 0.00 | 0.00 | 0.00 | 0.00 | 0.00 | 0.00 | |
| Total (kg/day) | 2357.97 | 2215.64 | 282.61 | 28.21 | 28.21 | 18.81 | 56.42 | 263.90 | 114.74 | 378.54 | 94.26 | 284.28 | 284.28 | 215.90 | 68.38 | 2215.64 | 936.47 | 908.17 | 28.33 | 2165.43 | 2164.35 |
| Total (kmol/day) | 123.76 | 121.95 | 9.61 | 1.57 | 0.61 | 0.08 | 2.18 | 9.53 | 5.24 | 14.77 | 1.63 | 13.15 | 13.15 | 11.99 | 1.16 | 121.95 | 11.74 | 11.26 | 0.47 | 120.26 | 120.24 |
| Enthalpy (kJ/day) | 1,641,950 | 5,870,529 | 0.00 | 0.00 | 0.00 | 0.00 | 0.00 | 0.00 | 0.00 | −8416.8 | 7895.9 | 552,854 | −422,597 | 1,217,950 | 778,32.1 | 3,753,140.1 | 90,649.0 | 85,258.2 | 5398.7 | 390,831.3 | 0.00 |
| T(K) | 473.00 | 473.00 | 298.00 | 298.00 | 298.00 | 298.00 | 298.00 | 298.00 | 298.00 | 278.00 | 391.00 | 391.00 | 374.55 | 372.88 | 390.68 | 353.00 | 342.57 | 341.16 | 390.72 | 341.16 | 298.00 |
| P(MPa) | 2.00 | 0.10 | 0.10 | 0.10 | 0.10 | 0.10 | 0.10 | 0.10 | 0.10 | 0.10 | 0.10 | 0.10 | 0.10 | 0.10 | 0.10 | 0.10 | 0.10 | 0.10 | 0.10 | 0.10 | 0.10 |
| T-01 | Storage Tank 1 | T-02 | Storage Tank 2 |
|---|---|---|---|
| T-03 | Storage Tank 3 | T-04 | Storage Tank 4 |
| T-05 | Storage Tank 5 | T-06 | Storage Tank 6 |
| IC-01 | Heat Exchanger 1 | IC-02 | Heat Exchanger 2 |
| IC-03 | Heat Exchanger 3 | IC-04 | Flash Separator 4 |
| IC-05 | Heat Exchanger 5 | SF-01 | Flash Separator 1 |
| M-01 | Mixer 1 | M-02 | Mixer 2 |
| R-01 | Reactor 1 | R-02 | Reactor 2 |
| R-03 | Reactor 3 | B-01 | Pump 1 |
| B-02 | Pump 2 | B-03 | Pump 3 |
| RH-01 | Hydrothermal Reactor 1 | RH-02 | Hydrothermal Reactor 2 |
| RH-03 | Hydrothermal Reactor 3 | FM-01 | Magnetic Filter |
| E-01 | Evaporator 1 | TE-01 | Extraction Tower 1 |
| TD-01 | Distillation Tower 1 | TD-02 | Distillation Tower 2 |
| TI-01 | Ion Exchange Tower 1 | - | - |
| Materials | Quantity (kg/day) | Quality |
|---|---|---|
| FeCl2·4H2O | 48.64 | Raw Material |
| Sodium Acetate | 133.26 | Raw Material |
| Starch | 54.47 | Raw Material |
| Water | 2174.99 | Raw Material/Sub-product |
| Magnetite | 18.81 | Product |
| NaCl | 94.26 | Sub-Product |
| HCl | 40.82 | Raw Material |
| Ethanol | 886.26 | Separation Aid |
| MTBE | 28.21 | Separation Aid |
| Cost | € | Invested Capital | € |
|---|---|---|---|
| 1.1 Raw Materials | 9,302,682 | 1.1 Instrumentation | 876,200 |
| 1.2 Direct Human Labor | 2,264,731 | 1.2 Initial Setup | 1,180,970 |
| 1.3 Indirect Human Labor | 503,207 | 1.3 Piping and Valves | 525,720 |
| 1.4 General Services | 1704 | 1.4 Measuring and Control | 131,430 |
| 1.5 Supplies | 41,745 | 1.5 Heat Isolation | 35,048 |
| 1.6 Conservation Expenses | 208,727 | 1.6 Electrical Installation | 131,430 |
| 1.7 Laboratory | 679,419 | 1.7 Land and Structures | 1,541,610 |
| 1.8 Board and Technical Staff | 467,565 | 1.8 Auxiliary Facilities | 350,480 |
| 1.9 Amortization | 73,880 | 1.9 Project and Design | 497,244 |
| 1.10 Packaging | 6,110,400 | 1.10 Constructor Hiring | 286,373 |
| 1.11 Taxes and Insurances | 139,151 | 1.11 Unexpected Expenses | 685,117 |
| TOTAL COST OF FABRICATION | 19,791,507 | 1.12 Preliminary Research, Study and Startup | 715,933 |
| 2.1 Comercial Expenses | 3,958,301 | TOTAL IMMOBILIZED | 6,957,556 |
| 2.2 Management | 890,618 | - | - |
| 2.3 Financial Expenses | 49,257 | CIRCULATING CAPITAL | 5,356,704 |
| 2.4 Research | 208,727 | - | - |
| 2.5 Technical Services | 33,935 | TOTAL INVESTED CAPITAL | 12,314,260 |
| TOTAL COST OF MANAGEMENT | 5,140,838 | - | - |
| TOTAL PRODUCTION COSTS | 24,932,346 | TOTAL INCOME | 30,552,000 |
| Cost | € | Invested Capital | € |
|---|---|---|---|
| 1.1 Raw Materials | 15,888,945 | 1.1 Instrumentation | 1,714,802 |
| 1.2 Direct Human Labor | 2,193,938 | 1.2 Initial Setup | 1,668,069 |
| 1.3 Indirect Human Labor | 602,897 | 1.3 Piping and Valves | 1,028,881 |
| 1.4 General Services | 9,048,525 | 1.4 Measuring and Control | 514,441 |
| 1.5 Supplies | 432,988 | 1.5 Heat Isolation | 120,036 |
| 1.6 Conservation Expenses | 863,263 | 1.6 Electrical Installation | 342,960 |
| 1.7 Laboratory | 658,181 | 1.7 Land and Structures | 6,257,220 |
| 1.8 Board and Technical Staff | 507,229 | 1.8 Auxiliary Facilities | 685,921 |
| 1.9 Amortization | 128,721 | 1.9 Project and Design | 1,284,795 |
| 1.10 Taxes and Insurances | 577,318 | 1.10 Constructor Hiring | 739,940 |
| TOTAL COST OF FABRICATION | 30,902,006 | 1.11 Unexpected Expenses | 2,096,496 |
| 2.1 Comercial Expenses | 6,180,401 | 1.12 Preliminary Studies | 10,103,064 |
| 2.2 Management | 479,412 | 1.13 Preliminary Startup | 2,309,272 |
| 2.3 Financial Expenses | 5,776,170 | - | - |
| 2.4 Research | 1,154,636 | TOTAL IMMOBILIZED | 28,865,898 |
| 2.5 Technical Services | 1,904,636 | CIRCULATING CAPITAL | 9,641,903 |
| TOTAL COST OF MANAGEMENT | 14,340,620 | TOTAL INVESTED CAPITAL | 38,507,801 |
| TOTAL PRODUCTION COSTS | 45,242,625 | TOTAL INCOME | 75,000,000 |
© 2020 by the authors. Licensee MDPI, Basel, Switzerland. This article is an open access article distributed under the terms and conditions of the Creative Commons Attribution (CC BY) license (http://creativecommons.org/licenses/by/4.0/).
Share and Cite
Augusto, P.A.; Castelo-Grande, T.; Vargas, D.; Pascual, A.; Hernández, L.; Estevez, A.M.; Barbosa, D. Upscale Design, Process Development, and Economic Analysis of Industrial Plants for Nanomagnetic Particle Production for Environmental and Biomedical Use. Materials 2020, 13, 2477. https://doi.org/10.3390/ma13112477
Augusto PA, Castelo-Grande T, Vargas D, Pascual A, Hernández L, Estevez AM, Barbosa D. Upscale Design, Process Development, and Economic Analysis of Industrial Plants for Nanomagnetic Particle Production for Environmental and Biomedical Use. Materials. 2020; 13(11):2477. https://doi.org/10.3390/ma13112477
Chicago/Turabian StyleAugusto, Paulo A., Teresa Castelo-Grande, Diana Vargas, Alvaro Pascual, Lorenzo Hernández, Angel M. Estevez, and Domingos Barbosa. 2020. "Upscale Design, Process Development, and Economic Analysis of Industrial Plants for Nanomagnetic Particle Production for Environmental and Biomedical Use" Materials 13, no. 11: 2477. https://doi.org/10.3390/ma13112477
APA StyleAugusto, P. A., Castelo-Grande, T., Vargas, D., Pascual, A., Hernández, L., Estevez, A. M., & Barbosa, D. (2020). Upscale Design, Process Development, and Economic Analysis of Industrial Plants for Nanomagnetic Particle Production for Environmental and Biomedical Use. Materials, 13(11), 2477. https://doi.org/10.3390/ma13112477

