Low-Frequency Noise Investigation of 1.09 μm GaAsBi Laser Diodes
Abstract
1. Introduction
2. Fabrication of Laser Diodes and Noise Measuring Technique
2.1. Investigated Laser Diodes Structure, Growth and Optical Characteristics
2.2. Details on Noise Measurement Technique
3. Results and Discussion
3.1. Electrical Noise Characteristics of GaAsBi Laser Diodes
3.2. Current–Voltage Characteristics of the Group A and B LDs
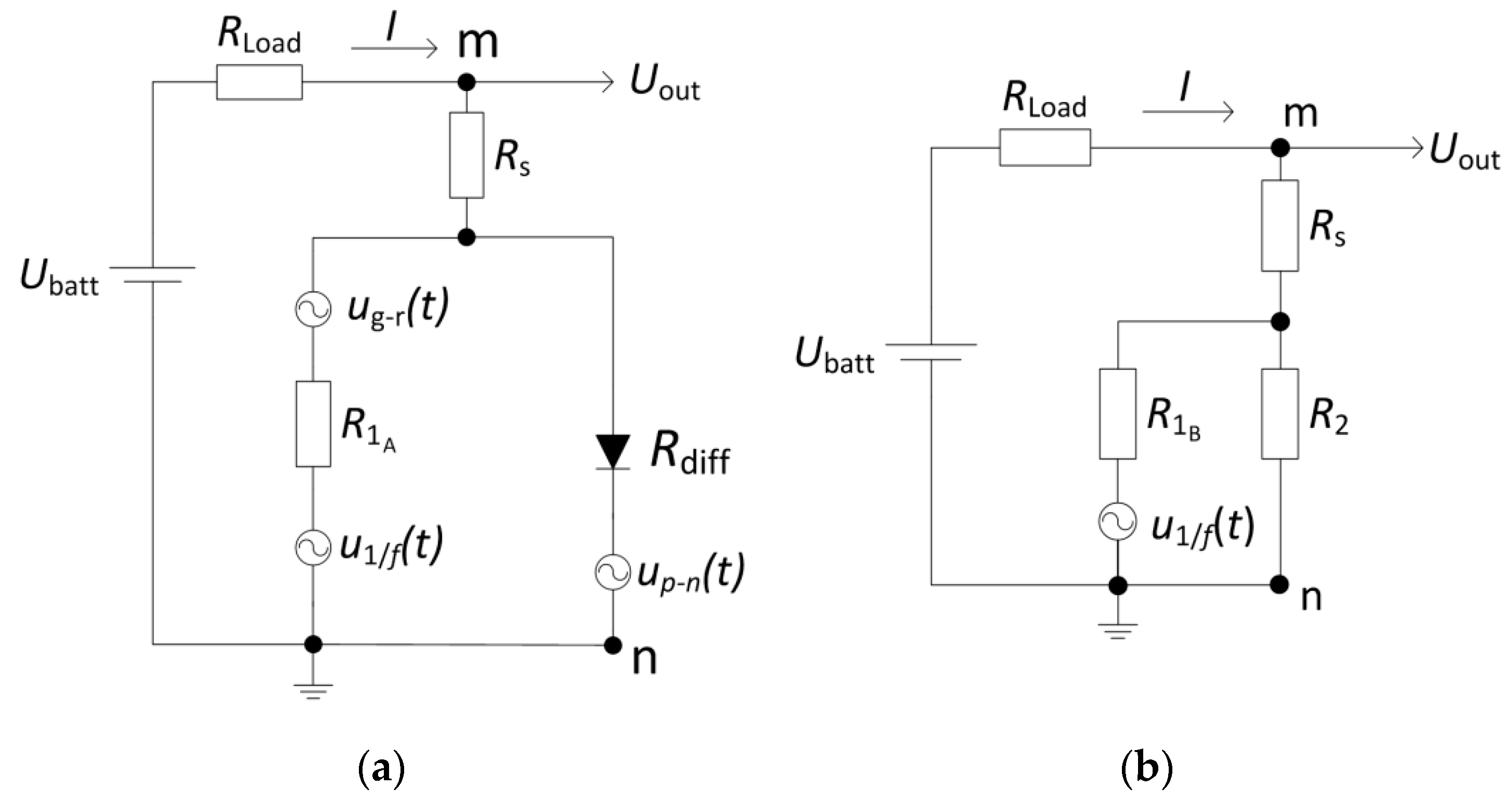
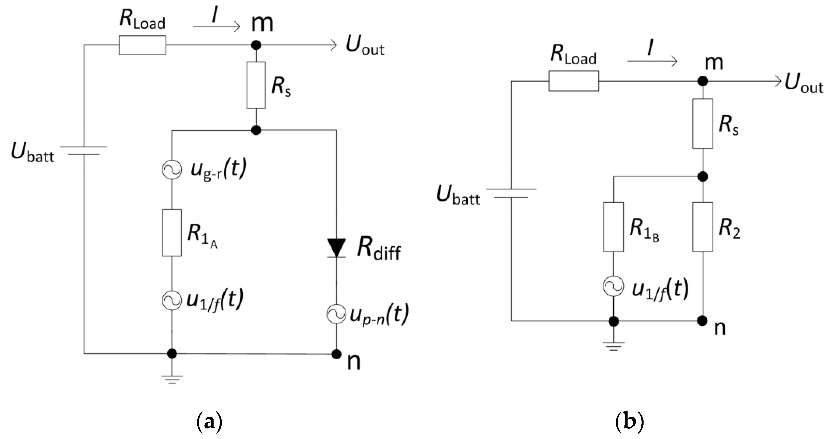
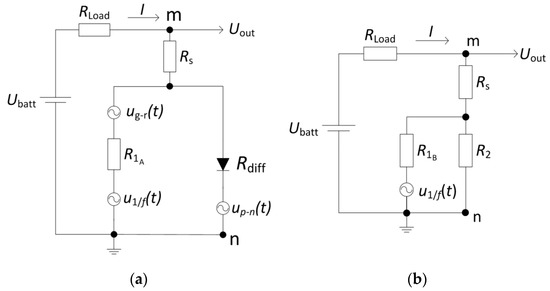
3.3. Noise Equivalent Circuits of the LDs and Their Analysis
3.4. The Origin of Electrical Fluctuations in GaAsBi LDs
4. Conclusions
Author Contributions
Funding
Conflicts of Interest
References
- Marko, I.P.; Jin, S.R.; Hild, K.; Batool, Z.; Bushell, Z.L.; Ludewig, P.; Stolz, W.; Volz, K.; Butkutė, R.; Pačebutas, V.; et al. Properties of hybrid MOVPE/MBE grown GaAsBi/GaAs based near-infrared emitting quantum well lasers. Semicond. Sci. Technol. 2015, 30, 1–10. [Google Scholar] [CrossRef]
- Patil, P.K.; Luna, E.; Matsuda, T.; Yamada, K.; Kamiya, K.; Ishikawa, F.; Shimomura, S. GaAsBi/GaAs multi-quantum well LED grown by molecular beam epitaxy using a two-substrate-temperature technique. Nanotechnology 2017, 28, 105702. [Google Scholar] [CrossRef] [PubMed]
- Pan, W.; Zhang, L.; Zhu, L.; Li, Y.; Chen, X.; Wu, X.; Zhang, F.; Shao, J.; Wang, S. Optical properties and band bending of InGaAs/GaAsBi/InGaAs type-II quantum well grown by gas source molecular beam epitaxy. J. Appl. Phys. 2016, 120, 105702. [Google Scholar] [CrossRef]
- Mohmad, A.R.; Bastiman, F.; Hunter, C.J.; Richards, R.D.; Sweeney, S.J.; Ng, J.S.; David, J.P.R.; Majlis, B.Y. Localization effects and band gap of GaAsBi alloys. Phys. Status Solidi B 2014, 251, 1276–1281. [Google Scholar] [CrossRef]
- Li, Z.; Wang, Y.; Xiao, J. Mechanics of curvilinear electronics and optoelectronics. Curr. Opin. Solid State Mater. Sci. 2015, 19, 171–189. [Google Scholar] [CrossRef]
- Li, Z.; Xiao, J. Mechanics and optics of stretchable elastomeric microlens array for artificial compound eye camera. J. Appl. Phys. 2015, 117, 014904. [Google Scholar] [CrossRef]
- Li, Z.; Wang, Y.; Xiao, J. Mechanics of bioinspired imaging systems. Theor. Appl. Mech. Lett. 2016, 6, 11–20. [Google Scholar] [CrossRef]
- Mohmad, A.R.; Majlis, B.Y.; Bastiman, F.; Hunter, C.J.; Richards, R.D.; Ng, J.S.; David, J.P.R. Photoluminescence from localized states in GaAsBi epilayers. In Proceedings of the International Conference on Semiconductor Electronics (ICSE2014), Kuala Lumpur, Malaysia, 27–29 August 2014; pp. 354–357. [Google Scholar]
- Gelczuk, Ł.; Kopaczek, J.; Rockett, T.B.O.; Richards, R.D.; Kudrawiec, R. Deep-level defects in n-type GaAsBi alloys grown by molecular beam epitaxy at low temperature and their influence on optical properties. Sci. Rep. 2017, 7, 1–11. [Google Scholar] [CrossRef] [PubMed]
- Butkutė, R.; Geižutis, A.; Pačebutas, V.; Čechavičius, B.; Bukauskas, V.; Kundrotas, R.; Ludewig, P.; Volz, K.; Krotkus, A. Multi-quantum well Ga (AsBi)/GaAs laser diodes with more than 6% of bismuth. Electron. Lett. 2014, 50, 1155–1157. [Google Scholar] [CrossRef]
- Vandamme, L.K.J. Noise as a diagnostic tool for quality and reliability of electronic devices. IEEE Trans. Electron Devices 1994, 41, 2176–2187. [Google Scholar] [CrossRef]
- Sawyer, S.; Rumyantsev, S.L.; Shur, M.S.; Pala, N.; Bilenko, Y.; Zhang, J.P.; Hu, X.; Lunev, A.; Deng, J.; Gaska, R. Current and optical noise of GaN/AlGaN light emitting diodes. J. Appl. Phys. 2006, 100, 034504. [Google Scholar] [CrossRef]
- Van Rheenen, A.D.; Bosman, G.; Zijlstra, R.J.J. Low frequency noise measurements as a tool to analyze deep-level impurities in semiconductor devices. Solid State Electron. 1987, 30, 259–265. [Google Scholar] [CrossRef]
- Pralgauskaitė, S.; Palenksis, V.; Matukas, J. Chapter 8: Low frequency noise characteristics of multimode and singlemode laser diodes. In Semiconductor Laser Diode Technology and Applications; Patil, D.S., Ed.; InTech: London, UK, 2012; ISBN 978-953-51-0549-7. pp. 133–160. [Google Scholar]
- Glemža, J.; Pralgauskaitė, S.; Palenskis, V.; Matukas, J. Low frequency noise investigation of 2–3 μM GaSb-based laser diodes. Solid State Electron. 2017, 133, 70–77. [Google Scholar] [CrossRef]
- Guan, J.; Guo, S.; Wang, J.; Tao, M.; Cao, J.; Gao, F. Analysis of origin of measured 1/f noise in high-power semiconductor laser diodes far below threshold current. Microelectron. Reliab. 2016, 59, 55–59. [Google Scholar] [CrossRef]
- Glemža, J.; Palenskis, V.; Pralgauskaitė, S.; Vyšniauskas, J.; Matukas, J. Properties of the surface generation-recombination noise in 1.94 μM GaSb-based laser diodes. Infrared Phys. Technol. 2018, 91, 101–106. [Google Scholar] [CrossRef]
- Pralgauskaitė, S.; Palenskis, V.; Matukas, J.; Šaulys, B.; Kornijčuk, V. Analysis of mode-hopping effect in Fabry-Pérot multiple-quantum well laser diodes via low frequency noise investigation. Solid State Electron. 2013, 79, 104–110. [Google Scholar] [CrossRef]
- Palenskis, V.; Maknys, K. Nature of low-frequency noise in homogenous semiconductors. Sci. Rep. 2015, 5, 1–7. [Google Scholar]
- Palenskis, V.; Vyšniauskas, J.; Glemža, J.; Matukas, J. Charge carrier mobility fluctuations due to capture-emission process. Lith. J. Phys. 2018, 58, 261–266. [Google Scholar] [CrossRef]
- Palenskis, V. The charge carrier capture-emission process—The main source of the low-frequency noise in homogeneous semiconductors. Lith. J. Phys. 2016, 56, 200–206. [Google Scholar] [CrossRef]
- Park, J.; Kang, T.; Woo, D.; Son, J.-K.; Lee, J.-H.; Park, B.-G.; Shin, H. Non-ideal characteristic analysis of GaN-based light-emitting diode using current-voltage (I–V) and low-frequency noise experiment. In Proceedings of the 18th IEEE International Symposium on the Physical and Failure Analysis of Integrated Circuits (IPFA), Incheon, Korea, 4–7 July 2011; pp. 408–411. [Google Scholar]
- Pralgauskaitė, S.; Palenskis, V.; Matukas, J.; Glemža, J.; Muliuk, G.; Šaulys, B.; Trinkūnas, A. Reliability investigation of light-emitting diodes via low frequency noise characteristics. Microelectron. Reliab. 2015, 55, 52–61. [Google Scholar] [CrossRef]
- Hooge, F.N.; Kleinpenning, T.G.M.; Vandamme, L.K.J. Experimental studies on l/f noise. Rep. Prog. Phys. 1981, 44, 479–532. [Google Scholar] [CrossRef]
- Hakimi, R.; Amann, M.C. Reduction of 1/f carrier noise in InGaAsP/InP heterostructures by sulphur passivation of facets. Semicond. Sci. Technol. 1997, 12, 778–780. [Google Scholar] [CrossRef]
- Bessolov, V.N.; Lebedev, M.V.; Shernyakov, Y.M.; Tsarenkov, B.V. Sulfur passivation of InGaAs/AlGaAs SQW laser (977 nm) facets in alcohol-based solutions. Mater. Sci. Eng. B 1997, 44, 380–382. [Google Scholar] [CrossRef]
- Lambert, R.W.; Ayling, T.; Hendry, A.F.; Carson, J.M.; Barrow, D.A.; McHendry, S.; Scott, C.J.; McKee, A.; Meredith, W. Facet-passivation processes for the improvement of Al-containing semiconductor laser diodes. J. Lightware Technol. 2006, 24, 956–961. [Google Scholar] [CrossRef]
- Palenskis, V.; Minkevičius, L.; Matukas, J.; Jokubauskis, D.; Pralgauskaitė, S.; Seliuta, D.; Čechavičius, B.; Butkutė, R.; Valušis, G. InGaAs diodes for terahertz sensing—Effect of molecular beam epitaxy growth conditions. Sensors 2018, 18, 3760. [Google Scholar] [CrossRef] [PubMed]












© 2019 by the authors. Licensee MDPI, Basel, Switzerland. This article is an open access article distributed under the terms and conditions of the Creative Commons Attribution (CC BY) license (http://creativecommons.org/licenses/by/4.0/).
Share and Cite
Glemža, J.; Palenskis, V.; Geižutis, A.; Čechavičius, B.; Butkutė, R.; Pralgauskaitė, S.; Matukas, J. Low-Frequency Noise Investigation of 1.09 μm GaAsBi Laser Diodes. Materials 2019, 12, 673. https://doi.org/10.3390/ma12040673
Glemža J, Palenskis V, Geižutis A, Čechavičius B, Butkutė R, Pralgauskaitė S, Matukas J. Low-Frequency Noise Investigation of 1.09 μm GaAsBi Laser Diodes. Materials. 2019; 12(4):673. https://doi.org/10.3390/ma12040673
Chicago/Turabian StyleGlemža, Justinas, Vilius Palenskis, Andrejus Geižutis, Bronislovas Čechavičius, Renata Butkutė, Sandra Pralgauskaitė, and Jonas Matukas. 2019. "Low-Frequency Noise Investigation of 1.09 μm GaAsBi Laser Diodes" Materials 12, no. 4: 673. https://doi.org/10.3390/ma12040673
APA StyleGlemža, J., Palenskis, V., Geižutis, A., Čechavičius, B., Butkutė, R., Pralgauskaitė, S., & Matukas, J. (2019). Low-Frequency Noise Investigation of 1.09 μm GaAsBi Laser Diodes. Materials, 12(4), 673. https://doi.org/10.3390/ma12040673

