Power Quality Improvement and LVRT Capability Enhancement of Wind Farms by Means of an Inductive Filtering Method
Abstract
:1. Introduction
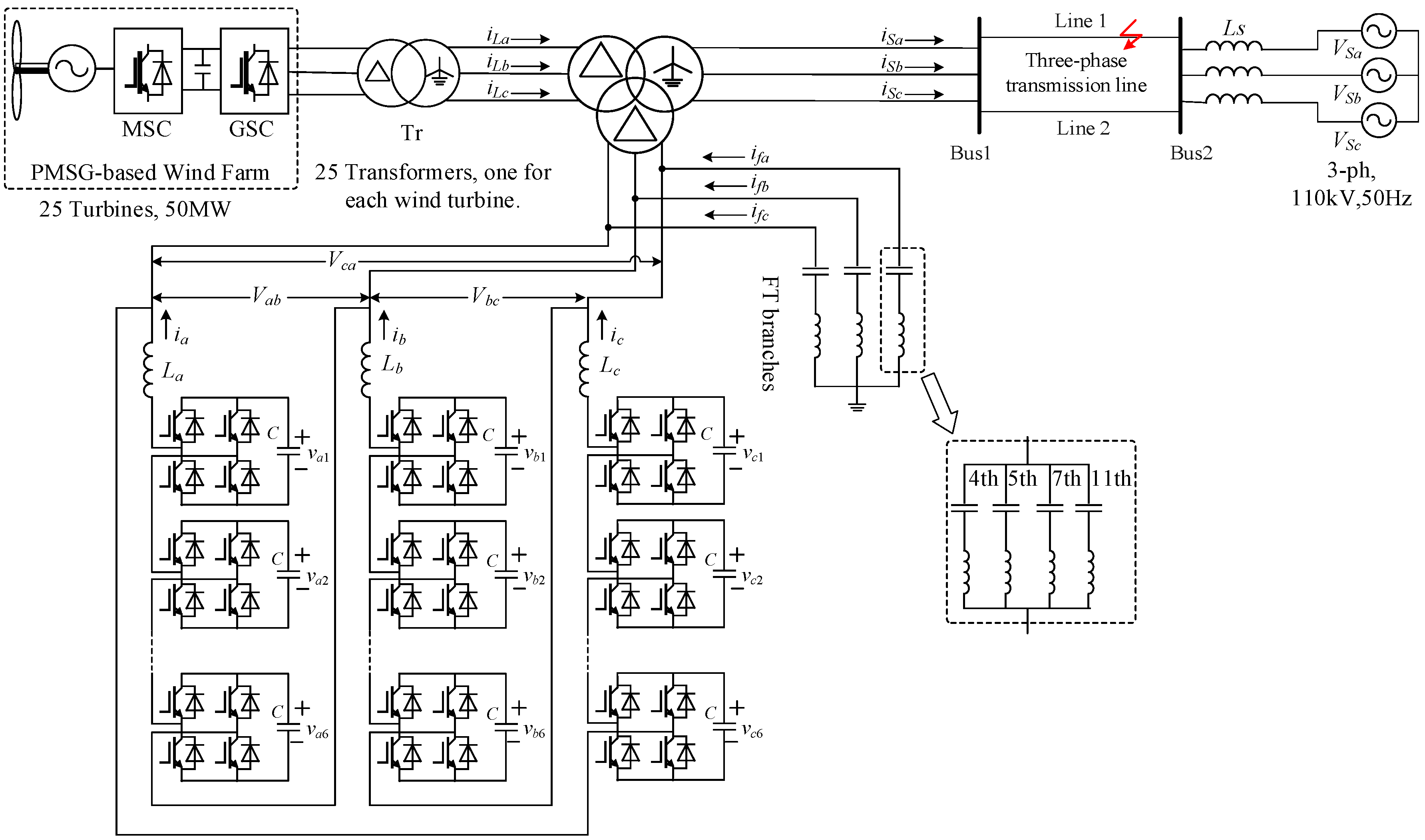
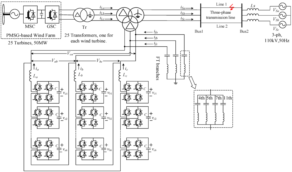
2. Main Circuit Topology of the New Wind Power Integrated System
2.1. Topology
2.2. Wind Turbine Modeling
2.3. Harmonic Currents Produced by a Wind Farm
3. Theoretical Analysis
3.1. Harmonic Model and Equivalent Circuit Model
3.2. Reactive Power Compensation Characteristics
4. Design of Impedance Parameters and STATCOM Control System
4.1. Design of FT Branches and the New Grid-Connected Transformer
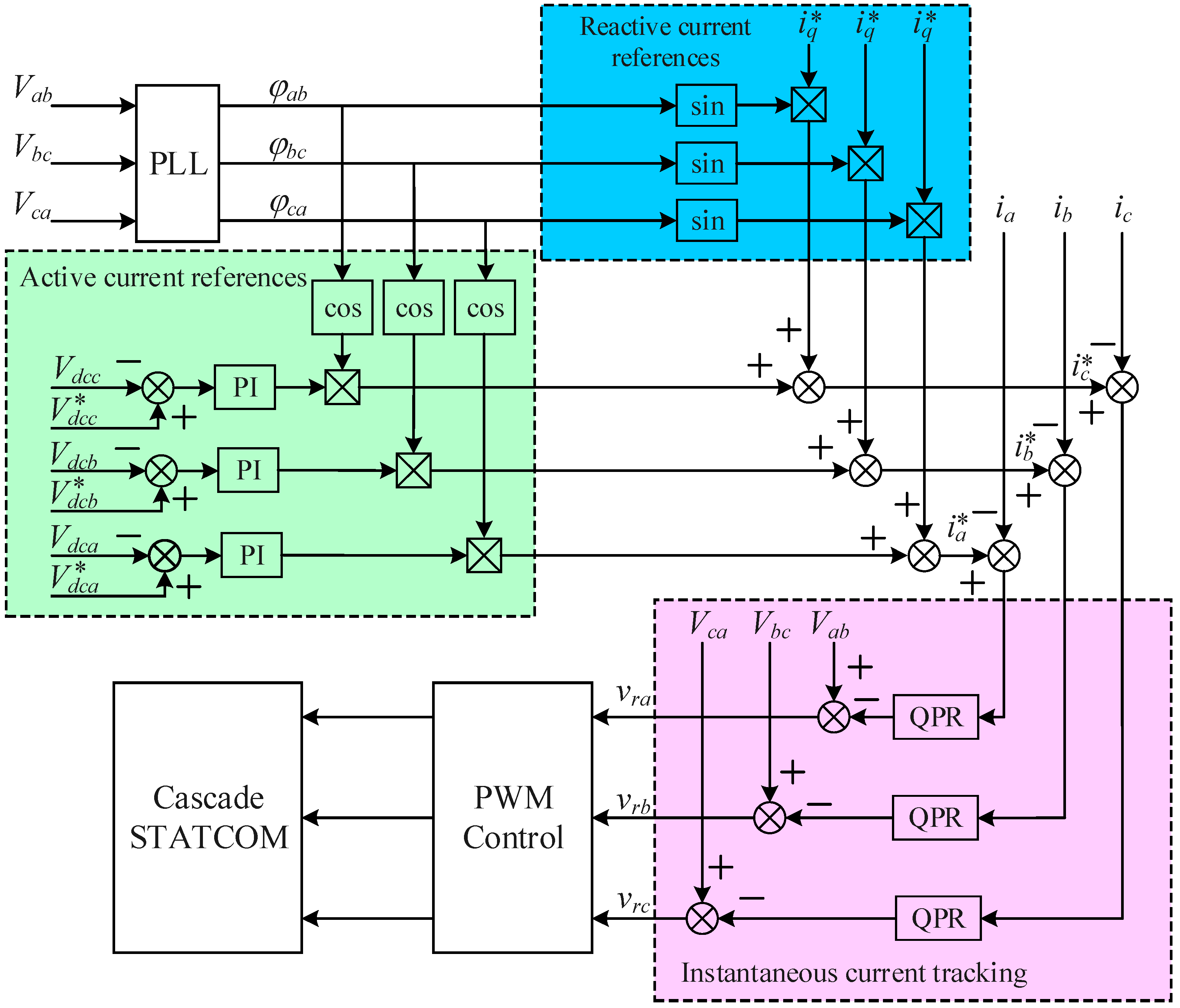
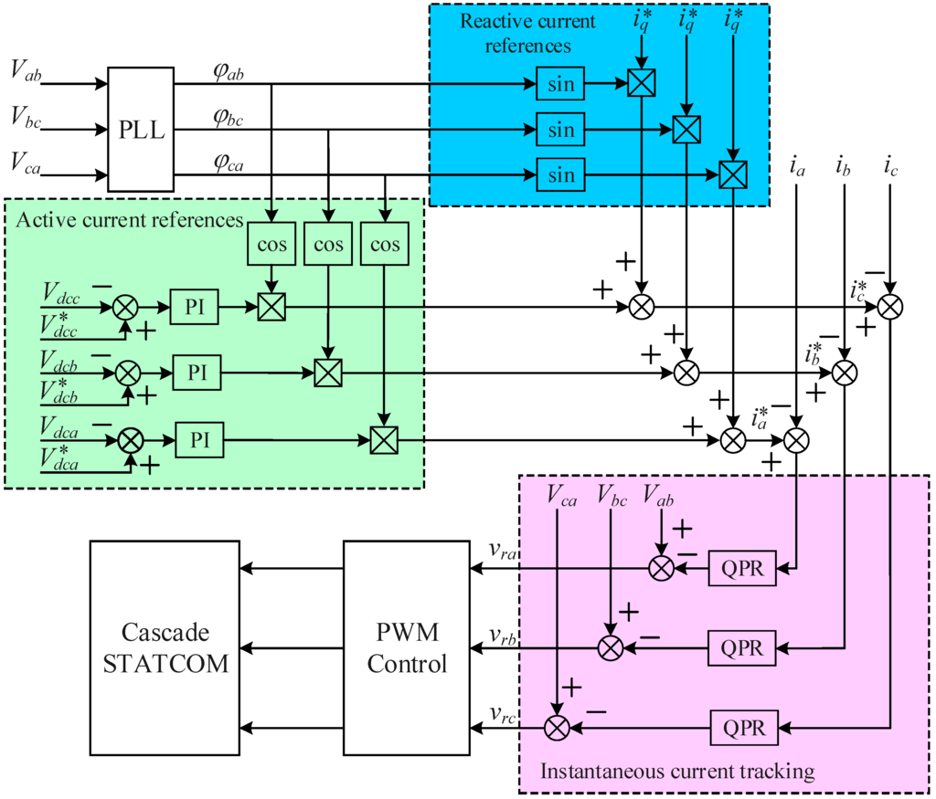
4.2. Control Strategy of Cascade Multilevel STATCOM
5. Case Study
5.1. Test 1: Filtering Performance
5.2. Test 2: Reactive Power Compensation Performance
5.3. Test 3: Fault Recovery Performance
6. Conclusions
Acknowledgments
Author Contributions
Conflicts of Interest
References
- Keane, A.; Cuffe, P.; Diskin, E.; Brooks, D.; Harrington, P.; Hearne, H.; Rylander, M.; Fallon, T. Evaluation of advanced operation and control of distributed wind farms to support efficiency and reliability. IEEE Trans. Sustain. Energy 2012, 4, 735–742. [Google Scholar] [CrossRef]
- Yao, J.; Li, Q.; Chen, Z.; Liu, A. Coordinated control of a DFIG-Based wind-power generation system with SGSC under distorted grid voltage conditions. Energies 2013, 6, 2541–2561. [Google Scholar] [CrossRef]
- Konopinski, R.; Vijayan, P.; Ajjarapu, V. Extended reactive capability of DFIG wind parks for enhanced system performance. IEEE Trans. Power Syst. 2009, 3, 1346–1355. [Google Scholar] [CrossRef]
- Okedu, K.; Muyeen, S.M.; Takahashi, R.; Tamura, J. Wind farms fault ride through using DFIG with new protection scheme. IEEE Trans. Sustain. Energy 2012, 2, 242–254. [Google Scholar] [CrossRef]
- Lu, S.; Wang, L.; Ke, S.; Chang, C.; Yang, Z. Evaluation of Measured Power Quality Results of a Wind Farm Connected to Taiwan Power System. IEEE Trans. Ind. Appl. 2016, 1, 42–49. [Google Scholar] [CrossRef]
- Jayaweera, D.; Islam, S. Steady-state security in distribution networks with large wind farms. J. Mod. Power Syst. Clean Energy 2014, 2, 134–142. [Google Scholar] [CrossRef]
- Mohod, S.W.; Aware, M.V. A STATCOM-Control Scheme for Grid Connected Wind Energy System for Power Quality Improvement. IEEE Syst. J. 2010, 3, 346–352. [Google Scholar] [CrossRef]
- Liang, S.; Hu, Q.; Lee, W. A Survey of Harmonic Emissions of a Commercially Operated Wind Farm. IEEE Trans. Ind. Appl. 2012, 3, 1115–1123. [Google Scholar] [CrossRef]
- Tentzerakis, S.T.; Papathanassiou, S.A. An investigation of the harmonic emissions of wind turbines. IEEE Trans. Energy Convers. 2007, 1, 150–158. [Google Scholar] [CrossRef]
- Teng, J.H.; Leou, R.C.; Chang, C.Y.; Chan, S.Y. Harmonic current predictors for wind turbines. Energies 2013, 6, 1314–1328. [Google Scholar] [CrossRef]
- ENTSO-E Network Code for Requirements for Grid Connection Applicable to All Generators. Available online: http://networkcodes.entsoe.eu/wp-content/uploads/2013/08/130308_Final_Version_NC_RfG1.pdf (accessed on 12 December 2015).
- Hasan, K.N.B.M.; Rauma, K.; Luna, A.; Cadela, J.I.; Rodríguez, P. Harmonic Compensation Analysis in Offshore Wind Power Plants Using Hybrid Filters. IEEE Trans. Ind. Appl. 2014, 3, 2050–2060. [Google Scholar] [CrossRef]
- Gan, L.; Li, G.; Zhou, M. Coordinated Planning of Large-Scale Wind Farm Integration System and Transmission Network. CSEE J. Power Energy Syst. 2016, 1, 19–29. [Google Scholar] [CrossRef]
- Montao, A.F.O.; Carrillo, C.; Cidrás, J.; Dorado, E.D. A STATCOM with Supercapacitors for Low-Voltage Ride-Through in Fixed-Speed Wind Turbines. Energies 2014, 7, 5922–5952. [Google Scholar]
- Roncero-Sànchez, P.; Acha, E. Design of a control scheme for distribution static synchronous compensators with power-quality improvement capability. Energies 2014, 7, 2476–2497. [Google Scholar] [CrossRef]
- Bai, J.; Gu, W.; Yuan, X.; Li, Q.; Xue, F.; Wang, X. Power quality prediction, early warning, and control for points of common coupling with wind farms. Energies 2015, 8, 9365–9382. [Google Scholar] [CrossRef]
- Zheng, Z.; Yang, G.; Geng, H. Coordinated control of a doubly-fed induction generator-based wind farm and a static synchronous compensator for low voltage ride-through grid code compliance during asymmetrical grid faults. Energies 2013, 6, 4660–4681. [Google Scholar] [CrossRef]
- Daratha, N.; Das, B.; Sharma, J. Coordination between OLTC and SVC for voltage regulation in unbalanced distribution system distributed generation. IEEE Trans. Power Syst. 2014, 1, 289–299. [Google Scholar] [CrossRef]
- Luo, L.; Li, Y.; Xu, J.; Li, J.; Hu, B.; Liu, F. A new converter transformer and a corresponding inductive filtering method for HVDC transmission system. IEEE Trans. Power Deliv. 2008, 3, 1426–1431. [Google Scholar] [CrossRef]
- Li, Y.; Luo, L.; Rehtanz, C.; Yang, D.; Rüberg, S.; Liu, F. Harmonic transfer characteristics of a new HVDC system based on an inductive filtering method. IEEE Trans. Power Electron. 2012, 5, 2273–2282. [Google Scholar]
- Li, Y.; Luo, L.; Rehtanz, C.; Nakamura, K.; Xu, J.; Liu, F. Study on characteristic parameters of a new converter transformer for HVDC system. IEEE Trans. Power Deliv. 2009, 4, 2125–2131. [Google Scholar]
- Xu, Z.; Peng, Y.; Li, Y.; Wen, M.; Luo, L.; Cai, Y.; Cao, Y. Improvement of power quality and dynamic voltage of wind farms using an inductive filtering method. In Proceedings of the 2015 IEEE 15th International Conference on Environment and Electrical Engineering (EEEIC), Rome, Italy, 10–13 June 2015.
- Wang, L.; Nhon, D. Stability enhancement of a power system with a PMSG-Based and a DFIG-Based offshore wind farm using a SVC with an Adaotive-Network-Based fuzzy inference system. IEEE Trans. Ind. Electron. 2013, 7, 2799–2807. [Google Scholar] [CrossRef]
- Lázaro, E.G.; Bueso, M.C.; Kessler, M.; Martínez, S.M.; Zhang, J.; Hodge, B.M. Probability density function characterization for aggregated large-scale wind power based on Weibull mixtures. Energies 2016, 9, 91. [Google Scholar] [CrossRef]
- Papathanassiou, S.A.; Papadopoulous, M.P. Harmonic analysis in a power system with wind generation. IEEE Trans. Power Deliv. 2006, 4, 2006–2016. [Google Scholar] [CrossRef]
- Cirrincione, M.; Pucci, M.; Vitale, G. Growing neural gas-based MPPT of variable pitch wind generators with induction machines. IEEE Trans. Ind. Appl. 2012, 3, 1006–1016. [Google Scholar] [CrossRef]
- Sainz, L.; Mesas, J.J.; Teodorescu, R.; Rodriguez, P. Deterministic and stochastic study of wind farm harmonic currents. IEEE Trans. Energy Convers. 2010, 4, 1071–1080. [Google Scholar] [CrossRef]
- Heathcote, M.J. The J & P Transformer Book; Reed Educational and Professional Publishing: Oxford, UK, 1998. [Google Scholar]
- Shi, Y.; Liu, B.; Shi, Y.; Duan, S. Individual phase current control based on optimal zero-sequence current separation for a star-connected cascade STATCOM under unbalanced conditions. IEEE Trans. Ind. Electron. 2016, 3, 2099–2110. [Google Scholar] [CrossRef]





















| Parameters | Value |
|---|---|
| Rated capacity | 60 MVA |
| Winding voltage V1 | 110 kV |
| Winding voltage V2 | 35 kV |
| Winding voltage V3 | 10 kV |
| Short-circuit impedance Zn12 | 0.105 p.u. |
| Short-circuit impedance Zn13 | 0.065 p.u. |
| Short-circuit impedance Zn23 | 0.040 p.u. |
| No load loss | 55 kW |
| Copper loss | 275 kW |
| n-Order | Capacity (MVar) | Capacitance (μF) | Reactance (mH) |
|---|---|---|---|
| 4th branch | 0.5 | 14.9000 | 42.4410 |
| 5th branch | 1.0 | 30.5575 | 13.2629 |
| 7th branch | 0.5 | 15.5907 | 13.2629 |
| 11th branch | 0.5 | 15.7840 | 5.3052 |
| Parameter | No Compensation | With Compensation |
|---|---|---|
| Active power (MW) | 16.0282 | 16.0531 |
| Reactive power (Mvar) | −5.3744 | 0.8786 |
| Power factor | 0.9481 | 0.9985 |
| Power loss of transformer (Mvar) | 0.1045 | 0.0845 |
© 2016 by the authors; licensee MDPI, Basel, Switzerland. This article is an open access article distributed under the terms and conditions of the Creative Commons Attribution (CC-BY) license (http://creativecommons.org/licenses/by/4.0/).
Share and Cite
Peng, Y.; Li, Y.; Xu, Z.; Wen, M.; Luo, L.; Cao, Y.; Leonowicz, Z. Power Quality Improvement and LVRT Capability Enhancement of Wind Farms by Means of an Inductive Filtering Method. Energies 2016, 9, 302. https://doi.org/10.3390/en9040302
Peng Y, Li Y, Xu Z, Wen M, Luo L, Cao Y, Leonowicz Z. Power Quality Improvement and LVRT Capability Enhancement of Wind Farms by Means of an Inductive Filtering Method. Energies. 2016; 9(4):302. https://doi.org/10.3390/en9040302
Chicago/Turabian StylePeng, Yanjian, Yong Li, Zhisheng Xu, Ming Wen, Longfu Luo, Yijia Cao, and Zbigniew Leonowicz. 2016. "Power Quality Improvement and LVRT Capability Enhancement of Wind Farms by Means of an Inductive Filtering Method" Energies 9, no. 4: 302. https://doi.org/10.3390/en9040302
APA StylePeng, Y., Li, Y., Xu, Z., Wen, M., Luo, L., Cao, Y., & Leonowicz, Z. (2016). Power Quality Improvement and LVRT Capability Enhancement of Wind Farms by Means of an Inductive Filtering Method. Energies, 9(4), 302. https://doi.org/10.3390/en9040302

