Research on a Novel Power Inductor-Based Bidirectional Lossless Equalization Circuit for Series-Connected Battery Packs
Abstract
:1. Introduction
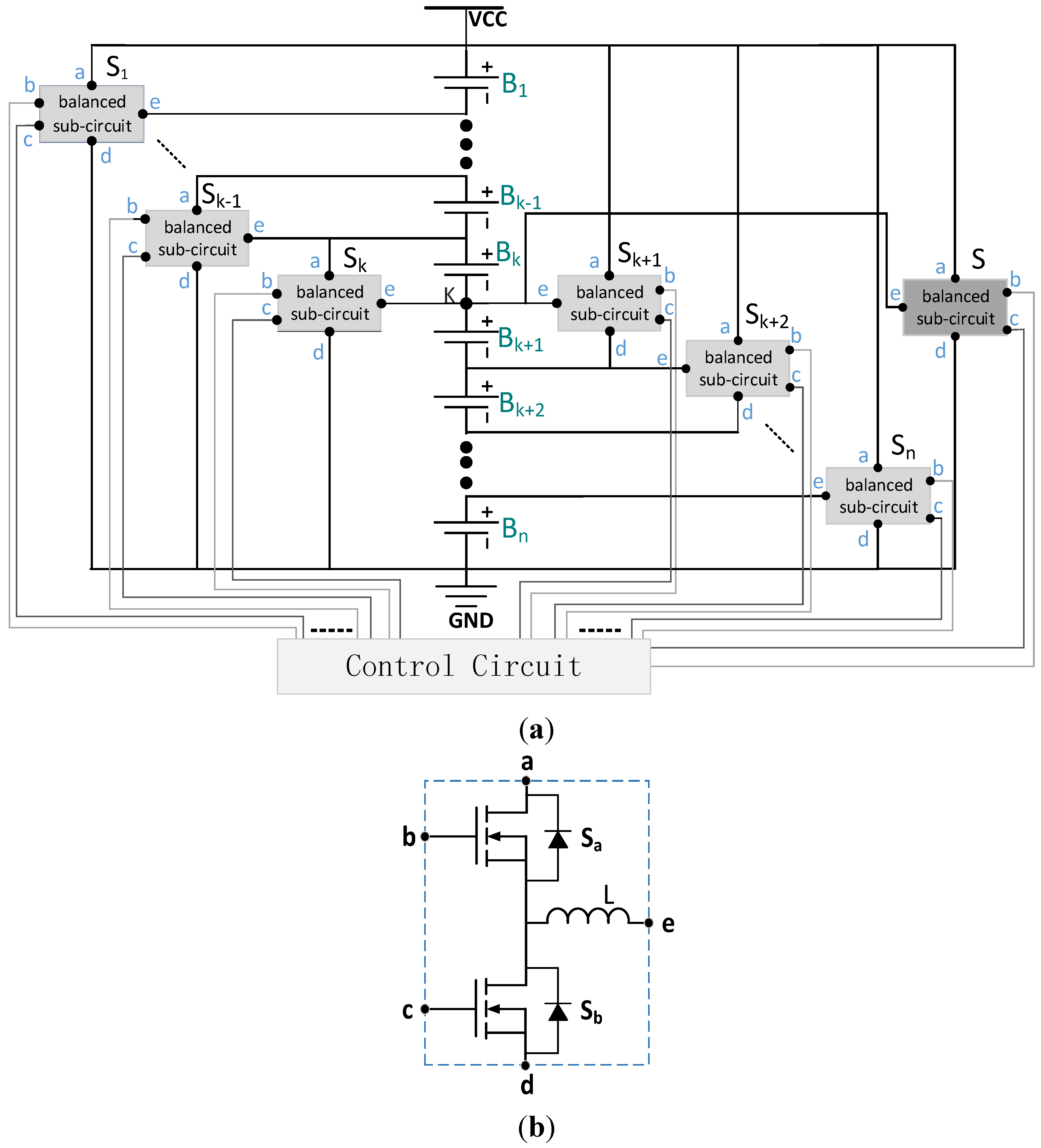
2. Equalization Circuit Structure and Principles
2.1. Equalization Circuit Structure

2.2. Equalization Principle

2.2.1. Single-Cell Equalization Principle




2.2.2. Equalization Principle for the Two Fluctuating Battery Parts


3. Calculation of the Equalization Circuit Parameters
3.1. Calculation of the Equalization Circuit Parameters for the Charging Process and the Suspended State after Charging
3.2. Calculation of the Equalization Circuit Parameters for the Discharging Process and the Suspended State after Discharging
4. Simulation Framework

4.1. Simulation of Suspended State after Charging


4.2. Simulation of the Suspended State after Discharging


5. Experimental Verification

5.1. Experimental Results for the Charging Process and the Suspended State after Charging
| V1 | V2 | V3 | V4 | Working Switch |
|---|---|---|---|---|
| 3.541 | 3.506 | 3.509 | 3.508 | S1, S |
| 2.509 | 3.541 | 3.508 | 3.506 | S2, S |
| 3.506 | 3.509 | 3.541 | 3.508 | S3, S |
| 3.508 | 3.506 | 3.509 | 3.541 | S4, S |


| V1 | V2 | V3 | V4 | Working Switch |
|---|---|---|---|---|
| 3.54 | 3.509 | 3.508 | 3.51 | S1, S |
| 2.51 | 3.54 | 3.509 | 3.508 | S2, S |
| 3.506 | 3.509 | 3.54 | 3.508 | S3, S |
| 3.509 | 3.508 | 3.51 | 3.54 | S4, S |


5.2. Experimental Results for the Discharging Process and the Suspended State after Discharging
| V1 | V2 | V3 | V4 | Working Switch |
|---|---|---|---|---|
| 2.84 | 2.924 | 2.921 | 2.923 | S1, S |
| 2.923 | 2.84 | 2.924 | 2.921 | S2, S |
| 2.921 | 2.923 | 2.84 | 2.924 | S3, S |
| 2.924 | 2.921 | 2.923 | 2.84 | S4, S |

| V1 | V2 | V3 | V4 | Working Switch |
|---|---|---|---|---|
| 2.823 | 2.886 | 2.885 | 2.884 | S1, S |
| 2.884 | 2.823 | 2.886 | 2.885 | S2, S |
| 2.885 | 2.884 | 2.823 | 2.886 | S3, S |
| 2.886 | 2.885 | 2.884 | 2.823 | S4, S |

6. Conclusions
Acknowledgments
Author Contributions
Conflicts of Interest
References
- Scrosati, B.; Garche, J. Lithium batteries: Status, Prospects and Future. J. Power Sour. 2010, 195, 2419–2430. [Google Scholar] [CrossRef]
- Uno, M.; Tanaka, K. Single-switch multi-output charger using voltage multiplier for series-connected lithium-ion battery/super-capacitor equalization. IEEE Trans. Ind. Electron. 2013, 60, 3227–3239. [Google Scholar] [CrossRef]
- Kim, M.-Y.; Kim, C.-H.; Kim, J.-H.; Moon, G.-W. A chain structure of switched capacitor for improved cell balancing speed of lithium-ion batteries. IEEE Trans. Ind. Electron. 2014, 61, 3989–3999. [Google Scholar] [CrossRef]
- Lee, Y.S.; Cheng, M.W. Intelligent control battery equalization for series connected lithium-ion battery strings. IEEE Trans. Ind. Electron. 2005, 52, 1297–1307. [Google Scholar] [CrossRef]
- Yarlagadda, S.; Hartley, T.T.; Husain, I. A Battery Management System Using an Active Charge Equalization Technique Based on a DC/DC Converter Topology. In Proceedings of the 2011 IEEE Energy Conversion Congress and Exposition (ECCE), Phoenix, AZ, USA, 17–22 September 2011; pp. 1188–1195.
- Lee, W.C.; Drury, D.; Mellor, P. Comparison of passive cell balancing and active cell balancing for automotive batteries. In Proceedings of the 2011 IEEE Vehicle Power and Propulsion Conference (VPPC), Chicago, IL, USA, 6–9 September 2011; pp. 1–7.
- Danielson, C.; Borrelli, F.; Oliver, D.; Anderson, D.; Phillips, T. Constrained flow control in storage networks: Capacity maximization and balancing. Automatica 2013, 49, 2612–2621. [Google Scholar] [CrossRef]
- Daowd, M.; Omar, N.; van den Bossche, P.; van Mierlo, J. Passive and Active Battery Balancing comparison based on MATLAB Simulation. In Proceedings of the 2011 IEEE Vehicle Power and Propulsion Conference (VPPC), Chicago, IL, USA, 6–9 September 2011; pp. 1–7.
- Kobzev, G.A. Switched-Capacitor Systems for Battery Equalization. In Modern Techniques and Technology, Proceedings of the VI International Scientific and Practical Conference of Students, Post-graduates and Young Scientists, Tomsk, Russia, 28 February–3 March 2000; pp. 57–59.
- Kim, T.; Park, N.; Kim, R. A high efficiency Zero Voltage-Zero Current Transition Converter for Battery Cell Equalization. In Proceedings of the 2012 Twenty-Seventh Annual IEEE Applied Power Electronics Conference and Exposition (APEC), Orlando, FL, USA, 5–9 February 2012; pp. 2590–2595.
- Lu, X.; Qian, W.; Peng, F.Z. Modularized Buck-Boost + Cuk Converter for High Voltage Series Connected Battery Cells. In Proceedings of the 2012 Twenty-Seventh Annual IEEE Applied Power Electronics Conference and Exposition (APEC), Orlando, FL, USA, 5–9 February 2012; pp. 2272–2278.
- Chen, W.-L.; Cheng, S.-R. Optimal charge equalisation control for seriesconnected Batteries. IET Gener. Transm. Distrib. 2013, 8, 843–854. [Google Scholar] [CrossRef]
- Hou, C.-H.; Yen, C.-T. A Battery Power Bank of Serial Battery Power Modules with Buck-Boost Converters. In Proceedings of the 2013 IEEE 10th International Conference on Power Electronics and Drive Systems (PEDS), Kitakyushu, Japan, 22–25 April 2013; pp. 211–216.
- Ewanchuk, J.; Salmon, J. A modular balancing bridge for series connected voltage sources. IEEE Trans. Ind. Electron. 2014, 29, 4712–4722. [Google Scholar] [CrossRef]
- Kim, C.-H.; Kim, M.-Y. A modularized charge equalizer using a battery monitoring IC for series-connected li-ion battery strings in electric vehicles. IEEE Trans. Ind. Electron. 2013, 28, 3779–3787. [Google Scholar] [CrossRef]
- Phung, T.H.; Crebier, J.C.; Lembeye, Y. Voltage Balancing Converter Network for Series-connected Battery Stack. In Proceedings of the IECON 2012—38th Annual Conference on IEEE Industrial Electronics Society, Montreal, QC, Canada, 25–28 October 2012; pp. 3007–3013.
- Lim, C.-S.; Lee, K.-J. A modularized equalization method based on magnetizing energy for a series-connected lithium-ion battery string. IEEE Trans. Ind. Electron. 2014, 29, 1791–1799. [Google Scholar] [CrossRef]
- Lotfi, N.; Fajri, P.; Novosad, S.; Savage, J.; Landers, R.G.; Ferdowsi, M. Development of an experimental testbed for research in lithium-ion battery management systems. Energies 2013, 6, 5231–5258. [Google Scholar] [CrossRef]
© 2015 by the authors; licensee MDPI, Basel, Switzerland. This article is an open access article distributed under the terms and conditions of the Creative Commons Attribution license (http://creativecommons.org/licenses/by/4.0/).
Share and Cite
Guo, X.; Kang, L.; Huang, Z.; Yao, Y.; Yang, H. Research on a Novel Power Inductor-Based Bidirectional Lossless Equalization Circuit for Series-Connected Battery Packs. Energies 2015, 8, 5555-5576. https://doi.org/10.3390/en8065555
Guo X, Kang L, Huang Z, Yao Y, Yang H. Research on a Novel Power Inductor-Based Bidirectional Lossless Equalization Circuit for Series-Connected Battery Packs. Energies. 2015; 8(6):5555-5576. https://doi.org/10.3390/en8065555
Chicago/Turabian StyleGuo, Xiangwei, Longyun Kang, Zhizhen Huang, Yuan Yao, and Huizhou Yang. 2015. "Research on a Novel Power Inductor-Based Bidirectional Lossless Equalization Circuit for Series-Connected Battery Packs" Energies 8, no. 6: 5555-5576. https://doi.org/10.3390/en8065555
APA StyleGuo, X., Kang, L., Huang, Z., Yao, Y., & Yang, H. (2015). Research on a Novel Power Inductor-Based Bidirectional Lossless Equalization Circuit for Series-Connected Battery Packs. Energies, 8(6), 5555-5576. https://doi.org/10.3390/en8065555
