AC Power Local Network with Multiple Power Routers
Abstract
:1. Introduction

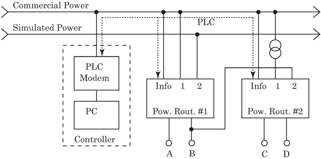
2. AC Power Router and Its Network System


3. Operation of AC Power Router
- Experiment I.
- input 1: 60 Hz/100 , input 2: 60 Hz/90 with no phase difference;
- Experiment II.
- input 1: 60 Hz/100 , input 2: 60 Hz/90 with 120 phase difference.


4. Parallel Connection of Power Routers



5. Series Connection of Power Routers



6. Conclusion and Discussions
Acknowledgments
Conflicts of Interest
References
- Toyoda, J.; Saitoh, H. Proposal of an Open-Electric-Energy-Network (OEEN) to Realize Cooperative Operations of IOU and IPP. In Proceedings of the 1998 International Conference on Energy Management and Power Delivery (EMPD), Singapore, 5 March 1998; Volume 1, pp. 218–222.
- Sakai, K.; Okabe, Y. Quality-Aware Energy Routing toward On-Demand Home Energy Networking. In Proceedings of the 2011 IEEE Consumer Communications and Networking Conference (CCNC), Las Vegas, NV, USA, 9–12 January 2011; pp. 1041–1044.
- Hikihara, T. Power Router and Packetization Project for Home Electric Energy Management. In Presented at the Santa Barbara Summit on Energy Efficiency, Santa Barbara, CA, USA, 12–13 May 2010.
- Hikihara, T.; Tashiro, K.; Kitamori, Y.; Takahashi, R. Power Packetization and Routing for Smart Management of Electricity. In Proceedings of the AIAA/IECEC 10th International Energy Conversion Engineering Conference, Atlanta, GA, USA, 29 July–1 August 2012.
- Takuno, T. High Frequency Switching of SiC Transistors and Its Applications to In-Home Power Distribution. Ph.D. Thesis, Kyoto University, Kyoto, Japan, 2012. [Google Scholar]
- Takuno, T.; Koyama, M.; Hikihara, T. In-Home Power Distribution Systems by Circuit Switching and Power Packet Dispatching. In Proceedings of the 2010 First IEEE International Conference on Smart Grid Communications, Gaithersburg, MD, USA, 4–6 October 2010; pp. 427–430.
- Tashiro, K.; Takahashi, R.; Hikihara, T. Feasibility of Power Packet Dispatching at In-Home DC Distribution Network. In Proceedings of the 2012 Third IEEE International Conference on Smart Grid Communications, Tainan, Taiwan, 5–8 November 2012; pp. 401–405.
- Takahashi, R.; Azuma, S.; Tashiro, K.; Hikihara, T. Design and Experimental Verification of Power Packet Generation System for Power Packet Dispatching System. In Proceedings of the 2013 American Control Conference, Washington, DC, USA, 17–19 June 2013; pp. 4368–4373.
- Takahashi, R.; Takuno, T.; Hikihara, T. Estimation of power packet transfer properties on indoor power line channel. Energies 2012, 5, 2141–2149. [Google Scholar] [CrossRef]
- Takuno, T.; Kitamori, U.; Takahashi, R.; Hikihara, T. AC power routing system in home based on demand and supply utilizing distributed power sources. Energies 2011, 4, 717–726. [Google Scholar] [CrossRef]
- Stalling, B.P.; Clemmer, T.; Mantooth, H.A.; Motte, R.; Xu, H.; Price, T.; Dougal, R. Design and Evaluation of a Universal Power Router for Residential Applications. In Proceedings of the 2012 IEEE Energy Conversion Congress and Exposition (ECCE), Raleigh, NC, USA, 15–20 September 2012; pp. 587–594.
- He, M.M.; Reutzel, E.M.; Jiang, X.; Katz, R.H.; Sanders, S.R.; Culler, D.E.; Lutz, K. An Architecture for Local Energy Generation, Distribution, and Sharing. In Proceedings of the IEEE Energy 2030 Conference, Atlanta, GA, USA, 17–18 November 2008; pp. 1–6.
- Gelenbe, E. Energy Packet Networks: Adaptive Energy Management for the Cloud. In Proceedings of the 2nd International Workshop on Cloud Computing Platforms, Bern, Switzerland, 10 April 2012. Article No. 1.
- Gelenbe, E. Energy Packet Networks: ICT Based Energy Allocation and Storage. In Green Communications and Networking; Rodrigues, J.J.P.C., Zhou, L., Chen, M., Kailas, A., Eds.; Springer: Berlin, Germany, 2012; Volume 51, pp. 186–195. [Google Scholar]
- Gelenbe, E. Quality of Information and Energy Provisioning. In Proceedings of the 5th International Workshop on Information Quality and Quality of Service for Pervasive Computing, San Diego, CA, USA, 22 March 2013; pp. 453–457.
- Yoshihisa, T.; Fujita, N.; Tsukamoto, M. A Rule Generation Method for Electrical Appliances Management Systems with Home EoD. In Proceedings of the 2012 IEEE 1st Global Conference on Consumer Electronics (GCCE), Tokyo, Japan, 2–5 October 2012; pp. 248–250.
- Miyamoto, T.; Koyama, Y.; Sakai, K.; Okabe, Y. A GMPLS-Based Power Resource Reservation System toward Energy-on-Demand Home Networking. In Proceedings of the 2012 IEEE/IPSJ 12th International Symposium on Applications and the Internet (SAINT), Izmir, Turkey, 16–20 July 2012; pp. 138–147.
- Galli, S.; Scaglione, A.; Wang, Z. For the grid and through the grid: The role of power line communications in the smart grid. IEEE Proc. 2011, 99, 998–1027. [Google Scholar] [CrossRef]
- Miyake, H.; Okuda, T.; Niwa, H.; Kimoto, T.; Suda, J. 21-kV SiC BJTs with space-modulated junction termination extension. IEEE Electron Device Lett. 2012, 33, 1598–1600. [Google Scholar] [CrossRef]
- Noborio, M.; Suda, J.; Kimoto, T. 4H-SiC lateral double RESURF MOSFETs with low on resistance. IEEE Trans. Electron Devices 2007, 54, 1216–1223. [Google Scholar] [CrossRef]
© 2013 by the authors; licensee MDPI, Basel, Switzerland. This article is an open access article distributed under the terms and conditions of the Creative Commons Attribution license ( http://creativecommons.org/licenses/by/3.0/).
Share and Cite
Takahashi, R.; Kitamori, Y.; Hikihara, T. AC Power Local Network with Multiple Power Routers. Energies 2013, 6, 6293-6303. https://doi.org/10.3390/en6126293
Takahashi R, Kitamori Y, Hikihara T. AC Power Local Network with Multiple Power Routers. Energies. 2013; 6(12):6293-6303. https://doi.org/10.3390/en6126293
Chicago/Turabian StyleTakahashi, Ryo, Yutaro Kitamori, and Takashi Hikihara. 2013. "AC Power Local Network with Multiple Power Routers" Energies 6, no. 12: 6293-6303. https://doi.org/10.3390/en6126293
APA StyleTakahashi, R., Kitamori, Y., & Hikihara, T. (2013). AC Power Local Network with Multiple Power Routers. Energies, 6(12), 6293-6303. https://doi.org/10.3390/en6126293
