Design and Implementation of Real-Time Intelligent Control and Structure Based on Multi-Agent Systems in Microgrids
Abstract
:1. Introduction
- Grid-connected mode that operates when connected to the utility power source;
- Islanded mode that generates power independently from the utility power source.
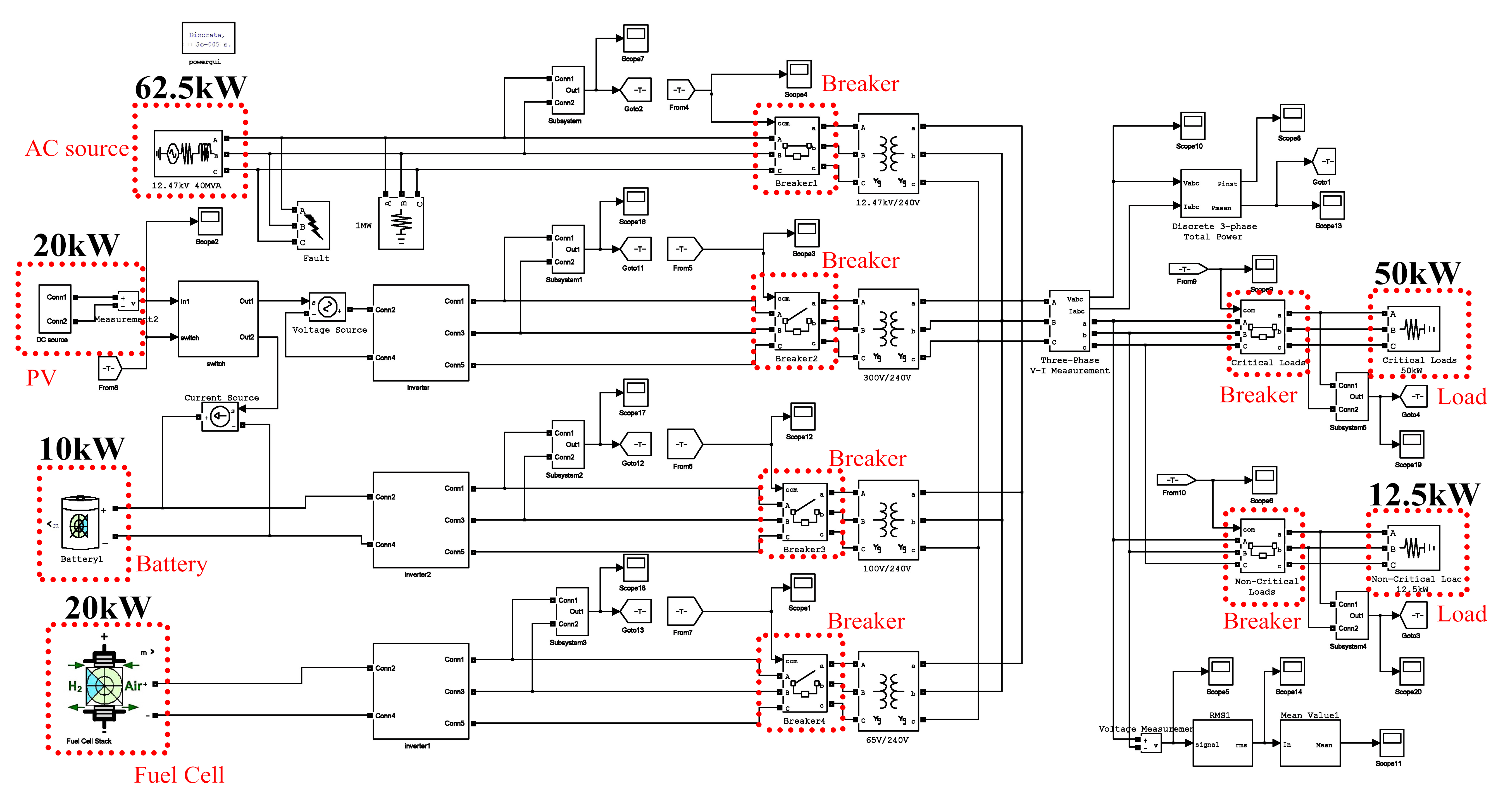
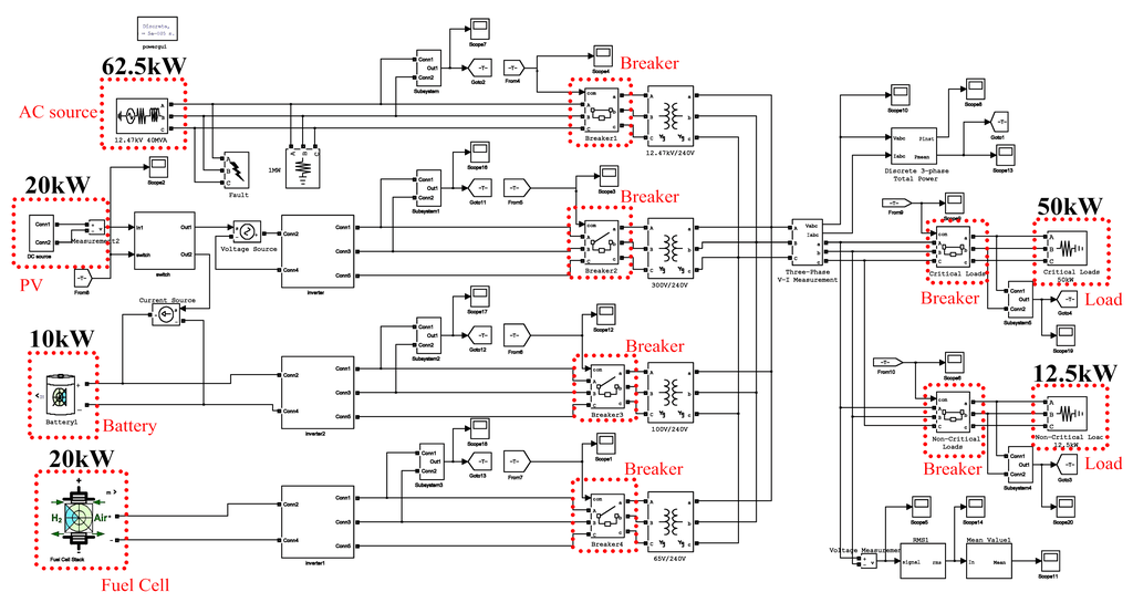
2. Microgrid System

3. Multi Agent System



4. Micro Grid Multi Agent Management System


Source Agent
Load Agent
Breaker Agent
Switch Agent
5. Simulation and Analysis


5.1. Distributed Energy as the Primary Power Supply Mode

| Power | Utility | Solar Power | Battery Bank | Fuel Cell |
|---|---|---|---|---|
| Supply | 62.5 kW | 25 kW | 25 kW | 12.5 kW |
| Load | critical load | non-critical load | ||
| Demand | 50 kW | 12.5 kW | ||
| Circuit Component | Each Breaker Conditions | ||
|---|---|---|---|
| 0.0–0.2 s | 0.2–0.5 s | 0.5–1.0 s | |
| Utility | Cutoff | Closure | Cutoff |
| Solar Power | Closure | Closure | Closure |
| Battery Bank | Closure | Closure | Closure |
| Fuel Cell | Closure | Closure | Closure |
| General Load | Closure | Closure | Closure |




5.2. Mains Electricity as the Primary Power Supply Mode

5.3. Distributed Energy Integrated with Mains Electricity as the Primary Power Supply Mode

5.4. Failures

6. Conclusions
- (1)
- A microgrid using a Matlab/Simulink structure can effectively achieve management through JADE, allowing each component in the microgrid to communicate and obtain the status of the entire network at any time.
- (2)
- When unexpected situations occur in the microgrid, JADE can immediately respond and manage the situation; for example, it can rapidly disconnect the AC source in island mode and integrate distributed energy into the grid to provide power supply. Once power has been restored to the AC source, it can be reconnected with the system immediately to provide power.
- (3)
- The use of multi-agent systems in microgrids is extremely flexible because the monitoring and management can be adjusted to microgrids of various structures and demands.
Acknowledgments
Conflicts of Interest
References
- Zheng, G.P.; Li, N.F. Multi-Agent Based Control System for Multi-Microgrids. In Proceedings of the 2010 International Conference on Computational Intelligence and Software Engineering (CiSE), Wuhan, China, 10–12 December 2010; pp. 1–4.
- Logenthiran, T.; Srinivasan, D.; Khambadkone, A.M.; Aung, H.N. Scalable Multi-Agent System (MAS) for Operation of a Microgrid in Islanded Mode. In Proceedings of the 2010 Joint International Conference on Power Electronics, Drives and Energy Systems (PEDES) & 2010 Power India, New Delhi, India, 20–23 December 2010. [CrossRef]
- Aung, H.N.; Khambadkone, A.M.; Srinivasan, D.; Logenthiran, T. Agent-based Intelligent Control for Real-Time Operation of a Microgrid. In Proceedings of the 2010 Joint International Conference on Power Electronics, Drives and Energy Systems (PEDES) & 2010 Power India, New Delhi, India, 20–23 December 2010. [CrossRef]
- Kim, H.-M.; Kinoshita, T. A New Challenge of Microgrid Operation. In Proceedings of the 1st International Conference, SUComS 2010, Daejeon, Korea, 15–17 September 2010; pp. 250–260.
- Pipattanasomporn, M.; Feroze, H.; Rahman, S. Multi-Agent Systems in a Distributed Smart Grid: Design and Implementation. In Proceedings of the 2009 IEEE/PES Power Systems Conference and Exposition (PSCE’09), Seattle, WA, USA, 15–18 March 2009; pp. 1–8.
- Zhang, J.; Ai, Q.; Jiang, C.W.; Wang, X.G.; Zheng, Z.H.; Gu, C.G. The Application of Multi Agent System in Microgrid Coordination Control. In Proceedings of the 2009 International Conference on Sustainable Power Generation and Supply, SUPERGEN’09, Nanjing, China, 6–7 April 2009; pp. 1–6.
- Eddy, F.Y.S.; Gooi, H.B. Multi-Agent System for Optimization of Microgrids. In Proceedings of the 2011 IEEE 8th International Conference on Power Electronics and ECCE Asia (ICPE & ECCE), Jeju, Korea, 30 May–3 June 2011; pp. 2374–2381.
- Logenthiran, T.; Srinivasan, D.; Khambadkone, A.M.; Aung, H.N. Multi-Agent System (MAS) for Short-Term Generation Scheduling of a Microgrid. In Proceedings of the 2010 IEEE International Conference on Sustainable Energy Technologies (ICSET), Kandy, Sri Lanka, 6–9 December 2010; pp. 1–6.
- Zheng, W.D.; Cai, J.D. A Multi-Agent System for Distributed Energy Resources Control in Microgrid. In Proceedings of the 2010 5th International Conference on Critical Infrastructure (CRIS), Beijing, China, 20–22 September 2010; pp. 1–5.
- Logenthiran, T.; Srinivasan, D.; Wong, D. Multi-Agent Coordination for DER in MicroGrid. In Proceedings of the 2008 IEEE International Conference on Sustainable Energy Technologies (ICSET 2008), Singapore, 24–27 November 2008; pp. 77–82.
- Kim, H.-M.; Kinoshita, T.; Shin, M.-C. A multiagent system for autonomous operation of islanded microgrids based on a power market environment. Energies 2010, 3, 1972–1990. [Google Scholar] [CrossRef]
- Kim, H.-M.; Lim, Y.; Kinoshita, T. An intelligent multiagent system for autonomous microgrid operation. Energies 2012, 5, 3347–3362. [Google Scholar] [CrossRef]
- Basak, P.; Saha, A.K.; Chowdhury, S.; Chowdhury, S.P. Microgrid: Control Techniques and Modeling. In Proceedings of the 2009 44th International Universities Power Engineering Conference (UPEC), Glasgow, UK, 1–4 September 2009; pp. 1–5.
- Huang, W.; Zhang, J.H.; Wu, Z.P.; Niu, M. Dynamic Modelling and Simulation of a Micro-Turbine Generation System in the Microgrid. In Proceedings of the 2008 IEEE International Conference on Sustainable Energy Technologies (ICSET 2008), Singapore, 24–27 November 2008; pp. 345–350.
© 2013 by the authors licensee MDPI, Basel, Switzerland. This article is an open access article distributed under the terms and conditions of the Creative Commons Attribution license ( http://creativecommons.org/licenses/by/3.0/).
Share and Cite
Kuo, M.-T.; Lu, S.-D. Design and Implementation of Real-Time Intelligent Control and Structure Based on Multi-Agent Systems in Microgrids. Energies 2013, 6, 6045-6059. https://doi.org/10.3390/en6116045
Kuo M-T, Lu S-D. Design and Implementation of Real-Time Intelligent Control and Structure Based on Multi-Agent Systems in Microgrids. Energies. 2013; 6(11):6045-6059. https://doi.org/10.3390/en6116045
Chicago/Turabian StyleKuo, Ming-Tse, and Shiue-Der Lu. 2013. "Design and Implementation of Real-Time Intelligent Control and Structure Based on Multi-Agent Systems in Microgrids" Energies 6, no. 11: 6045-6059. https://doi.org/10.3390/en6116045
APA StyleKuo, M.-T., & Lu, S.-D. (2013). Design and Implementation of Real-Time Intelligent Control and Structure Based on Multi-Agent Systems in Microgrids. Energies, 6(11), 6045-6059. https://doi.org/10.3390/en6116045

