Next Article in Journal
Coordinated Planning of Unbalanced Flexible Interconnected Distribution Networks Based on Distributed Optimization
Previous Article in Journal
Integration of Grid-Scaled Power-to-Heat Technology in Korea’s Power System: Operational Advantages and Future Insights for Renewable Energy Enhancement
Previous Article in Special Issue
Bi-Level Optimal Operation Method for Regional Energy Storage Considering Dynamic Electricity Prices
 
 
Font Type:
Arial Georgia Verdana
Font Size:
Aa Aa Aa
Line Spacing:
Column Width:
Background:
Article

A Multi-Stage Transmission–Distribution Coordination Framework for EVCS Flexibility with Demand Response Incentives Under Heterogeneous Uncertainties

School of Electric Power Engineering, South China University of Technology, Guangzhou 510006, China
*
Author to whom correspondence should be addressed.
Energies 2026, 19(7), 1768; https://doi.org/10.3390/en19071768
Submission received: 31 December 2025 / Revised: 16 March 2026 / Accepted: 31 March 2026 / Published: 3 April 2026

Abstract

The large-scale integration of renewable energy necessitates enhanced flexibility in power grids. As aggregators, electric vehicle charging stations (EVCSs) can provide potential grid services via vehicle-to-grid (V2G) technology. Against the challenge from the intertwined uncertainties of transmission system operation and renewable energy output limit, the private ownership of EVCSs limit their practical implementation. To exploit the flexibility of EVCSs to cope with the system operational uncertainties, this paper proposes a novel multi-stage coordination framework for EVCS flexibility utilization, based on a demand response incentive mechanism. The framework explicitly incorporates the operational constraints and charging/discharging strategies of EVCSs into the demand response clearing and dispatch mechanism. Specifically, adaptive robust optimization (ARO) and distributionally robust optimization (DRO) are employed to model the heterogeneous uncertainties of transmission operational requirements and renewable energy output, respectively. The model is solved in a distributed manner using the alternating direction method of multipliers (ADMM), with a tailored column-and-constraint generation (C&CG) algorithm developed to solve the regional problems. Simulation results confirm that the proposed method improves both economic efficiency and renewable energy accommodation.

1. Introduction

To facilitate the low-carbon transition of global energy systems, renewable energy sources, especially wind power, are being integrated into power systems on a large scale worldwide, driving profound transformations in the power industry [1,2]. With the continuously increasing penetration of renewable energy, maintaining the supply–demand balance solely through conventional thermal power units has become increasingly challenging. Both transmission system operators (TSOs), responsible for high-voltage grids, and distribution system operators (DSOs), managing low-voltage grids, are confronted with growing operational flexibility requirements [3,4]. To fully exploit the regulation potential of the “last mile” of the power grid, electric vehicles (EVs), capable of participating in system regulation through vehicle-to-grid (V2G) technology, have emerged as a promising flexibility resource [5,6]. The electric vehicle charging station (EVCS), serving as a natural EV aggregator, can coordinate distributed EV charging and discharging behaviors to participate in the coordinated optimization of power system operations [7,8,9].
EVCS can effectively mitigate the fluctuation of renewable energy output through flexible regulation of the charging and discharging power [10,11], thereby improving the economic performance of system operation [12,13]. Research on EVCS participation in flexibility services has been widely explored. In terms of the TSO procurement of ancillary services from EVCS, reference [14] proposed an optimal bidding strategy for EVCS participation in the flexible ramping market and developed a bi-level optimization model to optimize charging behavior but did not consider the dynamic temporal coupling of charging power. Reference [15] improved the V2G fleet capacity assessment method based on energy and power availability, and applied it to the dispatch of V2G fleets providing reserve capacity, thus achieving the coordinated scheduling of reserve capacity and charging/discharging plans. Meanwhile, the rapid proliferation of distributed energy resources in distribution networks increases the complexity of DSO dispatch, prompting DSOs to seek service support from EVCS [16]. From the perspective of uncertainty, reference [17] developed a robust scheduling model considering network and EVCS constraints, and enhanced computational efficiency by combining duality theory with Benders decomposition. Reference [18] incorporated EVCS into day-ahead operation planning to coordinately improve the overall operational efficiency of distribution networks and DERs, constructed dynamic locational marginal cost (DLMC) signals, and derived an additive decomposition to characterize inter-temporal coupling and provide a tractable mathematical tool for multi-period scheduling of resources such as EVCS. However, references [14,15,16,17,18] mainly focused on leveraging EVs to provide flexibility for a single system operator, i.e., either the TSO or the DSO. Reference [19] proposed a two-stage TSO-DSO coordination framework: the coordination of service capability and schedules is completed in the day-ahead stage, while EVs perform distributed response and execution on the distribution side in real time. Reference [20] pointed out that the reserve capacity determined in [15] did not account for its impact on distribution system operation, and proposed an EVCS capacity assessment method under a transmission–distribution coordination framework, showing that by considering distribution network constraints to optimize the operational boundary of EVCS, EVCS can provide ancillary services to both transmission and distribution networks simultaneously. Nevertheless, since the TSO indirectly accesses flexibility through boundary buses and lacks visibility into DSO operational information, adjustments to boundary-bus power by the TSO during practical operation may still jeopardize distribution network operational security, thereby compromising the reliable delivery of EVCS reserve capacity determined in [19]. Reference [20] indicated that there exist conflicts of interest between the TSO and the DSO in the utilization of distributed resources but did not provide specific countermeasures. In summary, the flexibility procured by the TSO may violate distribution network operational constraints or conflict with the DSO regulation requirements, making the services provided by EVCS unable to be reliably delivered. Therefore, the coordination mechanism between the TSO and the DSO requires further in-depth research and refinement to facilitate EVCS flexibility provision while avoiding economic penalties caused by delivery failures.
Driven by policies in various countries, such as FERC Order 2222 in the United States [21], there is growing academic interest in the coordinated optimal dispatch of transmission and distribution networks, particularly focusing on the integration and cooperative operation of distributed energy resources connected to the distribution network side [22]. Reference [23] proposed three TSO-DSO coordinated distributed resource management models: the TSO-managed model, the TSO-DSO hybrid model, and the DSO-managed model. The TSO-managed model involves the TSO managing both transmission and distribution level resources while considering the operational constraints of both grid levels [24]. Although modeled as a unified single-layer framework, this approach imposes significant computational complexity. In the TSO-DSO hybrid model, the DSO is responsible for validating all distributed resource bids, thereby reducing modeling complexity compared to the TSO-managed model. However, since decision-making is not centralized within a single entity, coordination becomes more intricate [25]. The DSO-managed model refers to the TSO setting requirements at the TSO-DSO interface, while the DSO organizes and validates distributed resource bids and issues dispatch commands to meet both TSO and local operational needs. This model effectively integrates distributed resources into the grid while considering distribution network constraints, resulting in a more efficient and streamlined coordination process, making it a more practical choice [26]. However, the existing literature often treats EVCS—as a load-side resource—as a bidirectionally adjustable virtual energy storage system directly participating in grid optimization, which contradicts the reality that EVCS is not a grid-owned resource [27,28,29]. Demand response (DR) may serve as an effective EVCS management strategy [30,31]. Embedding DR into transmission–distribution coordinated optimization in practice entails three layers of complex coordination relationships, and related research remains relatively limited. Reference [32] proposed a price-signal-based DR mechanism for managing EV fleets, in which electricity prices were designed according to pre-specified flexibility requirements to adjust the day-ahead charging and discharging strategies of EV fleets. However, by treating the flexibility requirement as an exogenous parameter rather than an optimization variable, this method may lead to suboptimal solutions when actual operating conditions deviate from the scheduling plan, and may even aggravate wind curtailment and load shedding in the power system. Therefore, further investigation into multi-stage coordinated transmission and distribution optimal scheduling frameworks (e.g., two-stage frameworks) incorporating demand response is still required.
Reference [33] developed an optimal market model for virtual power plants (VPPs) participating in TSO-DSO coordinated energy and flexibility markets, but the operational requirements at different grid levels were based on a deterministic model. To address the uncertainty of operational requirements, adaptive robust optimization (ARO) is a commonly used method [34]. For transmission and distribution networks, however, uncertainties in renewable energy output also exist, making the characterization of these two heterogeneous uncertainties a subject worthy of further study. Reference [35] investigated VPPs providing auxiliary services to the grid, using stochastic optimization (SO) and ARO to handle renewable energy output and grid operational requirement uncertainties, respectively. Reference [36] employed a combination of robust optimization (RO) and ARO to achieve optimal utilization of reserves in transmission and distribution networks. Distributionally robust optimization (DRO) differs from RO and SO: the former focuses on worst-case scenarios, resulting in overly conservative operational strategies, while the latter requires decision-makers to know the exact probability distribution and may degrade optimization performance under worst-case operating conditions. DRO strikes a balance between these two approaches, and its advantages have been demonstrated in References [37,38]. However, based on our investigation, the integration of DRO and ARO for transmission–distribution coordinated optimization remains an area yet to be fully explored.
To address the aforementioned challenges, this paper proposes a multi-stage transmission–distribution coordination framework for the flexible utilization of EVCS resources. To fully exploit the flexibility of EVCS, a novel demand response incentive mechanism based on the DSO-managed model is introduced, encouraging EVCS to provide flexibility services simultaneously to both transmission and distribution networks. The uncertainty of renewable energy in the transmission and distribution grids is modeled using the DRO method. It is particularly noteworthy that ARO is further integrated into the DSO optimization model to address the uncertainty in transmission operational requirements. To alleviate computational burden and address privacy concerns, a distributed algorithm is employed to solve the proposed optimization model. A comparison with existing state-of-the-art methods is presented in Table 1. We summarize the three main contributions of this paper as follows:
(1) This paper proposes a multi-stage coordinated optimization framework for the flexible utilization of EVCS resources and designs a novel demand response incentive mechanism for EVCS management. Unlike most existing studies that either ignore the economic cost of EVCS operation or treat EVCSs as directly bidirectionally adjustable “virtual energy storage” resources for system optimization [27,28,29], which often overlook the economic costs of EVCS operation or the interactive coordination between EVCS operators and the power grid, the proposed demand response incentive mechanism explicitly incorporates EVCS day-ahead charging/discharging strategies and actual operational constraints into the clearing and dispatch process, enabling EVCS operators to declare their maximum adjustable capacities to the greatest extent. Moreover, unlike Reference [32], which treats the flexibility requirement as a given parameter, the proposed mechanism is embedded within a multi-stage transmission–distribution coordinated optimization framework with a two-stage scheduling structure, in which the flexibility requirement is optimized as a decision variable through recourse in the intraday re-dispatch stage.
(2) This paper employs DRO to characterize the uncertainty of renewable energy output on both transmission and distribution sides, while ARO is introduced to model the uncertainty of transmission operational requirements. Since the operational requirements are embedded within the optimization model, the proposed method ensures that the system can effectively track them even under the most adverse conditions within the feasible region. Accordingly, the DSO model is formulated as a four-layer min–max–max–min optimization problem, which constitutes a novel mathematical structure. To the best of our knowledge, this is one of the first works to integrate DRO and ARO to jointly characterize heterogeneous uncertainties within a transmission–distribution coordinated optimization framework, thereby providing a more balanced and less conservative operational strategy compared with existing RO- or SO-based approaches.
(3) To ensure the privacy of each hierarchical system, this paper adopts a distributed solution method based on the alternating direction method of multipliers (ADMM) and column-and-constraint generation (C&CG). It is particularly noteworthy that a customized C&CG algorithm is developed to solve the formulated four-layer DSO min–max–max–min optimization model under the ADMM-based decomposition framework.
Table 1. Comparison between this paper and state-of-the-art studies.
Table 1. Comparison between this paper and state-of-the-art studies.
ReferenceDemand
Response
Flexibility
Requirement
Renewable
Uncertainty
Requirement
Uncertainty
Uncertainty
Modeling
 [32]parameterRO
[33]\\
[35]\SO-ARO
[36]\RO-ARO
[37]\DRO
[38]\DRO
This papervariableDRO-ARO
The remainder of this paper is organized as follows. Section 2 provides a brief overview of the proposed multi-stage transmission–distribution coordination framework for flexible resource utilization in EVCSs. Section 3 details the formulations of the TSO and DSO optimization models, the construction of ambiguity sets based on the Wasserstein distance for DRO, and the ARO-based scheduling decision uncertainty modeling for the TSO. Section 4 designs a distributed solution method to decouple the transmission–distribution coordination model, and describes the solution procedures and algorithm design for each regional problem. Section 5 presents numerical case studies and analysis. Finally, Section 6 discusses and concludes the research findings.

2. Demand Response Incentive-Based Multi-Stage Coordinated Optimization Framework for EVCS Flexibility Utilization

To effectively utilize the flexible regulation characteristics of EVCSs, this section proposes a multi-stage coordinated optimization framework based on a demand response incentive mechanism as illustrated in Figure 1. Specifically, a DSO-managed TSO-DSO coordinated interaction model is considered, where the DSO is responsible for the management and coordination of distributed EVCSs. The first stage is defined as the day-ahead demand submission stage. In this stage, each EVCS is modeled as a virtual energy storage system via the Minkowski summation method. Under the assumption that EVCSs act as price takers, their day-ahead charging/discharging power P e , t 0 is optimized according to the time-of-use electricity price λ t 0 . Meanwhile, the DSO collects the aggregated load information and submits the day-ahead boundary active power P b , t 0 to the TSO.
In the second stage, namely the day-ahead optimal dispatch stage, the TSO is responsible for organizing the energy and reserve scheduling of thermal units and issues the upward and downward regulation reserve requirements to the DSO. The DSO then issues upward and downward demand invitations along with the corresponding price signals λ up and λ dn to the distributed EVCSs. Based on the operational constraints of the EVCS, the EVCS is allowed to declare its maximum upward and downward regulation capacities, denoted as E e lu and E e ld , respectively. Based on the TSO regulation requirements and its own operational constraints, the DSO clears the upward and downward regulation capacities E e up and E e dn of each EVCS and provides the TSO with the cleared boundary upward/downward active power reserves P b , t up and P b , t dn .
In the third stage, namely the intraday optimal dispatch stage, the TSO maintains system power balance by dispatching thermal power reserves and the boundary reserves to cope with renewable energy output uncertainty. However, due to the incomplete information of the TSO regarding distribution network operations, its operational requirements may violate the operational constraints of the distribution network during actual implementation. Therefore, at this stage, the DSO must coordinate the transmission operational requirements with the uncertainty of renewable energy output by adjusting the dispatchable capacity of EVCSs. This process ensures that the ransmission operational requirements comply with distribution network security constraints while meeting the local renewable energy consumption requirements of the DSO, thereby guaranteeing the reliable delivery of the cleared boundary reserves. In actual operation, the charging/discharging power of the EVCS is adjusted from P e , t 0 to P e , t 0 + P e , t f , where P e , t f denotes the EVCS charging/discharging power adjustment at time t under scenario s and operational requirement f. In summary, the EVCS provides upward and downward regulation capacity to the TSO and the DSO to balance renewable generation deviations in the intraday stage. Figure 2 illustrates the coordinated interaction among the TSO, DSO, and EVCS.
It should be noted that, in order to coordinate the charging/discharging power adjustments of EVCSs across multiple time intervals and prevent excessive charging or discharging, cumulative regulation constraints for the EVCSs must be incorporated. The specific constraints are given as follows:
0 E e up E e lu , 0 E e dn E e ld , e E Dist E e dn τ = 1 t P e , s , t f E e up , e E Dist

3. Formulation of the Multi-Stage Coordinated Optimization Framework

This section details the mathematical formulation of the established multi-stage coordinated optimization framework.

3.1. Stage 1: Optimal Day-Ahead Charging/Discharging Strategy for EVCSs

In the first stage, the EVCS optimizes its charging/discharging strategy according to the time-of-use electricity price λ t 0 . The specific model is constructed as
ϕ E V C S = min t T λ t 0 P e , t 0
Subject to
P e , t ̲ P e , t 0 P e , t ¯ , t T
E e , t ̲ E e , t 0 E e , t ¯ , t T
E e , 0 + P e , t 0 + E e , t ar E e , t de , t = 1 E e , t 1 + P e , t 0 + E e , t ar E e , t de , t 2
where P e , t ¯ and P e , t ̲ denote the upper and lower limits of the EVCS e charging/discharging power at time t, respectively. E e , t indicates the energy state of the EVCS e at time t. E e , t ¯ and E e , t ̲ represent the upper and lower energy boundaries of the EVCS e and time t, respectively.
Constraints (3) and (4) impose limits on the charging/discharging power and energy of the EVCS. Constraint (5) represents the state-of-energy equation of the EVCS.

3.2. A Two-Stage Distributionally Robust Coordinated Optimization for Transmission–Distribution Systems Considering TSO Decision Uncertainty

As described earlier, in the third stage, this paper employs the DRO method to characterize the random deviations of renewable energy output on both the transmission and distribution networks, in order to balance economy and robustness. It is noteworthy that the distribution network is also affected by the transmission operational requirements. Since different uncertainties exhibit distinct information structures and statistical properties, they form heterogeneous uncertainties in the coordinated optimization framework. Unlike the renewable energy output deviations supported by historical data, this type of operational requirements uncertainty is endogenous to the optimization problem and lacks observational data. Therefore, this paper further adopts the ARO method to model this endogenous uncertainty.

3.2.1. Optimal Dispatch Model for the DSO

  • Objective Function of the DSO Optimization Model
In the DSO objective function, the day-ahead cost, denoted by C Dist , 0 , represents the procurement cost for flexible regulation capacity from EVCSs, while the intraday cost, denoted by C s Dist , f , is the sum of the wind curtailment penalty cost C w , s Dist , f , the load shedding penalty cost C i , s Dist , f , and the violation penalty cost C b , s Dist , f . Here, the  C b , s Dist , f specifically refers to the penalty imposed on the DSO for failing to respond to the transmission operational requirements during the intraday stage. The complete objective function is formulated as follows:
ϕ D S O = min C Dist , 0 + max p s Dist A Dist s S Dist p s Dist [ max z s f U min C s Dist , f ]
C Dist , 0 = e E Dist λ up E e up + λ dn E e dn
C s Dist , f = C w , s Dist , f + C i , s Dist , f + C b , s Dist , f
C s , w Dist , f = t T w W Dist π waste ( P w , s , t ¯ P w , s , t f )
C s , i Dist , f = t T i N Dist π cut P i , s , t f
C s , b Dist , f = t T π pen | Δ P b , s , t f |
where p s Dist is the probability corresponding to scenario s of wind power output deviation in the distribution network. Sets E Dist , W Dist , and  N Dist denote the set of EVCSs, the set of wind farms, and the set of buses in distribution networks, respectively. Sets A Dist and U represent the ambiguity set of scenarios and the uncertainty set of operational requirements, respectively. P w , s , t f , P i , s , t f , and  Δ P b , s , t f denote the active power output of wind farm w, the load shedding at bus i, and the violation at boundary bus b under scenario s given operational requirement f at time t, respectively. π waste , π cut , and  π pen are the corresponding cost coefficients. P w , s , t ¯ represents the maximum active power output of wind farm w at time t in scenario s.
  • Constraints of the DSO Optimization Model in the Day-Ahead Stage
The specific operational constraints for the distribution network in the day-ahead stage are as follows:
0 E e up E e lu , 0 E e dn E e ld , e E Dist
P b ̲ P b , t 0 + P b , t up P b ¯ , P b ̲ P b , t 0 P b , t dn P b ¯ 0 P b , t up , P b , t dn
where P b ¯ and P b ̲ represent the upper and lower limits of active power at boundary bus b.
Constraint (12) ensures that the cleared capacity does not exceed the declared capacity of the EVCS. Constraint (13) limits the boundary power between the transmission and distribution networks.
  • Constraints of the DSO Optimization Model in the Intraday Stage
The specific operational constraints for the DSO in the intraday stage are as follows:
P i j ̲ P i j , s , t f P i j , s , t f ¯ , ( i , j ) L Dist Q i j ̲ Q i j , s , t f Q i j , s , t f ¯ , ( i , j ) L Dist
0 P w , s , t f P w , s , t ¯ , w W Dist t a n θ P w , s , t f Q w , s , t f t a n θ P w , s , t , w W Dist
0 P i , s , t f P i , t ¯ , i N Dist
P b ̲ P b , s , t f + Δ P b , s , t f P b ¯ Q b ̲ Q b , s , t f Q b ¯
P e , t ̲ P e , t 0 + P e , t f P e , t ¯ , e E Dist E e , t ̲ E e , t 0 + τ = 1 t P e , s , t f E e , t ¯ , e E Dist E e dn τ = 1 t P e , s , t f E e up , e E Dist
U i ̲ U i , s , t f U i , t ¯ , i N Dist
U j , s , t f = U i , s , t f ( r i j P i j , s , t f + x i j Q i j , s , t f ) , ( i , j ) L Dist
i l 1 ( i , j ) P i j , s , t f + P w , s , t f P b , s , t f P j , t + P j , s , t f P e , t 0 P e , s , t f = k l 2 ( j , k ) P j k , s , t f , j N Dist i l 1 ( i , j ) Q i j , s , t f + Q w , s , t f Q b , s , t f Q j , t = k l 2 ( j , k ) Q j k , s , t f , j N Dist
where P i j , s , t f , Q i j , s , t f denote the active branch power, reactive branch power transmitted between buses i and j, respectively, at time t under scenario s given operational requirement f. P i j ¯ / P i j ̲ and Q i j ¯ / Q i j ̲ denote the upper/lower limits of active and reactive power on the branch between buses i and j, respectively. P i , t ¯ represents the upper limit of load shedding at bus i. Q w , s , t f denotes the reactive power output of wind farm w, and  t a n θ is the corresponding power factor angle tangent. P b , s , t f denotes the boundary active power required by the TSO at time t under scenario s given operational requirement f, Q b , s , t f represents the boundary reactive power at time t, and  Q b ¯ and Q b ̲ correspond to the upper and lower limits of the boundary reactive power, respectively. U i , s , t f represents the voltage at bus i at time t under scenario s given operational requirement f. U i ¯ and U i ̲ denote the upper and lower limits of the voltage magnitude at bus i, respectively. r i j and x i j represent the resistance and reactance of the branch between buses i and j.
Constraint (14) imposes limits on the active and reactive branch power flows during actual system operation. Constraints (15) and (16) define the permissible ranges for active and reactive wind power outputs as well as the upper limits for load shedding, respectively. Constraint (17) ensures that the active and reactive power exchange at the transmission–distribution interface remains within its prescribed limits. Constraint (18) represents the operational constraints for EVCSs. Constraint (19) enforces the upper and lower bounds on bus voltage magnitudes. Constraint (20) characterizes the voltage drop relationship along the branches. Constraint (21) represents the active and reactive power balance constraints at each system bus, respectively.
  • Uncertainty Set of Transmission Operational Requirements
P b , s , t f = P b , t 0 + z b , s , t f , up P b , t up z b , s , t f , dn P b , t dn 0 z b , s , t f , up + z b , s , t f , dn 1
The active power reserve requirement at the boundary bus of the TSO is modeled in Equation (22). To ensure the deliverability of reserves in the absence of publicly verifiable data, the TSO is considered to dispatch its active power reserves up to their maximum available capacity. In contrast to conventional robust optimization, the active reserve P b , t up and P b , t dn are endogenously determined within the optimization process, thereby constituting an adaptive robust optimization formulation. z b , s , t f , up and z b , s , t f , dn are binary variables indicating whether the TSO dispatches upward or downward active power reserves at the boundary bus.

3.2.2. Optimal Dispatch Model for the TSO

  • Objective Function of the TSO Optimization Model
The objective function of the TSO comprises the day-ahead cost C Tran , 0 and the intraday cost C s Tran , where C Tran , 0 includes the fuel cost and reserve cost of thermal units, and  C s Tran includes the wind curtailment cost C w , s Tran and the load shedding cost C i , s t r . The complete objective function is given as follows:
ϕ T S O = min C Tran , 0 + max p s Tran A Tran min s S Tran p s Tran C s Tran
C Tran , 0 = t T g G Tran a g ( P g , t 0 ) 2 + b g P g , t 0 + c g + π g up P g , t up + π g dn P g , t dn
C s Tran = C w , s Tran + C i , s Tran
C w , s Tran = t T w W Tran π waste ( P w , s , t ¯ P w , s , t )
C i , s Tran = t T i N Tran π cut P i , s , t
where P g , t 0 , P g , t up , and  P g , t dn denote the active power output of thermal units in the day-ahead stage and the upward/downward active power reserves at time t, respectively. a g , b g , c g , π up , and  π dn are the corresponding cost coefficients. G Tran represents the set of thermal units in the transmission network.
The TSO optimization model adopts a DC power flow formulation, with the day-ahead and intraday stage constraints given in Appendix A.2, Equations (A8)–(A13) and (A14)–(A19), respectively.

3.3. Construction Method of Ambiguity Sets Based on Wasserstein Distance

As discussed in the preceding sections, this paper proposes a DRO-based methodology to address renewable energy generation uncertainty. The ambiguity set, denoted as A , is constructed using a Wasserstein distance-based approach. It should be noted that this method is applicable to both the TSO and DSO optimization models. The specific construction method is detailed as follows:
A = π M ( ψ ) d W ( π , π ^ ) ε
d W ( μ , μ ^ ) = inf ϕ Φ ( π , π ^ ) Ψ × Ψ ω 1 ω 2 d ϕ ( ω 1 , ω 2 )
In Equations (28) and (29), π ^ represents the estimated value of the operational scenario probability distribution, M ( ψ ) denotes the set of distributions sharing the same support as π ^ , ε is the upper bound of the Wasserstein distance for the ambiguity set probabilities, d W ( π , π ^ ) measures the Wasserstein distance between distributions π and π ^ , Φ ( π , π ^ ) stands for the collection of all joint distributions with marginal distributions π ^ and π , while ω 1 , ω 2 , and  ϕ respectively represent the marginal random variables and joint distribution in the Wasserstein distance calculation, and  Ψ denotes the sample space of ω 1 and ω 2 . The Wasserstein distance d W ( π , π ^ ) can be obtained by solving a linear optimization model as detailed in the following:
d W = min ω 1 Ω ω 2 Ω ( ϖ ω 1 ω 2 ω 1 ω 2 )
Subject to
0 ϖ ω 1 ω 2 1 , ω 1 Ω , ω 2 Ω
ω 2 Ω ϖ ω 1 ω 2 = π , ω 1 Ω
ω 1 Ω ϖ ω 1 ω 2 = π ^ , ω 2 Ω
where ω 1 ω 2 represents the distance metric between ω 1 and ω 2 , ϖ ω 1 ω 2 denotes the probability corresponding to ω 1 and ω 2 in the joint distribution, and  Ω is the sample space of the random variable. Thus, the distributionally robust approach can be incorporated into the transmission–distribution coordinated optimization model through the following constraints:
0 π 1 , ω 1 Ω
ω 1 Ω π = 1 , ω 1 Ω
d W ( π , π ^ ) ε
d W = min ω 1 Ω ω 2 Ω ( ϖ ω 1 ω 2 ω 1 ω 2 )
Subject to (31)–(33).

4. Decoupling and Solution Methodology

4.1. Decoupling of the Transmission–Distribution Coordinated Optimization Model

Given that the transmission network and distribution network are independently managed by the TSO and DSO, respectively, solving the aforementioned two-stage distributionally robust transmission–distribution coordinated optimization model using a centralized approach would conflict with the actual hierarchical management architecture. Therefore, this paper proposes to decouple the original model into TSO and DSO optimization subproblems, which are then solved iteratively via a distributed algorithm based on the alternating direction method of multipliers (ADMM), thereby effectively preserving the data privacy of each operating entity.
Due to the coupling variables P b , t up and P b , t dn in the day-ahead stage, the transmission and distribution sub-models cannot be solved independently. Therefore, local variables P b , t up , Tran / P b , t dn , Tran and P b , t up , Dist / P b , t dn , Dist are introduced for each sub-model, along with the global variables P b , t up ^ and P b , t dn ^ . Consistency of the boundary-exchanged information is enforced through constraints (38):
P b , t up , Tran = P b , t up , Dist , P b , t dn , Tran = P b , t dn , Dist
The augmented Lagrangian function is relaxed via Equation (38), enabling the TSO and DSO to independently solve their respective regional sub-problems. By exchanging boundary information and updating the sub-models, global optimality can be achieved when the coupling variables converge sufficiently closely. At the n-th iteration, the TSO and DSO models are represented by Equations (39) and (40) and Equations (41) and (42), respectively:
min C Tran , 0 + t T b B Tran [ λ b , t up , Tran , ( n ) ( P b , t up , Tran P b , t up , ( n ) ^ ) + 1 2 ρ up ( P b , t up , Tran P b , t up , ( n ) ^ ) 2 + λ b , t dn , Tran , ( n ) ( P b , t dn , Tran P b , t dn , ( n ) ^ ) + 1 2 ρ dn ( P b , t dn , Tran P b , t dn , ( n ) ^ ) 2 ] + max p s Tran A Tran s S Tran p s Tran min C s Tran
Subject to
( A 8 ) ( A 19 ) , ( 34 ) ( 37 )
min C Dist , 0 + t T [ λ b , t up , Dist , ( n ) ( P b , t up , Dist P b , t up , ( n ) ^ ) + 1 2 ρ up ( P b , t up , Dist P b , t up , ( n ) ^ ) 2 + λ b , t dn , Dist , ( n ) ( P b , t dn , Dist P b , t Dist , ( n ) ^ ) + 1 2 ρ dn ( P b , t dn , Dist P b , t dn , ( n ) ^ ) 2 ] + max p s Dist A Dist s S Dist p s Dist max z U min C s Dist , f
Subject to
( 12 ) ( 22 ) , ( 34 ) ( 37 )
where the superscript n denotes the n-th iteration; ρ up and ρ dn are the corresponding penalty factors. P b , t up , ( n ) ^ and P b , t dn , ( n ) ^ are obtained from the ( n 1 ) -th iteration. Taking P b , t up , ( n ) ^ as an example, its update process is given as follows:
P b , t up , ( n ) ^ = 1 2 ( P b , t up , Tran , ( n 1 ) + P b , t up , Dist , ( n 1 ) )
The coordination process for solving the transmission–distribution model is achieved by updating the Lagrange multiplier λ . Taking λ b , t up , Tran , ( n ) as an example, its updating procedure is given as follows. The complete solution process is illustrated in Figure 3:
λ b , t up , Tran , ( n ) = λ b , t up , Tran , ( n 1 ) + ρ up ( P b , t up , Tran , ( n 1 ) P b , t up , ( n ) ^ ) , b B Tran
  • Discussion on the Convergence of Algorithm
It should be emphasized that the rigorous convergence guarantee of the standard ADMM is typically established under assumptions such as convexity. When these convexity conditions are not satisfied, it is generally difficult to provide a global theoretical convergence guarantee of comparable strength. Therefore, this paper does not claim strict global theoretical convergence of ADMM-C&CG in the general nonconvex case. The objective of this paper is to employ ADMM as an effective distributed solution strategy to achieve optimal operation of the integrated transmission–distribution system while preserving the privacy of individual entities. It is also worth noting that prior studies in [36,37,38] have demonstrated favorable numerical stability and empirical convergence behavior of the ADMM-C&CG framework when applied to large-scale system test cases. Building on this, Section 5 validates the numerical behavior and solution quality of the proposed algorithm. The subsequent case studies indicate that ADMM-C&CG exhibits good numerical stability and empirical convergence under the settings considered in this paper; meanwhile, solution accuracy and feasibility are further assessed via comparison with centralized solutions, thereby supporting the effectiveness of the proposed method in practical engineering applications.

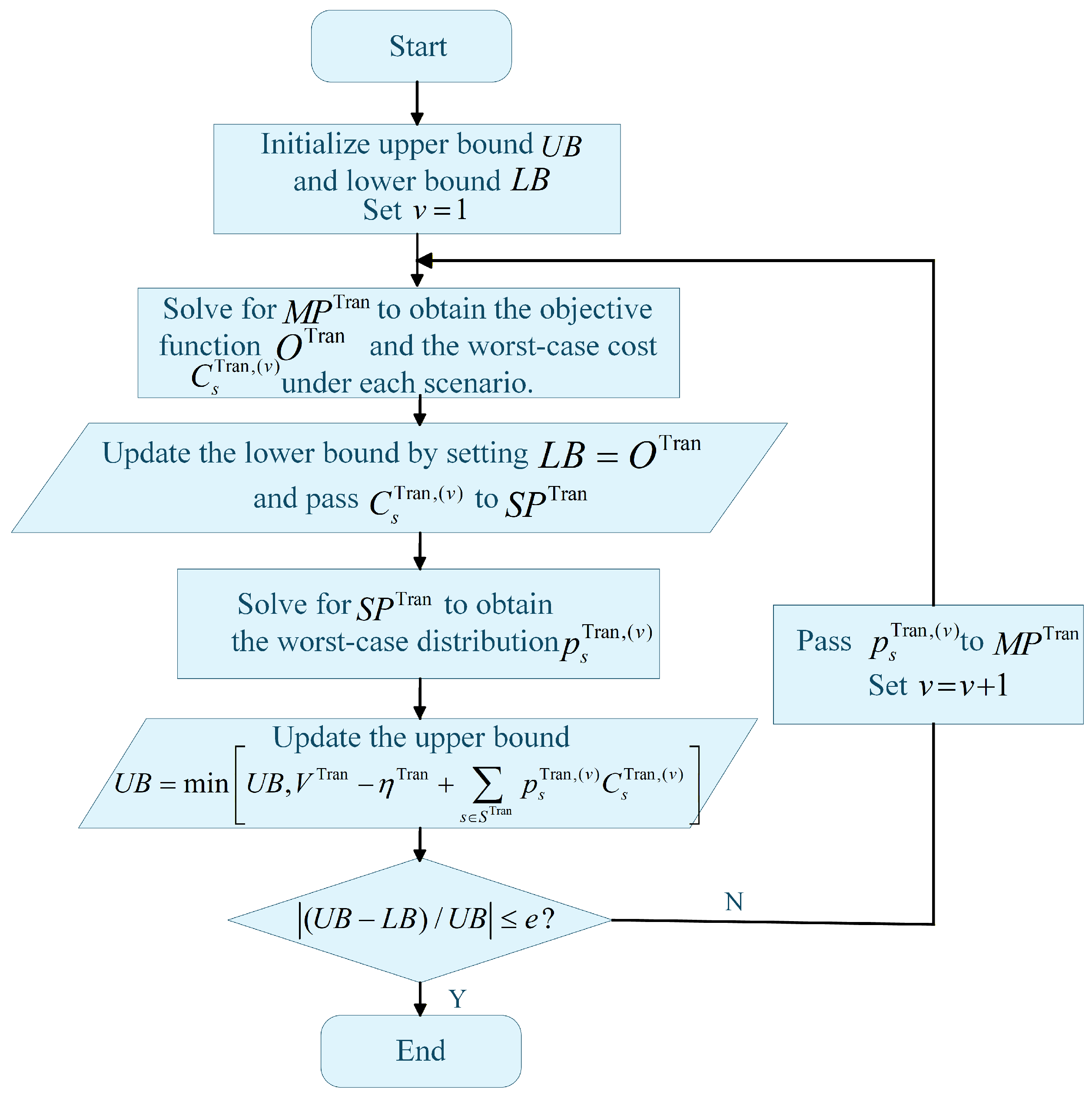
4.2. C&CG Algorithm-Based Approach for Subproblem Solution

  • Solution Method for the TSO Three-Level Optimization Model
For the proposed TSO optimization model, the C&CG algorithm can be applied to decompose the original optimization problem into a master problem M P Tran and a subproblem S P Tran . The specific formulations of the models for M P Tran and S P Tran are given in (A20)–(A24) of Appendix A.3.
  • Solution Method for the DSO Four-Level Optimization Model
In this paper, the DSO model is formulated as a four-level “ min max max min ” optimization problem. A tailored C&CG algorithm is developed to solve it by decomposing the original optimization problem into one master problem and two subproblems. For clarity of exposition, the model is presented in compact form as follows:
min x 0 y 0 Θ 0 c 0 T x 0 + λ T ( y 0 y ^ ) + ρ T ( y 0 y ^ ) 2 max p s A p s max z f U f min x f Θ f c fT B s f + c fT x f
Θ 0 = { A 0 x 0 + Dy 0 e }
U f = { G s f z s f h s f }
Θ f = { J s f x s f + K x 0 + L ( y 0 z s f ) m }
where x 0 and x s f represent the regional variables in the day-ahead and intraday stages of the DSO model, respectively. y 0 denotes the coupling variable. z s f is a binary variable, indicating the transmission operational requirement. c 0 , c s f , λ , ρ , A 0 , D , e , G s f , h s f , J s f , K , L and m are the corresponding coefficient matrices. ⊙ represents the Hadamard product. T denotes the transpose operator.
In this paper, the subproblem S P Dist of the DSO model is formulated as
max p s A p s max z f U f min x f Θ f c fT B s f + c fT x f
where the subproblem is structured as a tri-level optimization problem. Observing that the innermost “min” problem is convex, the strong duality condition can be leveraged to convert it into a “max,” thereby transforming the entire formulation into a single-level “max” structure to reduce computational complexity as shown below:
max p s c s fT B s f ( Kx 0 + L ( y 0 z s f ) m ) T μ
J s fT μ = c s f
p s A
where μ is the dual vector of the innermost problem. Noting that bilinear terms z s f μ exist, the big-M method is employed for linearization as shown below:
Mz s f ζ μ M ( z s f 1 )
μ ζ 0
where M is a big constant.
The S P Dist proposed above remains difficult to solve. However, it can be observed that the optimal intra-day scheduling model is independent of the search for the worst-case distribution within the ambiguity set A of the DRO model. Therefore, S P Dist can be further decomposed into S P 1 Dist and S P 2 Dist . In the q-th inner iteration of the DSO model, S P 1 Dist is first solved to search for the worst transmission operational requirements z s f , ( q ) and the worst intra-day scheduling cost C s Dist , f , ( q ) for all s S Dist as detailed below:
C s Dist , f , ( q ) = arg min c s fT B s f ( Kx 0 + L ( y 0 z s f ) m ) T μ
Subject to (51). Then, the obtained C s Dist , f , ( q ) is passed to S P 2 Dist to complete the search for the worst-case distribution p s Dist , ( q ) . The detailed formulation of S P 2 Dist is given below:
max p s Dist A Dist s S Dist p s Dist C s Dist , f , ( q )
Subject to (34)–(37). Finally, the obtained worst-case requirements z s f , ( q ) and worst-case distribution p s Dist , ( q ) are passed to the master problem M P Dist for solution. In the ( q + 1 ) -th iteration, the  M P Dist is constructed as follows:
min x 0 y 0 Θ 0 c 0 T x 0 + λ T ( y 0 y ^ ) + ρ T ( y 0 y ^ ) 2 + η Dist
Subject to
A 0 x 0 + Dy e
J s f x s f + Kx 0 + L ( y 0 z s f , ( u ) ) m , 0 u q
η s Dist c s fT B s f + c s fT x s f , ( u ) , 0 u q
η Dist s S Dist p s Dist , ( u ) η s Dist , 0 u q
where z s f , ( u ) and p s Dist , ( u ) are the worst-case operational requirements and the worst-case distribution obtained from previous iterations, respectively, and  x s f , ( u ) represents the extended decision variables. The detailed solution procedure is illustrated in Figure A2.

5. Case Studies

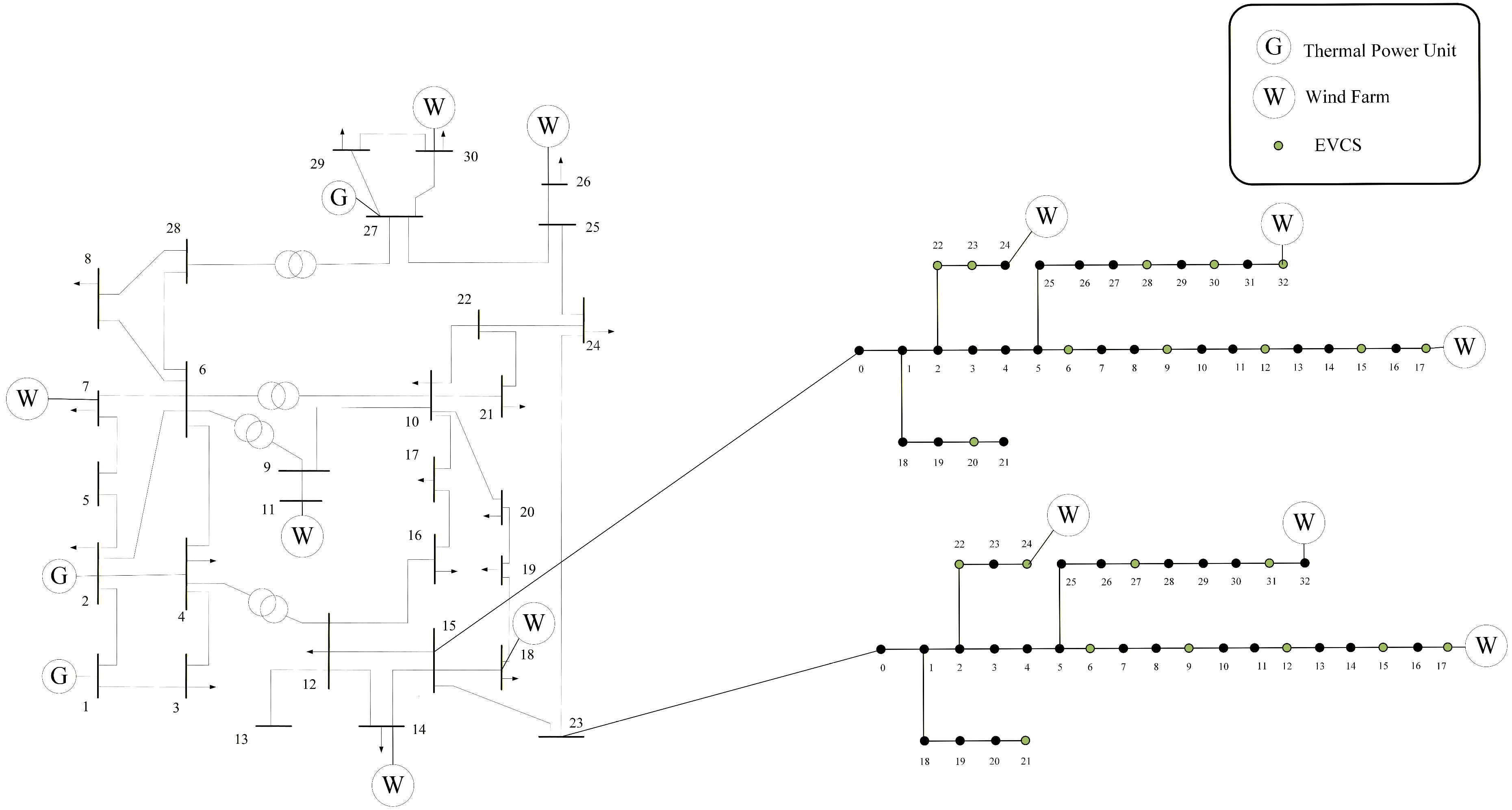
To verify the effectiveness of the proposed method, this paper designs a T30D2 test system for analysis. T30D2 refers to a modified 30-bus transmission network connected to two modified 33-bus distribution networks. The boundary buses are located at buses 15 and 23 in T30, and thermal power units are installed at buses 1, 2, and 27, with a total installed capacity of 190 MW. Wind farms are sited at buses 7, 11, and 14, with a peak capacity of 122 MW. In the D33 networks, distributed wind farms are placed at buses 17, 24, and 32, with a peak capacity of 3.14 MW. EVCSs are installed at buses 6, 9, 12, 15, 17, 20, 22, 23, 28, 30, and 32. The EVCS data are generated using a scenario clustering method, with clustering data sourced from the CalTech EV dataset [39]. The system topology is shown in Figure A3, while the wind power and load data of the T30D2 system are presented in Figure A4. Detailed parameters of the test system can be found in [40].
To further clarify the case-study setup, the T30D2 system is configured to isolate the impact of EVCS-enabled demand response under high renewable penetration and heterogeneous uncertainties. Therefore, the transmission side includes only thermal units and wind farms as a representative renewable-integration setting, while other distribution-side DERs (e.g., photovoltaic generation and energy storage systems) are omitted in the baseline case to avoid introducing additional flexibility sources that may obscure the contribution of EVCSs. It is worth noting that many adjustable resources can be formulated using a virtual energy storage (VES) model analogous to EVCSs; moreover, other DER types can be incorporated by adding their corresponding operational constraints.

5.1. Analysis of Flexible Resource Utilization for EVCS

To verify that the proposed method can fully exploit the flexibility of EVCSs to provide services for both transmission and distribution systems, Cases 1–3 are designed to analyze different modes of EVCS participation in transmission–distribution coordinated operation. Since the proposed demand response mechanism is embedded in the multi-stage transmission–distribution coordinated optimization framework and jointly designed with EVCS flexibility declaration, boundary reserve coordination, and intraday deliverability under operational deviations and uncertainties, its effectiveness is evaluated through system-level comparative studies that examine how EVCS flexibility is incorporated into transmission–distribution coordination.
  • Case 1 : EVCS providing flexible services to Both TSO and DSO;
  • Case 2 : EVCS provides flexible services solely to DSO;
  • Case 3 : Flexible services from EVCS for both TSO and DSO are not considered.
In this paper, the TSO indirectly obtains flexible services from EVCS by coordinating boundary active power reserves with the DSO. Therefore, when EVCS is not considered for providing flexible services to the TSO, the TSO and DSO operate in isolation. This means that the boundary active power remains fixed at the baseline value P b , t 0 determined in the first stage, and the boundary buses are treated as rigid loads. Table 2 presents the operational costs of the T30-D2 system for Cases 1–3. A comparison between Cases 1 and 2 indicates that when EVCS is considered to provide flexible services to the TSO, the TSO operational cost decreases by $13,582, representing a relative reduction of 19.87%. Although the DSO operational cost increases, the total operational cost decreases by 13.95% relative to the Case 2. This is because the flexible regulation capability of the TSO is constrained, primarily due to the ramping limitations of thermal power units and the relatively high cost of reserve provision. To address these constraints, the flexible services offered by EVCSs can alleviate the TSO ramping pressure and enable more efficient utilization of its surplus adjustable capacity. These resultant reserve arrangements for the TSO across the three cases are illustrated in Figure 4. Compared with Case 2, the operational cost of the DSO increases significantly in Case 3. This is because, under the scenarios set for Case 3, when EVCS are not considered for providing flexible services to the DSO, the DSO can only rely on wind curtailment and load shedding to maintain system power balance and satisfy other security constraints.
Table 3 compares the wind curtailment and load shedding in the T30D2 system for Cases 1–3. As shown, compared with Cases 2 and 3, Case 1 reduces wind curtailment by 22.54 MW and 31.64 MW, corresponding to decreases of approximately 75.06% and 80.86%, respectively. Meanwhile, load shedding is reduced by 8.96 MW and 15.02 MW, representing reductions of about 51.76% and 64.27%, respectively.
We define the line maximum loading ratio and the line average loading ratio using Equations (62) and (63), respectively. Table 4 lists the top three transmission lines in the T30D2 system with the highest maximum loading-rate rankings in Case 1 and Cases 2/3. Figure 5 illustrates the daily change in the loading ratio of Line 33 in Cases 1–3 for the T30D2 system. It can be observed that, in Case 1, both the maximum and average line loading ratios are lower than those in Cases 2 and 3. For Line 33, which exhibits the highest loading ratio among all lines, the maximum loading ratio decreases by 18.4 percentage points, and the average loading ratio decreases by 5.4%. During the evening peak-load period, the loading ratio of Line 33 is notably reduced at 18:00, 20:00, and 21:00. The  transmission network can alleviate line congestion by leveraging the flexibility provided by EVCSs at the boundary buses:
R l max = max t T P l , t P l ¯
R l avg = t T P l , t 24 P l ¯

5.2. Comparative Analysis of Different Uncertainty Models

In this paper, the ambiguity sets are mutually independent across different systems. The radius of the TSO ambiguity set σ Tran is set to 10, while that of the DSO ambiguity set σ Dist is set to 1. To validate the effectiveness of the proposed ARO-DRO uncertainty model, Cases 4–6 are established in this paper for comparing different uncertainty models:
  • Case 4 : ARO-DRO;
  • Case 5 : ARO-RO;
  • Case 6 : ARO-SO;
Table 5 compares the operational results for different uncertainty models. Compared to the RO method employed in Case 5, the operational cost of Case 4 decreases by $6773, representing a relative reduction of 10.11%. Furthermore, by comparing the wind curtailment and load shedding under the worst-case operating scenarios across different cases, Case 4 reduces wind curtailment and load shedding by 11.75 MW and 8.93 MW respectively compared to Case 6 in the worst-case scenario, corresponding to relative reductions of 37.53% and 45.19%. In summary, the proposed method is able to reduce the total operational cost of the transmission–distribution system while enhancing its robustness under the worst-case optimization scenario.
Figure 6 illustrates the comparison of boundary active power reserves obtained from the coordinated dispatch solutions for Cases 4–6. It can be observed that compared with Case 5, Case 4 achieves a more adequate boundary active power reserve. Table 6 further compares the boundary violation across different cases. Under the worst-case scenario, Case 4 reduces the boundary violation by 4.28 MW relative to Case 6, corresponding to a reduction of 50.12%. The reason for this outcome lies in the fact that, as indicated in Table 5, Case 4 fully accounts for the impact of the worst-case operating scenario, thereby incentivizing the DSO to clear more adjustable capacity from EVCS to cope with the fluctuations of local renewable energy output and the uncertainties in transmission operational requirement under extreme conditions. To illustrate the flexibility of a single EVCS, Figure 7 depicts the charging/discharging power adjustment of the EVCS connected to distribution bus 9, where the distribution network is tied to transmission bus 15. The maximum upward adjustment is 0.31 MW, and the maximum downward adjustment is 0.18 MW. In summary, the proposed method not only avoids excessively conservative operational strategies but also effectively enhances the system’s performance under the worst-case scenario.
Furthermore, to further verify the necessity of considering the uncertainty of dispatch decisions in operational optimization, Case 7 (DRO-only) is introduced, where renewable uncertainty is modeled using DRO while the uncertainty of operational requirements is ignored. To ensure a fair experimental design, the day-ahead solution obtained in Case 7 is evaluated under the worst-case requirement scenario set derived from Case 4. Table 7 compares the boundary active reserve and boundary violation results of Cases 4 and 7. The results show that, compared with Case 4, the upward and downward boundary active reserves in Case 7 increase by 11.59 MW and 9.28 MW, respectively, whereas the boundary violation under the worst-case scenario increases by 10.89 MW. This indicates that, without considering the uncertainty of intraday operational requirements, the deliverability of boundary active reserve is significantly reduced, and the DSO may face severe economic penalties.

5.3. Algorithm Convergence Performance Analysis and Scalability Test

Figure 8 illustrates the convergence evolution of the ADMM-C&CG algorithm for the T30-D2 system. As in [36], the maximum residual is defined as the larger of the primal residual ϵ P and the dual residual ϵ D at each iteration. In this study, the convergence criterion for the C&CG algorithm adopted in both the TSO and DSO optimization models is set to 0.5%, while the convergence criterion for the ADMM is set to 0.1 × 2 MW; The penalty factors ρ up and ρ dn are set to 15. The algorithm converges after 17 iterations.
To further validate the scalability of the proposed algorithm, a large-scale test system named T118D10 is designed in this paper. This system comprises a modified 118-bus transmission network interconnected with ten modified 33-bus distribution networks. Wind farms are placed at buses 16, 35, 49, 78, and 112 of the T118 system, while boundary buses are established at buses 18, 32, 34, 40, 55, 70, 74, 77, 92, and 112 to link with the distribution networks. The convergence criterion for the C&CG algorithm employed in both the TSO and DSO optimization models is set to 0.5%, while the convergence criterion for ADMM is set to 0.1 × 10 MW. The penalty factors ρ up and ρ dn are set to 20. As shown in Figure 8, the algorithm converges after 20 iterations.
In this paper, experiments for the previously defined Cases 1–6 are conducted on the T118D10 system, with detailed results provided in Table A1, Table A2, Table A3 and Table A4 of Appendix C. Table A1 compares the operational costs of Cases 1–3 in the T118D10 system. Compared with Case 2, the TSO cost in Case 1 decreases by $77,779, representing a relative reduction of 6.66%. Although the DSO cost increases, the total cost is reduced by $60,280. Compared with Case 3, the total cost in Case 1 decreases by $89,344. Furthermore, Table A2 compares the operational results of Cases 1–3 in the T118D10 system. Relative to Case 2 and Case 3, the expected wind curtailment in Case 1 decreases by 132.20 MW and 159.45 MW, corresponding to relative reductions of 29.51% and 33.55%, respectively. The expected load shedding decreases by 12.37 MW and 21.39 MW, with relative reductions of 21.11% and 31.64%, respectively.
Table A3 compares the operational results of Cases 4–6 in the T118D10 system. Compared with Case 5, the total cost in Case 4 decreases by $168,239, i.e., a relative reduction of 13.09%. In terms of the worst-case scenario wind curtailment and load shedding across different cases, Case 4 shows reductions of 45.18 MW and 25.84 MW, respectively, compared with Case 6. Moreover, Table A4 compares the boundary violations of Cases 4–6 in the T118D10 system. Relative to Case 6, the boundary violation in Case 4 decreases by 20.18 MW, representing a relative reduction of 49.26%.
From the perspective of computational scalability, for the TSO regional problem, the C&CG algorithm solves S Tran + 1 linear programs (LPs) per iteration; although the M P Tran grows progressively with the number of iterations, the growth rate remains manageable. For the DSO regional problem, the primary computational burden originates from the four-level min–max–max–min optimization structure. After decomposition by the tailored C&CG algorithm, the subproblem S P 1 Dist solved in each inner iteration is a mixed-integer linear program (MILP) containing only 2 S Dist B Dist T binary variables, which is of limited scale; subproblem S P 2 Dist and the master problem M P Dist are both LPs. Consequently, all subproblems are either LPs or small-scale MILPs that can be efficiently handled by commercial solvers such as Gurobi. Under the distributed ADMM architecture, N DSO subproblems can be solved fully in parallel, and the wall-clock time per ADMM iteration is determined by the TSO subproblem and the slowest DSO subproblem, i.e.,  t i t e r = t Tran + max n t n Dist . According to the numerical results, when scaling from the T30D2 system to the T118D10 system where the number of distribution networks increases from 2 to 10, the additional computational overhead primarily stems from a modest increase in the number of ADMM iterations (from 17 to 20) rather than from the accumulation of DSO subproblem computation. It should be noted that the proposed framework targets day-ahead transmission–distribution coordination rather than real-time control. Under the experimental setting of this study (without parallel computation), the total computation times for the T30D2 and T118D10 systems are 1480 s and 9613 s, respectively, both well within the acceptable time window for day-ahead scheduling; with a parallel computing architecture, the computation time can be further reduced substantially. Moreover, at each ADMM iteration, the TSO and DSO only need to exchange the boundary active power reserve variables P b , t up , Tran / Dist and P b , t dn , Tran / Dist along with the corresponding Lagrange multipliers, without sharing any internal operational data. The communication frequency is low and the data volume is small, imposing minimal requirements on the communication infrastructure.
In summary, these results validate the scalability of the proposed method using the large-scale test system T118D10 and further indicate its practical feasibility and operational benefits in large-scale grid-connected transmission–distribution systems.

5.4. Sensitivity and Robustness Analysis

To further evaluate the robustness and sensitivity of the proposed framework under parameter variations and uncertainty modeling assumptions, additional sensitivity analyses are conducted. The convergence performance of the ADMM algorithm is significantly influenced by the selection of penalty factors. Table 8 presents the iteration numbers required for convergence under different penalty factor values in both T30D2 and T118D10 systems. The experimental results demonstrate that the algorithm achieves optimal convergence performance in the T30D2 system when the penalty factor is set to 15. Conversely, for the T118D10 system, the best convergence performance is observed with a penalty factor of 20. Moreover, when the penalty factor is excessively large or excessively small (e.g., 100 or 0.5), the algorithm requires significantly more iterations (over 100) to converge.
Due to the fact that using a fixed penalty factor in the ADMM algorithm may lead to slower convergence, this paper adopts the adaptive penalty factors updating strategy proposed in [33]. The specific updating rule is given as follows:
ρ up / dn , ( n + 1 ) = ( 1 + γ ) ρ up / dn , ( n ) , i f ϵ D < α ϵ P ( 1 + γ ) 1 ρ up / dn , ( n ) , i f ϵ P < α ϵ D ρ up / dn , ( n ) , o t h e r w i s e
where γ = 2 , α = 0.1 . Table 8 shows that the adaptive updating mechanism of the penalty parameter can improve the convergence performance of the algorithm to a certain extent.
The economic and robustness performance of the system operation are also influenced by the selection of the ambiguity set radius. As shown in Table 9, where WC, LS, and BV denote the worst-case wind curtailment, worst-case load shedding, and worst-case boundary violation, respectively, when the ambiguity set radius are reduced to 5 and 0.5 for the TSO and DSO models, respectively, the worst-case wind curtailment, load shedding, and boundary violation increase significantly in both the T30D2 and T118D10 systems, despite a marginal reduction in operational cost in the T118D10 case, indicating degraded robustness under extreme conditions. Conversely, when the radius are increased to 15 and 1.5, the worst-case performance improves at the expense of higher operational costs. These observations are consistent with the theoretical properties of DRO: a larger ambiguity set radius yields more conservative but robust solutions, while a smaller radius produces more economical but less resilient outcomes. In practice, system operators can therefore select the ambiguity set radius according to their risk preference to achieve an appropriate balance between operational economy and robustness.
Furthermore, sensitivity and robustness analyses with respect to wind power penetration are carried out. The available wind penetration is defined in (65). Figure 9 illustrates the operating results of the T30D2 and T118D10 systems as the available wind penetration increases from 45–50% to 65–70%. As the available wind penetration rises, the total system cost, the worst-case scenario wind curtailment, load shedding and boundary violation all exhibit an increasing trend. When the available wind penetration increases from 45–50% to 60–65%, these indicators grow relatively slowly, indicating that, under relatively low system flexibility requirements, EVCSs can provide lower-cost flexible resources to satisfy the regulation needs of both the TSO and DSO. However, when the available wind penetration is further increased from 60–65% to 65–70%, all indicators increase significantly. This is because the flexibility provided by EVCSs is no longer sufficient to meet system requirements, and the TSO relies on thermal units to provide the remaining flexibility, resulting in higher operating costs. Meanwhile, the DSO has to maintain secure system operation through wind curtailment or load shedding:
β = t T w W P w , t ¯ t T i N P i , t

5.5. Comparison of Distributed and Centralized Solution Methods

To validate the optimality of the designed algorithm, Table 10 compares the solution results of the centralized and distributed algorithms. The results indicate that the solution errors in both the T30D2 and T118D10 test systems are less than 1%. Since centralized solution methods are impractical in real-world systems due to privacy-preservation requirements, the proposed ADMM-C&CG distributed algorithm is capable of achieving near-optimal solutions.

6. Discussion

This paper develops a multi-stage transmission–distribution coordinated optimization framework to improve renewable energy accommodation under large-scale integration by exploiting the flexibility of EVCSs. Since EVCSs are not grid-affiliated resources, a demand response incentive mechanism is introduced to explicitly embed EVCS operational constraints and charging/discharging strategies into the clearing and dispatch process, which enables EVCS entities to declare adjustable capacity to the greatest extent.
Two heterogeneous uncertainties are considered: renewable generation uncertainty and transmission operational requirement uncertainty, modeled via DRO and ARO, respectively. To accommodate the two-level transmission–distribution architecture and practical privacy requirements, the overall problem is decoupled through an ADMM-based distributed algorithm, while the regional problem is solved using a tailored C&CG strategy. The numerical results indicate that the proposed framework can enhance operational economy and renewable energy accommodation, while avoiding overly conservative decisions under severe operating conditions, and it remains computationally efficient for larger-scale test systems.This decomposition structure allows the coordination problem to be solved through independent regional optimization processes, which improves scalability for larger transmission–distribution systems.
It should also be noted that the proposed framework is designed for day-ahead coordination and reserve clearing rather than real-time control, and therefore its computational requirements are compatible with the operational time scale of day-ahead scheduling in power systems. Overall, the results demonstrate that the proposed framework remains applicable for larger-scale test systems and provides a practical approach for transmission–distribution coordinated operation.

7. Conclusions

In this paper, a multi-stage transmission–distribution coordination optimization framework leveraging EVCS flexibility is proposed to address renewable energy accommodation challenges in transmission and distribution networks. The main conclusions are summarized as follows.
(1) Value of EVCS flexibility: In the T30D2 system, compared with the case without EVCS flexible services, the proposed approach reduces the total system cost by 20.63% and decreases the expected wind curtailment and load shedding by 31.64 MW and 15.02 MW, respectively, demonstrating improved operational economy and renewable energy accommodation capability.
(2) Effectiveness under heterogeneous uncertainties: In the T30D2 system, compared with the ARO-RO model, the proposed ARO-DRO model reduces operational costs by 10.11%. Compared with the ARO-SO model, it reduces wind curtailment and load shedding in the worst-case scenario by 11.75 MW and 8.93 MW, respectively. Moreover, when considering transmission operational requirements, the proposed ARO-DRO model provides more adequate boundary reserves than the ARO-RO model and reduces boundary violation by 50.12% relative to the ARO-SO model, indicating a better balance between robustness and conservatism.
(3) Convergence and scalability: The proposed algorithm converges within 17 iterations for the T30D2 system. In the T118D10 system, relative to the case without EVCS flexible services, the proposed method reduces the total system cost by $89,344 and decreases the expected wind curtailment and load shedding by 159.45 MW and 21.39 MW, respectively. Compared with the ARO-RO model, the ARO-DRO model reduces system costs by $168,239; relative to the ARO-SO model, it decreases worst-case wind curtailment, load shedding, and boundary violations by 45.18 MW, 25.84 MW, and 20.18 MW, respectively. The algorithm converges within 20 iterations in the T118D10 case, showing promising scalability.
(4) Distributed solution quality: The ADMM-based distributed algorithm achieves a solution error below 1% compared with the centralized solution in both the T30D2 and T118D10 cases, which supports practical implementation when centralized optimization is difficult due to privacy concerns.
In summary, the proposed method can effectively leverage decentralized EVCS resources to address renewable energy accommodation challenges in transmission and distribution networks. Future research will investigate integrating heterogeneous distributed resources into transmission–distribution optimal operation through demand response mechanisms and will further examine revenue and cost allocation mechanisms within the coordinated optimization model.

Author Contributions

Conceptualization, J.X. and Z.L.; methodology, J.X.; software, J.X.; validation, J.X.; formal analysis, J.X. and Z.L.; investigation, J.X., H.H. and W.O.; resources, J.X.; data curation, Z.L., Y.L. and X.H.; writing—original draft preparation, J.X.; visualization, J.X.; supervision, Z.L. All authors have read and agreed to the published version of the manuscript.

Funding

This research is supported by the Guangdong Basic and Applied Basic Research Foundation (Program No. 2023A1515011171), and also supported by Guangdong New Power System Technology Innovation Research (Program No. 1690186045357).

Data Availability Statement

The data that support the findings of this study are available within the article (specifically, in Figure A4) and from the corresponding references [39,40]. No new external datasets were generated.

Conflicts of Interest

The authors declare no conflicts of interest.

Appendix A. Supplementary Mathematical Models

Appendix A.1. Virtual Energy Storage Model of EVCS

The EVCS model adopted in this paper is a virtual energy storage model, in which the maximum energy attainable by a single EV is defined as e x max , the parking duration is t x park , the arrival time is t x ar , and the departure time is t x de :
t x park = t x de t x ar
The energy of an EV x upon arrival at and departure from the charging station is defined as e x ar and e x de , respectively. The upper and lower limits of charging power are denoted by p x ¯ and p x ̲ , where p x ¯ 0 represents the upper limit of charging power and p x ̲ 0 represents the upper limit of discharging power. Specifically
e x de = max e x max , e x ar + t x park p x ¯ , x X e
where X e denotes the set of EVs in EVCS e.
The energy obtained by EV x at the maximum charging/discharging rate is defined as e x , t + , which satisfies
e x , t + = 0 , t < t x ar e x ar , t = t x ar min e x , t 1 + + p x ¯ , e x de , t x ar < t t x de 0 , t > t x de
The energy obtained by EV x at the minimum charging/discharging rate is defined as e x , t , which satisfies
e x , t = 0 , t < t x ar e x ar , t = t x ar max e x , min , e x , t 1 + p x ̲ , e x , d e ( t x de t ) p x ¯ , t x ar < t t x de 0 , t > t x de
where a denotes the minimum energy of EV x.
The maximum and minimum charging power of EV x at each time step are defined as p x , t + and p x , t , respectively:
p x , t + = p x ¯ , t x ar < t t x de 0 , o t h e r w i s e
p x , t = p x ̲ , t x ar < t t x de 0 , o t h e r w i s e
Therefore, based on the Minkowski summation method, the maximum energy E e , t ¯ , minimum energy E e , t ̲ , and the charging power limits P e , t ¯ and P e , t ̲ of EVCS e are given by
E e , t ¯ = x X e e x , t + E e , t ̲ = x X e e x , t P e , t ¯ = x X e p x , t + P e , t ̲ = x X e p x , t

Appendix A.2. Constraints of the TSO Optimization Model

  • Constraints of the TSO Optimization Model in the Day-Ahead Stage
The specific operational constraints for the TSO in the Day-ahead stage are as follows:
P g ̲ P g , t 0 + P g , t up P g ¯ , g G Tran P g ̲ P g , t 0 P g , t Tran P g ¯ , g G Tran 0 P g , t up , P g , t dn , g G Tran
R g P g , t 0 + P g , t up P g , t + 1 0 + P g , t + 1 dn R g , g G Tran R g P g , t + 1 0 + P g , t + 1 up P g , t 0 + P g , t dn R g , g G Tran
0 P w , t 0 P w , t ¯ , w W Tran
P b ̲ P b , t 0 + P b , t up P b ¯ , P b ̲ P b , t 0 P b , t dn P b ¯ , b B Tran 0 P b , t up , P b , t dn , b B Tran
P l ̲ Λ l ( g G Tran P g , t 0 + b B Tran P b , t 0 + w W Tran P w , t 0 i N Tran P i , t ) P l ¯
g G Tran P g , t 0 + w W Tran P w , t 0 + b B Tran P b , t 0 = i N Tran P i , t , t T
where Λ l denotes the generation shift factor corresponding to branch l. P l ¯ and P l ̲ represent the upper and lower limits of the power on branch l, respectively.
Constraint (A8) defines the feasible operating ranges for the active power output and reserve capacity of thermal units. Constraint (A9) imposes limits on the active power ramping rates of thermal units between consecutive scheduling intervals. Constraint (A10) limits the active power output of wind farm w. Constraint (A11) restricts the active power and reserve at the boundary bus b. Constraint (A12) imposes limits on the active power of branch l. Constraint (A13) represents the system power balance constraint.
  • Constraints of the TSO Optimization Model in the Intraday Stage
The specific operational constraints for the TSO in the Intraday stage are as follows:
P g , t 0 P g , t dn P g , s , t P g , t 0 + P g , t up , g G Tran
0 P w , s , t P w , s , t ¯ , w W Tran
0 P i , s , t P i , t ¯ , i N Tran
P b , t 0 P b , t dn P b , s , t P i , b , t 0 + P i , b , t Tran , b B Tran
P l ̲ Λ l ( g G Tran P g , s , t + b B Tran P b , s , t + w W Tran P w , s , t + i N Tran P i , s , t i N Tran P i , t ) P l ¯
g G Tran P g , s , t + w W Tran P w , s , t + b B Tran P b , s , t + i N Tran P i , s , t = i N Tran P i , t , t T
Constraints (A14)–(A17) limit the active power output of thermal unit g and wind farm w, the load shedding at bus i, and the active power at boundary bus b at time t under scenario s. Constraint (A18) and Constraint (A19) impose the branch power flow limits and the system power balance constraint in the intraday stage, respectively.

Appendix A.3. Solution Method for the TSO Three-Level Optimization Model

This paper employs the C&CG-based algorithm to decompose the original TSO optimization problem into a master problem M P t r and a subproblem S P t r . The formulation of the M P t r is given as follows:
min C Tran , 0 + t T b B Tran [ λ b , t up , Tran , ( n ) ( P b , t up , Tran P b , t up , ( n ) ^ ) + 1 2 ρ up ( P b , t up , Tran P b , t up , ( n ) ^ ) 2 + λ b , t dn , Tran , ( n ) ( P b , t dn , Tran P b , t dn , ( n ) ^ ) + 1 2 ρ dn ( P b , t dn , Tran P b , t dn , ( n ) ^ ) 2 ] + η Tran
Subject to
( A 8 ) ( A 19 )
η Tran s S Tran p s Tran C s Tran , p s Tran V Tran
where η Tran denotes the intraday worst-case cost cut of the TSO, and  V Tran represents the set of worst-case distributions p s Tran integrated into M P Tran . During the v-th inner iteration, by solving M P Tran , the intraday worst-case cost C s Tran , ( v ) of the TSO under each scenario s is obtained and passed to S P Tran to search for the worst-case distribution, yielding a new worst-case distribution p s Tran , ( v ) . At the v-th iteration, S P Tran is constructed as follows:
max p s Tran A Tran s S Tran p s Tran C s Tran , ( v )
Subject to
( 34 ) ( 37 )
Through iterative solving, the TSO optimization problem is concluded when the convergence criterion is met. The detailed solution procedure is illustrated in Figure A1.
Figure A1. Flowchart of the C&CG algorithm for solving the TSO optimization model.
Figure A1. Flowchart of the C&CG algorithm for solving the TSO optimization model.
Energies 19 01768 g0a1

Appendix A.4. ADMM-C&CG-Based Solution Procedure for TSO-DSO Coordination

Algorithm A1: ADMM-C&CG-based solution procedure for TSO-DSO coordination.
Energies 19 01768 i001
Figure A2. Flowchart of the tailored C&CG algorithm for solving the DSO optimization model.
Figure A2. Flowchart of the tailored C&CG algorithm for solving the DSO optimization model.
Energies 19 01768 g0a2

Appendix B. Topology and Related Data of Transmission and Distribution Networks

Figure A3. Topology of T30D2.
Figure A3. Topology of T30D2.
Energies 19 01768 g0a3
Figure A4. Wind power and load in the test system.
Figure A4. Wind power and load in the test system.
Energies 19 01768 g0a4

Appendix C. T118D10 System Solution Results

Table A1. Comparison of operational costs for Cases 1–3 in the T118D10 system.
Table A1. Comparison of operational costs for Cases 1–3 in the T118D10 system.
TSO Cost/$DSO Cost/$Total Cost/$
Case 11,090,29026,7451,117,035
Case 21,168,06992461,177,315
Case 31,168,06938,3101,206,379
Table A2. Comparison of operation results for Cases 1–3 in the T118D10 system.
Table A2. Comparison of operation results for Cases 1–3 in the T118D10 system.
Expected Wind Curtailment/MWExpected Load Shedding/MW
Case 1315.8246.22
Case 2448.0258.59
Case 3475.2767.61
Table A3. Comparison of operation results for Cases 4–6 in the T118D10 system.
Table A3. Comparison of operation results for Cases 4–6 in the T118D10 system.
Total Cost/$Worst-Case Scenario Wind Curtailment/MWWorst-Case Scenario Load Shedding/MW
Case 41,117,035406.3391.80
Case 51,285,274389.1294.32
Case 61,096,813451.51117.64
Table A4. Comparison of boundary violation and EVCS clearing results for Cases 4–6 in the T118D10 system.
Table A4. Comparison of boundary violation and EVCS clearing results for Cases 4–6 in the T118D10 system.
Boundary Violation/MWEVCS Upward Cleared Capacity/MWEVCS Downward Cleared Capacity/MW
Case 420.7979.0416.80
Case 519.1892.3623.61
Case 640.9767.1613.69

References

  1. Li, J.; Ge, S.; Liu, H.; Yu, Q.; Zhang, S.; Wang, C.; Gu, C. An electricity and carbon trading mechanism integrated with TSO-DSO-prosumer coordination. Appl. Energy 2024, 356, 122328. [Google Scholar] [CrossRef]
  2. Liu, S.; Lin, Z.; Zhao, Y.; Liu, Y.; Ding, Y.; Zhang, B.; Yang, L.; Wang, Q.; White, S.E. Robust system separation strategy considering online wide-area coherency identification and uncertainties of renewable energy sources. IEEE Trans. Power Syst. 2020, 35, 3574–3587. [Google Scholar] [CrossRef]
  3. Holttinen, H.; Meibom, P.; Orths, A.; Lange, B.; O’Malley, M.; Tande, J.O.; Estanqueiro, A.; Gomez, E.; Söder, L.; Strbac, G.; et al. Impacts of large amounts of wind power on design and operation of power systems, results of IEA collaboration. Wind Energy 2011, 14, 179–192. [Google Scholar] [CrossRef]
  4. Ghaljehei, M.; Khorsand, M. Day-ahead operational scheduling with enhanced flexible ramping product: Design and analysis. IEEE Trans. Power Syst. 2021, 37, 1842–1856. [Google Scholar] [CrossRef]
  5. Lind, L.; Cossent, R.; Chaves-Ávila, J.P.; San Román, T.G. Transmission and distribution coordination in power systems with high shares of distributed energy resources providing balancing and congestion management services. Wiley Interdiscip. Rev. Energy Environ. 2019, 8, e357. [Google Scholar] [CrossRef]
  6. Ruwaida, Y.; Chaves-Avila, J.P.; Etherden, N.; Gomez-Arriola, I.; Gürses-Tran, G.; Kessels, K.; Madina, C.; Sanjab, A.; Santos-Mugica, M.; Trakas, D.N.; et al. TSO-DSO-customer coordination for purchasing flexibility system services: Challenges and lessons learned from a demonstration in Sweden. IEEE Trans. Power Syst. 2022, 38, 1883–1895. [Google Scholar] [CrossRef]
  7. Lu, X.; Chan, K.W.; Xia, S.; Shahidehpour, M.; Ng, W.H. An operation model for distribution companies using the flexibility of electric vehicle aggregators. IEEE Trans. Smart Grid 2021, 12, 1507–1518. [Google Scholar] [CrossRef]
  8. Fang, X.; Wang, Y.; Dong, W.; Yang, Q.; Sun, S. Optimal energy management of multiple electricity-hydrogen integrated charging stations. Energy 2023, 262, 125624. [Google Scholar] [CrossRef]
  9. Meng, W.; Song, D.; Huang, L.; Chen, X.; Yang, J.; Dong, M.; Talaat, M.; Elkholy, M.H. Distributed energy management of electric vehicle charging stations based on hierarchical pricing mechanism and aggregate feasible regions. Energy 2024, 291, 130332. [Google Scholar] [CrossRef]
  10. Jiang, T.; Tao, J.; Li, Y.; Chu, C.; Wang, K.; Ju, P. Review of load response management for power balance in new power system. Electr. Power Autom. Equip. 2025, 45, 11–23. [Google Scholar]
  11. Pirouzi, S.; Latify, M.A.; Yousefi, G.R. Conjugate active and reactive power management in a smart distribution network through electric vehicles: A mixed integer-linear programming model. Sustain. Energy Grids Netw. 2020, 22, 100344. [Google Scholar] [CrossRef]
  12. Zhang, J.; Che, L.; Shahidehpour, M. Distributed training and distributed execution-based Stackelberg multi-agent reinforcement learning for EV charging scheduling. IEEE Trans. Smart Grid 2023, 14, 4976–4979. [Google Scholar] [CrossRef]
  13. Wang, X.; Wu, H.; Diao, G.; Fang, C.; Li, C.; Gong, K.; Jiang, C.; Huang, W.; Zhang, S. Bidding method for EV aggregators in flexible ramping product trading market considering charging and swapping flexibility aggregation. J. Mod. Power Syst. Clean Energy 2025, 14, 682–694. [Google Scholar]
  14. Zhang, H.; Hu, Z.; Xu, Z.; Song, Y. Evaluation of achievable vehicle-to-grid capacity using aggregate PEV model. IEEE Trans. Power Syst. 2017, 32, 784–794. [Google Scholar] [CrossRef]
  15. Arias, N.B.; Hashemi, S.; Andersen, P.B.; Træholt, C.; Romero, R. Distribution system services provided by electric vehicles: Recent status, challenges, and future prospects. IEEE Trans. Intell. Transp. Syst. 2019, 20, 4277–4296. [Google Scholar] [CrossRef]
  16. Pirouzi, S.; Aghaei, J.; Latify, M.A.; Yousefi, G.R.; Mokryani, G. A robust optimization approach for active and reactive power management in smart distribution networks using electric vehicles. IEEE Syst. J. 2017, 12, 2699–2710. [Google Scholar] [CrossRef]
  17. Andrianesis, P.; Caramanis, M. Distribution network marginal costs: Enhanced AC OPF including transformer degradation. IEEE Trans. Smart Grid 2020, 11, 3910–3920. [Google Scholar] [CrossRef]
  18. Wang, Y.; Qiu, D.; Teng, F.; Strbac, G. Two-stage TSO-DSO services provision framework for electric vehicle coordination. IEEE Trans. Power Syst. 2024, 40, 3117–3130. [Google Scholar] [CrossRef]
  19. Wang, L.; Kwon, J.; Schulz, N.; Zhou, Z. Evaluation of aggregated EV flexibility with TSO-DSO coordination. IEEE Trans. Sustain. Energy 2022, 13, 2304–2315. [Google Scholar] [CrossRef]
  20. Zecchino, A.; Knezović, K.; Marinelli, M. Identification of conflicts between transmission and distribution system operators when acquiring ancillary services from electric vehicles. In Proceedings of the 2017 IEEE PES Innovative Smart Grid Technologies Conference Europe (ISGT-Europe), Turin, Italy, 26–29 September 2017; pp. 1–6. [Google Scholar]
  21. Federal Energy Regulatory Commission. Participation of Distributed Energy Resource Aggregations in Markets Operated by Regional Transmission Organizations and Independent System Operators (Order No. 2222, 172 FERC ¶ 61,247). Available online: https://www.federalregister.gov/documents/2020/10/21/2020-20973/participation-of-distributed-energy-resource-aggregations-in-markets-operated-by-regional (accessed on 1 April 2025).
  22. Zhang, X.; Shin, D.; Son, Y.; Woo, H.; Kim, S.Y.; Choi, S. Three-stage flexibility provision framework for radial distribution systems considering uncertainties. IEEE Trans. Sustain. Energy 2022, 14, 948–961. [Google Scholar] [CrossRef]
  23. Givisiez, A.G.; Petrou, K.; Ochoa, L.F. A review on TSO-DSO coordination models and solution techniques. Electr. Power Syst. Res. 2020, 189, 106659. [Google Scholar] [CrossRef]
  24. Le Cadre, H.; Mezghani, I.; Papavasiliou, A. A game-theoretic analysis of transmission-distribution system operator coordination. Eur. J. Oper. Res. 2019, 274, 317–339. [Google Scholar] [CrossRef]
  25. Koraki, D.; Strunz, K. Wind and solar power integration in electricity markets and distribution networks through service-centric virtual power plants. IEEE Trans. Power Syst. 2017, 33, 473–485. [Google Scholar] [CrossRef]
  26. Papayiannis, I.; Asprou, M.; Hadjidemetriou, L.; Timotheou, S. Enhancement of transmission-distribution coordination for congestion management through an order prequalification scheme for distributed energy resources. Appl. Energy 2025, 399, 126503. [Google Scholar] [CrossRef]
  27. Jiang, T.; Wu, C.; Li, X.; Zhang, R.; Fu, L. Transmission and distribution coordinated day-ahead and real-time optimal scheduling considering active support of vehicle-to-grid. Autom. Electr. Power Syst. 2025, 49, 87–100. [Google Scholar]
  28. Zhu, J.; Yang, K.; Lu, S.; Sun, Q.; Wu, Y.; Yuan, Y. An Objective-Oriented Aggregate Modeling Approach of Distributed Energy Resources. IEEE Trans. Smart Grid 2026, 17, 309–322. [Google Scholar] [CrossRef]
  29. Wen, Y.; Hu, Z.; Chen, X.; Bao, Z.; Liu, C. Centralized distributionally robust chance-constrained dispatch of integrated transmission-distribution systems. IEEE Trans. Power Syst. 2024, 39, 2947–2959. [Google Scholar] [CrossRef]
  30. Saha, M.; Thakur, S.S.; Bhattacharya, A.; Dey, B. Profit Maximization of Distribution Network Stakeholders Facilitating EV Demands With Adaptive Demand Side Management Policies. IEEE Open J. Ind. Appl. 2025, 7, 65–78. [Google Scholar] [CrossRef]
  31. Ren, Y.; Tan, M.; Su, Y.; Wang, R.; Wang, L. Two-stage adaptive robust charging scheduling of electric vehicle station based on hybrid demand response. IEEE Trans. Transp. Electrif. 2024, 11, 1442–1454. [Google Scholar] [CrossRef]
  32. Mansouri, S.A.; Nematbakhsh, E.; Jordehi, A.R.; Marzb, M.; Tostado-Véliz, M.; Jurado, F. An interval-based nested optimization framework for deriving flexibility from smart buildings and electric vehicle fleets in the TSO-DSO coordination. Appl. Energy 2023, 341, 121062. [Google Scholar] [CrossRef]
  33. Jiang, T.; Wu, C.; Huang, T.; Zhang, R.; Li, X. Optimal market participation of VPPs in TSO-DSO coordinated energy and flexibility markets. Appl. Energy 2024, 360, 122730. [Google Scholar] [CrossRef]
  34. Ben-Tal, A.; Goryashko, A.; Guslitzer, E.; Nemirovski, A. Adjustable robust solutions of uncertain linear programs. Math. Program. 2004, 99, 351–376. [Google Scholar] [CrossRef]
  35. Baringo, A.; Baringo, L.; Arroyo, J.M. Day-ahead self-scheduling of a virtual power plant in energy and reserve electricity markets under uncertainty. IEEE Trans. Power Syst. 2018, 34, 1881–1894. [Google Scholar] [CrossRef]
  36. Chen, Z.; Li, Z.; Guo, C.; Wang, J.; Ding, Y. Fully distributed robust reserve scheduling for coupled transmission and distribution systems. IEEE Trans. Power Syst. 2020, 36, 169–182. [Google Scholar] [CrossRef]
  37. Yin, S.; Wang, J. Distributionally robust decentralized scheduling between the transmission market and local energy hubs. IEEE Trans. Power Syst. 2022, 38, 1845–1856. [Google Scholar] [CrossRef]
  38. Zhai, J.; Jiang, Y.; Shi, Y.; Jones, C.N.; Zhang, X.P. Distributionally robust joint chance-constrained dispatch for integrated transmission-distribution systems via distributed optimization. IEEE Trans. Smart Grid 2022, 13, 2132–2147. [Google Scholar] [CrossRef]
  39. Gholizadeh, N. Electric Vehicle Charging Dataset. Available online: https://data.mendeley.com/datasets/5zrtmp7gwd/1 (accessed on 21 August 2025).
  40. Zimmerman, R.D.; Murillo-Sánchez, C.E.; Thomas, R.J. MATPOWER 8.0. Available online: https://matpower.org (accessed on 21 August 2025).
Figure 1. The multi-stage coordinated optimization framework for EVCS flexibility utilization.
Figure 1. The multi-stage coordinated optimization framework for EVCS flexibility utilization.
Energies 19 01768 g001
Figure 2. Energy and information exchange among the TSO, DSO and EVCS.
Figure 2. Energy and information exchange among the TSO, DSO and EVCS.
Energies 19 01768 g002
Figure 3. Flowchart of the distributed algorithm based on ADMM.
Figure 3. Flowchart of the distributed algorithm based on ADMM.
Energies 19 01768 g003
Figure 4. Reserve arrangements for Cases 1–3 in the T30D2 system.
Figure 4. Reserve arrangements for Cases 1–3 in the T30D2 system.
Energies 19 01768 g004
Figure 5. Comparison of Line 33 loading ratio in Cases 1–3 for the T30D2 system.
Figure 5. Comparison of Line 33 loading ratio in Cases 1–3 for the T30D2 system.
Energies 19 01768 g005
Figure 6. Comparison of boundary reserve arrangements for Cases 4–6 in the T30D2 system.
Figure 6. Comparison of boundary reserve arrangements for Cases 4–6 in the T30D2 system.
Energies 19 01768 g006
Figure 7. EVCS charging/discharging power adjustment.
Figure 7. EVCS charging/discharging power adjustment.
Energies 19 01768 g007
Figure 8. Algorithm convergence evolution diagram.
Figure 8. Algorithm convergence evolution diagram.
Energies 19 01768 g008
Figure 9. Comparison of operation results under different available wind penetration values.
Figure 9. Comparison of operation results under different available wind penetration values.
Energies 19 01768 g009
Table 2. Comparison of operational costs for Cases 1–3 in the T30D2 system.
Table 2. Comparison of operational costs for Cases 1–3 in the T30D2 system.
TSO Cost/$DSO Cost/$Total Cost/$
Case 154,783542660,209
Case 268,365160769,972
Case 368,365748975,854
Table 3. Comparison of operation results for Cases 1–3 in the T30D2 system.
Table 3. Comparison of operation results for Cases 1–3 in the T30D2 system.
Expected Wind Curtailment/MWExpected Load Shedding/MW
Case 17.498.35
Case 230.0317.31
Case 339.1323.37
Table 4. Comparison of loading ratio across different cases in the T30D2 system.
Table 4. Comparison of loading ratio across different cases in the T30D2 system.
RankLine (From-To)Case 1Case 2/3
R l max R l avg R l max R l avg
133 (24–25)81.6%47.4%100%52.8%
234 (25–26)76.3%45.9%96.1%51.1%
323 (18–19)65.1%41.5%81.2%43.4%
Table 5. Comparison of operation results for Cases 4–6 in the T30D2 system.
Table 5. Comparison of operation results for Cases 4–6 in the T30D2 system.
Total Cost/$Worst-Case Scenario Wind Curtailment/MWWorst-Case Scenario Load Shedding/MW
Case 460,20919.5610.83
Case 566,98218.848.16
Case 656,68631.3119.76
Table 6. Comparison of boundary violation and EVCS clearing results for Cases 4–6 in the T30D2 system.
Table 6. Comparison of boundary violation and EVCS clearing results for Cases 4–6 in the T30D2 system.
Boundary Violation/MWEVCS Upward Cleared Capacity/MWEVCS Downward Cleared Capacity/MW
Case 44.2611.972.68
Case 54.0714.626.64
Case 68.548.811.84
Table 7. Comparison of boundary violation and the total boundary active reserve for Cases 4/7 in the T30D2 system.
Table 7. Comparison of boundary violation and the total boundary active reserve for Cases 4/7 in the T30D2 system.
Total Upward Boundary Active Reserve/MWTotal Downward Boundary Active Reserve/MWBoundary Violation/MW
Case 424.1420.534.26
Case 735.7329.8115.15
Table 8. Comparison of iteration numbers under different penalty factors.
Table 8. Comparison of iteration numbers under different penalty factors.
Penalty FactorsIteration Numbers
T30D2T118D10
ρ up , ρ dn = 0.5 124143
ρ up , ρ dn = 5 5148
ρ up , ρ dn = 10 3336
ρ up , ρ dn = 15 1731
ρ up , ρ dn = 20 2520
ρ up , ρ dn = 25 3727
ρ up , ρ dn = 100 121158
adaptive penalty factors1718
Table 9. Comparison of operation results under different ambiguity set radii.
Table 9. Comparison of operation results under different ambiguity set radii.
Ambiguity RadiusT30D2T118D10
Cost/$WC/MWLS/MWBV/MWCost/$WC/MWLS/MWBV/MW
σ Tran = 5 , σ Dist = 0.5 58,34224.5415.776.921,105,063421.98109.6035.44
σ Tran = 10 , σ Dist = 1 60,20919.5610.834.261,117,035406.3391.8020.79
σ Tran = 15 , σ Dist = 1.5 61,42419.139.544.181,207,097397.1191.9320.11
Table 10. Comparison of centralized and distributed algorithm solution results.
Table 10. Comparison of centralized and distributed algorithm solution results.
Centralized Algorithm/$Distributed Algorithm/$Error
T30D259,78260,2090.71%
T118D101,109,4921,117,0350.68%
Disclaimer/Publisher’s Note: The statements, opinions and data contained in all publications are solely those of the individual author(s) and contributor(s) and not of MDPI and/or the editor(s). MDPI and/or the editor(s) disclaim responsibility for any injury to people or property resulting from any ideas, methods, instructions or products referred to in the content.

Share and Cite

MDPI and ACS Style

Xiao, J.; Liu, Z.; Huang, H.; Ou, W.; Li, Y.; Huang, X. A Multi-Stage Transmission–Distribution Coordination Framework for EVCS Flexibility with Demand Response Incentives Under Heterogeneous Uncertainties. Energies 2026, 19, 1768. https://doi.org/10.3390/en19071768

AMA Style

Xiao J, Liu Z, Huang H, Ou W, Li Y, Huang X. A Multi-Stage Transmission–Distribution Coordination Framework for EVCS Flexibility with Demand Response Incentives Under Heterogeneous Uncertainties. Energies. 2026; 19(7):1768. https://doi.org/10.3390/en19071768

Chicago/Turabian Style

Xiao, Jiarui, Zhaoxi Liu, Huawen Huang, Weiliang Ou, Yu Li, and Xiumin Huang. 2026. "A Multi-Stage Transmission–Distribution Coordination Framework for EVCS Flexibility with Demand Response Incentives Under Heterogeneous Uncertainties" Energies 19, no. 7: 1768. https://doi.org/10.3390/en19071768

APA Style

Xiao, J., Liu, Z., Huang, H., Ou, W., Li, Y., & Huang, X. (2026). A Multi-Stage Transmission–Distribution Coordination Framework for EVCS Flexibility with Demand Response Incentives Under Heterogeneous Uncertainties. Energies, 19(7), 1768. https://doi.org/10.3390/en19071768

Note that from the first issue of 2016, this journal uses article numbers instead of page numbers. See further details here.

Article Metrics

Back to TopTop