Mechanism of Suppressing DFIG Shafting–Grid-Connected Oscillations Through Coordinated Optimization of Dual Damping Terms Under Frequency Coupling
Abstract
1. Introduction
- 1.
- Hardware-based improvements.
- 2.
- Control parameter optimization.
- 3.
- Advanced control strategies.
- (1)
- Reference [21] proposed an improved control scheme based on a symmetrical PLL, simplifying the DFIG system and facilitating impedance shaping.
- (2)
- Reference [22] introduced a rotor current dynamic compensation strategy to weaken frequency coupling and reshape system impedance.
- (3)
- (4)
- Reference [26] adopted an adaptive control strategy to handle oscillations under varying operating conditions, but this approach featured a complex structure and imposed high computational demands on processors.
- ∗
- Core Representatives: STATCOM, passive dampers, etc.
- ∗
- Effectiveness: Significant suppression effect on SSO/frequency coupling with strong robustness.
- ∗
- Implementation Complexity: High. Additional hardware equipment involving power grid transformation and on-site commissioning is required.
- ∗
- Cost: High, including hardware procurement, installation and operation/maintenance costs, as well as increased system power loss.
- ∗
- Core Representatives: PLL parameter optimization and PI parameter tuning.
- ∗
- Effectiveness: Effective for a single oscillation problem but has a limited effect on shafting-frequency coupling oscillation.
- ∗
- Implementation Complexity: Medium. Only controller parameters need to be modified, and repeated tuning is required for different operating conditions.
- ∗
- Cost: Low. Modifications are implemented at the software level with no additional costs.
- ∗
- Core Representatives: Virtual impedance, adaptive control, and rotor current compensation.
- ∗
- Effectiveness: Has a suppression effect on coupled oscillations, and some methods are only applicable to specific operating conditions.
- ∗
- Implementation Complexity: High. The control structure is complex, requiring high computing capability of the processor, and the parameter tuning is difficult.
- ∗
- Cost: Medium. Implemented at the software level, but the controller hardware needs to be upgraded to meet the computing requirements.
- Proposed Method in This Paper (MIA + LQR Dual Damping Term Coordinated Optimization).
- ∗
- Core Representatives: Dual damping term compensation filter + LQR multi-objective optimization.
- ∗
- Effectiveness: Significant synergistic suppression effect on shafting oscillation + frequency coupling, adapting to two core operating modes: MPPT/constant power.
- ∗
- Implementation Complexity: Low. Purely software-implemented, based on the existing DFIG rotor-side controller, and only requires the addition of a compensation filter module and one-time optimization of LQR parameters.
- ∗
- Cost: Extremely low. No additional hardware costs, no power loss, and easy integration into existing systems.
2. Shafting Modeling of the DFIG Under the Dual-Damping-Term Control Strategy
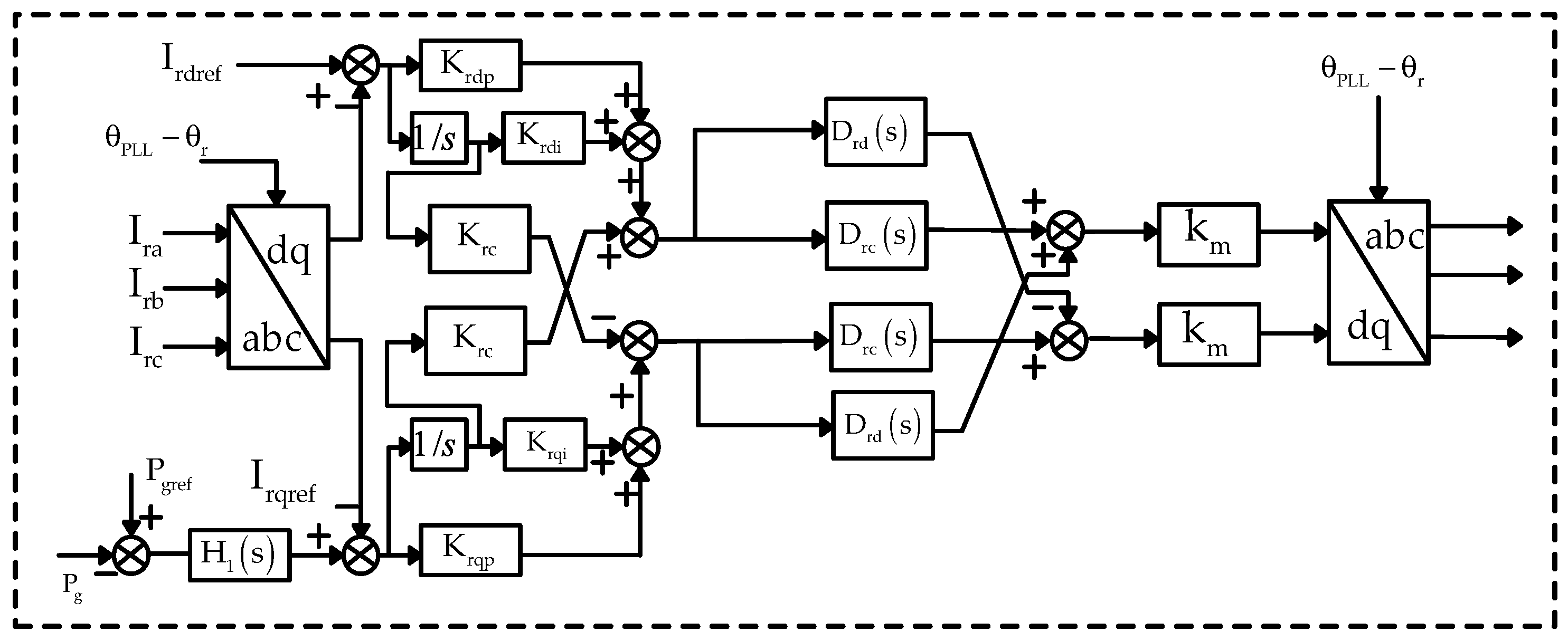
3. Modeling of Rotor-Side Frequency-Coupled Impedance of the DFIG Under the Dual-Damping-Term Control Strategy
4. Effects of Damping Parameters on Shafting Oscillations and Impedance
- (1)
- The phase angle of ranges from approximately −200° to 113°, all lying in the second quadrant. The electrical damping coefficient is negative, meaning that the electrical system provides positive damping to the shaft, which helps suppress shaft oscillations.
- (2)
- When = 0 pu and increases, the electrical damping coefficient decreases, which is beneficial for shaft stability.
5. Case Study Verification
6. Conclusions
- (1)
- By appropriately adjusting the damping parameters, shafting oscillations can be significantly reduced, improving system stability. Under MPPT mode, when remains constant, increasing reduces the electrical damping coefficient, which is beneficial for shaft stability; conversely, under constant power mode, increasing increases the electrical damping coefficient, which is detrimental to shaft stability.
- (2)
- The damping parameters can influence the oscillation frequency-coupling characteristics of the DFIG. Specifically, an increase in reduces the ratio of diagonal to off-diagonal elements, thereby weakening frequency coupling on the rotor side. Conversely, increasing intensifies the frequency coupling.
- (3)
- Under MPPT mode, the grid-connected system remains relatively stable despite increases in and . In contrast, under constant power mode, increasing either or exacerbates the degree of negative damping in the grid-connected impedance.
Author Contributions
Funding
Data Availability Statement
Conflicts of Interest
Appendix A
Appendix B
References
- Liu, J.; Wang, C.; Zhao, J.; Tan, B.; Bi, T. Simplified Transient Model of DFIG Wind Turbine for COI Frequency Dynamics and Frequency Spatial Variation Analysis. IEEE Trans. Power Syst. 2024, 39, 3752–3768. [Google Scholar] [CrossRef]
- Dai, W.; Xu, J.; Goh, H.H.; Shi, T.; Zeng, Z. Small Signal Equivalent Modeling for Large ES-Embedded DFIG Wind Farm with Dynamic Frequency Response. IEEE Trans. Power Syst. 2024, 40, 2324–2335. [Google Scholar] [CrossRef]
- Penne, M.; Jia, C.; Qiao, W.; Qu, L.; Wang, S.; Chen, Y.; Qu, L.; Huang, R.; Huang, Q. Robust Disturbance Rejection Rotor Current Control of Doubly-Fed Induction Generators. IEEE Trans. Ind. Appl. 2024, 60, 4302–4312. [Google Scholar] [CrossRef]
- Liu, H.; Xie, X.; He, J.; Xu, T.; Yu, Z.; Wang, C.; Zhang, C. Subsynchronous Interaction between Direct-Drive PMSG Based Wind Farms and Weak AC Networks. IEEE Trans. Power Syst. 2017, 32, 4708–4720. [Google Scholar] [CrossRef]
- Leon, A.E.; Solsona, J.A. Sub-Synchronous Interaction Damping Control for DFIG Wind Turbines. IEEE Trans. Power Syst. 2015, 30, 419–428. [Google Scholar] [CrossRef]
- Mei, F.; Pal, B. Modal Analysis of Grid-Connected Doubly Fed Induction Generators. IEEE Trans. Energy Convers. 2007, 22, 728–736. [Google Scholar] [CrossRef]
- Sun, J. Small-Signal Methods for AC Distributed Power Systems—A Review. IEEE Trans. Power Electron. 2009, 24, 2545–2554. [Google Scholar]
- Sun, J. Impedance-Based Stability Criterion for Grid-Connected Inverters. IEEE Trans. Power Electron. 2011, 26, 3075–3078. [Google Scholar] [CrossRef]
- Vieto, I.; Sun, J. Small-Signal Impedance Modeling of Type-III Wind Turbine. In Proceedings of the IEEE Power & Energy Society General Meeting, Denver, CO, USA, 26–30 July 2015; pp. 1–5. [Google Scholar]
- Wen, B.; Boroyevich, D.; Burgos, R.; Mattavelli, P.; Shen, Z. Analysis of D-Q Small-Signal Impedance of Grid-Tied Inverters. IEEE Trans. Power Electron. 2016, 31, 675–687. [Google Scholar] [CrossRef]
- Mauricio, C.; Sun, J. Impedance Modeling and Analysis of Grid-Connected Voltage Source Converters. IEEE Trans. Power Electron. 2014, 29, 1254–1261. [Google Scholar]
- Xu, Y.; Nian, H.; Wang, T.; Chen, L.; Zheng, T. Frequency Coupling Characteristic Modeling and Stability Analysis of Doubly Fed Induction Generator. IEEE Trans. Energy Convers. 2018, 33, 1475–1486. [Google Scholar] [CrossRef]
- Céspedes, M.; Xing, L.; Sun, J. Constant-Power Load System Stabilization by Passive Damping. IEEE Trans. Power Electron. 2011, 26, 1832–1836. [Google Scholar] [CrossRef]
- Sebastià-Rullo, M.; Cid-Pastor, A.; Valderrama-Blavi, H.; Aroudi, A.E.; Salamero, L.M. Passive Damping Stabilization for Constant-Power Loaded Boost Converter. In Proceedings of the 2023 IEEE 32nd International Symposium on Industrial Electronics (ISIE), Helsinki, Finland, 19–22 June 2023; pp. 1–6. [Google Scholar]
- Zhang, Y.; Chen, X.; Sun, J. Impedance Modeling and Control of STATCOM for Damping Renewable Energy System Resonance. In Proceedings of the 2017 IEEE Energy Conversion Congress and Exposition (ECCE), Cincinnati, OH, USA, 1–5 October 2017; pp. 3295–3302. [Google Scholar]
- Wen, B.; Dong, D.; Boroyevich, D.; Burgos, R.; Mattavelli, P.; Shen, Z. Impedance-Based Analysis of Grid-Synchronization Stability for Three-Phase Paralleled Converters. IEEE Trans. Power Electron. 2016, 31, 26–38. [Google Scholar] [CrossRef]
- Song, Y.; Blaabjerg, F. Analysis of Middle Frequency Resonance in DFIG System Considering Phase Locked Loop. IEEE Trans. Power Electron. 2018, 33, 343–356. [Google Scholar] [CrossRef]
- Xi, X.; Geng, H.; Geng, Y. Enhanced Model of the Doubly Fed Induction Generator-Based Wind Farm for Small-Signal Stability Studies of Weak Power System. IET Renew. Power Gener. 2014, 8, 765–774. [Google Scholar] [CrossRef]
- Zhang, C.; Cai, X.; Molinas, M.; Rygg, A. Frequency-Domain Modelling and Stability Analysis of a DFIG-Based Wind Energy Conversion System under Non-Compensated AC Grids: Impedance Modelling Effects and Consequences on Stability. IET Power Electron. 2019, 12, 907–914. [Google Scholar] [CrossRef]
- Sun, K.; Yao, W.; Fang, J.; Ai, X.; Wen, J.; Cheng, S. Impedance Modeling and Stability Analysis of Grid-Connected DFIG-Based Wind Farm with a VSC-HVDC. IEEE J. Emerg. Sel. Top. Power Electron. 2020, 8, 4088–4100. [Google Scholar] [CrossRef]
- Nian, H.; Hu, B.; Wu, C.; Chen, L.; Blaabjerg, F. Analysis and Reshaping on Impedance Characteristic of DFIG System Based on Symmetrical PLL. IEEE Trans. Power Electron. 2020, 35, 11760–11772. [Google Scholar] [CrossRef]
- Xiong, X.; Luo, B.; Li, L.; Sun, Z.; Blaabjerg, F. Impedance Reshaping Method of DFIG System Based on Compensating Rotor Current Dynamic to Eliminate PLL Influence. IEEE Trans. Power Electron. 2024, 39, 4006–4016. [Google Scholar] [CrossRef]
- Vieto, I.; Sun, J. Refined Small-Signal Sequence Impedance Models of Type-III Wind Turbines. In Proceedings of the 2018 IEEE Energy Conversion Congress and Exposition (ECCE), Portland, OR, USA, 23–27 September 2018; pp. 2242–2249. [Google Scholar]
- Wang, X.; Li, Y.W.; Blaabjerg, F.; Loh, P.C. Virtual-Impedance-Based Control for Voltage-Source and Current-Source Converters. IEEE Trans. Power Electron. 2015, 30, 7019–7037. [Google Scholar] [CrossRef]
- Su, T.; Du, W.; Wang, H. Sub/Super-Synchronous Mixed Oscillation Phenomenon and a Damping Control Scheme of the DFIG-Based Wind Farm Connected to a Power Grid. Proc. Chin. Soc. Electr. Eng. 2018, 10, 5919–5928. [Google Scholar]
- Xu, S.; Wu, X.; Gu, W.; Fan, L.; Lu, Y.; Zou, Z. Mitigating Sub-Synchronous Oscillation Using Adaptive Virtual Impedance Controller in DFIG Wind Farms. In Proceedings of the 2021 IEEE Sustainable Power and Energy Conference (iSPEC), Shanghai, China, 23–26 November 2021; pp. 1801–1807. [Google Scholar]
- Gu, Y.; Liu, J.; Green, T.C.; Li, W.; He, X. Motion-Induction Compensation to Mitigate Sub-Synchronous Oscillation in Wind Farms. IEEE Trans. Sustain. Energy 2020, 11, 1247–1256. [Google Scholar] [CrossRef]
- Leon, A.E.; Amodeo, S.; Mauricio, J.M. Enhanced Compensation Filter to Mitigate Subsynchronous Oscillations in Series-Compensated DFIG-Based Wind Farms. IEEE Trans. Power Deliv. 2021, 36, 2483–2492. [Google Scholar] [CrossRef]
- Yao, J.; Zhang, T.; Wang, X.; Zeng, D.; Sun, P. Control Strategy for Suppressing the Shafting Oscillation of the Grid-Connected DFIG-Based Wind Power Generation System. Int. Trans. Electr. Energy Syst. 2019, 29, e12053. [Google Scholar] [CrossRef]
- Ilyushin, Y.V.; Novozhilov, I.M. Analyzing of Distributed Control System with Pulse Control. In Proceedings of the 2017 IEEE International Conference on Soft Computing and Measurements (SCM), St. Petersburg, Russia, 24–26 May 2017; pp. 296–298. [Google Scholar] [CrossRef]

















| Parameter | Value | Parameter | Value |
|---|---|---|---|
| Ht | 4.2 pu | Km | 1.2 pu |
| Hr | 1 pu | 100 rad/s | |
| Rated Voltage | 690 V | DC-Link Voltage | 1200 V |
| Rated Power | 2 MW | Pole Pair | 2 |
| f1 | 50 Hz | 0.16 | |
| Turns Ratio | 0.33 | 19.5 | |
| 0.0072 pu | 2.26 pu | ||
| 0.0081 pu | 2.26 pu | ||
| 2.17 pu | km | 8.5 × 10−4 | |
| Krdp | 0.66 | Krdi | 9.5 |
| Krqp | 0.56 | Krqi | 9.3 |
| 1 | 10 |
Disclaimer/Publisher’s Note: The statements, opinions and data contained in all publications are solely those of the individual author(s) and contributor(s) and not of MDPI and/or the editor(s). MDPI and/or the editor(s) disclaim responsibility for any injury to people or property resulting from any ideas, methods, instructions or products referred to in the content. |
© 2026 by the authors. Licensee MDPI, Basel, Switzerland. This article is an open access article distributed under the terms and conditions of the Creative Commons Attribution (CC BY) license.
Share and Cite
Wang, Z.; Lu, Y. Mechanism of Suppressing DFIG Shafting–Grid-Connected Oscillations Through Coordinated Optimization of Dual Damping Terms Under Frequency Coupling. Energies 2026, 19, 1224. https://doi.org/10.3390/en19051224
Wang Z, Lu Y. Mechanism of Suppressing DFIG Shafting–Grid-Connected Oscillations Through Coordinated Optimization of Dual Damping Terms Under Frequency Coupling. Energies. 2026; 19(5):1224. https://doi.org/10.3390/en19051224
Chicago/Turabian StyleWang, Zheng, and Yimin Lu. 2026. "Mechanism of Suppressing DFIG Shafting–Grid-Connected Oscillations Through Coordinated Optimization of Dual Damping Terms Under Frequency Coupling" Energies 19, no. 5: 1224. https://doi.org/10.3390/en19051224
APA StyleWang, Z., & Lu, Y. (2026). Mechanism of Suppressing DFIG Shafting–Grid-Connected Oscillations Through Coordinated Optimization of Dual Damping Terms Under Frequency Coupling. Energies, 19(5), 1224. https://doi.org/10.3390/en19051224

