Motor Soft-Start Technology: Intelligent Control, Wide Bandwidth Applications, and Energy Efficiency Optimization
Abstract
1. Introduction
2. Recent Advances in Motor Soft-Start Technology
2.1. Intelligent and Networked Control
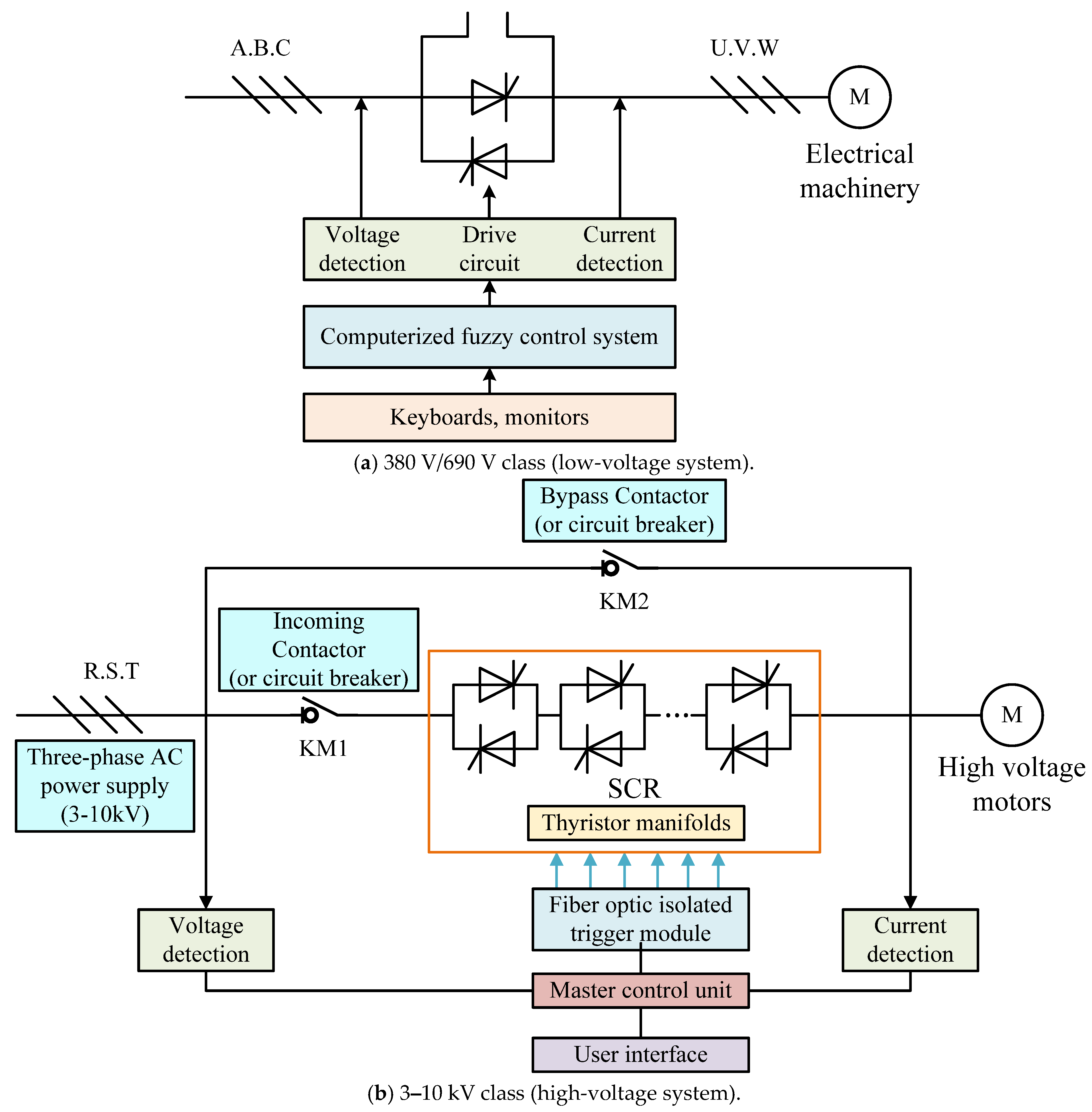
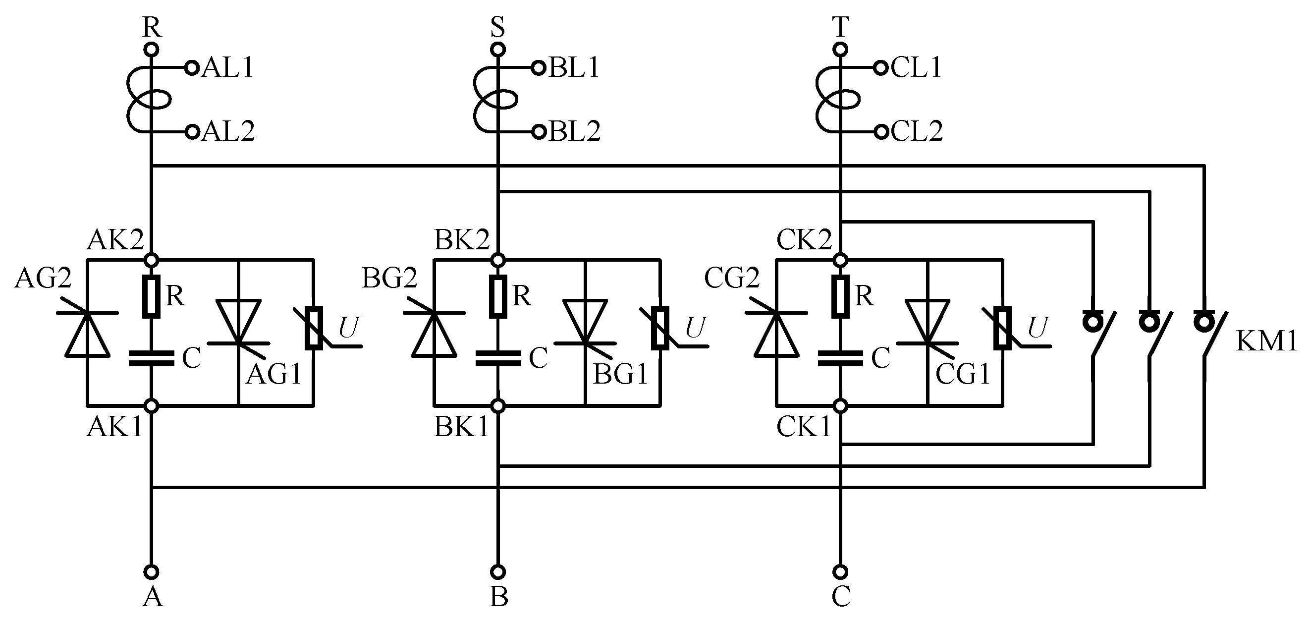
2.2. High-Voltage, High-Power Soft-Start Technology
2.3. Customization and Scenario Adaptation Technology
2.4. Energy-Saving and Environmental Protection Technologies
2.5. Reliability Enhancement Technology
2.6. Material and Process Innovation
3. Application Areas and Benefits of Soft Motor Starting Technology
3.1. Areas of Application for Soft Motor Starting Technology
3.1.1. Power and Energy
3.1.2. Petrochemical Industry
3.1.3. Metallurgy and Mining
3.1.4. Water Treatment and Municipal Engineering
3.1.5. Manufacturing and Machinery
3.2. Technical Benefits of Soft Motor Starting
3.2.1. Energy-Saving and Emission Reduction Benefits
3.2.2. Equipment Protection and Life Extension
3.2.3. Intelligent Operation and Maintenance Advantages
3.3. Experimental Validation in Industrial Scenarios
4. Trends and Challenges in Motor Soft-Start Technology
4.1. The Development Trend of Motor Soft-Start Technology
4.1.1. Intelligent and Adaptive Control Technology
4.1.2. Wide-Bandgap Semiconductor Devices
4.1.3. System Integration and Modular Design
4.1.4. New Energy and Special Applications
4.1.5. Energy Efficiency Standards and Environmental Requirements
4.2. Technical Challenge
4.2.1. Technical Challenges and Bottlenecks
4.2.2. Standardization and Ecosystem Building
4.2.3. Cost and Market Acceptance
5. Summary and Outlook
Author Contributions
Funding
Data Availability Statement
Acknowledgments
Conflicts of Interest
Nomenclature
| Symbol | Description |
| AI | Artificial intelligence |
| BLDC | Brushless direct current |
| CNN | Convolutional neural network |
| GaN | Gallium nitride |
| IGBT | Insulated-gate bipolar transistor |
| MTBF | Mean time between failures |
| PID | Proportional–integral–derivative |
| SCR | Silicon-controlled rectifiers |
| SiC | Silicon carbide |
| VFD | Variable frequency drive |
| Ac | Load recognition accuracy |
| Cgrid | Grid carbon emission factor |
| Estart | Total energy consumption during startup |
| Esw | Switching energy |
| fsw | Switching frequency |
| Idirect | Peak current during direct-starting |
| Ipeak | Starting transient peak current |
| Irated | Rated current |
| Irms | Effective (RMS) current |
| Istart | Motor starting current |
| J | Load rotational inertia |
| KT | Motor torque constant |
| Nstart | Average number of daily starts |
| Psw | Total switching loss |
| Rds(on) | On-resistance of power device |
| s | Slip rate |
| Te | Electromagnetic torque |
| Tj | Junction temperature |
| TL | Load torque |
| tstart | Motor startup time |
| Uin | Effective value of input line voltage |
| Uout | Effective value of thyristor output voltage |
| α | Thyristor trigger delay angle |
| Δω | Target angular velocity difference |
| ηE | Energy consumption ratio |
| ηloss | Loss ratio of power modules |
| λsys | System total failure rate |
| ω | Rotor angular velocity |
| ωrated | Rated rotational speed |
References
- Kim, J.-G. Soft Start Analysis of Induction Motor Using Current Phase Angle. J. Electr. Eng. Technol. 2022, 17, 1475–1480. [Google Scholar] [CrossRef]
- Yan, Y.; Wang, H.H. An Asynchronous Motor Soft-Starter with Discrete Variable Frequency Technology. Appl. Mech. Mater. 2012, 263–266, 686–690. [Google Scholar] [CrossRef]
- Konuhova, M. Induction Motor Dynamics Regimes: A Comprehensive Study of Mathematical Models and Validation. Appl. Sci. 2025, 15, 1527. [Google Scholar] [CrossRef]
- Gherghina, I.-S.; Bizon, N.; Iana, G.-V.; Vasilică, B.-V. Recent Advances in Fault Detection and Analysis of Synchronous Motors: A Review. Machines 2025, 13, 815. [Google Scholar] [CrossRef]
- Chen, Z.; Wang, Z.; Ge, Z. Design of Soft Start in Self-Powered Circuit for IGBT Power Modules in Series. In Proceedings of the 2015 5th International Conference on Electric Utility Deregulation and Restructuring and Power Technologies (DRPT 2015), Changsha, China, 26–29 November 2015; pp. 2249–2252. [Google Scholar]
- Wang, R.; Djekanovic, N.; Dujic, D. Design of a Megawatt-Scale IGCT-Based Medium-Voltage Direct Current Transformer. IEEE Trans. Power Electron. 2025, 40, 11616–11627. [Google Scholar] [CrossRef]
- Zyuzev, A.M.; Stepanyuk, D.P.; Bubnov, M.V. Application of Passive Power Filter with Induction Motor Soft Starter. In Proceedings of the 2016 2nd International Conference on Industrial Engineering, Applications and Manufacturing (ICIEAM), Chelyabinsk, Russia, 19–20 May 2016; pp. 1–4. [Google Scholar]
- Ashraf, N.; Abbas, G.; Yazdan, T. Input Power Quality Enhancement in Controlled Single-Phase AC to DC Converter. Energies 2025, 18, 1674. [Google Scholar] [CrossRef]
- Volle, F.; Garimella, S.V.; Juds, M.A. Thermal Management of a Soft Starter: Transient Thermal Impedance Model and Performance Enhancements Using Phase Change Materials. IEEE Trans. Power Electron. 2010, 25, 1395–1405. [Google Scholar] [CrossRef][Green Version]
- Zhou, J.; Liu, H.; Xu, X.; Wang, Y.; Zhao, T. SiC MOSFET Solid-State Circuit Breaker-Based Motor Control Center: Design Analysis, Novel Soft Start, and Soft Turn-off Strategies. IEEE J. Emerg. Sel. Top. Power Electron. 2025, 13, 5273–5285. [Google Scholar] [CrossRef]
- Wang, Y.; Yin, K.; Yuan, Y.; Chen, J. Current-Limiting Soft Starting Method for a High-Voltage and High-Power Motor. Energies 2019, 12, 3068. [Google Scholar] [CrossRef]
- Guven, M.; Lee, K.; Dong, Y.; Lee, W. Shunt-Connected Solar Microinverter for Induction Motor Soft-Starting and Active and Reactive Power Compensation. In Proceedings of the 2022 IEEE Energy Conversion Congress and Exposition (ECCE), Detroit, MI, USA, 9 October 2022; pp. 1–6. [Google Scholar]
- Tian, W.; Wang, L.; Bai, X.; Han, Z.; Zuo, Z.; Wu, X.; Wu, Y.; Yan, Y.; Fang, J. Research on Transient Characteristics of an Aviation Starter Motor under Low Temperature and Pressure. Energies 2024, 17, 6258. [Google Scholar] [CrossRef]
- Solveson, M.G.; Mirafzal, B.; Demerdash, N.A.O. Soft-Started Induction Motor Modeling and Heating Issues for Different Starting Profiles Using a Flux Linkage ABC Frame of Reference. IEEE Trans. Ind. Appl. 2006, 42, 973–982. [Google Scholar] [CrossRef]
- Hu, X.; Si, H.; Ye, Q.; Tian, X.; Fang, T. Research on Fuzzy Control System for Constant Current Soft Start of Motor. IOP Conf. Ser. Earth Environ. Sci 2020, 453, 12064. [Google Scholar] [CrossRef]
- Resa, J.; Cortes, D.; Marquez-Rubio, J.F.; Navarro, D. Reduction of Induction Motor Energy Consumption via Variable Velocity and Flux References. Electronics 2019, 8, 740. [Google Scholar] [CrossRef]
- Nannen, H.; Zatocil, H.; Griepentrog, G. Sensorless Soft Starter Torque and Flux Control Algorithm for Induction Motors. IEEE Trans. Ind. Electron. 2025, 72, 1230–1237. [Google Scholar] [CrossRef]
- Woo, Y.-J.; Lee, M.-C.; Lee, K.-C.; Cho, G.-H. One-Chip Class-E Inverter Controller for Driving a Magnetically Controlled. IEEE Trans. Ind. Electron. 2009, 56, 400–407. [Google Scholar] [CrossRef]
- Ferreira, F.J.T.E.; Alberto, J.; Silva, A.M.; De Almeida, A.T. Saturation-Related Losses in Induction Motors for Star and Delta Connection Modes. In Proceedings of the 2020 International Conference on Electrical Machines (ICEM), Gothenburg, Sweden, 23 August 2020; pp. 1586–1593. [Google Scholar]
- Kumar, R.; Singh, B. Single Stage Solar PV Fed Brushless DC Motor Driven Water Pump. IEEE J. Emerg. Sel. Top. Power Electron. 2017, 5, 1377–1385. [Google Scholar] [CrossRef]
- Kim, C.; Kim, W. Enhanced Low-Voltage Ride-through Coordinated Control for PMSG Wind Turbines and Energy Storage Systems Considering Pitch and Inertia Response. IEEE Access 2020, 8, 212557–212567. [Google Scholar] [CrossRef]
- Simms, S.R.; Braga, G.T.; Farr, T.A. Novel Voltage Observer for Reduced Voltage Soft-Starter Torque Ramp: Description and Analysis Results. IEEE Ind. Appl. Mag. 2023, 29, 24–32. [Google Scholar] [CrossRef]
- Habyarimana, M.; Dorrell, D.G.; Musumpuka, R. Reduction of Starting Current in Large Induction Motors. Energies 2022, 15, 3848. [Google Scholar] [CrossRef]
- Xie, F.; Zhu, J.; Cui, J.; Zheng, X.; Guo, X.; Wang, Y.; Agarwal, R.K. Dynamic Transmission of Oil Film in Soft-Start Process of HVD Considering Surface Roughness. Ind. Lubr. Tribol. 2018, 70, 463–473. [Google Scholar] [CrossRef]
- Li, Y.-M.; Xi, X.-L.; Zhang, H.; Chen, Z.-H.; Sun, J.; Luo, Y.; Jin, H.-Q.; Zhang, Z. A Digital–Controlled Soft-Start Circuit for Negative Output DC–DC Converter. J. Circuits Syst. Comput. 2019, 28, 1950067. [Google Scholar] [CrossRef]
- Tang, C.; Yu, Z.; Liu, Z.; Fu, J.; Yang, J. Research Status and Development Trends of Thermal Management Technologies for Motors. Iran. J. Sci. Technol. Trans. Mech. Eng. 2024, 48, 2025–2057. [Google Scholar] [CrossRef]
- Ugale, R.T.; Dond, S.K.; Chaudhari, B.N.; Tembe, A.A. A Low Cost Fast Data Acquisition System for Capturing Electric Motor Starting and Dynamic Load Transients. In Proceedings of the 2012 IEEE International Conference on Power Electronics, Drives and Energy Systems (PEDES), Bengaluru, India, 16–19 December 2012; pp. 1–6. [Google Scholar]
- Huang, W.; Yuan, Y.; Chang, Y. A Novel Soft Start Method Based on Auto-Transformer and Magnetic Control. In Proceedings of the 2016 IEEE International Conference on Industrial Technology (ICIT), Taipei, Taiwan, 14–17 March 2016; pp. 2108–2113. [Google Scholar]
- Yu, J.; Yang, X.; Sun, Q. Piezo/Tribotronics toward Smart Flexible Sensors. Adv. Intell. Syst. 2020, 2, 1900175. [Google Scholar] [CrossRef]
- Akar, O. Control Techniques of the Modified Stator and Rotor Pole Shape in a 6/4 Switched Reluctance Motor: Effects on Torque Ripple Minimization. Electr. Power Compon. Syst. 2024, 1–12. [Google Scholar] [CrossRef]
- Kashif, S.A.R.; Saqib, M.A. A Neuro Fuzzy Application: Soft Starting of Induction Motors with Reduced Energy Losses. Electr. Power Compon. Syst. 2012, 40, 1339–1350. [Google Scholar] [CrossRef]
- Xu, L.; Ma, Y.; Shi, R.; Li, J.; Zhang, Y. Blind Recognition of Convolutional Codes Based on the ConvLSTM Temporal Feature Network. Sensors 2025, 25, 1000. [Google Scholar] [CrossRef]
- Kumar, P.; Prince, P.; Sinha, A.K.; Kim, H.S. Electric Vehicle Motor Fault Detection with Improved Recurrent 1D Convolutional Neural Network. Mathematics 2024, 12, 3012. [Google Scholar] [CrossRef]
- Junior, R.F.R.; Areias, I.A.D.S.; Campos, M.M.; Teixeira, C.E.; Da Silva, L.E.B.; Gomes, G.F. Fault Detection and Diagnosis in Electric Motors Using 1d Convolutional Neural Networks with Multi-Channel Vibration Signals. Measurement 2022, 190, 110759. [Google Scholar] [CrossRef]
- Lee, D.-H. Soft T/F and Transition to Sensorless Control Based on the Torque Angle of a Compressor-Driven IPMSM. J. Electr. Eng. Technol. 2024, 19, 1267–1275. [Google Scholar] [CrossRef]
- Wang, Y.F.; Yuan, Y.X.; Xu, Y. Research on a Novel Soft Starting Method of Super High-Power and High-Voltage Motor. Appl. Mech. Mater. 2012, 263–266, 604–609. [Google Scholar] [CrossRef]
- Hassanpour, N.; Blinov, A.; Chub, A.; Vinnikov, D. Soft Start and Protection of Bidirectional Buck-Boost Partial Power Converter. In Proceedings of the 2022 3rd International Conference on Smart Grid and Renewable Energy (SGRE), Doha, Qatar, 20 March 2022; pp. 1–6. [Google Scholar]
- Yao, X.; Han, X.; Liao, Y.; Wang, J. PWM Strategy for Start-up Process of LLC Resonant Converter Based on Event Trigger Control Method. IEEE Trans. Circuits Syst. II 2022, 69, 1357–1361. [Google Scholar] [CrossRef]
- Rajaji, L.; Kumar, C. Adaptive Neuro Fuzzy Based Soft Starting of Voltage-Controlled Induction Motor Drive. In Proceedings of the IEEE Southeastcon 2008, Huntsville, AL, USA, 3–6 April 2008; pp. 448–453. [Google Scholar]
- Kai, L.; Zhaorui, L.; Huazhan, G.; Chunyun, L.; Wei, C.; Feng, Y. Fault Diagnosis and Condition Evaluation for Soft Start of a Kind of Typical Induction Motor. In Proceedings of the 2022 41st Chinese Control Conference (CCC), Hefei, China, 25–27 July 2022; pp. 4179–4184. [Google Scholar]
- Gao, B.; Cheng, Y.; Zhao, T.; Sun, H.; Cui, S. A Review on Analysis Methods and Research Status of Hysteresis Motor. Energies 2023, 16, 5715. [Google Scholar] [CrossRef]
- Salata, G.; Cenkeramaddi, L.R.; Huynh, V.K.; Robbersmyr, K.G.; Jha, A. Time–Frequency Analysis and Fault Prediction of Motor Bearings Using Millimeter-Wave Radar. IEEE Sens. J. 2023, 23, 18718–18728. [Google Scholar] [CrossRef]
- Mohammadi, M.; Moghani, J.S.; Ansari, S.A.; Milimonfared, J.; Dehbashi, A. Fuzzy Logic Based Sensorless Soft Starter for Constant Frequency Wind Power Plants. In Proceedings of the 2018 9th Annual Power Electronics, Drives Systems and Technologies Conference (PEDSTC), Tehran, Iran, 17–19 April 2018; pp. 538–543. [Google Scholar]
- Guerrero, J.M.; Mahtani, K.; Aranzabal, I.; Gómez-Cornejo, J.; Sánchez, J.A.; Platero, C.A. A Soft Start Method for Doubly Fed Induction Machines Based on Synchronization with the Power System at Standstill Conditions. Machines 2024, 12, 847. [Google Scholar] [CrossRef]
- Kay, J.A.; Paes, R.H.; Seggewiss, J.G.; Ellis, R.G. Methods for the Control of Large Medium-Voltage Motors: Application Considerations and Guidelines. IEEE Trans. Ind. Appl. 2000, 36, 1688–1696. [Google Scholar] [CrossRef]
- Yu, S.Z.; Yu, Y.; Yu, N. Analysis and Comparison of Soft-Start Systems Applied to Belt Conveyors. Appl. Mech. Mater. 2013, 321–324, 1597–1601. [Google Scholar] [CrossRef]
- Ali, M.H. Exploring the Converters in Enhancing Efficiency and Soft Starting in Solar Pv Array Based Water Pumping Systems. Light Eng. 2025, 33, 86–92. [Google Scholar] [CrossRef]
- Kong, M.; Wang, X.; Li, Z.; Nie, P. Asynchronous Operation Characteristics and Soft-starting Method for the Brushless Doubly-fed Motor. IET Electr. Power Appl. 2017, 11, 1276–1283. [Google Scholar] [CrossRef]
- Saponara, S.; Ciarpi, G.; Groza, V.Z. Design and Experimental Measurement of EMI Reduction Techniques for Integrated Switching DC/DC Converters. Can. J. Elect. Comput. Eng. 2017, 40, 116–127. [Google Scholar] [CrossRef]
- Du, X.; Ye, Y.; Wang, Y.; Peng, L.; Zhang, S. Application of Intelligent Soft Start in Asynchronous Motor. In Proceedings of the 6th International Conference on Computer-Aided Design, Manufacturing, Modeling and Simulation (CDMMS 2018), Busan, Republic of Korea, 14–15 April 2018; p. 20044. [Google Scholar]
- Bin Kim, J.; Song, J.H.; Yoo, S.S.; Kim, S.K.; Jung, Y.J.; Pu, Y.G.; Lee, K.Y. Wide Load Range, High Current Accuracy Low Drop-out Regulator with Load Tracking Compensation and Dual Soft-Start for Wireless Charging System. IEEE Access 2025, 13, 125746–125758. [Google Scholar] [CrossRef]
- Cadenas, J.M.; Garrido, M.C.; Martínez-España, R. A Methodology Based on Machine Learning and Soft Computing to Design More Sustainable Agriculture Systems. Sensors 2023, 23, 3038. [Google Scholar] [CrossRef]
- Torchio, R.; Conte, F.; Martin, A.; Bianchi, N.; De Soricellis, M.; Toso, F.; Pase, F.; Scarpa, M.; Filippini, M.; Lurtz, M.; et al. Design and Experimental Validation of a Multiphysics Twin of a High-Voltage EV Motor. IEEE Trans. Transp. Electrif. 2025, 11, 3287–3297. [Google Scholar] [CrossRef]
- Lv, Q.; Zhang, L.; Song, K.; Jiang, R. High Frequency Soft Switching Control Method for SiC Buck-Boost Converter in Dual Source Application. In Proceedings of the 2022 9th International Forum on Electrical Engineering and Automation (IFEEA), Zhuhai, China, 4 November 2022; pp. 853–857. [Google Scholar]
- Abdel Menaem, A.; Elgamal, M.; Abdel-Aty, A.-H.; Mahmoud, E.E.; Chen, Z.; Hassan, M.A. A Proposed ANN-Based Acceleration Control Scheme for Soft Starting Induction Motor. IEEE Access 2021, 9, 4253–4265. [Google Scholar] [CrossRef]
- Newrzella, S.R.; Franklin, D.W.; Haider, S. Methodology for Digital Twin Use Cases: Definition, Prioritization, and Implementation. IEEE Access 2022, 10, 75444–75457. [Google Scholar] [CrossRef]
- Arafat, E.; Ghassemi, M. Influence of Wideband Cable Model for Electric Vehicle Inverter–Motor Connections: A Comparative Analysis. Machines 2025, 13, 189. [Google Scholar] [CrossRef]
- Ji, J.; Miao, C.; Li, X. Cosine-trapezoidal Soft-starting Control Strategy for a Belt Conveyor. Math. Probl. Eng. 2019, 2019, 8164247. [Google Scholar] [CrossRef]
- Zhang, R.; Xu, H.; Wang, Y. A Dynamic Priority Factor Loop for Fast Voltage Equalization Applied to High Power Density DC–DC Converter System. IEEE Trans. Power Electron. 2020, 35, 198–207. [Google Scholar] [CrossRef]
- Mahtani, K.; Guerrero, J.M.; Sánchez, J.A.; Platero, C.A. Improved Soft-Starting Method for Doubly Fed Induction Machines Based on Standstill Rotor-Side Synchronization. Electronics 2024, 14, 48. [Google Scholar] [CrossRef]









| Technology Type | Representative Device | Control Characteristics | Suitable for |
|---|---|---|---|
| Thyristor soft-starter [17] | Thyristor | Phase control, adjusting the conduction angle | Medium- and high-voltage ac motors |
| Magnetically controlled soft-starter [18] | Saturation reactor | Magnetic saturation regulation, closed-loop current | High-voltage, high-power motor |
| Electronic soft-starter [19] | IGBT | Pwm control, multiple modes | Low-voltage precision control |
| Brushless DC control [20] | MOSFET | Communication configuration, multi-mode | Brushless DC motor |
| Feature | Direct-on-Line (DOL) | Star–Delta (Y-Δ) | Autotransformer | Soft-Starter | Variable Frequency Drive (VFD) |
|---|---|---|---|---|---|
| Starting Current | Very High (5–8 Irated) | High (2–3 Irated) | Medium (1.5–3 Irated) | Low/Adjustable (1.5–3 Irated) | Very Low (<1.5 Irated) |
| Torque Control | Uncontrolled (High Shock) | Step Change (Mechanical Shock) | Fixed Steps | Smooth/Linear Ramp | Precise Full Range Control |
| Speed Regulation | None | None | None | None (Startup/Stop Only) | Full Continuous Control |
| Harmonics | Negligible | Negligible | Negligible | Low (Startup Only) | High (Requires Filters) |
| System Cost | Low | Low | Medium | Medium | High |
| Physical Footprint | Small | Medium (2 contactors) | Large (Bulky Transformer) | Compact | Large (Heatsinks Required) |
| Energy Efficiency | High | High | Medium (Heat Loss) | High (Bypass Mode) | Medium (Switching Losses) |
| Typical Application | Small motors (<7.5 kW) | Cost-sensitive HVAC | Old MV Grids | Pumps, Conveyors, and Crushers | Precision Process Control |
| Control Strategy | Complexity | Comparison with Load Variations | Setup | Typical Application Suitability |
|---|---|---|---|---|
| Traditional PID | Low | Poor (Requires re-tuning if J changes) | High (Manual tuning required) | Fixed loads (e.g., ventilation fans) |
| Self-Tuning PID | Medium | Moderate (Slow convergence) | Medium (Auto-tuning phase) | Standard pumps/conveyors |
| I−t Curve ID | Medium | Moderate (Offline/static) | Medium (Needs historical data) | Loads with predictable cycles |
| Proposed (Physics-Assisted CNN + Fuzzy) | High | Excellent (Real-time J estimation) | Low (Self-adaptive) | Complex/variable Loads |
| Examples of Peer Devices | Technical Features | Application Advantages |
|---|---|---|
| Three-phase AC voltage self-bypass motor soft-start control unit | Integrated bypass switch with real-time current detection [37] | Compact structure and easy to assemble and maintain |
| Three-phase brushless DC motor soft-starter | Three configurable soft-start modes | Highly adaptable, stable, and quiet |
| Soft-starter with controllable silicon triggering abnormal protection | Fault detection feedback closed-loop control | Enhance system stability and security |
| High-current soft-start circuit | Segmented current control [38] | Handling sudden load conditions |
| Asynchronous motor soft-start control method and system | Fuzzy control algorithm [39] | Suitable for fan and pump loads |
| Application Sectors | Typical Equipment | Technological Needs | Key Benefits | Applicable Soft-Start Types |
|---|---|---|---|---|
| Power and Energy | Fans, pumps, and compressors | High-voltage, high-power, and grid-compatible | Reduces starting current and protects the grid | High-voltage magnetic control and solid-state soft-start |
| Petrochemical Industry | Process pumps and compressors | Explosion-proof and smooth starting | Avoid water hammer and operate safely | Magnetically controlled and explosion-proof soft-starters |
| Metallurgy and Mining | Crushers and ball mills | Heavy-duty starting and environmental resistance | High torque starting and equipment protection | High-current soft-start and magnetically controlled |
| Water Treatment and Municipal Engineering | Water pumps and ventilators | Anti-surge and energy-saving | Smooth control and energy-saving | Soft-start for pump control |
| Manufacturing and Machinery | Machine tools and conveyor belts | Precision control and low-noise | Reduced shock and increased precision | Electronic and brushless DC control |
| Sector | Technical Pain Points | Prescription | Quantitative Benefits |
|---|---|---|---|
| Power and Energy | Grid shock (>6Irated) | High-voltage solid-state soft-start cabinet | Starting current ↓ 60%, protective relay life ↑ 3 times |
| Petrochemical Industry | Explosion-proof | Magnetic non-contact starting | ATEX-certified, accident rate ↓ 100% |
| Metallurgy and Mining | Heavy-duty mechanical stress | Segmented current control | Ball mill gearbox replacement cycle ↑ 40% |
| Water Treatment and Municipal Engineering | Water hammer damages pipes | Soft stop + closed-loop pressure | Pipeline maintenance costs ↓ 80% |
| Manufacturing and Machinery | Precision equipment shock | Microsecond torque control | CNC machine tool machining accuracy ↑ 22% |
| Case ID | Load Type | Motor Specifications | Control Strategy | Measurement Conditions | Results |
|---|---|---|---|---|---|
| Case 1 | Ball Mill | 10 kV/2500 kW (High-Inertia) | Segmented Current Control | Heavy load start (J = 5000 kg × m2) | Ipeak: Reduced from 6.5 Ie to 2.8 Ie Vibration: Gearbox shock reduced by 40% |
| Case 2 | Centrifugal Pump | 6 kV/800 kW | Voltage Ramp + Soft Stop | Variable flow and closed valve | Pressure: Water hammer effect eliminated Stop Time: Extended from 5 s to 20 s (Linear) |
| Case 3 | Induced Draft Fan | 10 kV/5000 kW | Fuzzy Adaptive Control | Fan inertia fit (J = 1500 kg × m2) | Time: Optimized from 18 s to 12 s Thermal: Winding temp rise ↓ 15 °C |
| Case 4 | Belt Conveyor | 660 V/315 kW | Torque Control | Full load startup | Smoothness: Torque fluctuation (KT) < 5% Slippage: 0 events observed |
| Direction of Development | Technical Characteristic | Potential Advantages | Key Challenges | Representative Companies/Technologies |
|---|---|---|---|---|
| Intelligent Adaptive Control | Machine learning algorithms and automatic parameter optimization [52] | Adapt to complex loads and reduce manual debugging | Algorithm complexity and real-time requirements | CoreMax Multi-Mode Control |
| Wide-Bandwidth Device Applications | SiC/GaN power devices | High efficiency and high-power density | High-cost and complex drive protection | Astronergy Power Electronics |
| System Integration | Multi-functional integration and modular design | Saves space and improves reliability | Thermal management and EMC Issues | Reynolds Bypass-Integrated Design |
| Special Field Applications | Highly reliable and miniaturized design | Expanding into emerging markets | Customization costs and certification requirements | Brushless DC Soft-Start |
| Orientations | Target 2025 | Vision 2030 | Key Supporting Technologies |
|---|---|---|---|
| Intelligent control | Load recognition accuracy > 90% | Autonomous generation of optimal starting curves | Federated learning + digital twins [53] |
| Wide-bandwidth devices [54] | SiC costs down to 2 × silicon-based | 100 kW + all SiC solution popularized | Mass production of 8-inch SiC wafers |
| System integration | Half the cabinet volume | Chip-based soft-start modules | Three-dimensional packaging + liquid-cooled microchannels |
| Special applications | Space capsule prototype validation | Commercial deep space probe | Anti-radiation ASIC chip |
| Environmental standard | Full-life-cycle carbon traceability | Carbon neutral product certification | Blockchain carbon footprint platform |
Disclaimer/Publisher’s Note: The statements, opinions and data contained in all publications are solely those of the individual author(s) and contributor(s) and not of MDPI and/or the editor(s). MDPI and/or the editor(s) disclaim responsibility for any injury to people or property resulting from any ideas, methods, instructions or products referred to in the content. |
© 2026 by the authors. Licensee MDPI, Basel, Switzerland. This article is an open access article distributed under the terms and conditions of the Creative Commons Attribution (CC BY) license.
Share and Cite
Li, P.; Fang, L.; Ji, P.; Li, S.; Li, W. Motor Soft-Start Technology: Intelligent Control, Wide Bandwidth Applications, and Energy Efficiency Optimization. Energies 2026, 19, 603. https://doi.org/10.3390/en19030603
Li P, Fang L, Ji P, Li S, Li W. Motor Soft-Start Technology: Intelligent Control, Wide Bandwidth Applications, and Energy Efficiency Optimization. Energies. 2026; 19(3):603. https://doi.org/10.3390/en19030603
Chicago/Turabian StyleLi, Peng, Li Fang, Pengkun Ji, Shuaiqi Li, and Weibo Li. 2026. "Motor Soft-Start Technology: Intelligent Control, Wide Bandwidth Applications, and Energy Efficiency Optimization" Energies 19, no. 3: 603. https://doi.org/10.3390/en19030603
APA StyleLi, P., Fang, L., Ji, P., Li, S., & Li, W. (2026). Motor Soft-Start Technology: Intelligent Control, Wide Bandwidth Applications, and Energy Efficiency Optimization. Energies, 19(3), 603. https://doi.org/10.3390/en19030603
