Multi-Layer Nonlinear Extended Kalman Filters for Two-Mass Drive System Parameters Identification
Abstract
1. Introduction
2. Two-Mass Model
3. Classical Nonlinear Extended Kalman Filter
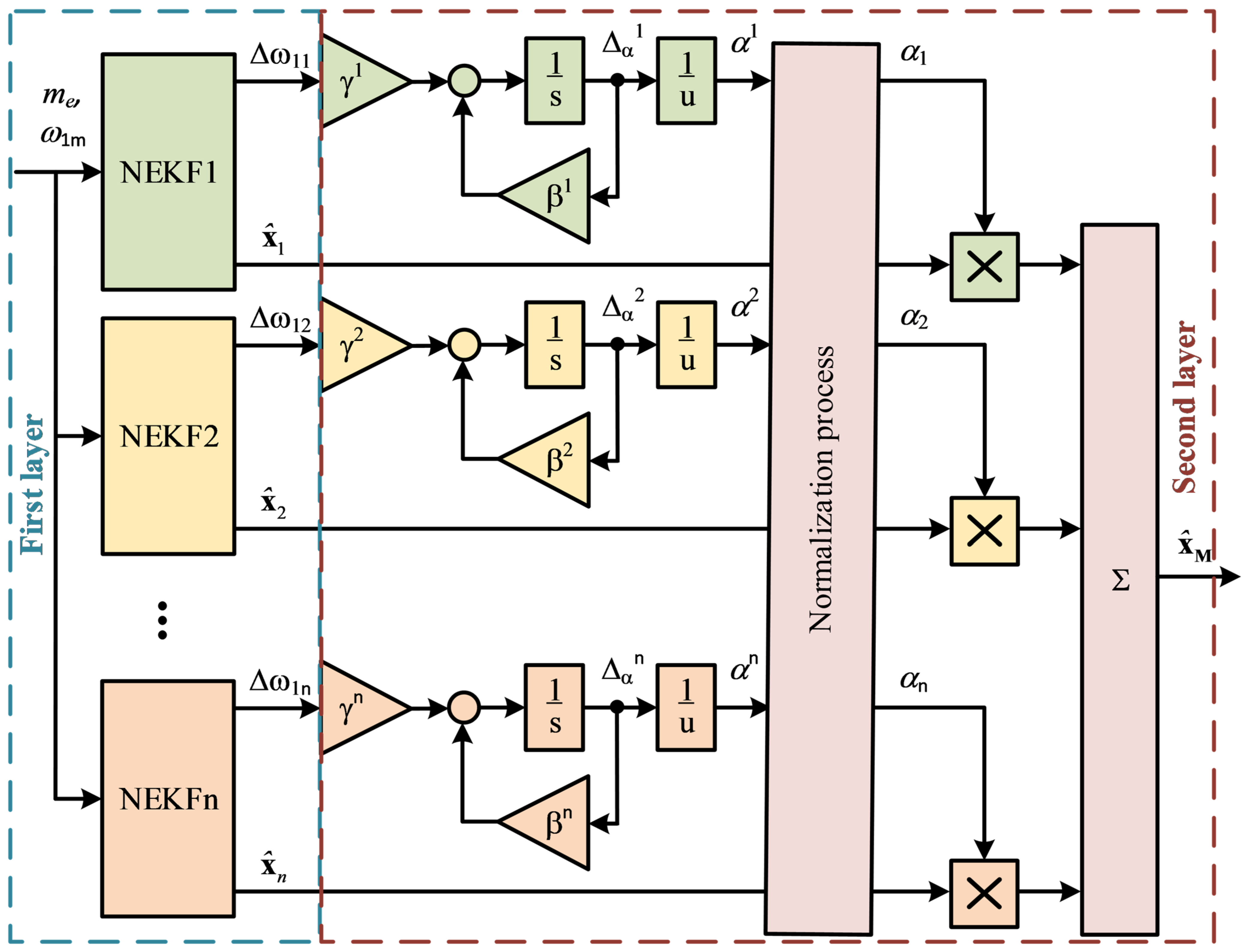
4. Multi-Layer Nonlinear Extended Kalman Filter
5. Simulation Studies
6. Experimental Studies
7. Conclusions
Author Contributions
Funding
Data Availability Statement
Conflicts of Interest
References
- Golnary, F.; Moradi, H. Dynamic modelling and design of various robust sliding mode controls for the wind turbine with estimation of wind speed. Appl. Math. Model. 2019, 65, 566–585. [Google Scholar] [CrossRef]
- Remigius, W.D.; Natarajan, A. Identification of wind turbine main-shaft torsional loads from high-frequency SCADA (supervisory control and data acquisition) measurements using an inverse-problem approach. Wind Energy Sci. 2021, 6, 1401–1412. [Google Scholar] [CrossRef]
- Boukhezzar, B.; Siguerdidjane, H. Nonlinear Control of a Variable-Speed Wind Turbine Using a Two-Mass Model. IEEE Trans. Energy Convers. 2011, 26, 149–162. [Google Scholar] [CrossRef]
- Dhaouadi, R.; Kubo, K.; Tobise, M. Two-degree-of-freedom robust speed controller for high-performance rolling mill drives. IEEE Trans. Ind. Appl. 1993, 29, 919–926. [Google Scholar] [CrossRef]
- Zhang, R.; Tong, C. Torsional Vibration Control of the Main Drive System of a Rolling Mill Based on an Extended State Observer and Linear Quadratic Control. J. Vib. Control 2006, 12, 313–327. [Google Scholar] [CrossRef]
- Gasiyarov, V.R.; Radionov, A.A.; Loginov, B.M.; Zinchenko, M.A.; Gasiyarova, O.A.; Karandaev, A.S.; Khramshin, V.R. Method for Defining Parameters of Electromechanical System Model as Part of Digital Twin of Rolling Mill. J. Manuf. Mater. Process. 2023, 7, 183. [Google Scholar] [CrossRef]
- Wang, L.; Wang, D.; Wu, J. Dynamic performance analysis of parallel manipulators based on two-inertia-system. Mech. Mach. Theory 2019, 137, 237–253. [Google Scholar] [CrossRef]
- Gao, P.; Lou, Y.; Okada, K. Detection and suppression for mechanical resonance in hard disk drives with built-in piezoelectric sensors. In Proceedings of the Smart Structures and Materials 2002: Smart Sensor Technology and Measurement Systems, San Diego, CA, USA, 17–21 March 2002; SPIE: Bellingham, WC, USA; pp. 78–85. [Google Scholar] [CrossRef]
- Szabat, K.; Orlowska-Kowalska, T. Vibration Suppression in a Two-Mass Drive System Using PI Speed Controller and Additional Feedbacks—Comparative Study. IEEE Trans. Ind. Electron. 2007, 54, 1193–1206. [Google Scholar] [CrossRef]
- Bang, J.S.; Shim, H.; Park, S.K.; Seo, J.H. Robust Tracking and Vibration Suppression for a Two-Inertia System by Combining Backstepping Approach with Disturbance Observer. IEEE Trans. Ind. Electron. 2010, 57, 3197–3206. [Google Scholar] [CrossRef]
- Wang, C.; Yang, M.; Zheng, W.; Long, J.; Xu, D. Vibration Suppression with Shaft Torque Limitation Using Explicit MPC-PI Switching Control in Elastic Drive Systems. IEEE Trans. Ind. Electron. 2015, 62, 6855–6867. [Google Scholar] [CrossRef]
- Gorla, A.; Serkies, P. Comparative Study of Analytical Model Predictive Control and State Feedback Control for Active Vibration Suppression of Two-Mass Drive. Actuators 2025, 14, 254. [Google Scholar] [CrossRef]
- Nalepa, R.; Najdek, K.; Wróbel, K.; Szabat, K. Application of D-Decomposition Technique to Selection of Controller Parameters for a Two-Mass Drive System. Energies 2020, 13, 6614. [Google Scholar] [CrossRef]
- Kaczmarczyk, G.; Stanislawski, R.; Kaminski, M. Deep-Learning Techniques Applied for State-Variables Estimation of Two-Mass System. Energies 2025, 18, 568. [Google Scholar] [CrossRef]
- Kaczmarczyk, G.; Stanislawski, R.; Kaminski, M.; Kasprzak, K.; Ferreira, D.D. A neural-enhanced active disturbance load-side speed control of an electric drive with a flexible link. Arch. Electr. Eng. 2025, 74, 269–289. [Google Scholar] [CrossRef]
- Stanislawski, R.; Tapamo, J.-R.; Kaminski, M. Virtual Signal Calculation Using Radial Neural Model Applied in a State Controller of a Two-Mass System. Energies 2023, 16, 5629. [Google Scholar] [CrossRef]
- Serkies, P.; Szabat, K. Estimation of the state variables of the two-mass system using fuzzy Kalman filter. In Proceedings of the 2013 IEEE International Symposium on Industrial Electronics, Taipei, Taiwan, 28–31 May 2013; pp. 1–6. [Google Scholar] [CrossRef]
- Derugo, P. Transfer learning for fuzzy control of two-mass drive system using state variables feedback. In Proceedings of the 2023 10th International Conference on Electrical, Electronic and Computing Engineering (IcETRAN), East Sarajevo, Bosnia and Herzegovina, 5–8 June 2023; pp. 1–6. [Google Scholar] [CrossRef]
- Shang, D.; Li, X.; Yin, M.; Li, F. Vibration Suppression Method Based on PI Fuzzy Controller Containing Disturbance Observe for Dual-flexible Manipulator with an Axially Translating Arm. Int. J. Control Autom. Syst. 2022, 20, 1682–1694. [Google Scholar] [CrossRef]
- Kahsay, A.H.; Derugo, P.; Szabat, K.; Katsura, S. Design of Disturbance Observer-Based Robust Speed Control Structure for Two-Mass Drive System with the Help of Birch Optimization Algorithm. Energies 2025, 18, 1914. [Google Scholar] [CrossRef]
- Ruderman, M.; Iwasaki, M. Combined Luenberger state and disturbance observer for semi-dual loop control of two-mass actuator system. In Proceedings of the 2014 IEEE 13th International Workshop on Advanced Motion Control (AMC), Yokohama, Japan, 14–16 March 2014; pp. 500–505. [Google Scholar] [CrossRef]
- Wang, C.; Liu, J.; Xin, L.; Li, G.; Pan, J. Design of Full-Order State Observer for Two-Mass Joint Servo System Based on the Fixed Gain Filter. IEEE Trans. Power Electron. 2022, 37, 10466–10475. [Google Scholar] [CrossRef]
- Saarakkala, S.E.; Hinkkanen, M. State-Space Speed Control of Two-Mass Mechanical Systems: Analytical Tuning and Experimental Evaluation. IEEE Trans. Ind. Appl. 2014, 50, 3428–3437. [Google Scholar] [CrossRef]
- Wróbel, K.; Dróżdź, K.; Szabat, K. Application of Fuzzy Unscented Kalman Filter for States and Parameter Estimation of Two-Mass Drive. In Proceedings of the 2020 IEEE 29th International Symposium on Industrial Electronics (ISIE), Delft, The Netherlands, 17–19 June 2020; pp. 259–264. [Google Scholar] [CrossRef]
- Yokoyama, M.; Oboe, R.; Shimono, T. Robustness Analysis of Two-Mass System Control Using Acceleration-Aided Kalman Filter. In Proceedings of the IECON 2018—44th Annual Conference of the IEEE Industrial Electronics Society, Washington, DC, USA, 21–23 October 2018; pp. 4600–4605. [Google Scholar] [CrossRef]
- Nevaranta, N.; Derammelaere, S.; Parkkinen, J.; Vervisch, B.; Lindh, T.; Niemela, M.; Pyrhonen, O. Online Identification of a Two-Mass System in Frequency Domain using a Kalman Filter. Model. Identif. Control. 2016, 37, 133–147. [Google Scholar] [CrossRef]
- Bernat, J.; Stepien, S. Multi-modelling as new estimation schema for high-gain observers. Int. J. Control 2015, 88, 1209–1222. [Google Scholar] [CrossRef]
- Bernat, J.; Kołota, J.; Superczyńska, P.; Stępień, S. Multi-layer observer as new structure for state estimation in linear systems. Arch. Electr. Eng. 2017, 66, 507–521. [Google Scholar] [CrossRef]
- Szabat, K.; Wróbel, K.; Śleszycki, K.; Katsura, S. States Estimation of the Two-Mass Drive System Using Multilayer Observer. In Proceedings of the 2021 IEEE 19th International Power Electronics and Motion Control Conference (PEMC), Gliwice, Poland, 25–29 April 2021; pp. 743–748. [Google Scholar] [CrossRef]
- Szabat, K.; Tokarczyk, A.; Wróbel, K.; Katsura, S. Application of the Multi-Layer Observer for a Two-Mass Drive System. In Proceedings of the 2020 IEEE 29th International Symposium on Industrial Electronics (ISIE), Delft, The Netherlands, 17–19 June 2020; pp. 265–270. [Google Scholar] [CrossRef]









| xIMNEKF | γ | β | |
|---|---|---|---|
| xINEKF1 | [0 0 0 0 1/(6.5 × T2N)] | 100,000 | 10 |
| xINEKF2 | [0 0 0 0 1/(0.5 × T2N)] |
| Δω1 [-] | Δω2 [-] | Δms [-] | ΔmL [-] | ΔT2 [-] | |
| MNEKF | 1.35 × 10−3 | 4.37 × 10−3 | 2.48 × 10−2 | 3.61 × 10−2 | 3.30 × 10−2 |
| NEKF1 | 3.20 × 10−3 | 7.78 × 10−3 | 5.53 × 10−2 | 6.61 × 10−2 | 8.27 × 10−2 |
| NEKF2 | 2.90 × 10−3 | 9.88 × 10−3 | 5.80 × 10−2 | 8.05 × 10−2 | 8.27 × 10−2 |
| δω1 [%] | δω2 [%] | δms [%] | δmL [%] | δT2 [%] | |
| MNEKF | 100 | 100 | 100 | 100 | 100 |
| NEKF1 | 236.62 | 178.03 | 223.28 | 183.07 | 250.14 |
| NEKF2 | 214.31 | 226.16 | 233.93 | 223.10 | 250.13 |
| xIMNEKF | γ | β | |
|---|---|---|---|
| xINEKF1 | [0 0 0 0 1/(6.5 × T2N)] | 100,000 | 10 |
| xINEKF2 | [0 0 0 0 1/(0.5 × T2N)] | ||
| xINEKF3 (test 2) | [0 0 0 0 1/(5 × T2N)] | ||
| xINEKF3 (test 3) | [0 0 0 0 1/(2 × T2N)] | ||
| xINEKF3 (test 4) | [0 0 0 0 1/(3.5 × T2N)] |
| Δω1 [-] | Δω2 [-] | Δms [-] | ΔmL [-] | ΔT2 [-] | |
| MNEKF (test 1) | 1.35 × 10−3 | 4.37 × 10−3 | 2.48 × 10−2 | 3.61 × 10−2 | 3.30 × 10−2 |
| MNEKF (test 2) | 1.55 × 10−3 | 4.30 × 10−3 | 2.71 × 10−2 | 3.08 × 10−2 | 2.86 × 10−2 |
| MNEKF (test 3) | 1.46 × 10−3 | 3.91 × 10−3 | 2.61 × 10−2 | 3.23 × 10−2 | 2.27 × 10−2 |
| MNEKF (test 4) | 1.55 × 10−3 | 4.18 × 10−3 | 2.70 × 10−2 | 3.16 × 10−2 | 2.62 × 10−2 |
| δω1 [%] | δω2 [%] | δms [%] | δmL [%] | δT2 [%] | |
| MNEKF (test 1) | 100 | 100 | 100 | 100 | 100 |
| MNEKF (test 2) | 114.65 | 98.47 | 109.31 | 85.38 | 86.50 |
| MNEKF (test 3) | 108.18 | 89.60 | 105.11 | 89.43 | 68.56 |
| MNEKF (test 4) | 114.39 | 95.68 | 109.00 | 87.41 | 79.43 |
| nNEKF | xIMNEKF | nNEKF | xIMNEKF |
|---|---|---|---|
| 2 | [0 0 0 0 1/(6.5 × T2N)] [0 0 0 0 1/(0.5 × T2N)] | 5 | [0 0 0 0 1/(6.5 × T2N)] [0 0 0 0 1/(5 × T2N)] [0 0 0 0 1/(3.5 × T2N)] [0 0 0 0 1/(2 × T2N)] [0 0 0 0 1/(0.5 × T2N)] |
| 3 | [0 0 0 0 1/(6.5 × T2N)] [0 0 0 0 1/(3.5 × T2N)] [0 0 0 0 1/(0.5 × T2N)] | 6 | [0 0 0 0 1/(6.5 × T2N)] [0 0 0 0 1/(5.3 × T2N)] [0 0 0 0 1/(4.1 × T2N)] [0 0 0 0 1/(2.9 × T2N)] [0 0 0 0 1/(1.7 × T2N)] [0 0 0 0 1/(0.5 × T2N)] |
| 4 | [0 0 0 0 1/(6.5 × T2N)] [0 0 0 0 1/(4.5 × T2N)] [0 0 0 0 1/(2.5 × T2N)] [0 0 0 0 1/(0.5 × T2N)] |
| DC Motor | DC Generator | |
|---|---|---|
| Power | 500 W | 400 W |
| Nominal voltage | 220 V | 230 V |
| Nominal armature current | 3.15 A | 3.15 A |
| Nominal excitation current | 0.254 A | 0.254 A |
| Nominal speed | 1450 rpm | 1450 rpm |
| Rotor resistance | 8.05 Ω | 8.05 Ω |
| Rotor inductance | 0.8 H | 0.8 H |
| Moment of inertia | 0.0044 kgm2 | 0.0044 kgm2 |
| Auxiliary poles resistance | 2 Ω | 2 Ω |
| xIMNEKF | γ | β | P | |
|---|---|---|---|---|
| xINEKF1 | [0 0 0 0 1/(5 × T2N)] | 100,000 | 10 | 1 |
| xINEKF2 | [0 0 0 0 1/(3 × T2N)] | |||
| xINEKF3 | [0 0 0 0 1/(1 × T2N)] |
| δω1 [%] | δω2 [%] | |
|---|---|---|
| MNEKF | 100 | 100 |
| NEKF1 | 120.37 | 125.21 |
| NEKF2 | 100.29 | 100.36 |
| NEKF3 | 114.46 | 119.47 |
Disclaimer/Publisher’s Note: The statements, opinions and data contained in all publications are solely those of the individual author(s) and contributor(s) and not of MDPI and/or the editor(s). MDPI and/or the editor(s) disclaim responsibility for any injury to people or property resulting from any ideas, methods, instructions or products referred to in the content. |
© 2025 by the authors. Licensee MDPI, Basel, Switzerland. This article is an open access article distributed under the terms and conditions of the Creative Commons Attribution (CC BY) license.
Share and Cite
Wróbel, K.; Śleszycki, K.K.; Majdański, P. Multi-Layer Nonlinear Extended Kalman Filters for Two-Mass Drive System Parameters Identification. Energies 2026, 19, 28. https://doi.org/10.3390/en19010028
Wróbel K, Śleszycki KK, Majdański P. Multi-Layer Nonlinear Extended Kalman Filters for Two-Mass Drive System Parameters Identification. Energies. 2026; 19(1):28. https://doi.org/10.3390/en19010028
Chicago/Turabian StyleWróbel, Karol, Kacper Krzysztof Śleszycki, and Piotr Majdański. 2026. "Multi-Layer Nonlinear Extended Kalman Filters for Two-Mass Drive System Parameters Identification" Energies 19, no. 1: 28. https://doi.org/10.3390/en19010028
APA StyleWróbel, K., Śleszycki, K. K., & Majdański, P. (2026). Multi-Layer Nonlinear Extended Kalman Filters for Two-Mass Drive System Parameters Identification. Energies, 19(1), 28. https://doi.org/10.3390/en19010028

