Next Article in Journal
Instability Analysis of Two-Phase Flow in Parallel Rectangular Channels for Compact Nuclear Reactors
Previous Article in Journal
Leveraging System Dynamics to Predict the Commercialization Success of Emerging Energy Technologies: Lessons from Wind Energy
 
 
Font Type:
Arial Georgia Verdana
Font Size:
Aa Aa Aa
Line Spacing:
Column Width:
Background:
Article

Impact of Window-Opening Behaviors on Energy Consumption in Primary School Classrooms

by
Zhen Peng
1,
Pei Li
1,
Tong He
1,
Mingli Liu
1,
Haiping Liu
1,
Mingzhe Jiang
1 and
Risheng Zhang
2,*
1
School of Architecture and Urban Planning, Qingdao University of Technology, Qingdao 266033, China
2
Shandong Provincial Architectural Design and Research Institute Co., Ltd., Jinan 250003, China
*
Author to whom correspondence should be addressed.
Energies 2025, 18(8), 2050; https://doi.org/10.3390/en18082050
Submission received: 14 February 2025 / Revised: 13 April 2025 / Accepted: 14 April 2025 / Published: 16 April 2025
(This article belongs to the Section B: Energy and Environment)

Abstract

In the context of global climate warming, the issue of building energy consumption has become increasingly prominent, with a particular focus on energy management in educational buildings. This study investigates the impact of window usage behaviors in primary school classrooms on building energy consumption, aiming to reveal the dynamic relationship between window-opening behaviors and energy consumption, as well as to propose optimization strategies. A case study was conducted at a primary school, where data on door and window behaviors were collected using wireless smart sensors. Combined with indoor and outdoor environmental monitoring and CFD simulations, this study quantified the impact of window-opening behaviors on building energy consumption. The findings revealed that, in summer, window-opening behaviors exhibited a negative correlation with both indoor and outdoor temperature and humidity. Under high-temperature conditions, individuals tend to close windows to reduce heat entry. In contrast, winter window-opening behaviors showed a positive correlation with indoor and outdoor temperatures, although the probability of opening windows decreased once the temperature exceeded a certain threshold. This study also found that during the winter heating period, energy losses caused by opening external windows were substantial, with daily energy losses amounting to 12.83 kWh. Based on the PMV model, this study proposed an optimization strategy for opening specific windows during winter to maintain thermal comfort. This research provides a scientific basis for the energy-saving design of primary school buildings, helping to reduce energy waste while ensuring indoor comfort and promoting the development of low-carbon campuses.

1. Introduction

In the context of global climate change, China has become the world’s largest emitter of greenhouse gases, thus assuming a significant responsibility in carbon reduction efforts [1]. In this context, the building sector, as a major consumer of energy, plays a crucial role in achieving low-carbon development. Currently, energy consumption and related carbon emissions from buildings account for more than 50% of China’s total emissions [2]. Therefore, promoting low-carbon development within the building industry is an essential requirement for achieving carbon reduction goals.
At present, the total floor area of existing buildings in China is approximately 67.7 billion square meters, with residential buildings accounting for around 53.1 billion square meters and public buildings covering approximately 14.7 billion square meters. According to the 2023 Annual Development Report on Building Energy Efficiency in China, although the floor area of public buildings constitutes only one-fifth of the total building stock, its energy consumption intensity is the highest among all building types [3]. Public buildings currently consume 2.4 times the energy of urban residential buildings and 3 times that of rural residential buildings [3].
Public buildings in China can be classified into large-scale public buildings (those larger than 20,000 square meters) and ordinary public buildings (those smaller than 20,000 square meters). Large-scale public buildings primarily include commercial and office complexes. The operational conditions of such buildings are relatively stable, with few or no openable windows. Environmental control inside these buildings mainly relies on active systems, such as central air conditioning, and the activities of occupants are relatively simple (e.g., slow walking and conversations), so energy-saving efforts are primarily focused on the building envelope and heating and cooling systems [4,5,6]. In contrast, ordinary public buildings, such as schools, libraries, and single-office buildings, tend to have more variable usage patterns. This variability arises because they often feature openable windows and accommodate a broader range of activities (e.g., exercise, discussions, and group interactions), which results in more diverse methods of energy transfer. These characteristics are especially prominent in educational buildings, such as kindergartens, primary and secondary schools, and university teaching buildings.
In 2022, the total floor area of school buildings in China was approximately 3.1 billion square meters, accounting for 24% of the total public building stock and 50% of the floor area of ordinary public buildings [7,8]. Between 2001 and 2021, the growth in the floor area of school buildings was the fastest, with the annual completion of school buildings accounting for 20% of the total area of newly completed public buildings [9]. Currently, research on building energy efficiency in China primarily focuses on commercial buildings, office buildings, and residential buildings, with relatively limited studies on the energy consumption levels of educational buildings. Furthermore, some of the existing research mainly targets university teaching buildings [10,11]. According to the available literature, the energy consumption of educational buildings is approximately 50% of that of office and commercial buildings [12,13].
However, it is not reasonable to compare the energy consumption levels of educational buildings to other public buildings using annual averages. This is because educational buildings experience significant downtime during the winter and summer holidays, with about two and a half months each year when the buildings are not in use, leading to a relatively lower annual energy consumption. However, this does not reflect the actual situation. For instance, in southern provinces, such as Zhejiang, Fujian, and Guangdong, air conditioning is typically used from May to October, and after excluding the one and a half months of summer holidays, the air conditioning usage in educational buildings lasts for about three and a half months. In northern regions, the heating period lasts from November to March of the following year, and excluding the one-month winter break, the heating duration for educational buildings is also around three months. When comparing energy consumption based on unit area during the active usage period, the energy consumption level of educational buildings is similar to that of other public buildings, ranging from 50 to 90 kWh/m2 [14,15]. In summer and transitional seasons, the widespread use of active control systems, such as air conditioning and fresh air systems, is relatively low in educational buildings. As a result, many students and teachers rely solely on open windows and electric fans for cooling. Therefore, the relatively lower energy consumption of educational buildings in summer is often a trade-off for indoor comfort.
The occupant density in educational buildings is much higher than that in other types of public buildings. The primary occupants are children and adolescents, who are energetic and characterized by continuous movement, unlike most public buildings where people flow in concentrated patterns. The frequency and duration of the opening of exterior doors in educational buildings far exceed those in other types of ordinary public buildings, making the energy transfer in educational buildings more complex. For example, the continuous movement of people leads to frequent door openings and constant air exchange between indoor and outdoor environments. Additionally, in primary school buildings, children engage in significant physical activities, and collective behaviors (such as group reading and activities) are common. This results in increased heat gain and rising temperatures indoors, which, in the absence of heating adjustments, often leads to the opening and closing of doors and windows.
With the development of the economy and society, there is a growing demand from both parents and schools for improved classroom environments. As a result, more classrooms are being equipped with air conditioners, air purifiers, and fresh air systems. Coupled with the large building stock, high personnel density, continuous movement of people, and substantial indoor temperature fluctuations, it is foreseeable that the energy consumption levels of educational buildings will gradually increase in the future. In conclusion, when designing energy-saving solutions for educational buildings, it is essential to account for a greater number of unstable factors [16,17].
Doors and windows, as essential components of a building’s envelope, have a significant relationship with both indoor thermal comfort and energy consumption through the behavior of building occupants in opening and closing them. For instance, opening exterior windows during indoor heating or summer cooling periods leads to increased building energy consumption. Similarly, the frequent opening of classroom doors, without considering the surrounding micro-environment, can result in cold air infiltration in winter or the escape of cooled air in summer; both of which contribute to higher energy consumption. Existing studies have demonstrated that occupant behavior has a notable impact on building energy consumption [18,19,20,21]. Moreover, when the insulation performance of a building’s envelope reaches a certain level, further increases in insulation thickness or the replacement of high-performance energy-saving doors and windows no longer yield additional energy-saving benefits [22,23]. Instead, adjusting the occupant behavior is the key to unlocking further energy-saving potential in buildings [24]. Therefore, studying the relationship between the opening and closing behaviors of doors and windows in primary and school classrooms, and the energy consumption of educational buildings is essential.
In recent years, numerous scholars have conducted research on window and door-opening behaviors, aiming to explore the influencing factors and predictive models of occupants’ window-opening behaviors. In most of the literature, indoor air quality and comfort are considered the most critical environmental parameters affecting the window-opening/closing status in buildings [25,26,27,28,29]. For instance, Gu et al. [30] identified nine factors that influence users’ window-opening behaviors, including indoor temperature, indoor relative humidity, indoor CO2 concentration, indoor PM2.5 concentration, outdoor relative humidity, outdoor PM2.5 concentration, solar radiation, wind speed, and wind direction. However, outdoor temperature was found to have no significant impact on window-opening behavior. Mori et al. [31] found that the primary factors influencing users’ window-opening behaviors are environmental factors, including temperature, humidity, and air pollution levels. Liu et al. [32] discovered that residents’ window-opening behaviors are mainly related to environmental factors, with the most significant influences being indoor and outdoor temperatures and indoor air quality.
Driven by these factors, users’ window-opening/closing behaviors have a non-negligible impact on building energy consumption [33,34,35]. Opening and closing windows is the most direct and simple means for building occupants to control indoor thermal environments and improve indoor air quality [36]. Wallace et al. [37] found that people still open windows to regulate indoor environments even when air conditioning is in use. Nicol observed that the primary reasons for adjusting windows are related to indoor thermal comfort and air quality, and such user behaviors can significantly increase building energy consumption [33].
Although researchers have explored the factors influencing user behaviors and have clearly established that user behaviors significantly affect building energy consumption, the complexity of these behaviors makes it challenging to accurately quantify the changes in building energy consumption due to user actions. Existing studies primarily rely on collecting user behavior data and establishing predictive models through mathematical calculations. However, these studies face difficulties, such as the amount of time and economic costs associated with data collection, and the reliance on methods like interviews, questionnaires, and scenario simulations, which sometimes result in low data accuracy, leading to predictive models that fail to reflect real situations [38,39].
Consequently, inaccurate descriptions of user behaviors in building performance simulations often result in significant discrepancies between real and simulated outcomes. Eguaras-Martínez et al. [40] found that the difference between considering and ignoring user behaviors in simulations can be as high as 30%. Yousefi et al. [41] observed that different window-opening behavior patterns can lead to energy consumption differences of up to 20%.
A review of the existing research reveals that a significant body of studies, both domestically and internationally, has predominantly focused on user behaviors in residential and office buildings, with limited attention afforded to primary school educational buildings. Furthermore, the existing research has not comprehensively demonstrated the dynamic relationship between user behaviors and building energy consumption. Most studies rely on predictive models of user behaviors to quantify building energy consumption, which often suffer from poor accuracy.
Therefore, this project focuses on primary school buildings, utilizing wireless smart sensors to collect data on window- and door-opening behaviors and employing software simulations to assess corresponding changes in building energy consumption. The findings of this research will not only provide new energy-efficient design solutions for the renovation of existing campus buildings and the construction of new ones but also offer significant potential for broader application in buildings of similar types or with comparable usage characteristics, such as high occupant density, frequent door openings, and diverse indoor heat gains. This holds substantial importance for the development of low-carbon campuses.

2. Research Methods

2.1. Case Study Primary School Building

This study selected a primary school located in Weifang City, Shandong province, China, as a case study (Figure 1). As a standardized example, this school is highly representative among similar buildings. This is primarily due to the fact that educational building designs in the same climate zone strictly adhere to the “Architectural Design Code for Primary and Secondary Schools [42]” as well as local standards for educational facilities. Therefore, aspects such as classroom space, student capacity, and building orientation exhibit a high degree of similarity. Consequently, the research findings based on this case hold reference value for buildings of similar types. The case school has a total building area of 13,000 m2, a building height of 12 m, and consists of four floors, with an E-shaped plan layout. In Figure 1, the green blocks represent the teaching functional areas, while the red blocks denote the administrative offices.
To ensure the feasibility of this study and to maintain a focus on the research objectives, the scope is limited to classrooms in primary schools. Administrative offices and service spaces (e.g., dining halls and gymnasiums) are excluded. Since the measurement devices require internet connectivity for data transmission, classrooms near network signal stations were selected (Figure 2). The selected classroom has an area of approximately 60 m2 and accommodates 45 students, which is consistent with the size, capacity, and layout of other classrooms. While the selected classroom is representative of typical primary school classrooms in terms of size, capacity, and layout, the use of a single case study imposes certain limitations. The findings may be influenced by specific contextual factors, including the classroom’s orientation, floor height, and adjacent spaces. First, the classroom’s south-facing orientation could result in a greater solar heat gain compared to north-facing classrooms, potentially influencing window-opening behaviors and energy consumption patterns. Second, the classroom is situated on the second floor of a four-story building; ground-floor and top-floor classrooms may exhibit different thermal conditions due to ground contact or roof exposure, respectively. Third, the presence of adjacent spaces—such as corridors, stairwells, or neighboring classrooms—could affect airflow and thermal dynamics, which may not be fully accounted for in this study. These factors underscore the need for future research to incorporate a more diverse sample of classrooms with varying orientations, floor levels, and spatial contexts to improve the generalizability of the results. Nonetheless, this study offers valuable insights into the interplay between window-opening behaviors and energy consumption in primary school environments.
The selected classroom features three south-facing parallel sliding windows (each 2 m in length and 2.5 m in width), with a window sill height of 0.9 m. In summer, the classroom lacks cooling equipment and relies primarily on natural ventilation through window openings. In winter, heating is provided by the municipal heating system. The classroom is used from 8:00 a.m. to 11:30 a.m. and from 2:00 p.m. to 5:30 p.m. Although the midday period is officially non-instructional, students typically remain in the classroom for rest.

2.2. Field Measurements Setting

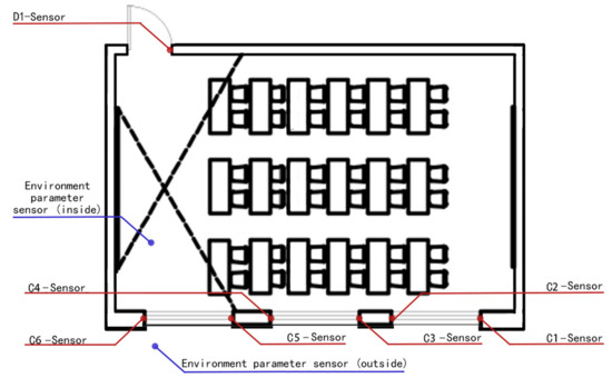
According to the findings from the literature review, the primary factors influencing window- and door-opening behaviors are indoor thermal comfort and air quality. Therefore, this study monitors indoor and outdoor temperature, humidity, PM2.5, PM10, and CO2 concentrations as key indicators. The indoor environmental monitoring is conducted using a composite environmental monitoring instrument, which has been accredited by relevant national authorities for its measurement quality. The instrument is placed on the side of the classroom podium, near a power source and away from windows and the blackboard to avoid interference from external pollution sources and outdoor air. The sampling interval is set to 1 min, with continuous recording over 24 h. Additionally, to accurately record the opening and closing times of doors and windows, magnetic door sensors are installed on the classroom doors and windows. Data collection primarily relies on an integrated monitoring cloud platform. Figure 3 illustrates the sensor layout in the classroom, with windows numbered C1–C6 from east to west. Figure 4 provides a photograph of the sensor installation. The summer measurement period was from 19 June to 10 July 2023, lasting 20 days, while the winter measurement period was from 1 November to 31 December 2023 (with heating commencing on 14 November), lasting 61 days, including 17 days of holidays and weekends. The selection of measurement periods was primarily constrained by the school’s scheduling permissions, which limited the availability of researchers on-site. Although these periods provide representative data for seasonal analysis, this study acknowledges that longer or additional transitional season measurements could further enhance the robustness of the findings. However, the chosen periods align with typical summer and winter conditions in the region, ensuring meaningful comparisons of window-opening behaviors and energy consumption patterns.
In addition to environmental data, the width of window openings plays a significant role in the accuracy of the energy consumption quantification. Therefore, this study conducted an investigation into the width of each window opening during the actual measurements. Due to limitations in technology and equipment resources, the measurement of window opening widths was primarily carried out manually. Measurements were taken for one month during both the summer and winter periods, using a tape measure or ruler. Two measurements were recorded daily, with precision to the nearest 1 cm.

2.3. CFD Simulation

2.3.1. External CFD Simulations

The impact of window-opening behaviors on building energy consumption is particularly significant during the winter and summer seasons. Therefore, this study focuses on window-opening behaviors in these two seasons. The simulation of the outdoor wind environment primarily addresses the wind pressure exerted on the classroom windows during the winter and summer seasons. The simulation software used is VENT (version 2024), which has been certified by Chinese construction authorities. Figure 5 shows the established CFD model. The size of the outdoor simulation domain depends on the distribution of surrounding buildings and the size of the target building. In the horizontal direction, the domain size is 4–6 times the length of the selected case building, while the height is at least 3 times the height of the selected case building. Additionally, the simulation domain must include adjacent buildings within a 500 m range to accurately reflect the impact of surrounding structures on the selected case building. Table 1 presents the domain sizes for both the winter and summer seasons.
The VENT software automatically divides the model into grids. It offers three types of grids: regular grids, ground grids, and boundary layer grids. Regular grids refer to grids located away from the ground and buildings, which do not require special densification. The region near the building is referred to as the near field, while the region far from the building is known as the far field. In the near field, the ground grid needs to be densified, corresponding to a higher subdivision level, whereas in the far field, the ground grid is relatively sparse, with a lower subdivision level. Table 2 indicates the mesh generated by the Vent.
The boundary layer grid is used near the surfaces of the ground and buildings. Due to the inherent viscosity of air, it experiences resistance from the ground or building surfaces. The airflow velocity near the ground or building walls is nearly zero, gradually increasing with distance from these surfaces. This results in a velocity gradient within a specific thickness of the air layer near the ground, which eventually reaches the mainstream velocity. This layer is commonly referred to as the boundary layer or the attached layer. In computational fluid dynamics (CFD) analysis, to capture the airflow characteristics within the boundary layer and improve analysis accuracy, it is advisable to refine the grid in this region, creating boundary layer grids.
The solver model and boundary conditions are consistent in both the winter and summer simulations. The standard k-ε model is used for both cases. The inlet boundary conditions are primarily determined by the dominant wind directions and average wind speeds during the winter and summer seasons. Local meteorological data were analyzed, and the percentage of time for each of the eight wind directions was calculated for both summer and winter, as shown in Table 3. In the summer, the south wind accounted for 36%, and the southeast wind for 24%, with these two directions comprising more than 60% of the total, indicating a significant influence of the south and southeast winds in Weifang City during the summer. In the winter, the west wind accounted for 36%, and the south wind for 27%, indicating that the south and west winds have a more significant impact in the winter. The remaining wind directions each had an average proportion of less than 10%.
To ensure the accuracy and practicality of this study, only the south and southeast winds were selected as the simulated wind directions for the summer, with wind speeds of 3.94 m/s and 3.5 m/s, respectively. For the winter simulation, the west and south winds were chosen as the inlet wind directions, with wind speeds of 3.6 m/s and 2.89 m/s, respectively. The outlet boundary is set as a free outflow. The side and top boundaries are set as slip walls, assuming that the airflow is not influenced by the wall friction, to simulate real outdoor flow conditions. The ground boundary is set as a no-slip wall, meaning the airflow is affected by the ground’s friction, with a surface roughness index of 0.28.

2.3.2. Internal CFD Simulations

The indoor wind environment simulation is primarily used to analyze the impact of the outdoor wind pressure on the building when windows and doors are opened and to quantify the resulting energy consumption in the building. The Vent indoor ventilation calculation module automatically extracts wind pressure values on window and door surfaces from the results of the outdoor wind environment simulation and uses these values as initial boundary conditions for the indoor simulation analysis. The indoor simulation is conducted using the classroom model, with opening positions and sizes specified as boundary conditions. The results of the indoor wind environment simulation typically provide wind speed, pressure, air age distribution, and airflow patterns along specific horizontal or vertical profiles. These indicators are used to assess the indoor wind environment quality. The case study classroom has three windows on the south side, with two operable sashes per window. Since the opening and closing of the door on the north side of the classroom also affect indoor ventilation, the door must also be considered. Including the six operable sashes and one exterior door, there are 128 possible opening and closing combinations. However, the actual combinations of openings and closings need to be determined based on the results of real-time monitoring.

3. Results

3.1. Window and Door Opening/Closing Data

The monitoring period was one month each for both summer and winter. Due to practical limitations, the summer monitoring period was from 19 June to 10 July 2023, with 20 valid days. The winter monitoring period was from 11 November to 31 December 2023, with 61 valid days (including 17 days of holidays and weekends). The primary recorded indicators included the duration and frequency of window openings. It should be noted that this study primarily focuses on windows; however, since the door’s opening can affect the airflow through the window under the same window-opening condition, the classroom door (labeled D1) was also included in the monitoring. Table 4 summarizes the monitoring data for all windows and the door D1.
In the summer, the total opening duration of window C5 was the longest, reaching 302.2 h. Although the opening frequency was only four times, the duration of each opening was relatively long, with an average duration of 75.55 h per opening, indicating that this window was almost fully open throughout the day. Window C1 had the highest frequency of openings, at 19 times, but the total opening duration was shorter, at 95.95 h, with an average daily opening duration of 5.99 h. This suggests that although the window was frequently opened each opening was brief. The maximum opening duration of window C5 reached 194.55 h, indicating that it might remain open for extended periods under certain conditions.
In the winter, window C2 had the longest total opening duration, reaching 311.43 h, while window C6 had the shortest total opening duration, at only 1.72 h, reflecting the lower ventilation demand in winter. Window C4 had the longest average daily opening duration, at 10.84 h, with a maximum opening duration of 334.71 h, suggesting that this window may remain open for extended periods in the winter, which could lead to potential energy wastage.
For both summer and winter, the D1 door had a high frequency of openings, reaching 710 times, indicating that students frequently entered and exited the classroom during winter. Overall, the window opening duration and frequency in the summer were generally higher than in the winter, which aligns with seasonal ventilation demands: more ventilation is needed in the summer for cooling, while less is required in the winter. The higher usage frequency of window C5 in the summer may be related to solar exposure, as the west-facing window likely receives more direct sunlight in the afternoon. Since the classroom does not have air conditioning, more ventilation is needed for cooling, leading to frequent openings. In winter, window C4 had a relatively long opening duration, which requires further analysis in combination with the indoor temperature, humidity, and other comfort variables to determine the reasons for its extended opening.

3.2. Indoor/Outdoor Environment Parameters

During the monitoring period, this study collected environmental variables such as indoor and outdoor temperature, humidity, and PM concentrations. The monitoring instruments recorded data every 5 min, covering the entire day, ensuring comprehensive and continuous data. The raw data collected were statistically analyzed, with the average value of each variable per hour used as a typical value, leading to the determination of representative indoor and outdoor environmental conditions for typical summer and winter days.
Figure 6 and Figure 7 present the summer monitoring results. In the summer, the indoor temperature fluctuated between 24.2 °C and 32.4 °C. During the early morning hours (00:00–06:00), the temperature remained lower, between 24.2 °C and 25.3 °C. As the day progressed, the temperature gradually increased, reaching a peak of 32.4 °C at 14:00 in the afternoon, and then slowly decreased. The indoor relative humidity ranged from 55.8% to 88.1%. The humidity was higher during the early morning, maintaining above 85%, and gradually decreased as the temperature rose, reaching the lowest point of 55.8% at 14:00, before gradually increasing again. The indoor PM2.5 concentration fluctuated between 18 µg/m3 and 35 µg/m3. It was lower during the early morning hours and gradually increased, peaking at 35 µg/m3 at 07:00, before gradually decreasing. The indoor PM10 concentration varied between 20 µg/m3 and 42 µg/m3, following a similar trend to PM2.5, with a peak of 42 µg/m3 at 07:00. The indoor CO2 concentration fluctuated between 413 ppm and 726 ppm. It was lower in the early morning and peaked at 726 ppm at 08:00, gradually decreasing thereafter, maintaining between 400 and 500 ppm.
The outdoor temperature ranged from 20.3 °C to 35.4 °C in the summer, and the outdoor relative humidity fluctuated between 50.1% and 89.8%. The outdoor PM2.5 concentration varied between 16 µg/m3 and 38 µg/m3, while the outdoor PM10 concentration fluctuated between 36 µg/m3 and 62 µg/m3, following a similar trend to PM2.5, with higher concentrations at night.
A comparison of the indoor and outdoor data shows that the indoor temperature followed a similar trend to the outdoor temperature but with less fluctuation, indicating that the building has some thermal insulation properties. The indoor relative humidity was higher during the early morning and decreased as the temperature rose, which was consistent with the outdoor humidity trend; however, the indoor humidity exhibited less fluctuations.
Figure 8 and Figure 9 present the winter monitoring results. According to the monitoring data, the indoor temperature fluctuates significantly throughout the day, ranging from 16.8 °C to 20.1 °C. The lowest temperature occurs between 6:00 and 7:00 a.m., gradually increasing until it reaches its peak around 10:00 a.m., after which it gradually decreases. Relative humidity fluctuates between 28% and 31%, remaining generally stable, with a slight increase between 7:00 and 9:00 a.m., possibly due to increased human activity. Both PM10 and PM2.5 concentrations also exhibit fluctuations throughout the day. PM10 concentrations range from 34 to 54 μg/m3, while PM2.5 concentrations vary between 29 and 48 μg/m3. Higher concentrations are observed in the morning and evening, likely linked to people entering and exiting the space and ventilation conditions. CO2 concentrations fluctuate between 412 and 1001 ppm, with higher concentrations observed between 8:00 a.m. and 3:00 p.m., likely due to increased student activity in the classroom, particularly reaching a peak between 9:00 and 10:00 a.m., suggesting insufficient ventilation during this period.
The outdoor temperature shows a more significant variation, ranging from −6.3 °C to 1.3 °C. The lowest temperature occurs during the early morning hours, gradually rising until it peaks around 3:00 p.m., before decreasing again. Relative humidity fluctuates between 18.4% and 45.6%, generally showing higher humidity in the morning and evening, with lower humidity at noon. Outdoor PM2.5 and PM10 concentrations fluctuate between 25 and 58 μg/m3, with higher concentrations in the morning and evening, likely due to traffic activity and atmospheric inversion phenomena. Overall, the outdoor air quality is better around midday, with lower PM concentrations, while it is more severe in the morning and evening.
There is a certain correlation between indoor and outdoor environmental variables. The trend of the indoor temperature change closely follows that of the outdoor temperature, but with smaller fluctuations, indicating that the building has some insulating effect. In terms of relative humidity, indoor humidity remains relatively stable, while outdoor humidity fluctuates more significantly, especially at noon, when outdoor humidity drops noticeably, while indoor humidity remains stable. Regarding PM concentrations, indoor PM levels are higher in the morning and evening, possibly due to an increase in outdoor PM concentrations, particularly when ventilation is poor, allowing outdoor pollutants to enter the indoor environment. The change in the CO2 concentration is mainly influenced by indoor human activity and ventilation conditions, with a noticeable rise during periods of increased student activity, indicating a need for improved ventilation to enhance the indoor air quality. Overall, the indoor environment is significantly affected by outdoor conditions, particularly with regard to PM concentrations and temperature. Proper ventilation and air purification measures are crucial for maintaining good indoor air quality.

3.3. Outdoor Wind Environment Simulation Results

Figure 10, Figure 11, Figure 12, Figure 13 and Figure 14 present the results of the outdoor wind environment simulation, including wind pressure distribution contours and extracted wind pressure values. Under winter west wind conditions, the wind pressure on windows C5 and C6 is 2.69 Pa, on windows C3 and C4 it is 2.84 Pa, and on windows C1 and C2 it is 2.9 Pa. Under winter south wind conditions, the wind pressure on windows C5 and C6 is 2.64 Pa, on windows C3 and C4 it is 2.61 Pa, and on windows C1 and C2 it is 2.6 Pa. Under summer south wind conditions, the wind pressure is relatively high across all three types of windows, with C5 and C6 at 3.63 Pa, C3 and C4 at 3.61 Pa, and C1 and C2 at 3.61 Pa. Under summer southeast wind conditions, the wind pressure becomes negative, with C5 and C6 at −0.55 Pa, C3 and C4 at −0.47 Pa, and C1 and C2 at −0.39 Pa. Overall, the summer south wind exerts the greatest wind pressure on the window surfaces, while the summer southeast wind results in negative pressure on the surfaces.

3.4. The Results of the Indoor Wind Environment Simulation

Indoor wind environment simulations require the definition of the simulation conditions. As discussed in Section 2.3.2, there are a total of 128 possible opening/closing combinations. However, not all of these combinations were observed during the actual monitoring. Table 5 and Table 6 present the opening/closing combinations that actually occurred in summer and winter, along with the percentage of time each combination was sustained. In the summer, there were 43 distinct combinations, while in the winter there were 19. Given the extensive workload involved in simulations, this study considers only those combinations with a duration percentage greater than 2% for both summer and winter simulation conditions. Therefore, six simulation conditions (S1–S6) were defined for the summer, accounting for 94.25% of the total duration. In the winter, eight simulation conditions (W1–W8) were defined, which account for 97.57% of the total duration.
In the indoor airflow simulation, the width of the open windows needs to be input in order to determine the size of the ventilation openings. Table 7 presents the measurement results of all open window widths. The average open width is used as the width of the ventilation opening in the simulation, while the height is determined based on the actual dimensions of the window.
The simulation results show that under southeast and south wind conditions in summer (Table 8 and Figure 15), the wind speeds through the windows exhibit significant differences. In the S1 condition, the wind speed is relatively low, with window C5 having a wind speed of 0.0421 m/s. In the S2 condition, the wind speed is more noticeable for window C2. In the S3 condition, the wind speeds across all windows and doors are generally higher, particularly for windows C5 and C6. In the S4 condition, the wind speeds for windows C1 and C2 are relatively high, while those for C3 and C4 are lower. In the S5 and S6 conditions, the wind speeds for windows C5 and C6, and door D1, remain at a high level.
When comparing the wind speeds by wind direction, the wind speeds under south wind conditions are generally higher than those under southeast wind conditions in summer. Under southeast wind conditions, the wind speeds for windows C5 and C6 are higher in most scenarios, with the wind speed reaching 0.945 for window C5 in the S3 condition. The wind speed for door D1 in the S5 condition is 0.866. Under south wind conditions, the wind speeds increase significantly, particularly in the S3 condition, where the wind speed for door D1 reaches 2.94, and the wind speeds for windows C5 and C6 are approximately 0.73. Additionally, in the S5 condition, the wind speed for the west door under south wind conditions reaches 2.02, which is significantly higher than the 0.866 observed under southeast wind conditions. Overall, the wind speeds under south wind conditions are stronger, especially for door D1 and windows C5 and C6, where the influence of the south wind is more pronounced.
In winter, wind speeds under different conditions also show variations (Table 9 and Figure 16). In the W1 condition, the wind speed for window C4 is relatively high, with 2.25 m/s under south wind conditions and 2.35 m/s under west wind conditions. In the W2 and W4 conditions, the wind speed for window C2 is significant, with 1.91 m/s and 1.99 m/s under south wind conditions and 1.9 m/s and 1.97 m/s under west wind conditions. In the W3 condition, the wind speeds for windows C2 and C4 are low, with 0.101 m/s and 0.00946 m/s under south wind conditions and 0.207 m/s and 0.276 m/s under west wind conditions. In the W5 and W6 conditions, the wind speeds for window C3 are relatively high, with 2.1 m/s and 2.01 m/s under south wind conditions and 2.17 m/s and 2.1 m/s under west wind conditions. Overall, windows C3 and C4 exhibit higher wind speeds in most conditions, while window C2 shows lower wind speeds in certain conditions.
When comparing by the wind direction, the wind speeds under west wind conditions are generally slightly higher than those under south wind conditions in winter. This is especially evident in the W1, W5, and W6 conditions, where the wind speeds for windows C4 and C3 are slightly higher under west wind conditions than under south wind conditions. For example, in the W1 condition, the wind speed for window C4 is 2.35 m/s under west wind conditions, compared to 2.25 m/s under south wind conditions; in the W5 condition, the wind speed for window C3 is 2.17 m/s under west wind conditions, compared to 2.1 m/s under south wind conditions. Overall, wind speeds under west wind conditions are stronger, particularly for windows C3 and C4, where the influence of the west wind is more pronounced.

4. Quantification of Energy Loss and Analysis of Optimization Strategies

4.1. Quantification of Energy Loss

Based on the principle of heat exchange, this study quantifies the energy loss caused by window openings using environmental monitoring data, CFD simulation results, and window opening records, in conjunction with Equation (1).
Q = C ρ s v t T o u t d o o r T i n d o o r
where Q represents the heat loss value; C is the specific heat capacity of air (1005 J/kg·K); ρ is the air density (kg/m3); v is the air velocity through the external window (m/s); t is the duration of the window opening (s); s is the area of the window opening (m2), which can be calculated based on the open window width data in Table 7 and the actual height of the window; Toutdoor is the outdoor air temperature (°C); and Tindoor is the indoor air temperature (°C).
Since the case study classroom does not have air conditioning, there is no significant cooling energy loss during the summer monitoring period. More accurately, it involves the heat exchange between the interior and exterior of the classroom. According to the literature studies, the operation of air conditioning has a notable impact on the opening and closing of external windows. Therefore, the external window opening data from this study cannot be used to estimate the cooling energy loss. Consequently, this study only quantifies energy loss during the winter heating period.
The energy loss results for the eight external window opening combinations under south and west wind conditions in winter are presented in Table 10. Assuming that only south and west winds occur in winter, and considering their frequency distribution during the winter (Table 3, Section 2.3.1) as well as the number of working days during the heating period (28 days), the total energy loss due to external window openings during the winter heating period is calculated to be 12.83 kWh per day.
Using 12.83 kWh as the reference unit, the winter heating period in the case campus city lasts for 122 days. After deducting weekends and the students’ winter break, the total number of school days is 62. Additionally, the campus has 36 classrooms. Therefore, it can be estimated that the total heat loss due to window openings during the heating period for one classroom and the entire school is 461.88 kWh and 28,636.56 kWh, respectively.

4.2. The Identification of Window Opening Combinations Based on the PMV Model

The current heating method at the case school is centralized municipal heating, and the heating output cannot be independently controlled in each classroom, meaning there is no possibility of adjusting the heating levels. Therefore, this study uses the PMV values under typical operating conditions to identify the window opening combinations that correspond to thermally comfortable states. For the PMV calculation, the clothing index is set to 1.3, the metabolic rate to 1.0, and environmental parameters, such as wind speed and temperature, are derived from the monitoring data. Based on these calculations, the distribution of PMV neutrality (i.e., −0.5 to 0.5) for the various window opening combinations in winter is presented in Table 11.
In winter, the conditions where thermal neutrality values occur are W4, W3, and W2, with the probabilities of thermal neutrality being 79.84%, 20.1%, and 0.07%, respectively. For each typical condition, the average PMV values are calculated as 0.10, 0.29, and 0.08, respectively. Based on the opening conditions of each case, it can be concluded that, during winter, opening the C2 and C4 windows is the most likely behavior to achieve thermal neutrality. Other window-opening behaviors provide neither comfort nor energy savings.
While the PMV model provides a useful framework for assessing thermal comfort, its application to primary school environments has certain limitations. One key limitation is the assumption of standardized metabolic rates and clothing insulation values, which may not fully capture the unique thermal preferences and behaviors of children. Research indicates that children often exhibit higher metabolic rates due to their physical activity levels and smaller body mass compared to adults, which can influence their thermal perception and comfort requirements [43,44]. Additionally, children’s adaptive behaviors, such as frequent movement and less predictable clothing adjustments, may deviate from the PMV model’s assumptions. Studies have also shown that children may prefer slightly cooler environments than adults, further complicating the direct application of PMV-based predictions [45]. To address these limitations, future work could incorporate child-specific metabolic data and adaptive models tailored to educational settings.

5. Discussion

This study focuses on the analysis of window states, which are strictly defined as either On or Off, representing a typical binary classification problem. Therefore, a binary logistic regression model is chosen to analyze the relationship between the window states and environmental variables. The goal of the binary logistic regression model is to predict a binary outcome (typically represented as 0 and 1; in the context of this study, 0 represents the window in the Off state and 1 represents the window in the On state). The model operates through a combination of linear regression and the activation function sigmoid.
Specifically, linear regression is used to model the linear relationship between independent and dependent variables, while the sigmoid function is employed to compress the output of the linear regression into a range between 0 and 1, making it suitable for representing probabilities in a binary classification problem. The sigmoid function changes rapidly as the value of z approaches zero and becomes increasingly flat when z is either much greater than zero or much less than zero. Typically, when the sigmoid function is greater than 0.5, it is considered that the event has occurred, while values below 0.5 are interpreted as the event not occurring. When the sigmoid function exceeds 0.6, the fit is regarded as good, and when the value is above 0.8, the fit is considered very good.
Based on these principles, this study uses Python (version 3.12.0) to conduct the binary logistic regression model analysis, aiming to explore the impact of indoor and outdoor environmental factors on window-opening behavior.

5.1. Correlation Between Summer Environmental Factors and Window-Opening Behaviors

Figure 17 shows the opening probabilities of the windows (C1, C2, C3, C4, C5, and C6) and door (D1) in response to changes in indoor and outdoor temperatures during summer. The fitting accuracy of the curves for each window and door exceeds 0.6, indicating a high prediction accuracy. Particularly, the accuracy for window C5 reaches 0.99 and 1.
The opening probabilities of the windows are negatively correlated with both indoor and outdoor temperatures. As either the indoor or outdoor temperature increases, the opening probability decreases rapidly, indicating that under high-temperature conditions, people tend to close the windows to reduce the heat influx or to maintain indoor coolness. For instance, the opening probabilities for windows C1, C3, C4, and C6 significantly decrease as the temperature rises, while window C5 maintains the lowest opening probability across all temperatures, showing little influence from the outdoor temperature.
Figure 18 shows the fitting relationship between the indoor and outdoor humidity and window opening probabilities. In terms of prediction accuracy, window C5 achieves a high prediction accuracy of one. Window C4 has an accuracy greater than 0.7 but less than 0.8, performing better than windows C1, C2, C3, and C6. The prediction accuracy for other windows is slightly above 0.6, which is within an acceptable range.
It can be observed that the opening probabilities of most windows (C1, C2, C4, and C6) increase as the indoor humidity rises, indicating that people tend to open the windows to reduce humidity and enhance comfort under high-indoor-humidity conditions during summer. Among them, window C4 shows a more pronounced increase in the opening probability with the rise in both indoor and outdoor humidity. Window C5, however, shows a decrease in opening probability as both indoor and outdoor humidity increase. Specifically, when outdoor humidity increases, the probability of opening decreases more rapidly, and when indoor and outdoor humidity exceed 50%, the opening probability becomes almost zero.
Figure 19 illustrates the correlation between indoor and outdoor PM10 levels and the window-opening behavior in summer. In terms of prediction accuracy, the fitting curve for the correlation between the indoor PM10 concentration and window opening probability shows a relatively low accuracy, with only C5 reaching 0.99, while other windows are slightly above 0.6. In contrast, the fitting curve for the correlation between the outdoor PM10 concentration and window opening probability shows a higher accuracy, with C1, C2, C3, C5, and C6 all exceeding 0.9, and only C4 having an accuracy of 0.6, which is still within an acceptable range.
From a correlation perspective, the relationship between the window opening probability and both indoor and outdoor PM10 concentrations follows a consistent pattern. As indoor and outdoor PM10 concentrations increase, the opening probability of windows C1, C2, and C3 decreases. However, the opening probability for C4 and C5 increases. This phenomenon suggests that, in the summer, window opening is less likely to be determined by the indoor and outdoor air quality, with thermal comfort likely playing a more significant role.

5.2. The Correlation Between Environmental Factors and Window-Opening Behavior in Winter

Figure 20 presents the correlation analysis results between the external windows and D1 door with indoor and outdoor temperatures. In terms of prediction accuracy, the accuracy values for windows C1, C3, C5, and C6 are high, ranging from 0.92 to 1. The prediction accuracy for C2 is above 0.8. Only C4 has a slightly lower accuracy, but it remains within an acceptable range.
In terms of correlation, the probability of opening windows C1, C3, C4, C5, and C6 increases with the rise in indoor and outdoor temperatures. The increase in the window opening probability with rising indoor temperatures can be attributed to the influence of indoor comfort. On the other hand, the increase in the window opening probability with rising outdoor temperatures is due to the desire to introduce more ventilation. When both indoor and outdoor temperatures exceed 22 °C, the probability of opening windows reaches its maximum. As the temperature continues to increase, the window opening probability remains stable for a period before beginning to decline. This is likely because the outdoor temperature exceeds the indoor heating temperature (18 °C), leading to overheating indoors, prompting users to close the windows to reduce the influx of outdoor air. However, among all the windows, only C2 shows a steady opening probability of one, which gradually decreases as indoor and outdoor temperatures increase. The specific reasons for this behavior require further investigation.
Figure 21 presents the correlation analysis results between the opening of external windows and the D1 door with the indoor and outdoor humidity. In terms of prediction accuracy, the accuracy for C2 and C4 is slightly below 0.8 but still above 0.6, indicating that the relationship between the window opening probability and humidity remains significant. The prediction accuracy for the other windows is above 0.9, showing a strong correlation.
Regarding the window opening probability, the trend in the correlation between the window opening probability and both indoor and outdoor humidity is generally consistent. The opening probability of windows C1, C3, and C5 increases as indoor and outdoor humidity rises. Among these, C1 shows the most noticeable increase. When the humidity reaches 35%, the opening probability for C1 approaches 1, while C3 and C5 reach approximately 0.95.
The opening probability for C2 decreases gradually with the increasing indoor and outdoor humidity, with a more noticeable decline as the indoor humidity increases. For C4, the opening probability increases with the rising indoor humidity but decreases with the increasing outdoor humidity, exhibiting some uncertainty. C6 shows a stable and high opening probability, approaching one, regardless of changes in the indoor and outdoor humidity.
Figure 22 presents the correlation analysis results between external window and door D1 openings and indoor/outdoor PM concentrations.
In terms of prediction accuracy, most external windows show an accuracy higher than 0.9, indicating a significant correlation. Only C2 and C4 have an accuracy lower than 0.8 but still above 0.6, showing an acceptable prediction accuracy.
Regarding the opening probabilities of external windows, it can be observed that for C1, C2, and C4 the opening probability increases as the indoor PM concentration rises. This is likely due to the desire to open windows to expel indoor pollutants. However, for C2 and C4, the opening probability also increases with the rise in the outdoor PM concentration, while for C1, the opening probability decreases as the outdoor PM concentration increases. The reasons behind these phenomena require further investigation.
For C3 and C5, the opening probability decreases as the indoor PM concentration increases, but increases as the outdoor PM concentration rises. The opening of these two windows is not conducive to maintaining the indoor air quality. This suggests that in practice, the decision to open or close these windows may not primarily depend on air quality, or users may lack awareness of maintaining air quality.
Among all the windows, only C6 maintains an opening probability of one regardless of changes in indoor or outdoor PM concentrations. It can be inferred that the opening of C6 is not determined by air quality, but rather by other factors, such as thermal comfort.

6. Conclusions

This study reveals the complex relationships between window-opening behaviors and various factors, such as the season, temperature, humidity, PM concentration, and wind direction, through a comprehensive analysis of window operation data, indoor and outdoor environmental data, wind environment simulations, and energy loss quantification.
By monitoring door- and window-opening data in both summer and winter, this study found that the duration and frequency of window openings in summer were generally higher than in winter, reflecting the seasonal differences in ventilation needs. The analysis of the indoor and outdoor environmental data indicated that indoor temperatures in summer fluctuate less, and the building has certain thermal insulation properties, while in winter, indoor temperature fluctuations are more significant, and ventilation conditions are insufficient. The outdoor wind environment simulation results showed that under summer south wind conditions, wind speeds were stronger, while in winter, the wind speed under west wind conditions was slightly higher than under south wind conditions, especially for the wind speeds at windows C3 and C4. The indoor wind environment simulation further confirmed the optimization potential of window opening strategies under different seasonal and wind direction conditions, providing crucial support for improving the indoor ventilation effectiveness.
The energy loss quantification results showed significant energy losses due to window openings during the winter heating period, particularly under south and west wind conditions, with a daily energy loss of 12.83 kWh. Through the PMV model analysis, this study found that opening window C2 and window C4 in winter was most likely to achieve thermal neutrality, while other window-opening behaviors neither provided comfort nor energy savings. This finding provides scientific evidence for optimizing heating systems and window opening strategies, helping to reduce energy waste while ensuring thermal comfort.
In summer, the opening probability of the windows was negatively correlated with indoor and outdoor temperatures. In high-temperature conditions, people tended to close windows to reduce heat gain. However, when the indoor humidity increased, the opening probability of most windows rose, indicating that people tended to open windows to reduce humidity under high-humidity conditions. In winter, the probability of window openings increased with indoor and outdoor temperatures, but once the temperature exceeded a certain threshold, the probability of window openings began to decrease. The impact of indoor and outdoor humidity on window-opening behavior was more complex, with different windows exhibiting different trends. Overall, window-opening behavior is not only influenced by environmental factors but also closely related to thermal comfort. A reasonable window opening strategy can reduce energy waste while ensuring indoor comfort.
This study has certain limitations. First, it relies on data from a single classroom, and the measurement period was relatively short due to logistical constraints imposed by the school’s scheduling. While the selected periods (summer and winter) are representative, additional measurements across transitional seasons or longer durations could strengthen the seasonal comparisons and generalizability of the results. Future studies could address this limitation by extending the monitoring timeframe or incorporating data from multiple classrooms. Additionally, when selecting simulation conditions, only wind speeds and directions with higher occurrence rates were considered, and conditions with lower occurrence rates were not included. Second, when recording the wind speeds through windows, simulations were used, and effective monitoring devices were lacking for obtaining more precise data. Furthermore, when quantifying energy loss, only temperature changes were considered, while other factors were not taken into account. Lastly, when analyzing the relationship between environmental factors and window-opening behavior, universally applicable window opening strategies were not identified, and some factors showed contradictory relationships with window openings. These areas need further research in the future.
Despite its limitations, this study establishes a methodological framework for investigating window-opening behaviors in schools across China’s diverse climate zones. The approaches employed—including field measurements with wireless sensors, CFD simulations, and energy loss quantification—are not region-specific and can be replicated in diverse climatic conditions. Future research should encompass a broader range of schools in various climate zones (e.g., severe cold, cold, hot summer and cold winter, and hot summer and warm winter regions) to comprehensively analyze the impact of window-opening behaviors on energy consumption in educational buildings. Such expansion would enhance the generalizability of the findings and support the development of region-specific energy-saving strategies, ultimately contributing to the sustainable design and operation of school buildings nationwide.

Author Contributions

Conceptualization, Z.P. and H.L.; Data curation, T.H., P.L. and M.J.; Funding acquisition, Z.P.; Investigation, M.L., H.L. and M.J.; Methodology, R.Z., M.L., T.H., P.L. and M.J.; Project administration, R.Z. and Z.P.; Resources, H.L. and R.Z.; Software, M.L., T.H. and P.L.; Validation, M.L., T.H. and P.L.; Writing—original draft, Z.P.; Writing—review and editing, Z.P. and P.L. All authors have read and agreed to the published version of the manuscript.

Funding

This research was funded by the Natural Science Foundation of Shandong Province, grant number ZR2022QE280.

Data Availability Statement

The raw data supporting the conclusions of this article will be made available by the authors on request.

Conflicts of Interest

Author Risheng Zhang was employed by Shandong Provincial Architectural Design and Research Institute Co., Ltd. The remaining authors declare that the research was conducted in the absence of any commercial or financial relationships that could be construed as a potential conflict of interest.

References

  1. Zeng, N.; Ding, Y.; Pan, J.; Wang, H.; Gregg, J. Climate change—The Chinese challenge. Science 2008, 319, 730–731. [Google Scholar] [CrossRef]
  2. Peng, Z.; Zhao, S.; Shen, L.; Ma, Y.; Zhang, Q.; Deng, W. Retrofit or rebuild? The future of old residential buildings in urban areas of China based on the analysis of environmental benefits. Int. J. Low-Carbon Technol. 2021, 16, 1422–1434. [Google Scholar]
  3. Tsinghua University Building Energy Research Center. Annual Research Report on China’s Building Energy Efficiency Development 2023 (Urban Energy Systems Special Topic); China Architecture & Building Press: Beijing, China, 2023. [Google Scholar]
  4. Saroglou, T.; Meir, I.A.; Theodosiou, T. Quantifying energy consumption in skyscrapers of various heights. Procedia Environ. Sci. 2017, 38, 314–321. [Google Scholar]
  5. Oldfield, P.; Trabucco, D.; Wood, A. Five energy generations of tall buildings: An historical analysis of energy consumption in high-rise buildings. J. Archit. 2009, 14, 591–613. [Google Scholar]
  6. Lotfabadi, P. High-rise buildings and environmental factors. Renew. Sustain. Energy Rev. 2014, 38, 285–295. [Google Scholar] [CrossRef]
  7. Jiang, Y. (Ed.) Annual Development Research Report on Public Building Energy Efficiency in China 2022; China Construction Industry Press: Beijing, China, 2023; pp. 160–170. [Google Scholar]
  8. He, Y.; Li, G.; Lin, T.; Xu, J.; Zhang, W. Research on building energy consumption and energy-saving potential in universities in Zhejiang Province. Build. Energy Effic. 2022, 50, 12–17, (In Chinese and English). [Google Scholar]
  9. Ministry of Education of China. Statistical Bulletin on the Development of National Education in 2020. 2021. Available online: http://www.moe.gov.cn/jyb_sjzl/sjzl_fztjgb/202108/t20210827_555004.html (accessed on 15 October 2024).
  10. Peng, Z.; Yu, Y.; Guan, R. Demand-Oriented Review of a Dynamic Energy-Loss Monitoring System for Primary School Buildings through Micro-Environmental Data Monitoring and Occupant Behavior Analysis. Buildings 2023, 13, 2694. [Google Scholar] [CrossRef]
  11. Wu, W.; Xu, Q.; Feng, J.; Xu, W.; Zhi, J. Energy Consumption Data Analysis of the Energy Monitoring Platform for Public Buildings in Shanghai in 2020; Shanghai Energy Conservation: Shanghai, China, 2021; pp. 673–678. [Google Scholar]
  12. Xing, J.; Chen, J.; Ling, J. Energy consumption of 270 schools in Tianjin, China. Front. Energy 2015, 9, 217–230. [Google Scholar]
  13. Thewes, A.; Maas, S.; Scholzen, F.; Waldmann, D.; Zürbes, A. Field study on the energy consumption of school buildings in Luxembourg. Energy Build. 2014, 68, 460–470. [Google Scholar] [CrossRef]
  14. Ma, H.; Lai, J.; Li, C.; Yang, F.; Li, Z. Analysis of school building energy consumption in Tianjin, China. Energy Procedia 2019, 158, 3476–3481. [Google Scholar] [CrossRef]
  15. Chung, W.; Yeung, I.M. A study of energy consumption of secondary school buildings in Hong Kong. Energy Build. 2020, 226, 110388. [Google Scholar] [CrossRef]
  16. Pereira, L.D.; Raimondo, D.; Corgnati, S.P.; Da Silva, M.G. Energy consumption in schools–A review paper. Renew. Sustain. Energy Rev. 2014, 40, 911–922. [Google Scholar] [CrossRef]
  17. Alam, M.; Devjani, M.R. Analyzing energy consumption patterns of an educational building through data mining. J. Build. Eng. 2021, 44, 103385. [Google Scholar] [CrossRef]
  18. Zhang, W.; Tan, S.; Lei, Y.; Wang, S. Life cycle assessment of a single-family residential building in Canada: A case study. In Building Simulation; Tsinghua University Press: Beijing, China, 2014; Volume 7, pp. 429–438. [Google Scholar]
  19. Attia, S.; De Herde, A.; Gratia, E.; Hensen, J.L. Achieving informed decision-making for net zero energy buildings design using building performance simulation tools. In Building Simulation; Tsinghua University Press: Beijing, China, 2013; Volume 6, pp. 3–21. [Google Scholar]
  20. Hoes, P.; Hensen, J.L.; Loomans, M.G.; de Vries, B.; Bourgeois, D. User behavior in whole building simulation. Energy Build. 2009, 41, 295–302. [Google Scholar] [CrossRef]
  21. Andersen, R.; Fabi, V.; Toftum, J.; Corgnati, S.P.; Olesen, B.W. Window opening behaviour modelled from measurements in Danish dwellings. Build. Environ. 2013, 69, 101–113. [Google Scholar] [CrossRef]
  22. Braulio-Gonzalo, M.; Bovea, M.D. Environmental and cost performance of building’s envelope insulation materials to reduce energy demand: Thickness optimisation. Energy Build. 2017, 150, 527–545. [Google Scholar] [CrossRef]
  23. Masoso, O.T.; Grobler, L.J. A new and innovative look at anti-insulation behaviour in building energy consumption. Energy Build. 2008, 40, 1889–1894. [Google Scholar] [CrossRef]
  24. Lamberts, R.; Hensen, J.L. (Eds.) Building Performance Simulation for Design and Operation; Spoon Press: New York, NY, USA, 2011. [Google Scholar]
  25. Rouleau, J.; Gosselin, L. Probabilistic window opening model considering occupant behavior diversity: A data-driven case study of Canadian residential buildings. Energy 2020, 195, 116981. [Google Scholar] [CrossRef]
  26. Shi, S.; Zhao, B. Occupants’ interactions with windows in 8 residential apartments in Beijing and Nanjing, China. In Building Simulation; Tsinghua University Press: Beijing, China, 2016; Volume 9, pp. 221–231. [Google Scholar]
  27. Yao, M.; Zhao, B. Window opening behavior of occupants in residential buildings in Beijing. Build. Environ. 2017, 124, 441–449. [Google Scholar] [CrossRef]
  28. Mo, H.; Sun, H.; Liu, J.; Wei, S. Developing window behavior models for residential buildings using XGBoost algorithm. Energy Build. 2019, 205, 109564. [Google Scholar] [CrossRef]
  29. Jeong, B.; Jeong, J.W.; Park, J.S. Occupant behavior regarding the manual control of windows in residential buildings. Energy Build. 2016, 127, 206–216. [Google Scholar] [CrossRef]
  30. Gu, Y.; Cui, T.; Liu, Y.; Pan, S.; Liu, K.; Yang, F.; Park, Y. Analysis of the window opening behavior characteristics and influencing factors during the transitional season in an office building in Xi’an. Build. Sci. 2020, 36, 62–73. [Google Scholar]
  31. Mori, H.; Kubota, T.; Antaryama, I.G.N.; Ekasiwi, S.N.N. Analysis of window-opening patterns and air conditioning usage of urban residences in tropical southeast Asia. Sustainability 2020, 12, 10650. [Google Scholar] [CrossRef]
  32. Liu, Y.; Wang, X.; Cui, Y.; Wei, S.; Pan, S. A study on the summer window opening behavior of residents in residential buildings in summer-hot and winter-cold regions: Field measurement and modeling. J. West. Hum. Settl. Environ. 2021, 36, 15–23. [Google Scholar]
  33. Nicol, J.F. Characterising occupant behaviour in buildings: Towards a stochastic model of occupant use of windows, lights, blinds, heaters and fans. In Proceedings of the Seventh International IBPSA Conference, Rio de Janeiro, Brazil, 13–15 August 2001; Volume 2, pp. 1073–1078. [Google Scholar]
  34. Santin, O.G.; Itard, L.; Visscher, H. The effect of occupancy and building characteristics on energy use for space and water heating in Dutch residential stock. Energy Build. 2009, 41, 1223–1232. [Google Scholar] [CrossRef]
  35. Herkel, S.; Knapp, U.; Pfafferott, J. Towards a model of user behaviour regarding the manual control of windows in office buildings. Build. Environ. 2008, 43, 588–600. [Google Scholar] [CrossRef]
  36. Wang, L.; Greenberg, S. Window operation and impacts on building energy consumption. Energy Build. 2015, 92, 313–321. [Google Scholar] [CrossRef]
  37. Wallace, L.A.; Emmerich, S.J.; Howard-Reed, C. Continuous measurements of air change rates in an occupied house for 1 year: The effect of temperature, wind, fans, and windows. J. Expo. Sci. Environ. Epidemiol. 2002, 12, 296–306. [Google Scholar] [CrossRef]
  38. International Energy Agency, EBC Annex 66. Definition and Simulation of Occupant Behavior in Buildings. Technical Report. 2022. Available online: http://www.annex66.org/ (accessed on 10 June 2024).
  39. Schakib-Ekbatan, K.; Cakıcı, F.Z.; Schweiker, M.; Wagner, A. Does the occupant behavior match the energy concept of the building?–Analysis of a German naturally ventilated office building. Build. Environ. 2015, 84, 142–150. [Google Scholar] [CrossRef]
  40. Eguaras-Martínez, M.; Vidaurre-Arbizu, M.; Martín-Gómez, C. Simulation and evaluation of building information modeling in a real pilot site. Appl. Energy 2014, 114, 475–484. [Google Scholar] [CrossRef]
  41. Yousefi, F.; Gholipour, Y.; Yan, W. A study of the impact of occupant behaviors on energy performance of building envelopes using occupants’ data. Energy Build. 2017, 148, 182–198. [Google Scholar] [CrossRef]
  42. GB 50099-2011; Design Code for Primary and Secondary School Buildings. Ministry of Housing and Urban-Rural Development of the People’s Republic of China: Beijing, China, 2011.
  43. Lala, B.; Hagishima, A. A review of thermal comfort in primary schools and future challenges in machine learning based prediction for children. Buildings 2022, 12, 2007. [Google Scholar] [CrossRef]
  44. Yang, B.; Olofsson, T.; Wang, F.; Lu, W. Thermal comfort in primary school classrooms: A case study under subarctic climate area of Sweden. Build. Environ. 2018, 135, 237–245. [Google Scholar] [CrossRef]
  45. Zhang, G.; Zheng, C.; Yang, W.; Zhang, Q.; Moschandreas, D.J. Thermal comfort investigation of naturally ventilated classrooms in a subtropical region. Indoor Built Environ. 2007, 16, 148–158. [Google Scholar] [CrossRef]
Figure 1. Location of case study primary school building and its floor layout.
Figure 1. Location of case study primary school building and its floor layout.
Energies 18 02050 g001
Figure 2. The corridor view (left) and the interior view of the selected classroom (right).
Figure 2. The corridor view (left) and the interior view of the selected classroom (right).
Energies 18 02050 g002
Figure 3. Positions of sensors in the selected classroom.
Figure 3. Positions of sensors in the selected classroom.
Energies 18 02050 g003
Figure 4. Photographs of the window sensors.
Figure 4. Photographs of the window sensors.
Energies 18 02050 g004
Figure 5. Established model for external CFD simulation.
Figure 5. Established model for external CFD simulation.
Energies 18 02050 g005
Figure 6. Indoor and outdoor measurement results of temperature and relative humidity during the summer.
Figure 6. Indoor and outdoor measurement results of temperature and relative humidity during the summer.
Energies 18 02050 g006
Figure 7. Indoor and outdoor measurement results of PM2.5, PM10, and CO2 concentrations during the summer.
Figure 7. Indoor and outdoor measurement results of PM2.5, PM10, and CO2 concentrations during the summer.
Energies 18 02050 g007
Figure 8. Indoor and outdoor measurement results of temperature and RH during the winter.
Figure 8. Indoor and outdoor measurement results of temperature and RH during the winter.
Energies 18 02050 g008
Figure 9. Indoor and outdoor measurement results of PM and CO2 concentrations during the winter.
Figure 9. Indoor and outdoor measurement results of PM and CO2 concentrations during the winter.
Energies 18 02050 g009
Figure 10. Outdoor wind pressure distribution map under southeast wind conditions in summer.
Figure 10. Outdoor wind pressure distribution map under southeast wind conditions in summer.
Energies 18 02050 g010
Figure 11. Outdoor wind pressure distribution map under south wind conditions in summer.
Figure 11. Outdoor wind pressure distribution map under south wind conditions in summer.
Energies 18 02050 g011
Figure 12. Outdoor wind pressure distribution map under south wind conditions in winter.
Figure 12. Outdoor wind pressure distribution map under south wind conditions in winter.
Energies 18 02050 g012
Figure 13. Outdoor wind pressure distribution map under west wind conditions in winter.
Figure 13. Outdoor wind pressure distribution map under west wind conditions in winter.
Energies 18 02050 g013
Figure 14. Results of external wind environment simulation.
Figure 14. Results of external wind environment simulation.
Energies 18 02050 g014
Figure 15. Simulation results of the internal wind environment in summer.
Figure 15. Simulation results of the internal wind environment in summer.
Energies 18 02050 g015
Figure 16. Simulation results of the internal wind environment in winter.
Figure 16. Simulation results of the internal wind environment in winter.
Energies 18 02050 g016
Figure 17. Fitting graph of indoor and outdoor temperature and window opening probability in summer.
Figure 17. Fitting graph of indoor and outdoor temperature and window opening probability in summer.
Energies 18 02050 g017
Figure 18. Fitting graph of indoor and outdoor humidity and window opening probability in summer.
Figure 18. Fitting graph of indoor and outdoor humidity and window opening probability in summer.
Energies 18 02050 g018
Figure 19. Summer indoor and outdoor PM concentration vs. window opening probability fitting chart.
Figure 19. Summer indoor and outdoor PM concentration vs. window opening probability fitting chart.
Energies 18 02050 g019
Figure 20. Correlation analysis between window opening and indoor/outdoor temperatures.
Figure 20. Correlation analysis between window opening and indoor/outdoor temperatures.
Energies 18 02050 g020
Figure 21. Correlation analysis between external window opening and indoor/outdoor humidity.
Figure 21. Correlation analysis between external window opening and indoor/outdoor humidity.
Energies 18 02050 g021
Figure 22. The correlation analysis of external window openings with indoor and outdoor PM concentrations.
Figure 22. The correlation analysis of external window openings with indoor and outdoor PM concentrations.
Energies 18 02050 g022
Table 1. Domain size of external simulation.
Table 1. Domain size of external simulation.
OrientationWinterSummer
The length of the domain (m)1034750
The width of the domain (m)878817
The height of the domain (m)160133
Table 2. Meshes used for simulations.
Table 2. Meshes used for simulations.
Type of GridsSize of MeshesNumber of Cells
WinterSummer
Regular gridsArc Precision (m)0.242,592,37723,377,463
Initial grid (m)8.0
The smallest subdivision level1
The largest subdivision level2
Ground gridsThe subdivision levels in far field1
The subdivision levels in near field2
Boundary layer gridsThe number of boundary layers that are close to the surfaces of the ground2
The number of boundary layers that are close to the surfaces of buildings0
Table 3. Wind speed distribution by direction.
Table 3. Wind speed distribution by direction.
SummerWinterSummerWinter
Eight Wind DirectionsAverage Wind Speed (m/s)Percentage of Wind Speed (%)
Northeast2.572.685.122.26
East2.522.1911.865.03
Southeast3.542.6024.439.02
South3.942.8935.8427.44
Southwest3.212.531.924.45
West2.643.607.2135.55
Northwest3.044.993.136.61
North2.973.7110.489.65
Table 4. Measurement results of window and door opening and closing.
Table 4. Measurement results of window and door opening and closing.
Total
Duration
(s)
Total Number of Window OpeningsAverage Daily FrequencyAverage Daily
Duration
(s)
Average
Duration per Opening
(s)
Maximum
(s)
Minimum
(s)
SummerC1345,405191.1921,587.8118,179.2141,2822
C2587,675131.0045,205.7745,205.77298,8712
C3402,059161.0025,128.6925,128.6941,2482
C4344,160130.8121,510.0026,473.8538,9404440
C51,087,92040.2463,995.29271,980.00700,38041,280
C6403,402150.9425,212.6326,893.4741,23012
WinterC179,25630.123170.2426,418.6778,77660
C21,121,15160.1935,035.97186,858.5717,178180
C3307,93280.218103.47438,491.5159,91860
C41,209,84250.1639,027.16241,968.41,204,96160
C5351,12040.1513,004.4487,780345,90060
C6617540.17257.29171543.75459052
D11,281,10071012.4622,475.441804.366316,5001
Table 5. Window and door opening/closing combinations and their duration proportions in summer.
Table 5. Window and door opening/closing combinations and their duration proportions in summer.
C1C2C3C4C5C6D1Total Duration (s)ScenariosProportions of Scenarios
OffOffOffOffOnOffOff639,513S151.19%
OffOnOffOffOffOffOn216,208S217.31%
OnOnOnOnOnOnOn192,266S315.39%
OnOnOnOnOnOnOff51,029S44.08%
OnOnOnOffOnOnOn49,190S53.94%
OffOnOnOnOnOnOn29,251S62.34%
OffOnOnOnOnOnOff10,387 0.83%
OffOnOffOffOffOnOn9903 0.79%
OffOnOffOffOffOffOff7167 0.57%
OnOnOnOnOffOnOn4441 0.36%
OffOffOnOffOnOffOff4287 0.34%
OffOffOffOffOnOffOn3760 0.30%
OnOnOnOnOffOnOff3653 0.29%
OnOnOnOnOnOffOn3005 0.24%
OffOffOnOnOnOnOff2880 0.23%
OffOffOnOnOnOnOn2640 0.21%
OnOnOnOffOnOnOff2456 0.20%
OffOnOnOnOffOnOff2348 0.19%
OffOffOnOnOnOffOn1968 0.16%
OffOnOnOnOffOnOn1834 0.15%
OnOffOnOffOnOffOff1302 0.10%
OffOnOffOffOnOnOff984 0.08%
OnOnOffOffOffOnOn968 0.08%
OffOffOffOffOffOffOn949 0.08%
OffOffOnOffOnOnOff720 0.06%
OffOffOffOffOnOnOff683 0.05%
OffOffOffOffOnOnOn659 0.05%
OnOffOnOnOnOffOn606 0.05%
OffOffOnOnOnOffOff553 0.04%
OffOffOffOnOnOnOn553 0.04%
OffOnOffOffOnOnOn460 0.04%
OnOffOnOnOnOffOff370 0.03%
OffOnOffOffOnOffOff336 0.03%
OnOnOffOffOnOnOff232 0.02%
OffOffOnOffOnOnOn221 0.02%
OnOnOnOnOnOffOff200 0.02%
OffOffOnOffOnOffOn190 0.02%
OnOffOnOffOnOnOff151 0.01%
OnOffOnOnOnOnOn124 0.01%
OffOffOnOnOffOffOn124 0.01%
OffOffOnOnOffOnOn120 0.01%
OnOnOffOffOnOnOn115 0.01%
OffOnOnOffOnOnOn81 0.01%
Table 6. Window and door opening/closing combinations and their duration proportions in winter.
Table 6. Window and door opening/closing combinations and their duration proportions in winter.
C1C2C3C4C5C6D1Total Duration (s)ScenariosProportions of Scenarios
OffOffOffOnOffOffOff752,641W136.06%
OffOnOffOffOffOffOn406,607W219.48%
OffOnOffOnOffOffOn323,623W315.51%
OffOnOffOffOffOffOff309,038W414.81%
OffOffOnOffOffOffOff78,280W53.75%
OffOffOnOffOffOffOn64,096W63.07%
OnOnOffOnOffOffOff52,707W72.53%
OffOffOffOnOffOffOn49,318W82.36%
OffOnOffOnOffOffOff17,776 0.85%
OnOffOffOffOffOffOn14,546 0.70%
OnOnOffOnOffOffOn4442 0.21%
OnOnOnOnOffOnOn4181 0.20%
OffOffOffOnOnOffOn4016 0.19%
OnOffOffOffOffOffOff2473 0.12%
OffOffOffOffOffOnOff1444 0.07%
OffOnOffOffOnOffOff599 0.03%
OffOffOffOnOnOffOff543 0.03%
OnOnOnOnOffOnOff338 0.02%
OffOnOnOffOffOffOn117 0.01%
Table 7. Measurement results of external window opening widths.
Table 7. Measurement results of external window opening widths.
External WindowsMinimum Opening Width
(cm)
Maximum Opening Width
(cm)
Average
(cm)
C110 cm50 cm22
C25 cm50 cm18
C38 cm50 cm18
C45 cm50 cm25
C513 cm50 cm24
C610 cm50 cm31
Table 8. The simulation results of wind speeds through external windows under different opening combinations in summer.
Table 8. The simulation results of wind speeds through external windows under different opening combinations in summer.
C1C2C3C4C5C6D1ScenariosProportion of
Scenarios
Southeast wind in summer
OffOffOffOff0.04OffOffS151.19%
Off0.017OffOffOffOff0S217.31%
0.180.180.470.470.950.950.77S315.39%
0.670.830.150.150.60.6OffS44.08%
0.300.180.41Off0.830.830.87S53.94%
Off0.120.350.240.830.890.83S62.34%
OffOffOffOff0.02OffOffS151.19%
South wind in summer
Off0.02OffOffOffOff0.05S217.31%
0.550.550.730.730.730.732.94S315.39%
0.450.410.2550.2470.660.66OffS44.08%
0.370.370.73Off0.550.552.02S53.94%
Off0.430.260.260.370.370S62.34%
Table 9. The simulation results of wind speeds through external windows under different opening combinations in winter.
Table 9. The simulation results of wind speeds through external windows under different opening combinations in winter.
C1C2C3C4C5C6D1ScenariosProportion of
Scenarios
South wind in winter
OffOffOff2.25OffOffOffW136.06%
Off1.91OffOffOffOff0.04W219.48%
Off0.101Off0.01OffOff0.05W315.51%
Off1.99OffOffOffOffOffW414.81%
OffOff2.1OffOffOffOffW53.75%
OffOff2.01OffOffOff1.13W63.07%
0.050.05Off1.13OffOffOffW72.53%
OffOffOff1.93OffOff0.02W82.36%
West wind in winter
OffOffOff2.35OffOffOffW136.06%
Off1.9OffOffOffOff1.13W219.48%
Off0.207Off0.28OffOff0.03W315.51%
Off1.97OffOffOffOffOffW414.81%
OffOff2.17OffOffOffOffW53.75%
OffOff2.1OffOffOff1.18W63.07%
0.120.12Off0.33OffOffOffW72.53%
OffOffOff2.01OffOff0.05W82.36%
Table 10. Heat loss results due to external window openings in winter.
Table 10. Heat loss results due to external window openings in winter.
South Wind in WinterWest Wind in Winter
Heat Loss
(kw·h)
Heat Loss Per Unit Time (J)Heat Loss
(kw·h)
Heat Loss Per Unit Time (J)
W18.51580.981.88128.42
W2167.531483.95166.651476.19
W39.42107.2339.72451.93
W4146.091701.84144.631684.72
W535.351625.5336.511679.72
W622.861283.1923.861340.63
W78.51580.981.88128.42
W827.702022.1928.862106.00
Total Heat Loss425.959385.84444.008996.02
Duration Proportions of South Wind in Winter27.44%/(27.44 + 35.55)% = 44%
Duration Proportions of West Wind in Winter35.55%/(27.44 + 35.55)% = 56%
Total Energy Loss During the Monitoring Period425.95 × 44% + 444 × 56% = 436.06 kWh
Daily Energy Loss During the Monitoring Period12.83 kWh
Table 11. The PMV calculation results for the classroom in winter.
Table 11. The PMV calculation results for the classroom in winter.
Total
Duration
Effective
Duration
Distribution of PMV NeutralityProportion of Duration with Neutral Thermal ComfortAverage Value of PMV
W1752,64152,707---
W2406,607406,42731,99020.10%0.29
W3323,623316,3631070.07%0.08
W4309,038309,038127,08479.84%0.10
W578,28078,280---
W664,09664,096---
W752,70752,707---
W849,31849,318---
Disclaimer/Publisher’s Note: The statements, opinions and data contained in all publications are solely those of the individual author(s) and contributor(s) and not of MDPI and/or the editor(s). MDPI and/or the editor(s) disclaim responsibility for any injury to people or property resulting from any ideas, methods, instructions or products referred to in the content.

Share and Cite

MDPI and ACS Style

Peng, Z.; Li, P.; He, T.; Liu, M.; Liu, H.; Jiang, M.; Zhang, R. Impact of Window-Opening Behaviors on Energy Consumption in Primary School Classrooms. Energies 2025, 18, 2050. https://doi.org/10.3390/en18082050

AMA Style

Peng Z, Li P, He T, Liu M, Liu H, Jiang M, Zhang R. Impact of Window-Opening Behaviors on Energy Consumption in Primary School Classrooms. Energies. 2025; 18(8):2050. https://doi.org/10.3390/en18082050

Chicago/Turabian Style

Peng, Zhen, Pei Li, Tong He, Mingli Liu, Haiping Liu, Mingzhe Jiang, and Risheng Zhang. 2025. "Impact of Window-Opening Behaviors on Energy Consumption in Primary School Classrooms" Energies 18, no. 8: 2050. https://doi.org/10.3390/en18082050

APA Style

Peng, Z., Li, P., He, T., Liu, M., Liu, H., Jiang, M., & Zhang, R. (2025). Impact of Window-Opening Behaviors on Energy Consumption in Primary School Classrooms. Energies, 18(8), 2050. https://doi.org/10.3390/en18082050

Note that from the first issue of 2016, this journal uses article numbers instead of page numbers. See further details here.

Article Metrics

Back to TopTop