Optimal Selection of Extensively Used Non-Isolated DC–DC Converters for Solar PV Applications: A Review
Abstract
1. Introduction
2. System Configuration
2.1. Solar PV Array
2.2. Maximum Power Point Tracker (MPPT)
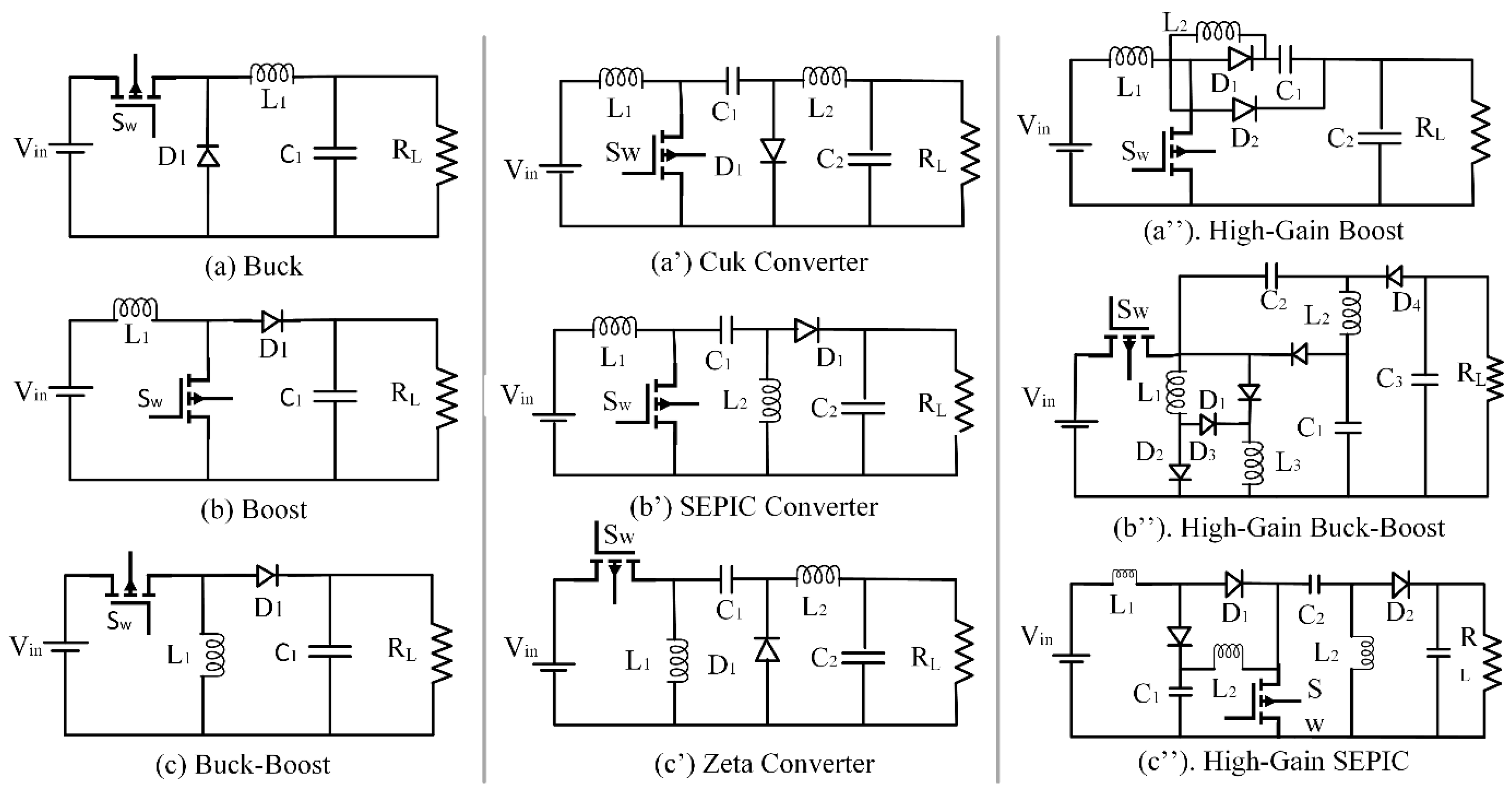
2.3. Non-Isolated DC–DC Converters
2.3.1. Conventional Non-Isolated DC–DC Converter
2.3.2. Hybrid Non-Isolated DC–DC Converters
2.3.3. High-Gain DC–DC Converter
3. Performance Analysis for Optimal Selection of the Converter
3.1. Conventional and Hybrid DC–DC Converter
3.2. High-Gain DC–DC Converters
4. Conclusions
Author Contributions
Funding
Data Availability Statement
Conflicts of Interest
References
- Amin, M.A.; Suleman, A.; Waseem, M.; Iqbal, T.; Aziz, S.; Faiz, M.T.; Zulfiqar, L.; Saleh, A.M. Renewable Energy Maximization for Pelagic Islands Network of Microgrids Through Battery Swapping Using Deep Reinforcement Learning. IEEE Access 2023, 11, 86196–86213. [Google Scholar] [CrossRef]
- Wang, Z.; Madawala, U.K. Modelling and analysis of grid integrated TSCAOI generators for renewable distributed generation systems. CPSS Trans. Power Electron. Appl. 2020, 5, 372–387. [Google Scholar] [CrossRef]
- Ashique, R.H.; Shihavuddin, A.S.M.; Khan, M.M.; Islam, A.; Ahmed, J.; Arif, M.S.B.; Maruf, M.H.; Al Mansur, A.; Haq, M.A.u.; Siddiquee, A. An Analysis and Modeling of the Class-E Inverter for ZVS/ZVDS at Any Duty Ratio with High Input Ripple Current. Electronics 2021, 10, 1312. [Google Scholar] [CrossRef]
- Ado, M.; BinArif, M.S.; Jusoh, A.; Mutawakkil, A.U.; Danmallam, I.M. Buck-boost converter with simple gate control for renewable energy applications. Energy Sources Part A Recovery Util. Environ. Eff. 2024, 46, 17021–17033. [Google Scholar] [CrossRef]
- Mohammad, K.; Ahad, A.; bin Arif, M.S.; Ashique, R.H. Critical Analysis and Performance Evaluation of Solar PV-System Implementing Non-Isolated DC-DC Converters. In Proceedings of the 2021 3rd International Conference on Sustainable Technologies for Industry 4.0 (STI), Dhaka, Bangladesh, 18–19 December 2021; pp. 1–6. [Google Scholar] [CrossRef]
- Luo, P.; Guo, L.; Xu, J.; Li, X. Analysis and Design of a New Non-Isolated Three-Port Converter with High Voltage Gain for Renewable Energy Applications. IEEE Access 2021, 9, 115909–115921. [Google Scholar] [CrossRef]
- Li, C.; Li, H.; Cheng, L.; Sun, X.; Wang, N.; Li, W. A Novel Non-Isolated Dual-Input Single-Output High Step-Up DC/DC Converter with Coupled Inductors. IEEE Trans. Power Electron. 2023, 38, 11556–11567. [Google Scholar] [CrossRef]
- Alajmi, B.N.; Marei, M.I.; Abdelsalam, I.; Ahmed, N.A. Multiphase interleaved converter based on cascaded non-inverting buck-boost converter. IEEE Access 2022, 10, 42497–42506. [Google Scholar] [CrossRef]
- Cheng, T.; Lu, D.D.-C.; Qin, L. Non-Isolated Single-Inductor DC/DC Converter with Fully Reconfigurable Structure for Renewable Energy Applications. IEEE Trans. Circuits Syst. II Express Briefs 2018, 65, 351–355. [Google Scholar] [CrossRef]
- Shanthi, T.; Prabha, S.U.; Sundaramoorthy, K. Non-Isolated n-Stage High Step-up DC-DC Converter for Low Voltage DC Source Integration. IEEE Trans. Energy Convers. 2021, 36, 1625–1634. [Google Scholar] [CrossRef]
- Givi, H.; Farjah, E.; Ghanbari, T. A Comprehensive Monitoring System for Online Fault Diagnosis and Aging Detection of Non-Isolated DC–DC Converters’ Components. IEEE Trans. Power Electron. 2019, 34, 6858–6875. [Google Scholar] [CrossRef]
- Seguel, J.L.; Seleme, S.I., Jr.; Morais, L.M.F. Comparative study of Buck-Boost, SEPIC, Cuk and Zeta DC-DC converters using different MPPT methods for photovoltaic applications. Energies 2022, 15, 7936. [Google Scholar] [CrossRef]
- Amir, A.; Amir, A.; Che, H.S.; Elkhateb, A.; Rahim, N.A. Comparative analysis of high voltage gain DC-DC converter topologies for photovoltaic systems. Renew. Energy 2019, 136, 1147–1163. [Google Scholar] [CrossRef]
- Wai, R.-J.; Lin, C.-Y.; Duan, R.-Y.; Chang, Y.-R. High-efficiency DC-DC converter with high voltage gain and reduced switch stress. IEEE Trans. Ind. Electron. 2007, 54, 354–364. [Google Scholar] [CrossRef]
- Forouzesh, M.; Siwakoti, Y.P.; Gorji, S.A.; Blaabjerg, F.; Lehman, B. Step-up DC–DC converters: A comprehensive review of voltage-boosting techniques, topologies, and applications. IEEE Trans. Power Electron. 2017, 32, 9143–9178. [Google Scholar] [CrossRef]
- Rafin, S.M.S.H.; Ahmed, R.; Haque, A.; Hossain, K.; Haque, A.; Mohammed, O.A. Power electronics revolutionized: A comprehensive analysis of emerging wide and ultrawide bandgap devices. Micromachines 2023, 14, 2045. [Google Scholar] [CrossRef]
- Ashique, R.H.; Salam, Z.; Maruf, H.; Shihavuddin, A.; Islam, T.; Rahman, F.; Kotsampopoulos, P.; Fayek, H.H. A comparative analysis of soft switching techniques in reducing the energy loss and improving the soft switching range in power converters. Electronics 2022, 11, 1062. [Google Scholar] [CrossRef]
- Du, R.; Samavatian, V.; Samavatian, M.; Gono, T.; Jasiński, M. Development of a High-Gain Step-Up DC/DC Power Converter with Magnetic Coupling for Low-Voltage Renewable Energy. IEEE Access 2023, 11, 90038–90051. [Google Scholar] [CrossRef]
- Lakshmi, M.; Hemamalini, S. Non-isolated High Gain DC–DC Converter for DC Microgrids. IEEE Trans. Ind. Electron. 2018, 65, 1205–1212. [Google Scholar] [CrossRef]
- Rajani, S.V.; Pandya, V.J. Simulation and comparison of perturb and observe and incremental conductance MPPT algorithms for solar energy system connected to grid. Sadhana 2015, 40, 139–153. [Google Scholar] [CrossRef]
- Robles Algarín, C.; Taborda Giraldo, J.; Rodríguez Álvarez, O. Fuzzy logic based MPPT controller for a PV system. Energies 2017, 10, 2036. [Google Scholar] [CrossRef]
- Villegas-Mier, C.G.; Rodriguez-Resendiz, J.; Álvarez-Alvarado, J.M.; Rodriguez-Resendiz, H.; Herrera-Navarro, A.M.; Rodríguez-Abreo, O. Artificial neural networks in MPPT algorithms for optimization of photovoltaic power systems: A review. Micromachines 2021, 12, 1260. [Google Scholar] [CrossRef]
- Koad, R.B.A.; Zobaa, A.F.; El-Shahat, A. A novel MPPT algorithm based on particle swarm optimization for photovoltaic systems. IEEE Trans. Sustain. Energy 2016, 8, 468–476. [Google Scholar]
- Ahmad, F.F.; Ghenai, C.; Hamid, A.K.; Bettayeb, M. Application of sliding mode control for maximum power point tracking of solar photovoltaic systems: A comprehensive review. Annu. Rev. Control 2020, 49, 173–196. [Google Scholar]
- Bhat, S.; Nagaraja, H.N. DSP based proportional integral sliding mode controller for photo-voltaic system. Int. J. Electr. Power Energy Syst. 2015, 71, 123–130. [Google Scholar]
- Zakaria, A.; Marei, M.I.; Mashaly, H.M. A hybrid interleaved DC-DC converter Based on buck-Boost topologies for medium voltage applications. e-Prime-Adv. Electr. Eng. Electron. Energy 2023, 6, 100301. [Google Scholar]
- Bhaskar, M.S.; Ramachandaramurthy, V.K.; Padmanaban, S.; Blaabjerg, F.; Ionel, D.M.; Mitolo, M.; Almakhles, D. Survey of DC-DC non-isolated topologies for unidirectional power flow in fuel cell vehicles. IEEE Access 2020, 8, 178130–178166. [Google Scholar]
- Mohamed, H.A.; Khattab, H.A.; Mobarka, A.; Morsy, G.A. Design, control and performance analysis of DC-DC boost converter for stand-alone PV system. In Proceedings of the 2016 Eighteenth International Middle East Power Systems Conference (MEPCON), Cairo, Egypt, 27–29 December 2016; pp. 101–106. [Google Scholar] [CrossRef]
- Vtas, P.; Pal, Y. Solar PV array buck-boost converter fed single phase induction motor drives for water pumping. In Proceedings of the 2017 International Conference on Information, Communication, Instrumentation and Control (ICICIC), Indore, India, 17–19 August 2017; pp. 1–5. [Google Scholar] [CrossRef]
- Chu, Y.-T.; Yuan, L.-Q.; Chiang, H.-H. ANFIS-based maximum power point tracking control of PV modules with DC-DC converters. In Proceedings of the 2015 18th International Conference on Electrical Machines and Systems (ICEMS), Pattaya, Thailand, 25–28 October 2015; pp. 692–697. [Google Scholar] [CrossRef]
- Patil, S.N.; Prasad, R.C. Design and development of MPPT algorithm for high efficient DC-DC converter for solar energy system connected to grid. In Proceedings of the 2015 International Conference on Energy Systems and Applications, Pune, India, 30 October–1 November 2015; pp. 228–233. [Google Scholar] [CrossRef]
- Kumar, S.; Kumar, R.; Singh, N. Performance of closed loop SEPIC converter with DC-DC converter for solar energy system. In Proceedings of the 2017 4th International Conference on Power, Control & Embedded Systems (ICPCES), Allahabad, India, 9–11 March 2017; pp. 1–6. [Google Scholar] [CrossRef]
- Saravanan, R.; Chandrasekaran, N.; Rajalakshmi, K. Design and Simulation Analysis of Various Luo Converter Topologies fed BLDC Drive for Solar PV Applications. In Proceedings of the 2020 6th International Conference on Advanced Computing and Communication Systems (ICACCS), Coimbatore, India, 6–7 March 2020; pp. 1120–1123. [Google Scholar] [CrossRef]
- Chandran, A.; Reshmi, V.; Mathew, B.K. Comparative Analysis of P&O and FLC based SEPIC Boost Converter for Solar PV Application. In Proceedings of the 2020 Third International Conference on Smart Systems and Inventive Technology (ICSSIT), Tirunelveli, India, 20–22 August 2020; pp. 616–621. [Google Scholar] [CrossRef]
- Rafiq, U.; Murtaza, A.F.; Sher, H.A.; Gandini, D. Design and Analysis of a Novel High-Gain DC-DC Boost Converter with Low Component Count. Electronics 2021, 10, 1761. [Google Scholar] [CrossRef]
- Sarikhani, A.; Allahverdinejad, B.; Torkaman, H. A non-isolated buck-boost DC-DC converter with single switch. In Proceedings of the 2018 9th Annual Power Electronics, Drives Systems and Technologies Conference (PEDSTC), Tehran, Iran, 13–15 February 2018; pp. 369–373. [Google Scholar] [CrossRef]
- Maroti, P.K.; Padmanaban, S.; Nielsen, J.B.-H.; Bhaskar, M.S.; Meraj, M.; Alammari, R.; Iqbal, A. A New Structure of High Voltage Gain SEPIC Converter for Renewable Energy Applications. IEEE Access 2019, 7, 89857–89868. [Google Scholar] [CrossRef]
- Hosseini, S.H.; Alishah, R.S.; Kurdkandi, N.V. Design of a new extended zeta converter with high voltage gain for photovoltaic applications. In Proceedings of the 2015 9th International Conference on Power Electronics and ECCE Asia (ICPE-ECCE Asia), Seoul, Republic of Korea, 1–5 June 2015; pp. 970–977. [Google Scholar] [CrossRef]
- Sabzali, A.J.; Ismail, E.H.; Behbehani, H.M. High voltage step-up integrated double Boost–Sepic DC–DC converter for fuel-cell and photovoltaic applications. Renew. Energy 2015, 82, 44–53. [Google Scholar]
- Pires, V.F.; Cordeiro, A.; Foito, D.; Silva, J.F. High Step-Up DC–DC Converter for Fuel Cell Vehicles Based on Merged Quadratic Boost–Ćuk. IEEE Trans. Veh. Technol. 2019, 68, 7521–7530. [Google Scholar] [CrossRef]
- Shahir, F.M.; Aberoumandazar, M.; Babaei, E. High Gain DC-DC Boost Converter Applied in Hybrid System of Photovoltaic and Battery. In Proceedings of the 2021 International Symposium on Devices, Circuits and Systems (ISDCS), Higashihiroshima, Japan, 3–5 March 2021; pp. 1–4. [Google Scholar] [CrossRef]
- Navamani, J.D.; Vijayakumar, K.; Jegatheesan, R. Non-isolated high gain DC-DC converter by quadratic boost converter and voltage multiplier cell. Ain Shams Eng. J. 2018, 9, 1397–1406. [Google Scholar] [CrossRef]
- Chandrasekar, B.; Nallaperumal, C.; Padmanaban, S.; Bhaskar, M.S.; Holm-Nielsen, J.B.; Leonowicz, Z.; Masebinu, S.O. Non-Isolated High-Gain Triple Port DC–DC Buck-Boost Converter with Positive Output Voltage for Photovoltaic Applications. IEEE Access 2020, 8, 113649–113666. [Google Scholar] [CrossRef]
- Navamani, J.D.; Geetha, A.; Almakhles, D.; Lavanya, A.; Ali, J.S.M. Modified LUO High Gain DC-DC Converter with Minimal Capacitor Stress for Electric Vehicle Application. IEEE Access 2021, 9, 122335–122350. [Google Scholar] [CrossRef]
- Girish Ganesan, R.; Prabhakar, M. Non-isolated high step-up interleaved boost converter. Int. J. Power Electron. 2014, 6, 288–303. [Google Scholar] [CrossRef]
- Torkan, A.; Ehsani, M. A novel nonisolated Z-source DC–DC converter for photovoltaic applications. IEEE Trans. Ind. Appl. 2018, 54, 4574–4583. [Google Scholar] [CrossRef]
- Mahmood, A.; Zaid, M.; Khan, S.; Siddique, M.D.; Iqbal, A.; Sarwer, Z. A non-isolated quasi-Z-source-based high-gain DC–DC converter. Int. J. Circuit Theory Appl. 2022, 50, 653–682. [Google Scholar] [CrossRef]
- Hasanpour, S.; Forouzesh, M.; Siwakoti, Y.P.; Blaabjerg, F. A new high-gain, high-efficiency SEPIC-based DC–DC converter for renewable energy applications. IEEE J. Emerg. Sel. Top. Ind. Electron. 2021, 2, 567–578. [Google Scholar] [CrossRef]
- Abdel-Rahim, O.; Chub, A.; Blinov, A.; Vinnikov, D.; Peftitsis, D. An efficient non-inverting buck-boost converter with improved step up/down ability. Energies 2022, 15, 4550. [Google Scholar] [CrossRef]
- Gorji, S.A.; Sahebi, H.G.; Movahed, M.; Ektesabi, M. Multi-input Boost DC-DC converter with continuous input-output current for Renewable Energy Systems. In Proceedings of the 2019 IEEE 4th International Future Energy Electronics Conference (IFEEC), Singapore, 25–28 November 2019. [Google Scholar]








| Ref. | Converter | Voltage Gain (VG.) | NS | NL | NC | ND | Power (W) | VO (V) | Control | Application |
|---|---|---|---|---|---|---|---|---|---|---|
| [28] | Boost | 1 | 1 | 1 | 1 | 878 | 28.00 | PI + FLC | Standalone PV | |
| [29] | Buck-Boost | 1 | 2 | 1 | 1 | 2190 | 350.00 | INC + VSI | Single-phase IM fed with solar PV | |
| [30] | Buck/Boost | D | 1 | 1 | 1 | 1 | 50 | 17.20 | P&O + ANFIS | PV System |
| [31] | Buck-Boost | 1 | 2 | 1 | 1 | 100 | 24.00 | IC + PLL | PV grid integration | |
| [32] | SEPIC | 1 | 2 | 2 | 1 | 2024 | 489.30 | PID | PV | |
| [33] | LUO | 1 | 2 | 2 | 1 | 6000 | 210.00 | INC + VSI | BLDC Motor fed with PV | |
| [34] | SEPIC | 1 | 2 | 2 | 1 | 200 | 230.00 | P&O + FLC | PV |
| Ref. | Voltage Gain (VG.) | NS | NL | NC | ND | VO (V) | Power (W) | Efficiency (%) | Frequency (kHz) | App. |
|---|---|---|---|---|---|---|---|---|---|---|
| [38] | 6 | 2 | 6 | 5 | 220 | 100 | 91.00 | 10 | PV | |
| [39] | 1 | 2 | 5 | 4 | 240 | 100 | 97.83 | 50 | PV & FC | |
| [40] | 1 | 3 | 4 | 4 | 200 | 250 | 94.00 | 20 | FC | |
| [41] | 1 | 2 | 2 | 2 | 700 | 27.93 | 98.79 | 40 | PV | |
| [42] | 1 | 2 | 2 | 3 | 96 | 40 | 88.00 | 60 | FC | |
| [43] | 4 | 3 | 2 | 4 | 24 | 200 | 93.60 | 20 | PV | |
| [44] | 2 | 3 | 5 | 4 | 46.4 | 50 | 90.25 | 50 | EV |
| Panel Parameters | Values |
|---|---|
| The maximum Power rating of a panel, Pm | 255 W |
| Open circuit voltage of panel, Voc | 38.46 V |
| Rating of Short circuit current, Isc | 8.89 A |
| Current at Maximum Power, Im | 8.16 A |
| The voltage at Maximum Power, Vm | 31.24 V |
| Current temperature coefficient, KT | 0.07 |
| Voltage temperature coefficient, Kv | −0.35601 |
| Number of panels in series Ns | 08 |
| Number of panels in parallel Np | 05 |
| Converter Type | L1 (mH) | L2 (mH) | C1 (µf) | C2 (µf) | RL (Ω) |
|---|---|---|---|---|---|
| Boost Converter | 27.50 | - | 107 | - | 64 |
| Buck–Boost | 30.47 | - | 119 | - | 64 |
| Cuk Converter | 9.52 | 22.86 | 119 | 1.30 | 64 |
| SEPIC Converter | 9.52 | 22.86 | 119 | 1.30 | 64 |
| Zeta Converter | 9.52 | 22.86 | 3.26 | 1.30 | 64 |
| S. No | Passive Elements | Mathematical Model of Passive Elements | ||||
|---|---|---|---|---|---|---|
| Boost | Buck-Boost | Cuk | SEPI | Zeta | ||
| 1 | Inductor L1 (mH) | |||||
| 2 | Inductor L2 (mH) | - | - | |||
| 3 | Capacitor C1 (µF) | |||||
| 4 | Capacitor C2 (µF) | - | - | |||
| DC–DC Converter | Input Voltage (V) | Input Current (A) | Output Voltage (V) | Output Current (A) | Output Power (W) | Efficiency (%) |
|---|---|---|---|---|---|---|
| Boost | 250.6 | 40.67 | 792 | 12.37 | 9797 | 96.04 |
| Buck-Boost | 247.5 | 41 | 791 | 12.38 | 9792 | 96.00 |
| Cuk | 247.67 | 41.10 | 792 | 12.36 | 9789 | 95.97 |
| Sepic | 250.5 | 40.70 | 783 | 12.25 | 9591 | 94.03 |
| Zeta | 247.3 | 41.18 | 792.5 | 12.40 | 9827 | 96.34 |
| Passive Elements | Boost | Buck– Boost | SEPIC |
|---|---|---|---|
| Inductor, L1 (mH) | |||
| Inductor, L2 (mH) | |||
| Inductor, L3 (mH) | - | ||
| Capacitor, C1 (µF) | |||
| Capacitor, C3 (µF) |
| Converter Type | Input Voltage (Volts) | Input Current (Amps) | Output Voltage (Volts) | Output Current (Amps) | Output Power (Watts) | Efficiency (%) | |
|---|---|---|---|---|---|---|---|
| High Gain Boost | With P&O | 252 | 40.15 | 787 | 12.25 | 9640 | 94.52 |
| High Gain Buck-Boost | 247 | 41.10 | 781 | 12.20 | 9528 | 93.42 | |
| High Gain SEPIC | 244 | 41.50 | 780 | 12.21 | 9523 | 93.37 | |
| High Gain Boost | With I&C | 253 | 41.5 | 787 | 12.40 | 9759 | 95.68 |
| High Gain Buck-Boost | 247 | 40.20 | 780 | 12.18 | 9500 | 93.14 | |
| High Gain SEPIC | 245 | 42.50 | 782 | 12.16 | 9510 | 93.23 | |
Disclaimer/Publisher’s Note: The statements, opinions and data contained in all publications are solely those of the individual author(s) and contributor(s) and not of MDPI and/or the editor(s). MDPI and/or the editor(s) disclaim responsibility for any injury to people or property resulting from any ideas, methods, instructions or products referred to in the content. |
© 2025 by the authors. Licensee MDPI, Basel, Switzerland. This article is an open access article distributed under the terms and conditions of the Creative Commons Attribution (CC BY) license (https://creativecommons.org/licenses/by/4.0/).
Share and Cite
Mohammad, K.; Arif, M.S.B.; Masud, M.I.; Ahmad, M.F.; Alqarni, M. Optimal Selection of Extensively Used Non-Isolated DC–DC Converters for Solar PV Applications: A Review. Energies 2025, 18, 1572. https://doi.org/10.3390/en18071572
Mohammad K, Arif MSB, Masud MI, Ahmad MF, Alqarni M. Optimal Selection of Extensively Used Non-Isolated DC–DC Converters for Solar PV Applications: A Review. Energies. 2025; 18(7):1572. https://doi.org/10.3390/en18071572
Chicago/Turabian StyleMohammad, Khan, M. Saad Bin Arif, Muhammad I. Masud, Mohd Faraz Ahmad, and Mohammed Alqarni. 2025. "Optimal Selection of Extensively Used Non-Isolated DC–DC Converters for Solar PV Applications: A Review" Energies 18, no. 7: 1572. https://doi.org/10.3390/en18071572
APA StyleMohammad, K., Arif, M. S. B., Masud, M. I., Ahmad, M. F., & Alqarni, M. (2025). Optimal Selection of Extensively Used Non-Isolated DC–DC Converters for Solar PV Applications: A Review. Energies, 18(7), 1572. https://doi.org/10.3390/en18071572

