Maximum-Power-Point-Tracking-Optimized Peltier Cell Energy Harvester for IoT Sensor Nodes
Abstract
1. Introduction
2. Materials and Methods
2.1. Energy Harvester
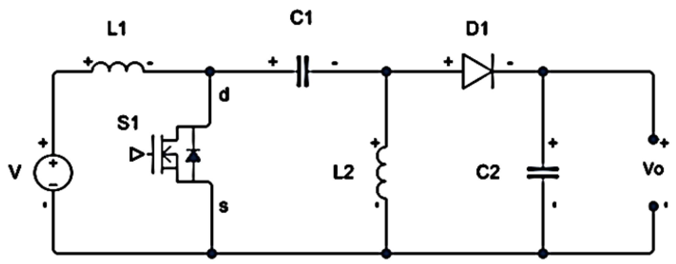
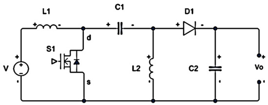
2.2. Power Block
2.3. IoT Node
2.4. Real-Time Visualization
3. Results
3.1. Temperature Test
3.1.1. Open-Loop Test
3.1.2. Closed-Loop Test
3.2. Battery Charge Test
3.3. IoT Node Test
4. Conclusions
Author Contributions
Funding
Data Availability Statement
Conflicts of Interest
References
- Cecchinato, N.; Toma, A.; Drioli, C.; Ferrin, G.; Foresti, G.L. Performance evaluation of a Wi-Fi-based multi-node network for distributed audio-visual sensors. Multimed. Tools Appl. 2023, 82, 293–308. [Google Scholar] [CrossRef]
- Kour, V.P.; Arora, S. Recent Developments of the Internet of Things in Agriculture. IEEE Access 2020, 8, 129924–129957. [Google Scholar] [CrossRef]
- Pathak, A.N.; Yadav, A.R. Scheduling based on residual energy of sensors to extend the lifetime of network in wireless sensor network. J. Eng. Appl. Sci. 2024, 71, 100. [Google Scholar] [CrossRef]
- Kjellby, R.A.; Cenkeramaddi, L.R.; Froytlog, A.; Lozano, B.B.; Soumya, J.; Bhange, M. Long-range & Self-powered IoT Devices for Agriculture & Aquaponics Based on Multi-hop Topology. In Proceedings of the 2019 IEEE 5th World Forum Internet Things (WF-IoT), Limerick, Ireland, 15–18 April 2019; pp. 545–549. [Google Scholar] [CrossRef]
- Ren, L.; Deng, B.; Chen, Z. Using Wireless Network Sensors as a New Medium of Communication for Sustainable Eco-cultural Tourism. Mob. Netw. Appl. 2023, 28, 2204–2214. [Google Scholar] [CrossRef]
- Ha, D.H.; Dong, S.T.C.; Nguyen, T.N.; Trang, T.T.; Voznak, M. Half-Duplex Energy Harvesting Relay Network over Different Fading Environment: System Performance with Effect of Hardware Impairment. Appl. Sci. 2019, 9, 2283. [Google Scholar] [CrossRef]
- Bancik, K.; Konecny, J.; Mikus, M.; Choutka, J.; Hercik, R.; Koziorek, J.; Navikas, D.; Andriukaitis, D.; Prauzek, M. Powering Agriculture IoT Sensors Using Natural Temperature Differences Between Air and Soil: Measurement and Evaluation. Sensors 2024, 24, 7687. [Google Scholar] [CrossRef]
- Shwetha, M.; Lakshmi, S. Harmless Sustainable Energy Resource using TEG with MPPT Based DC-DC Converter for Power Gain in Implantable Medical Devices. Trans. Electr. Electron. Mater. 2024, 25, 608–635. [Google Scholar] [CrossRef]
- Leoni, A.; Stornelli, V.; Ferri, G.; Errico, V.; Ricci, M.; Pallotti, A.; Saggio, G. A human body powered sensory glove system based on multisource energy harvester. In Proceedings of the 14th Conference on Ph.D. Research in Microelectronics and Electronics (PRIME), Piscataway, NJ, USA, 2–5 July 2018; pp. 113–116. [Google Scholar]
- Lin, K.F.; Lin, S.S.; Hung, M.H.; Kuo, C.H.; Chen, P.N. An Embedded Gateway with Communication Extension and Backup Capabilities for ZigBee-Based Monitoring and Control Systems. Appl. Sci. 2019, 9, 456. [Google Scholar] [CrossRef]
- Banerjee, A.; Hussain, D.M.A. SD-EAR: Energy Aware Routing in Software Defined Wireless Sensor Networks. Appl. Sci. 2018, 8, 1013. [Google Scholar] [CrossRef]
- Leoni, A.; Stornelli, V.; Pantoli, L. A low-cost portable spherical directional anemometer for fixed points measurement. Sensors Actuators A Phys. 2018, 280, 543–551. [Google Scholar] [CrossRef]
- Pasricha, S.; Ayoub, R.; Kishinevsky, M.; Mandal, S.K.; Ogras, U.Y. A Survey on Energy Management for Mobile and IoT Devices. IEEE Des. Test 2020, 37, 7–24. [Google Scholar] [CrossRef]
- Miao, L.; Huo, Z.M.; Rong, Y.; Mu, H.W.; Sun, Z.X. IoT adaptive threshold energy management algorithm based on energy harvesting. Ad Hoc Netw. 2023, 149, 103241. [Google Scholar] [CrossRef]
- Chang, K.L.; Chang, J.S.; Gwee, B.H.; Chong, K.S. Synchronous-Logic and Asynchronous-Logic 8051 Microcontroller Cores for Realizing the Internet of Things: A Comparative Study on Dynamic Voltage Scaling and Variation Effects. IEEE J. Emerg. Sel. Top. Circuits Syst. 2013, 3, 23–34. [Google Scholar] [CrossRef]
- Liu, X.; Li, X.; Zhang, H.; Li, C.; Ren, L.; Chen, Q.; Xu, Y.; Yang, J. SCVR-Less Dynamic Voltage-Stacking Scheme for IoT MCU. IEEE J. Solid-State Circuits 2022, 57, 103–114. [Google Scholar] [CrossRef]
- Khriji, S.; Chéour, R.; Kanoun, O. Dynamic Voltage and Frequency Scaling and Duty-Cycling for Ultra Low-Power Wireless Sensor Nodes. Electronics 2022, 11, 4071. [Google Scholar] [CrossRef]
- Dziadak, B.; Kucharek, M.; Starzyński, J. Powering the WSN Node for Monitoring Rail Car Parameters, Using a Piezoelectric Energy Harvester. Energies 2022, 15, 1641. [Google Scholar] [CrossRef]
- Zou, Y.; Sun, M.; Yan, F.; Du, T.; Xi, Z.; Li, F.; Zhu, C.; Wang, H.; Zhao, J.; Sun, P.; et al. A High-Performance Flag-Type Triboelectric Nanogenerator for Scavenging Wind Energy toward Self-Powered IoTs. Materials 2022, 15, 3696. [Google Scholar] [CrossRef]
- Lee, Y.C.; Ramiah, H.; Choo, A.; Churchill, K.K.P.; Lai, N.S.; Lim, C.C.; Chen, Y.; Mak, P.I.; Martins, R.P. High-Performance Multiband Ambient RF Energy Harvesting Front-End System for Sustainable IoT Applications—A Review. IEEE Access 2023, 11, 11143–11164. [Google Scholar] [CrossRef]
- Ahmad, F.F.; Ghenai, C.; Bettayeb, M. Maximum Power Point Tracking and Photovoltaic Energy Harvesting for Internet of Things: A Comprehensive Review. Sustain. Energy Technol. Assess. 2021, 47, 101430. [Google Scholar] [CrossRef]
- Dziadak, B. Hybrid Optical and Thermal Energy Conversion System to Power Internet of Things Nodes. Energies 2023, 16, 7076. [Google Scholar] [CrossRef]
- Pathak, D.; Katyal, A.; Gaur, P. An Enhanced Drift-Free Perturb and Observe Maximum Power Point Tracking Method Using Hybrid Metaheuristic Algorithm for a Solar Photovoltaic Power System. Iran. J. Sci. Technol. Trans. Electr. Eng. 2024, 48, 759–779. [Google Scholar] [CrossRef]
- Machacek, Z.; Walendziuk, W.; Sotola, V.; Slanina, Z.; Petras, R.; Schneider, M.; Masny, Z.; Idzkowski, A.; Koziorek, J. An Investigation of Thermoelectric Generators Used as Energy Harvesters in a Water Consumption Meter Application. Energies 2021, 14, 3768. [Google Scholar] [CrossRef]
- Hájovský, R.; Pieš, M.; Richtár, L. Analysis of the Appropriateness of the Use of Peltier Cells as Energy Sources. Sensors 2016, 16, 760. [Google Scholar] [CrossRef]
- Leoni, A.; Pantoli, L. SPICE Model Identification Technique of a Cheap Thermoelectric Cell Applied to DC/DC Design with MPPT Algorithm for Low-Cost, Low-Power Energy Harvesting. Appl. Sci. 2019, 9, 3744. [Google Scholar] [CrossRef]
- Huang, B.; Song, K.; Jiang, S.; Zhao, Z.; Zhang, Z.; Li, C.; Sun, J. A Robust Salp Swarm Algorithm for Photovoltaic Maximum Power Point Tracking Under Partial Shading Conditions. Mathematics 2024, 12, 3971. [Google Scholar] [CrossRef]
- Roy, B.; Adhikari, S.; Datta, S.; Devi, K.J.; Devi, A.D.; Ustun, T.S. Harnessing Deep Learning for Enhanced MPPT in Solar PV Systems: An LSTM Approach Using Real-World Data. Electricity 2024, 5, 843–860. [Google Scholar] [CrossRef]
- Meza, H.A.; García, J.L.M.; Mora, S.S. Estrategias de control mppt aplicadas en un convertidor dc/dc tipo boost para sistemas fotovoltaicos. Rev. Colomb. De Tecnol. De Av. (RCTA) 2018, 2, 102–108. [Google Scholar]
- Orbe Chamorro, L.A. Diseño un Sistema de Almacenamiento con Supercapacitores para una Instalación Fotovoltaica que Alimente una Carga de Demanda Variable. Bachelor’s Thesis, Universidad Técnica del Norte, Ibarra, Ecuador, 2020. [Google Scholar]
- Abdel-Salam, M.; El-Mohandes, M.T.; El-Ghazaly, M. An efficient tracking of MPP in PV systems using a newly-formulated P&O-MPPT method under varying irradiation levels. J. Electr. Eng. Technol. 2020, 15, 501–513. [Google Scholar]
- Pyt, P.; Jankowski-Mihułowicz, P.; Węglarski, M. Bluetooth Low Energy Beacon Powered by the Temperature Difference. Electronics 2023, 12, 1278. [Google Scholar] [CrossRef]
- Bao, Q.; Guo, X.; Li, B.; Chen, W.; Wang, Z.; Xiao, Y. Performance and Reliability of Thermoelectric Conversion Using a Crooked Thermosyphon to Enhance Heat Transfer from Coal Fires. Processes 2024, 12, 2692. [Google Scholar] [CrossRef]
- Wang, C.; Wang, Y.; Pu, W.; Qiu, L. A Miniaturized and Ultra-Low-Power Wireless Multi-Parameter Monitoring System with Self-Powered Ability for Aircraft Smart Skin. Sensors 2024, 24, 7993. [Google Scholar] [CrossRef] [PubMed]
- Aragonés, R.; Oliver, J.; Ferrer, C. Thermoelectric Generator-Powered Long-Range Wireless Real-Time Steam Leak Detection in Steam Traps. Future Internet 2024, 16, 474. [Google Scholar] [CrossRef]
- Rojas, J.; Lucero, C.; Merchán, I. Constant Voltage Battery Charger Energized from an MPPT Photovoltaic System. In Proceedings of the Innovation and Research—A Driving Force for Socio-Econo-Technological Development; Zambrano Vizuete, M., Botto-Tobar, M., Diaz Cadena, A., Durakovic, B., Eds.; Springer: Cham, Switzerland, 2022; pp. 295–306. [Google Scholar]




















| Parameter | Symbol | Value |
|---|---|---|
| Input voltage | V | |
| Output voltage | ||
| Output voltage ripple | 10 mV | |
| Inductors current ripple | ||
| Switching frequency | 10 KHz |
| Temperature Range | MP [W] | tss [s] | Maximum Stable Power [W] | Duty Cycle | Vo [V] |
|---|---|---|---|---|---|
| 38–40 °C | 0.04 | 120 | 0.21 | 0.3 | 2.23 |
| 58–60 °C | 0.03 | 125 | 0.33 | 0.25 | 3.51 |
| 78–81 °C | 0.035 | 80 | 0.36 | 0.23 | 3.85 |
Disclaimer/Publisher’s Note: The statements, opinions and data contained in all publications are solely those of the individual author(s) and contributor(s) and not of MDPI and/or the editor(s). MDPI and/or the editor(s) disclaim responsibility for any injury to people or property resulting from any ideas, methods, instructions or products referred to in the content. |
© 2025 by the authors. Licensee MDPI, Basel, Switzerland. This article is an open access article distributed under the terms and conditions of the Creative Commons Attribution (CC BY) license (https://creativecommons.org/licenses/by/4.0/).
Share and Cite
Martínez Macancela, J.; Aguila Téllez, A.; Valencia Pavón, N.G.; Rojas Urbano, J. Maximum-Power-Point-Tracking-Optimized Peltier Cell Energy Harvester for IoT Sensor Nodes. Energies 2025, 18, 1519. https://doi.org/10.3390/en18061519
Martínez Macancela J, Aguila Téllez A, Valencia Pavón NG, Rojas Urbano J. Maximum-Power-Point-Tracking-Optimized Peltier Cell Energy Harvester for IoT Sensor Nodes. Energies. 2025; 18(6):1519. https://doi.org/10.3390/en18061519
Chicago/Turabian StyleMartínez Macancela, Jorge, Alexander Aguila Téllez, Nataly Gabriela Valencia Pavón, and Javier Rojas Urbano. 2025. "Maximum-Power-Point-Tracking-Optimized Peltier Cell Energy Harvester for IoT Sensor Nodes" Energies 18, no. 6: 1519. https://doi.org/10.3390/en18061519
APA StyleMartínez Macancela, J., Aguila Téllez, A., Valencia Pavón, N. G., & Rojas Urbano, J. (2025). Maximum-Power-Point-Tracking-Optimized Peltier Cell Energy Harvester for IoT Sensor Nodes. Energies, 18(6), 1519. https://doi.org/10.3390/en18061519

