Receiver-Side Topologies for Wireless Power Transfer Systems: A Comprehensive Review of the Design, Challenges, and Future Trends
Abstract
1. Introduction
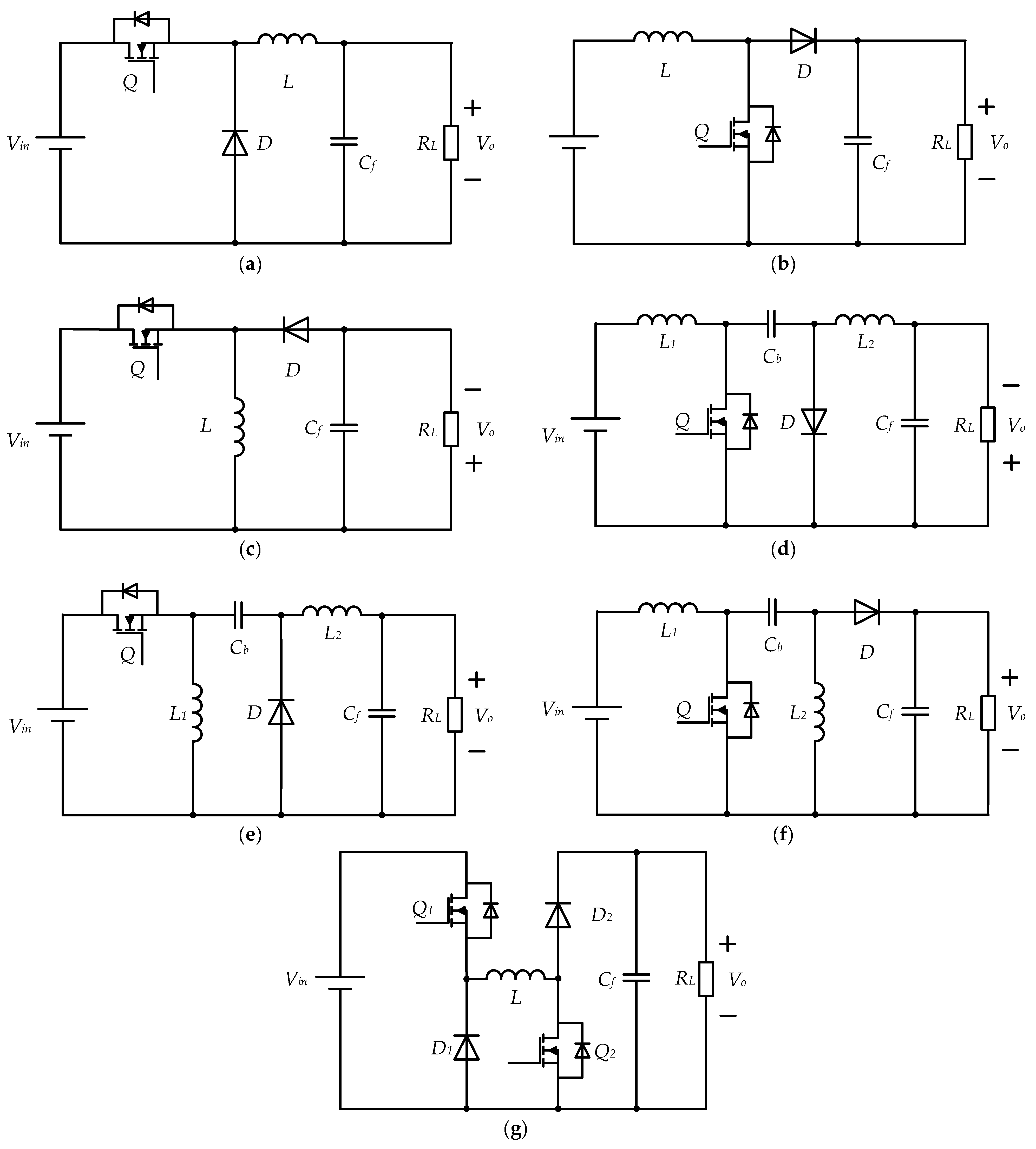
2. Two-Stage Receivers
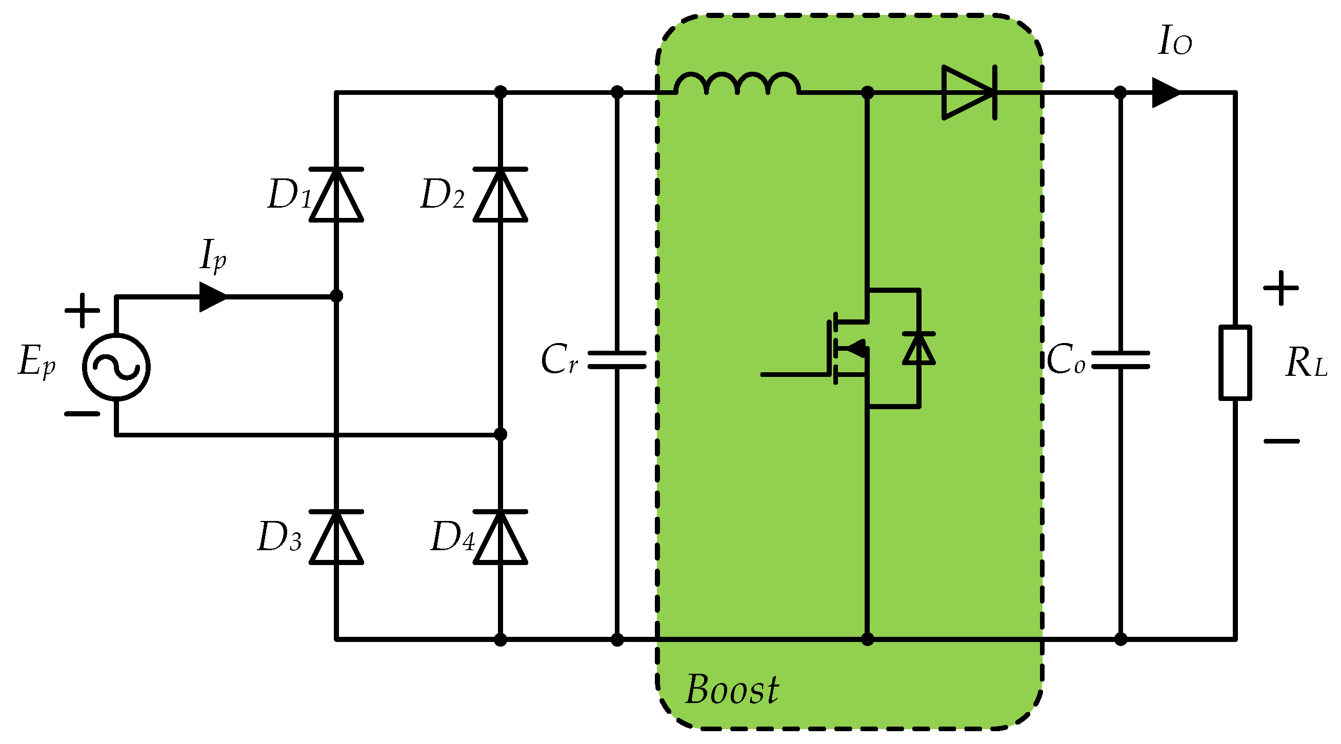
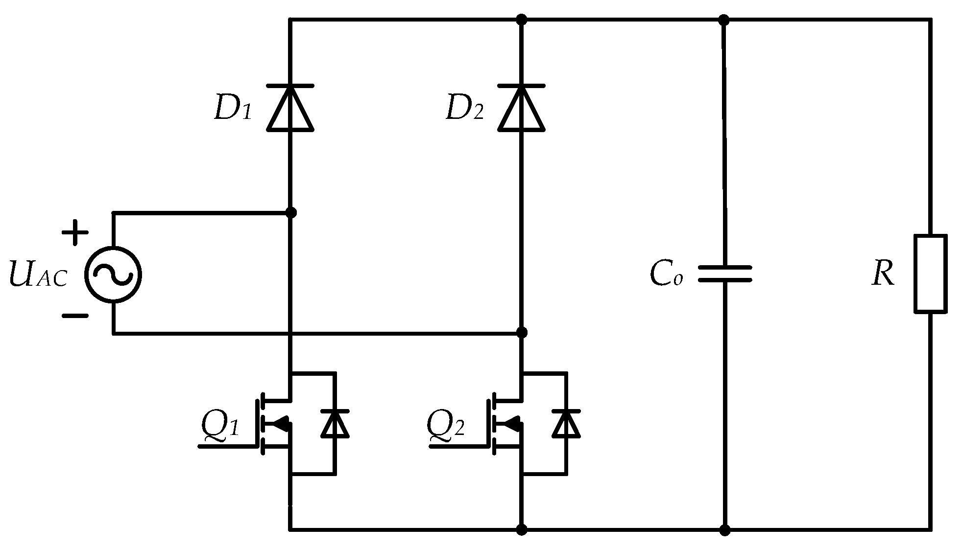
3. Single-Stage Receivers
4. Critical Technique
5. Future Trends and Prospects
5.1. Loss and Efficiency Optimization Under High-Frequency Operation
5.2. Expansion of Voltage Gain Range and Compatibility
5.3. System Stability and Dynamic Response Optimization
5.4. Wireless Energy and Simultaneous Information Interpretation
6. Conclusions
Author Contributions
Funding
Data Availability Statement
Conflicts of Interest
References
- Wang, D.; Zhang, J.; Cui, S.; Bie, Z.; Song, K.; Zhu, C.; Matveevich, M.I. Modern Advances in Magnetic Materials of Wireless Power Transfer Systems: A Review and New Perspectives. Nanomaterials 2022, 12, 3662. [Google Scholar] [CrossRef] [PubMed]
- Eikani, A.; Amirkhani, M.; Farmahini Farahani, E.; Pickert, V.; Mirsalim, M.; Vaez-Zadeh, S. Robust Wireless Power Transfer for EVs by Self-Oscillating Controlled Inverters and Identical Single-Coil Transmitting and Receiving Pads. Energies 2025, 18, 211. [Google Scholar] [CrossRef]
- Zhang, Y.; Wu, Y.; Shen, Z.; Pan, W.; Wang, H.; Dong, J.; Mao, X.; Liu, X. Integration of Onboard Charger and Wireless Charging System for Electric Vehicles with Shared Coupler, Compensation, and Rectifier. IEEE Trans. Ind. Electron. 2023, 70, 7511–7514. [Google Scholar] [CrossRef]
- Wu, L.; Zhang, B.; Jiang, Y. Position-Independent Constant Current or Constant Voltage Wireless Electric Vehicles Charging System Without Dual-Side Communication and DC–DC Converter. IEEE Trans. Ind. Electron. 2022, 69, 7930–7939. [Google Scholar] [CrossRef]
- Yang, L.; Wang, Y.; Guo, P.; Dong, K.; Cai, C. A Reconfigurable Rectifier Based Communication-Free Wireless LED Driver with Dual-Customization CC Outputs. IEEE Trans. Power Electron. 2025, 40, 2680–2684. [Google Scholar] [CrossRef]
- Wen, H.; Li, J.; Zhang, K.; Wang, P.; Yang, J.; Zhou, X.; Yang, L.; Tong, X.; Song, B. A Switchable Dual-Frequency LCC-S-S Compensated Three-Coil WPT System for Mobile Desktop Charging with Constant Current and Constant Voltage Outputs. IEEE Trans. Power Electron. 2025, 40, 7586–7598. [Google Scholar] [CrossRef]
- Pahlavan, S.; Shooshtari, M.; Jafarabadi Ashtiani, S. Star-Shaped Coils in the Transmitter Array for Receiver Rotation Tolerance in Free-Moving Wireless Power Transfer Applications. Energies 2022, 15, 8643. [Google Scholar] [CrossRef]
- Yang, X.; Gao, P.; Zhang, H.; Zhao, J.; Wang, T.; Xu, G. Temporal Interference Wireless Power Transfer Strategy with Passive Flexible Electrode for Vagus Nerve Stimulation. IEEE Trans. Antennas Propag. 2024, 72, 6908–6918. [Google Scholar] [CrossRef]
- Da, C.; Li, F.; Wang, L.; Tao, C.; Li, S.; Nie, M. Analysis and Implementation of Underwater Single Capacitive Coupled Simultaneous Wireless Power and Bidirectional Data Transfer System. IEEE Trans. Ind. Electron. 2024, 71, 15674–15684. [Google Scholar] [CrossRef]
- Liu, Y.; Li, B.; Pan, L.; Yao, S.; Dong, Z.; Zhang, J.; Zhu, C.; Cui, S. Review on Development and Research of Underwater Capacitive Power Transfer. Energies 2024, 17, 6496. [Google Scholar] [CrossRef]
- Zeng, Y.; Lu, C.; Liu, R.; He, X.; Rong, C.; Liu, M. Wireless Power and Data Transfer System Using Multidirectional Magnetic Coupler for Swarm AUVs. IEEE Trans. Power Electron. 2023, 38, 1440–1444. [Google Scholar] [CrossRef]
- Huang, W.; Zhang, Y.; Gao, F.; Yang, Y. Magnetic Structure Design of Wireless Power Transfer for Free-Rotating UAV with Low Stray Magnetic Fields. IEEE Trans. Ind. Electron. 2025, 72, 481–491. [Google Scholar] [CrossRef]
- Carpita, M.; De Vivo, M.; Gavin, S.; Bommottet, D. A Rotating Contactless Power Transfer System for Space Applications. In Proceedings of the 2014 International Symposium on Power Electronics, Electrical Drives, Automation and Motion, Ischia, Italy, 18–20 June 2014; pp. 238–242. [Google Scholar]
- Honda, S.; Shimada, S.; Tanaka, K.; Nakamura, K.; Imura, T.; Hata, K.; Hori, Y. Proposal and Evaluation of High-Heat Insulation System for Spacecraft by Using WPT. In Proceedings of the 2022 International Power Electronics Conference (IPEC-Himeji 2022-ECCE Asia), Himeji, Japan, 15–19 May 2022; pp. 775–782. [Google Scholar]
- Huang, M.; Lu, Y.; Martins, R.P. A Reconfigurable Bidirectional Wireless Power Transceiver for Battery-to-Battery Wireless Charging. IEEE Trans. Power Electron. 2019, 34, 7745–7753. [Google Scholar] [CrossRef]
- Onar, O.C.; Su, G.-J.; Asa, E.; Pries, J.; Galigekere, V.; Seiber, L.; White, C.; Wiles, R.; Wilkins, J. 20-kW Bi-Directional Wireless Power Transfer System with Energy Storage System Connectivity. In Proceedings of the 2020 IEEE Applied Power Electronics Conference and Exposition (APEC), New Orleans, LA, USA, 15–19 March 2020; pp. 3208–3214. [Google Scholar]
- Beh, T.C.; Imura, T.; Kato, M.; Hori, Y. Basic Study of Improving Efficiency of Wireless Power Transfer via Magnetic Resonance Coupling Based on Impedance Matching. In Proceedings of the 2010 IEEE International Symposium on Industrial Electronics, Bari, Italy, 4–7 July 2010; pp. 2011–2016. [Google Scholar]
- Sinha, S.; Kumar, A.; Regensburger, B.; Afridi, K.K. Design of High-Efficiency Matching Networks for Capacitive Wireless Power Transfer Systems. IEEE J. Emerg. Sel. Top. Power Electron. 2022, 10, 104–127. [Google Scholar] [CrossRef]
- Dong, M.; Wu, Z.; Song, D.; Yang, J.; Li, M.; Li, L. Enhancing Efficiency in Multireceiver Wireless Charging with Voltage Constraints Using Two-Stage Optimization Algorithm. IEEE Trans. Power Electron. 2024, 39, 14054–14064. [Google Scholar] [CrossRef]
- Zhang, X.; Zhang, X.; Yao, Y.; Yang, H.; Wang, Y.; Xu, D. High-Efficiency Magnetic Coupling Resonant Wireless Power Transfer System with Class-e Amplifier and Class-e Rectifier. In Proceedings of the 2017 IEEE Transportation Electrification Conference and Expo, Asia-Pacific (ITEC Asia-Pacific), Harbin, China, 7–10 August 2017; pp. 1–5. [Google Scholar]
- Huang, X.; Yu, Z.; Dou, Y.; Lin, S.; Ouyang, Z.; Andersen, M.A.E. Load-Independent Push–Pull Class E2 Topology With Coupled Inductors for MHz-WPT Applications. IEEE Trans. Power Electron. 2022, 37, 8726–8737. [Google Scholar] [CrossRef]
- Ramadoss, V.; Chandrasekar, B.; Ahmed, M.M.R.; Savio, A.D.; Rajamanickam, N.; Alghamdi, T.A.H. Research Insights on Recent Power Converter Topologies and Control Strategies for Wireless EV Chargers: A Comprehensive Study. IEEE Open J. Power Electron. 2024, 5, 1641–1658. [Google Scholar] [CrossRef]
- Hannan, M.A.; Lipu, M.S.H.; Ker, P.J.; Begum, R.A.; Agelidis, V.G.; Blaabjerg, F. Power Electronics Contribution to Renewable Energy Conversion Addressing Emission Reduction: Applications, Issues, and Recommendations. Appl. Energy 2019, 251, 113404. [Google Scholar] [CrossRef]
- Do, H.-L. Zero-Voltage-Switching Synchronous Buck Converter with a Coupled Inductor. IEEE Trans. Ind. Electron. 2011, 58, 3440–3447. [Google Scholar] [CrossRef]
- Song, S.; Zhang, X.; Li, H.; Zhang, Q. Reconsidering Regulator Capacitor Selection for Wireless Charging System with a Receiver-Side Buck. In Proceedings of the 2020 IEEE 9th International Power Electronics and Motion Control Conference (IPEMC2020-ECCE Asia), Nanjing, China, 29 November–2 December 2020; pp. 1104–1108. [Google Scholar]
- Zhang, X.; Ruan, X.; Zhong, Q.-C. Improving the Stability of Cascaded DC/DC Converter Systems via Shaping the Input Impedance of the Load Converter with a Parallel or Series Virtual Impedance. IEEE Trans. Ind. Electron. 2015, 62, 7499–7512. [Google Scholar] [CrossRef]
- Tan, T.; Chen, K.; Lin, Q.; Jiang, Y.; Yuan, L.; Zhao, Z. Impedance Shaping Control Strategy for Wireless Power Transfer System Based on Dynamic Small-Signal Analysis. IEEE Trans. Circuits Syst. Regul. Pap. 2021, 68, 1354–1365. [Google Scholar] [CrossRef]
- Li, Z.; Zhu, C.; Jiang, J.; Song, K.; Wei, G. A 3-kW Wireless Power Transfer System for Sightseeing Car Supercapacitor Charge. IEEE Trans. Power Electron. 2017, 32, 3301–3316. [Google Scholar] [CrossRef]
- Yuan, H.; Li, K.; Li, S.; Tan, S.C.; Hui, S.Y.R. On the Control of DC-DC Converters in the SS-Compensated Wireless Power Transfer System. In Proceedings of the 2024 IEEE Wireless Power Technology Conference and Expo (WPTCE), Kyoto, Japan, 8–11 May 2024; pp. 788–792. [Google Scholar] [CrossRef]
- Li, K.; Yuan, H.; Tan, S.-C.; Hui, S.Y.R. Overshoot Damping and Dynamics Improvement in Wireless Power Transfer Systems via Receiver-Side Controller Design. IEEE Trans. Power Electron. 2022, 37, 2362–2371. [Google Scholar] [CrossRef]
- Dong, S.; Zhang, B.; Gao, X.; Li, H.; Zhu, C. The Impact of Rectifier Filter Capacitance on Buck Converter Output Voltage in Wireless Power Receiver System with Input Current Source. IEEE Trans. Power Electron. 2024, 39, 8947–8958. [Google Scholar] [CrossRef]
- Song, S.; Zhang, Q.; He, Z.; Li, H.; Zhang, X. Uniform Power Dynamic Wireless Charging System with I-Type Power Supply Rail and DQ-Phase-Receiver Employing Receiver-Side Control. IEEE Trans. Power Electron. 2020, 35, 11205–11212. [Google Scholar] [CrossRef]
- Song, S.; Dong, S.; Zhang, Q. Receiver Current-Stress Mitigation for a Dynamic Wireless Charging System Employing Constant Resistance Control. IEEE Trans. Power Electron. 2021, 36, 3883–3893. [Google Scholar] [CrossRef]
- Fu, M. A Cascaded Boost–Buck Converter for High-Efficiency Wireless Power Transfer Systems. IEEE Trans. Ind. Inform. 2014, 10, 1972–1980. [Google Scholar] [CrossRef]
- Gheisarnejad, M.; Farsizadeh, H.; Tavana, M.-R.; Khooban, M.H. A Novel Deep Learning Controller for DC–DC Buck–Boost Converters in Wireless Power Transfer Feeding CPLs. IEEE Trans. Ind. Electron. 2021, 68, 6379–6384. [Google Scholar] [CrossRef]
- Yang, Y.; Zhong, W.; Kiratipongvoot, S.; Tan, S.-C.; Hui, S.Y.R. Dynamic Improvement of Series–Series Compensated Wireless Power Transfer Systems Using Discrete Sliding Mode Control. IEEE Trans. Power Electron. 2018, 33, 6351–6360. [Google Scholar] [CrossRef]
- Hu, X.; Wang, Y.; Jiang, Y.; Lei, W.; Dong, X. Maximum Efficiency Tracking for Dynamic Wireless Power Transfer System Using LCC Compensation Topology. In Proceedings of the 2018 IEEE Energy Conversion Congress and Exposition (ECCE), Portland, OR, USA, 23–27 September 2018; pp. 1992–1996. [Google Scholar]
- Zhang, Q.; Zhang, X.; Li, W.; Hu, T.; Wang, Y.; Shen, S. New Control Method for Receiver-Side DC–DC Converter with Large Stability Margin and Fluctuation Suppression Toward DWPT System. IEEE Trans. Ind. Electron. 2023, 70, 7944–7954. [Google Scholar] [CrossRef]
- Yuan, C.; Su, S. Dual-Edge Modulated Dual-Switch Buck-Boost Converter. Appl. Electron. Tech. 2018, 44, 124–128. [Google Scholar] [CrossRef]
- Li, K.; Tan, S.-C.; Hui, R.S.Y. On Beat Frequency Oscillation of Two-Stage Wireless Power Receivers. IEEE Trans. Power Electron. 2020, 35, 12741–12751. [Google Scholar] [CrossRef]
- Pal, S.; Ki, W.-H. 40.68 MHz Digital On-Off Delay-Compensated Active Rectifier for WPT of Biomedical Applications. IEEE Trans. Circuits Syst. II Express Briefs 2020, 67, 3307–3311. [Google Scholar] [CrossRef]
- Zheng, K.S.; Liu, X.; Wang, X.; Su, Q.; Liu, Y. A 6.78 MHz CMOS Active Rectifier with Hybrid Mode Delay Compensation for Wireless Power Transfer Systems. IEEE Access 2022, 10, 46176–46186. [Google Scholar] [CrossRef]
- Lu, Y.; Ki, W.-H. A 13.56 MHz CMOS Active Rectifier With Switched-Offset and Compensated Biasing for Biomedical Wireless Power Transfer Systems. IEEE Trans. Biomed. Circuits Syst. 2014, 8, 334–344. [Google Scholar] [CrossRef]
- Cheng, H.-C.; Gong, C.-S.A.; Kao, S.-K. A 13.56 MHz CMOS High-Efficiency Active Rectifier with Dynamically Controllable Comparator for Biomedical Wireless Power Transfer Systems. IEEE Access 2018, 6, 49979–49989. [Google Scholar] [CrossRef]
- Xue, Z.; Fan, S.; Li, D.; Zhang, L.; Gou, W.; Geng, L. A 13.56 MHz, 94.1% Peak Efficiency CMOS Active Rectifier with Adaptive Delay Time Control for Wireless Power Transmission Systems. IEEE J. Solid-State Circuits 2019, 54, 1744–1754. [Google Scholar] [CrossRef]
- Ma, Y.; Cui, K.; Ye, Z.; Sun, Y.; Fan, X. A 13.56-MHz Active Rectifier with SAR-Assisted Coarse-Fine Adaptive Digital Delay Compensation for Biomedical Implantable Devices. IEEE Solid-State Circuits Lett. 2020, 3, 122–125. [Google Scholar] [CrossRef]
- Park, H.-G.; Jang, J.-H.; Kim, H.-J.; Park, Y.-J.; Oh, S.; Pu, Y.; Hwang, K.C.; Yang, Y.; Lee, K.-Y. A Design of a Wireless Power Receiving Unit with a High-Efficiency 6.78-MHz Active Rectifier Using Shared DLLs for Magnetic-Resonant A4 WP Applications. IEEE Trans. Power Electron. 2016, 31, 4484–4498. [Google Scholar] [CrossRef]
- Cheng, L.; Ki, W.-H.; Lu, Y.; Yim, T.-S. Adaptive On/Off Delay-Compensated Active Rectifiers for Wireless Power Transfer Systems. IEEE J. Solid-State Circuits 2016, 51, 712–723. [Google Scholar] [CrossRef]
- Li, X.; Tsui, C.-Y.; Ki, W.-H. A 13.56 MHz Wireless Power Transfer System With Reconfigurable Resonant Regulating Rectifier and Wireless Power Control for Implantable Medical Devices. IEEE J. Solid-State Circuits 2015, 50, 978–989. [Google Scholar] [CrossRef]
- Cheng, L.; Ki, W.-H.; Tsui, C.-Y. A 6.78-MHz Single-Stage Wireless Power Receiver Using a 3-Mode Reconfigurable Resonant Regulating Rectifier. IEEE J. Solid-State Circuits 2017, 52, 1412–1423. [Google Scholar] [CrossRef]
- Li, K.; Tan, S.-C.; Hui, R.S.Y. Low-Cost Single-Switch Bidirectional Wireless Power Transceiver for Peer-to-Peer Charging. IEEE J. Emerg. Sel. Top. Power Electron. 2021, 9, 3781–3790. [Google Scholar] [CrossRef]
- Li, K.; Tan, S.-C.; Hui, R.S.Y. Single-Switch-Regulated Resonant WPT Receiver. IEEE Trans. Power Electron. 2019, 34, 10386–10391. [Google Scholar] [CrossRef]
- Mao, F.; Lu, Y.; Seng-Pan, U.; Martins, R.P. A Reconfigurable Cross-Connected Wireless-Power Transceiver for Bidirectional Device-to-Device Charging with 78.1% Total Efficiency. In Proceedings of the 2018 IEEE International Solid—State Circuits Conference—(ISSCC), San Francisco, CA, USA, 11–15 February 2018; pp. 140–142. [Google Scholar]
- Li, K.; Tan, S.-C.; Hui, S.Y.R. Interleaved Buck-Type Rectifier With Pseudo-DC-Link Capacitors for Automatic Current Balancing. IEEE Trans. Ind. Electron. 2022, 69, 12676–12687. [Google Scholar] [CrossRef]
- Li, K.; Tan, S.-C.; Hui, S.Y.R. Efficient Hybrid-Modulated Single-Stage Wireless Power Receiver with Continuous DC Current. IEEE Trans. Power Electron. 2021, 36, 13504–13514. [Google Scholar] [CrossRef]
- Liu, Y.; Li, B.; Huang, M.; Chen, Z.; Zhang, X. An Overview of Regulation Topologies in Resonant Wireless Power Transfer Systems for Consumer Electronics or Bio-Implants. Energies 2018, 11, 1737. [Google Scholar] [CrossRef]
- Lu, Y.; Huang, M.; Cheng, L.; Ki, W.-H.; U, S.-P.; Martins, R.P. A Dual-Output Wireless Power Transfer System with Active Rectifier and Three-Level Operation. IEEE Trans. Power Electron. 2017, 32, 927–930. [Google Scholar] [CrossRef]
- Yang, F.-B.; Fuh, J.; Li, Y.-H.; Takamiya, M.; Chen, P.-H. Structure-Reconfigurable Power Amplifier (SR-PA) and 0X/1X Regulating Rectifier for Adaptive Power Control in Wireless Power Transfer System. IEEE J. Solid-State Circuits 2021, 56, 2054–2064. [Google Scholar] [CrossRef]
- Namgoong, G.; Park, W.; Bien, F. A 13.56 MHz Wireless Power Transfer System With Fully Integrated PLL-Based Frequency-Regulated Reconfigurable Duty Control for Implantable Medical Devices. IEEE Trans. Biomed. Circuits Syst. 2022, 16, 1116–1128. [Google Scholar] [CrossRef]
- Colak, K.; Asa, E.; Bojarski, M.; Czarkowski, D.; Onar, O.C. A Novel Phase-Shift Control of Semibridgeless Active Rectifier for Wireless Power Transfer. IEEE Trans. Power Electron. 2015, 30, 6288–6297. [Google Scholar] [CrossRef]
- Berger, A.; Agostinelli, M.; Vesti, S.; Oliver, J.A.; Cobos, J.A.; Huemer, M. A Wireless Charging System Applying Phase-Shift and Amplitude Control to Maximize Efficiency and Extractable Power. IEEE Trans. Power Electron. 2015, 30, 6338–6348. [Google Scholar] [CrossRef]
- Bai, X.; Lu, Y.; Zhan, C.; Martins, R.P. A 6.78-MHz Wireless Power Transfer System with Inherent Wireless Phase Shift Control Without Feedback Data Sensing Coil. IEEE J. Solid-State Circuits 2023, 58, 1746–1757. [Google Scholar] [CrossRef]
- Huang, C.; Kawajiri, T.; Ishikuro, H. A 13.56-MHz Wireless Power Transfer System with Enhanced Load-Transient Response and Efficiency by Fully Integrated Wireless Constant-Idle-Time Control for Biomedical Implants. IEEE J. Solid-State Circuits 2018, 53, 538–551. [Google Scholar] [CrossRef]
- Sadeghi Gougheri, H.; Kiani, M. Self-Regulated Reconfigurable Voltage/Current-Mode Inductive Power Management. IEEE J. Solid-State Circuits 2017, 52, 3056–3070. [Google Scholar] [CrossRef]
- Kim, C.; Ha, S.; Park, J.; Akinin, A.; Mercier, P.P.; Cauwenberghs, G. A 144-MHz Fully Integrated Resonant Regulating Rectifier with Hybrid Pulse Modulation for Mm-Sized Implants. IEEE J. Solid-State Circuits 2017, 52, 3043–3055. [Google Scholar] [CrossRef]
- Erfani, R.; Marefat, F.; Mohseni, P. A Dual-Output Single-Stage Regulating Rectifier with PWM and Dual-Mode PFM Control for Wireless Powering of Biomedical Implants. IEEE Trans. Biomed. Circuits Syst. 2020, 14, 1195–1206. [Google Scholar] [CrossRef]
- Lu, T.; Du, S. A Single-Stage Regulating Voltage-Doubling Rectifier for Wireless Power Transfer. IEEE Solid-State Circuits Lett. 2023, 6, 29–32. [Google Scholar] [CrossRef]
- Lin, J.; Zhan, C.; Lu, Y. A 6.78-MHz Single-Stage Wireless Power Receiver with Ultrafast Transient Response Using Hysteretic Control and Multilevel Current-Wave Modulation. IEEE Trans. Power Electron. 2021, 36, 9918–9926. [Google Scholar] [CrossRef]
- Serban, E.; Pondiche, C.; Ordonez, M. Analysis and Design of Bidirectional Parallel-Series DAB-Based Converter. IEEE Trans. Power Electron. 2023, 38, 10370–10382. [Google Scholar] [CrossRef]
- Li, M.; Deng, J.; Chen, D.; Wang, W.; Wang, Z. Maximum Efficiency Tracking and ZVS Realization for Wide Output Voltage Range Employing Segmented TPS Modulation Scheme. IEEE Trans. Veh. Technol. 2023, 72, 12770–12783. [Google Scholar] [CrossRef]
- Li, Y.; Sun, W.; Zhu, X.; Hu, J. A Hybrid Modulation Control for Wireless Power Transfer Systems to Improve Efficiency Under Light-Load Conditions. IEEE Trans. Ind. Electron. 2022, 69, 6870–6880. [Google Scholar] [CrossRef]
- Zhao, C.; Xiao, G.; Wu, M.; Zhu, L.; Cui, H.; Wang, L.; Yan, Z. An Adaptive Synchronous Driving Phase Control Method of GaN-Based Full-Bridge 6.78-MHz WPTS. IEEE Trans. Power Electron. 2024, 39, 3787–3796. [Google Scholar] [CrossRef]
- Li, H.; Fang, J.; Wang, K. Pulse Density Modulation for Maximum Efficiency Point Tracking of Wireless Power Transfer Systems. IEEE Trans. Power Electron. 2018, 33, 5492–5501. [Google Scholar] [CrossRef]
- Namgoong, G.; Choi, E.; Park, W.; Lee, B.; Park, H.; Ma, H.; Bien, F. 3–12-V Wide Input Range Adaptive Delay Compensated Active Rectifier for 6.78-MHz Loosely Coupled Wireless Power Transfer System. IEEE Trans. Circuits Syst. Regul. Pap. 2021, 68, 2702–2713. [Google Scholar] [CrossRef]
- Diekhans, T.; De Doncker, R.W. A Dual-Side Controlled Inductive Power Transfer System Optimized for Large Coupling Factor Variations and Partial Load. IEEE Trans. Power Electron. 2015, 30, 6320–6328. [Google Scholar] [CrossRef]
- Wu, M.; Yang, X.; Chen, W.; Wang, L.; Jiang, Y.; Zhao, C.; Yan, Z. A Dual-Sided Control Strategy Based on Mode Switching for Efficiency Optimization in Wireless Power Transfer System. IEEE Trans. Power Electron. 2021, 36, 8835–8848. [Google Scholar] [CrossRef]
- Liu, X.; Gao, F.; Wang, T.; Khan, M.M.; Zhang, Y.; Xia, Y.; Wheeler, P. A Multi-Inverter Multi-Rectifier Wireless Power Transfer System for Charging Stations with Power Loss Optimized Control. IEEE Trans. Power Electron. 2023, 38, 9261–9277. [Google Scholar] [CrossRef]
- Colak, K.; Asa, E.; Czarkowski, D.; Komurcugil, H. A Novel Multi-Level Bi-Directional DC/DC Converter for Inductive Power Transfer Applications. In Proceedings of the Iecon 2015—41st Annual Conference of the IEEE Industrial Electronics Society, Yokohama, Japan, 9–12 November 2015; pp. 3827–3831. [Google Scholar]
- Cheng, L.; Ge, X.; Ng, W.C.; Ki, W.-H.; Zheng, J.; Kwok, T.F.; Tsui, C.-Y.; Liu, M. A 6.78-MHz Single-Stage Wireless Charger with Constant-Current Constant-Voltage Charging Technique. IEEE J. Solid-State Circuits 2020, 55, 999–1010. [Google Scholar] [CrossRef]
- Choi, J.-H.; Yeo, S.-K.; Park, S.; Lee, J.-S.; Cho, G.-H. Resonant Regulating Rectifiers (3R) Operating for 6.78 MHz Resonant Wireless Power Transfer (RWPT). IEEE J. Solid-State Circuits 2013, 48, 2989–3001. [Google Scholar] [CrossRef]
- Pan, J.; Abidi, A.A.; Jiang, W.; Markovic, D. Simultaneous Transmission of Up To 94-mW Self-Regulated Wireless Power and Up To 5-Mb/s Reverse Data Over a Single Pair of Coils. IEEE J. Solid-State Circuits 2019, 54, 1003–1016. [Google Scholar] [CrossRef]
- Chen, C.-I.; Covic, G.A.; Boys, J.T. Regulator Capacitor Selection for Series Compensated IPT Pickups. In Proceedings of the 2008 34th Annual Conference of IEEE Industrial Electronics, Orlando, FL, USA, 10–13 November 2008; pp. 932–937. [Google Scholar]
- Zhou, Z.; Zhang, L.; Liu, Z.; Chen, Q.; Long, R.; Su, H. Model Predictive Control for the Receiving-Side DC–DC Converter of Dynamic Wireless Power Transfer. IEEE Trans. Power Electron. 2020, 35, 8985–8997. [Google Scholar] [CrossRef]
- Zheng, Z.; Fang, X.; Zheng, Y.; Feng, H. A Wireless Power Transfer System Based on Dual-Band Metamaterials. IEEE Microw. Wirel. Compon. Lett. 2022, 32, 615–618. [Google Scholar] [CrossRef]
- Correa, D.C.; Resende, U.C.; Bicalho, F.S. Experiments With a Compact Wireless Power Transfer System Using Strongly Coupled Magnetic Resonance and Metamaterials. IEEE Trans. Magn. 2019, 55, 8401904. [Google Scholar] [CrossRef]
- Lee, W.; Yoon, Y.-K. Tunable Metamaterial Slab for Efficiency Improvement in Misaligned Wireless Power Transfer. IEEE Microw. Wirel. Compon. Lett. 2020, 30, 912–915. [Google Scholar] [CrossRef]















| Topology | Number of Switches | Number of LC | Output Polarity | Iin | Efficiency |
|---|---|---|---|---|---|
| Buck | 1 | 1/1 | Same | Discontinuous | High |
| Boost | 1 | 1/1 | Same | Continuous | High |
| Single buck–boost | 1 | 1/1 | Opposite | Discontinuous | Medium |
| Cuk | 2 | 2/2 | Opposite | Continuous | Medium |
| Zeta | 2 | 2/2 | Same | Discontinuous | Medium |
| SEPIC | 2 | 2/2 | Same | Continuous | Medium |
| Dual-switch buck–boost | 2 | 1/1 | Same | Discontinuous | High |
| Converter Type | Author | Frequency of Regulator | Output Rating | Controller | Advantages | Disadvantages | Features |
|---|---|---|---|---|---|---|---|
| Buck | Zhang et al. [27] | 20 kHz | 80 V, 1600 W | PI controller | Simple structure, high output current capabilities | Hard switching | Efficiency 92.5% |
| Li et al. [28] | 20 kHz | 91.4 V, 3.3 kW | PI controller | Efficiency 88.05% | |||
| Synchronous Buck | Li et al. [30] | 200 kHz | 5 V, 5 W | Feedforward control | High efficiency, fast dynamic response | High control accuracy requirements | Settling time shortened by 65.1%, overshoot reduced by 13.2% |
| Dual-Input Buck | Song et al. [32] | 20 kHz | 133 V, 1.5 kW | Constant resistance (double closed loop) | High efficiency, low power fluctuation | Performance degradation under non-ideal conditions | Fluctuation factors 1.37%, 3.19%, and 4.69% |
| Boost | Song et al. [33] | 20 kHz | 210 V, 1470 W | Constant-resistance control | Input current continuous, low current stress | Control complexity | Receiver-side current stress, 29% stress reduction |
| Cascade Boost–Buck | Fu et al. [34] | 20 kHz | 17 V, 40 W | Double PI controller | No additional impedance matching network | Complex structure, low power level | Efficiency 81% |
| Single Buck–Boost | Yang et al. [36] | 20 kHz | 10 V, 40 W | Discrete sliding mode control | Wide range input and output voltage, simple structure | Opposite polarity, high switch stress | Efficiency 60% |
| Hu et al. [37] | 100 kHz | 45 V, 200 W | Dynamic mutual inductance estimation | Efficiency 80% | |||
| Dual Buck–Boost | Zhang et al. [38] | 20 kHz | 60 V, 360 W | Asynchronous control | Wide voltage conversion range, low switch stress | Complex control strategy | Efficiency 95.57% |
| Converter Type | Authors | Frequency of Regulator | Output Rating | Controller | Advantages | Disadvantages | Features |
|---|---|---|---|---|---|---|---|
| Three-mode reconfigurable rectifier | Cheng et al. [79] | 56.65 kHz | 3.6 V, 3.5 W | PWM with mode switching | Flexible output voltage control, multiple application scenarios | Complex control, complex hardware, and low efficiency | Efficiency 92.2% (Receiver) |
| Choi et al. [80] | 6.78 MHz | 5 V, 6 W | Manual control | Efficiency 86% (Receiver) | |||
| Full-bridge active rectifier | Zhao et al. [72] | 6.78 MHz | 42.3 V, 44.9 W | Adaptive synchronous driving phase control | High output current capabilities, low current stress, uniform current distribution | High voltage stress at high frequencies, complex control | Efficiency 87.18% (WPT) |
| Half-bridge active rectifier | Li et al. [73] | 917 kHz | 33.2 V, 50 W | PDM | Simple circuit structure, low voltage stress | Low-output-voltage application, limited output current capabilities, additional voltage multiplier | Efficiency 70% (WPT) |
| Dual-switch active bridge converter | Diekhans et al. [75] | 35 kHz | 400 V, 3 kW | Dual-side control strategy | Soft switch operation, simple circuit structure | Second harmonic current, limited efficiency, limited output voltage range | Efficiency 95.8% (WPT) |
| Multi-level converter | Colak et al. [78] | 150 kHz | 100 V, 1 kW | Phase shift | High efficiency, high-power applications | Complex control, limited output voltage range | Efficiency 93% (WPT) |
| Full-bridge diode rectifier interleaved buck hybrid | Li et al. [55] | 100 kHz | 12 V, 35 W | PI controller | Efficient operation, high output current capabilities | Complex control, dependent on output capacitance | Efficiency 96% (Receiver) |
| Li et al. [54] | 200 kHz | 8 V, 16 W | Phase-shift modulation | Efficiency 96% (Receiver) |
Disclaimer/Publisher’s Note: The statements, opinions and data contained in all publications are solely those of the individual author(s) and contributor(s) and not of MDPI and/or the editor(s). MDPI and/or the editor(s) disclaim responsibility for any injury to people or property resulting from any ideas, methods, instructions or products referred to in the content. |
© 2025 by the authors. Licensee MDPI, Basel, Switzerland. This article is an open access article distributed under the terms and conditions of the Creative Commons Attribution (CC BY) license (https://creativecommons.org/licenses/by/4.0/).
Share and Cite
Zhang, J.; Kong, L.; Wang, Z.; Wang, Y.; Liu, Y.; Gao, X.; Zhu, C. Receiver-Side Topologies for Wireless Power Transfer Systems: A Comprehensive Review of the Design, Challenges, and Future Trends. Energies 2025, 18, 1493. https://doi.org/10.3390/en18061493
Zhang J, Kong L, Wang Z, Wang Y, Liu Y, Gao X, Zhu C. Receiver-Side Topologies for Wireless Power Transfer Systems: A Comprehensive Review of the Design, Challenges, and Future Trends. Energies. 2025; 18(6):1493. https://doi.org/10.3390/en18061493
Chicago/Turabian StyleZhang, Jiantao, Lingyu Kong, Ziteng Wang, Yao Wang, Ying Liu, Xin Gao, and Chunbo Zhu. 2025. "Receiver-Side Topologies for Wireless Power Transfer Systems: A Comprehensive Review of the Design, Challenges, and Future Trends" Energies 18, no. 6: 1493. https://doi.org/10.3390/en18061493
APA StyleZhang, J., Kong, L., Wang, Z., Wang, Y., Liu, Y., Gao, X., & Zhu, C. (2025). Receiver-Side Topologies for Wireless Power Transfer Systems: A Comprehensive Review of the Design, Challenges, and Future Trends. Energies, 18(6), 1493. https://doi.org/10.3390/en18061493

