Grid-Connected Key Technical Indicators and Evaluation Methods for Multi-Type Synchronous Control Equipment
Abstract
1. Introduction
2. Description of Stability Margin Indicator System of Frequency and Voltage
2.1. Frequency Stability Margin Indicator
2.2. Voltage Stability Margin Indicator
3. Multi-Objective Comprehensive Evaluation Model and Method for Grid Strength
3.1. Traditional Weight Allocation Method
3.1.1. Evaluation Process of PCAM
3.1.2. Evaluation Process of IIEWM
3.1.3. Evaluation Process of AHPM
3.2. Improved Layered Integration Weight Allocation Method Based on IIEWM-AHPM-PCAM
3.3. Multi-Objective Comprehensive Evaluation Model and Evaluation Process for Grid Strength
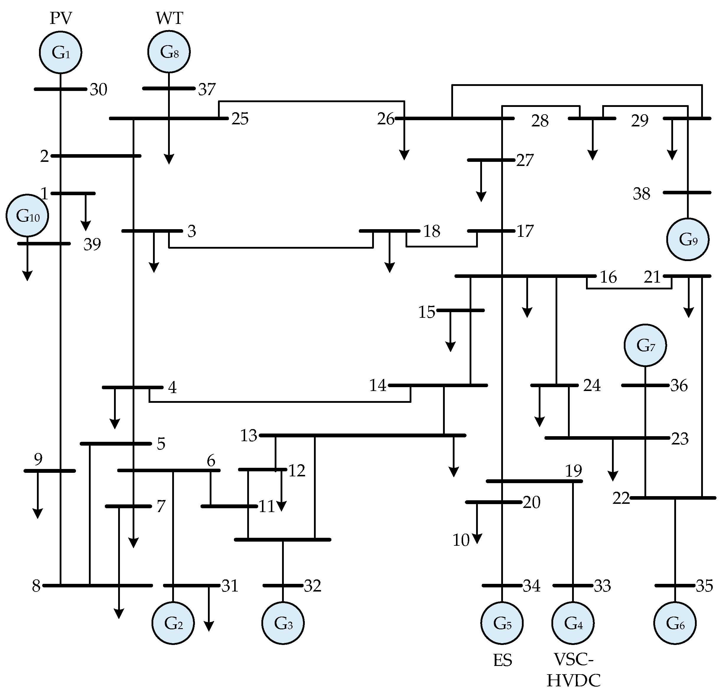
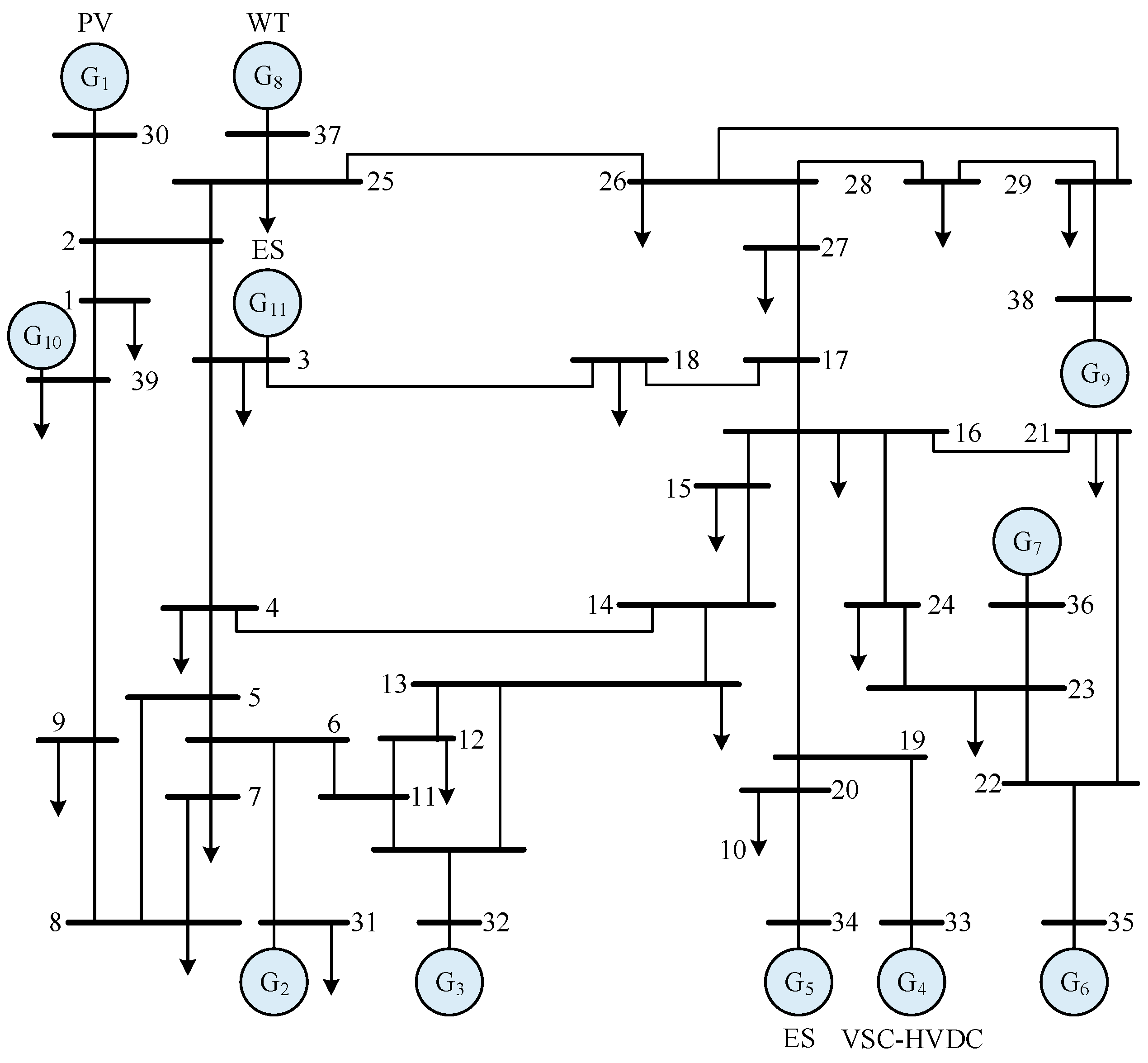
4. Simulation Verification
5. Conclusions
- The sample data with excellent comprehensive evaluation results could be accurately identified by the proposed method, and the support strength of the frequency and voltage of the sample data could be accurately analyzed. Meanwhile, the grid strength of grid-connected systems including multi-type synchronous control equipment was accurately evaluated, with higher credibility compared to AHPM.
- The difference between the results obtained by the proposed method was smaller than that of IIEWM, indicating higher rationality, objectivity, and accuracy. Meanwhile, the proposed method was superior to AHPM and IIEWM in terms of weight allocation. It could more effectively reflect the degree of independence and volatility of data, and was more conducive to processing and evaluating sample sets with high correlation and data volatility.
- The evaluation of the stability margin of the frequency and voltage of grid-connected systems including multi-type synchronous control equipment could be achieved by the indicator system established in this paper. An improved weight allocation method of IIEWM-AHPM-PCAM was provided, which could accurately reflect the fluctuation and independence of indicator data. Also, a novel comprehensive evaluation model and method for grid support strength was provided, achieving an accurate evaluation of support strength of frequency and voltage. The feasibility of the method was confirmed by simulation results.
Author Contributions
Funding
Data Availability Statement
Conflicts of Interest
References
- Li, W.; Liu, S.F.; Lu, C. An Evaluation Concentrated on Post-Peak Carbon Trend Scenarios Designing and Carbon Neutral Pathways in Hebei Province, China. J. Clean. Prod. 2024, 441, 140952. [Google Scholar] [CrossRef]
- Xu, G.Y.; Zang, L.M.; Schwarz, P.; Yang, H.L. Achieving China’s Carbon Neutrality Goal by Economic Growth Rate Adjustment and Low-Carbon Energy Structure. Energy Policy 2023, 183, 113817. [Google Scholar] [CrossRef]
- Jia, Z.; Li, H.; Lu, J.; Zhang, Y.L. Can Issuing Carbon Neutral Bonds Promote Low-Carbon Investment in Renewable Energy Industry? Renew. Energy 2024, 234, 121260. [Google Scholar] [CrossRef]
- Zhao, W.; Li, R.; Zhu, S. Subsidy Policies and Economic Analysis of Photovoltaic Energy Storage Integration in China. Energies 2024, 17, 2372. [Google Scholar] [CrossRef]
- Liang, S.H.; Sun, S.P.; Wang, F.J. Coordinated Control Strategy of Photovoltaic Energy Storage Power Station Based on Adaptive Dynamic Programming. Front. Energy Res. 2024, 12, 1419387. [Google Scholar] [CrossRef]
- Yu, D.; Tang, R.; Pan, L.Z. Optimal Allocation of Photovoltaic Energy Storage in DC Distribution Network Based on Interval Linear Programming. J. Energy Storage 2024, 85, 110981. [Google Scholar] [CrossRef]
- Rekioua, D. Energy Storage Systems for Photovoltaic and Wind Systems: A Review. Energies 2023, 16, 3893. [Google Scholar] [CrossRef]
- Zheng, Z.X.; Zou, Y.; Xie, Q.; Liu, L.; Ren, J.; Xiao, X.Y.; Zhang, J.C. Side Effect of VSC-HVDC on Commutation Failure in LCC-HVDC Caused by Sending End AC Faults. IEEE Trans. Power Deliv. 2024, 39, 1310–1313. [Google Scholar] [CrossRef]
- Mohammadi, F.; Danapour, S.N.; Rouzbehi, K. Integrated Wind Turbines and HVDC Power Transmission Lines. IEEE Trans. Sustain. Energy 2024, 15, 2134–2137. [Google Scholar] [CrossRef]
- Fan, X.J.; Chi, Y.N.; Wang, Z.B. Frequency Support Scheme of Grid-Forming Based Hybrid Cascaded HVDC Integrated Wind Farms. IET Gener. Transm. Distrib. 2024, 18, 446–459. [Google Scholar] [CrossRef]
- Lim, J.S.; Kwon, D.H.; Yoon, Y.T.; Moon, S.I. A Coordinated Control Strategy of MT-HVDC Grids to Reduce Real-Time Frequency Deviations by Considering Malfunction of Converter. IEEE Access 2024, 12, 12356–12369. [Google Scholar] [CrossRef]
- Wang, Q.Q.; Yao, L.Z.; Xu, J.; Zheng, Y.P.; Li, W.; Wang, W. Steady-state Voltage Security-constrained Optimal Frequency Control for Weak HVDC Sending-end AC Power Systems. J. Mod. Power Syst. Clean Energy 2024, 12, 658–669. [Google Scholar] [CrossRef]
- Lei, P.; Zhao, J.Q. The Analysis of the Threshold Value of the Complex Short-Circuit Ratio Index and its Significance in the Context of Static Voltage Stability. Front. Energy Res. 2024, 12, 1413910. [Google Scholar] [CrossRef]
- Xiao, H.; Duan, X.Z.; Zhang, Y. Accurate Distinction of Weak and Strong AC Grids for Emerging Hierarchical-Infeed LCC-UHVDC Systems. CSEE J. Power Energy Syst. 2024, 10, 772–777. [Google Scholar]
- Liyanarachchi, L.; Hosseinzadeh, N.; Gargoom, A.; Farahani, E.M. A New Index for the Assessment of Power System Strength considering Reactive Power Injection and Interaction of Inverter Based Resources. Sustain. Energy Technol. Assess. 2023, 60, 103460. [Google Scholar] [CrossRef]
- Wang, G.T.; Huang, Y.; Xu, Z. Voltage Stiffness for Strength Evaluation of VSC-Penetrated Power Systems. IEEE Trans. Power Syst. 2024, 39, 6119–6122. [Google Scholar] [CrossRef]
- Yamada, Y.; Tsusaka, A.; Nanahara, T.; Yukita, K. A Study on Short-Circuit-Ratio for an Inverter-Based Resource With Power-Voltage Curves. IEEE Trans. Power Syst. 2024, 39, 6076–6086. [Google Scholar] [CrossRef]
- Henderson, C.; Egea-Alvarez, A.; Kneuppel, T.; Yang, G.Y.; Xu, L. Grid Strength Impedance Metric: An Alternative to SCR for Evaluating System Strength in Converter Dominated Systems. IEEE Trans. Power Deliv. 2024, 39, 386–396. [Google Scholar] [CrossRef]
- Liu, C.X.; Xin, H.H.; Wu, D.; Gao, H.S.; Yuan, H.; Zhou, Y.H. Generalized Operational Short-Circuit Ratio for Grid Strength Assessment in Power Systems with High Renewable Penetration. IEEE Trans. Power Syst. 2024, 39, 5479–5494. [Google Scholar] [CrossRef]
- Wang, G.Z.; Xin, H.H.; Wu, D.; Li, Z.Y.; Ju, P. Grid Strength Assessment for Inhomogeneous Multi-infeed HVDC Systems via Generalized Short Circuit Ratio. J. Mod. Power Syst. Clean Energy 2023, 11, 1370–1374. [Google Scholar] [CrossRef]
- Li, B.L.; Xu, S.Y.; Sun, H.D.; Li, Z.H.; Yu, L. System Strength Assessment Based on Multi-task Learning. CSEE J. Power Energy Syst. 2024, 10, 41–50. [Google Scholar]
- Wang, Q.; Li, D.; Zeng, J.; Peng, X.; Wei, L.; Du, W. A Diagnostic Method of Freight Wagons Hunting Performance Based on Wayside Hunting Detection System. Measurement 2024, 227, 114274. [Google Scholar] [CrossRef]
- Varshney, T.; Waghmare, A.V.; Singh, V.P.; Meena, V.P.; Anand, R.; Khan, B. Fuzzy Analytic Hierarchy Process Based Generation Management for Interconnected Power System. Sci. Rep. 2024, 14, 11446. [Google Scholar] [CrossRef] [PubMed]
- Wang, Y.; Yan, C.; Wang, Z.; Wang, J. Adaptability Evaluation of Power Grid Planning Scheme for Novel Power System Considering Multiple Decision Psychology. Energies 2024, 17, 3672. [Google Scholar] [CrossRef]
- Yang, J.; Sun, W.; Ma, M. Evaluation of Operation State of Power Grid Based on Random Matrix Theory and Qualitative Trend Analysis. Energies 2023, 16, 2855. [Google Scholar] [CrossRef]
- Li, G.; Zhang, L.; Wang, Y.; Kang, Z. Critical Node Identification Method of Power Grid Based on the Improved Entropy Weight Method. Electronics 2023, 12, 2439. [Google Scholar] [CrossRef]
- Zhang, G.H.; Ren, J.Z.; Zeng, Y.; Liu, F.; Wang, S.B.; Jia, H.J. Security Assessment Method for Inertia and Frequency Stability of High Proportional Renewable Energy System. Int. J. Electr. Power Energy Syst. 2023, 153, 109309. [Google Scholar] [CrossRef]
- Zhou, H.; Zhang, P.; Luo, Y.Y.; Zheng, S.W.; Meng, Q.; Liao, K. Evaluation Index System and Evaluation Method of Energy Storage and Regional Power Grid Coordinated Peak Regulation Ability. Energy Rep. 2023, 9, 609–617. [Google Scholar] [CrossRef]
- Zhang, M.F.; Xu, Q.W. Deep Neural Network-Based Stability Region Estimation for Grid-Converter Interaction Systems. IEEE Trans. Ind. Electron. 2024, 71, 12233–12243. [Google Scholar] [CrossRef]
- Xu, X.; Wang, K.; Lu, Y.; Tian, Y.; Hu, L.; Zhong, M. Research on Performance Evaluation Index System and Assessment Methods for Microgrid Operation in the Port Area. Sustainability 2023, 15, 15019. [Google Scholar] [CrossRef]
- Liu, J.H.; Wang, C.; Zhao, J.B.; Bi, T.S. RoCoF Constrained Unit Commitment Considering Spatial Difference in Frequency Dynamics. IEEE Trans. Power Syst. 2024, 39, 1111–1125. [Google Scholar] [CrossRef]
- Wang, M.; Cao, Z.; Li, Y.C. Quantum-Behaved Particle Swarm Optimization Based on Concentration Selection Probability Assignment Weights for Power System Economic Dispatch. IEEJ Trans. Electr. Electron. Eng. 2024, 19, 640–652. [Google Scholar] [CrossRef]
- Velasquez, W.; Jijon-Veliz, F.; Alvarez-Alvarado, M.S. Optimal Wireless Sensor Networks Allocation for Wooded Areas Using Quantum-Behaved Swarm Optimization Algorithms. IEEE Access 2023, 11, 14375–14384. [Google Scholar] [CrossRef]
- Li, H.R.; Lv, T.L.; Shui, Y.C.; Zhang, J.; Zhang, H.; Zhao, H.; Ma, S.B. An Improved Grey Wolf Optimizer with Weighting Functions and its Application to Unmanned Aerial Vehicles Path Planning. Comput. Electr. Eng. 2023, 111, 108893. [Google Scholar] [CrossRef]








| Parameters | Value/Unit |
|---|---|
| Rated capacity of system [MW] | 1000 |
| Capacity benchmark value [MW] | 100 |
| Rated frequency of system [Hz] | 50 |
| Total system load [MW/MVar] | 6254.20/221 |
| Sample 1 | Sample 2 | Sample 3 | Sample 4 | |
|---|---|---|---|---|
| Equivalent inertia enhancement factor [multiple] | 1.1 | 1.2 | 1.8 | 2.2 |
| Frequency deviation factor [MW/0.1 Hz] | 5.8 | 6.5 | 8.5 | 12 |
| Voltage stiffness [value] | 0.58 | 0.62 | 0.67 | 0.75 |
| Steady state voltage deviation [%] | 1.8 | 1.7 | 1.2 | 1.1 |
| Methods | Weight of Indicator 1 | Weight of Indicator 2 | Weight of Indicator 3 | Weight of Indicator 4 |
|---|---|---|---|---|
| IIEWM | 0.2700 | 0.2746 | 0.2145 | 0.2409 |
| AHPM | 0.0990 | 0.0957 | 0.3615 | 0.4438 |
| Proposed method | 0.1845 | 0.1852 | 0.2880 | 0.3423 |
| Sample 5 | |
|---|---|
| Equivalent inertia enhancement factor [multiple] | 2.6 |
| Frequency deviation factor [MW/0.1 Hz] | 15 |
| Voltage stiffness [value] | 0.82 |
| Steady state voltage deviation [%] | 0.9 |
Disclaimer/Publisher’s Note: The statements, opinions and data contained in all publications are solely those of the individual author(s) and contributor(s) and not of MDPI and/or the editor(s). MDPI and/or the editor(s) disclaim responsibility for any injury to people or property resulting from any ideas, methods, instructions or products referred to in the content. |
© 2025 by the authors. Licensee MDPI, Basel, Switzerland. This article is an open access article distributed under the terms and conditions of the Creative Commons Attribution (CC BY) license (https://creativecommons.org/licenses/by/4.0/).
Share and Cite
Wu, S.; Wang, D.; Li, Z.; Li, W.; Xu, K. Grid-Connected Key Technical Indicators and Evaluation Methods for Multi-Type Synchronous Control Equipment. Energies 2025, 18, 1111. https://doi.org/10.3390/en18051111
Wu S, Wang D, Li Z, Li W, Xu K. Grid-Connected Key Technical Indicators and Evaluation Methods for Multi-Type Synchronous Control Equipment. Energies. 2025; 18(5):1111. https://doi.org/10.3390/en18051111
Chicago/Turabian StyleWu, Shengjun, Dajiang Wang, Zheng Li, Wenbo Li, and Ke Xu. 2025. "Grid-Connected Key Technical Indicators and Evaluation Methods for Multi-Type Synchronous Control Equipment" Energies 18, no. 5: 1111. https://doi.org/10.3390/en18051111
APA StyleWu, S., Wang, D., Li, Z., Li, W., & Xu, K. (2025). Grid-Connected Key Technical Indicators and Evaluation Methods for Multi-Type Synchronous Control Equipment. Energies, 18(5), 1111. https://doi.org/10.3390/en18051111
