Next Article in Journal
Exploring Trigeneration in MSW Gasification: An Energy Recovery Potential Study Using Monte Carlo Simulation
Previous Article in Journal
The Synergy Potential of Energy and Agriculture—The Main Directions of Development
 
 
Font Type:
Arial Georgia Verdana
Font Size:
Aa Aa Aa
Line Spacing:
Column Width:
Background:
Article

The Implications of Long-Term Local Climate Change for the Energy Performance of an nZEB Residential Building in Volos, Greece

by
Antiopi-Malvina Stamatellou
and
Tassos Stamatelos
*
Department of Mechanical Engineering, University of Thessaly, 38221 Volos, Greece
*
Author to whom correspondence should be addressed.
Energies 2025, 18(5), 1032; https://doi.org/10.3390/en18051032
Submission received: 18 January 2025 / Revised: 15 February 2025 / Accepted: 18 February 2025 / Published: 20 February 2025
(This article belongs to the Section G: Energy and Buildings)

Abstract

The construction of nearly zero-emission buildings in Europe and internationally has become mandatory by legislation. In parallel with these developments, the non-reversible increase in ambient temperatures stresses the buildings’ energy systems during the summer months with extreme temperatures, with their severity varying according to the local microclimate. These phenomena result in an increase in the summer cooling loads. Thus, the HVAC system’s performance during summer needs more careful study, especially for the residential sector and wherever the night cooling effect is no longer capable of releasing the stress. In the present work, the impact of climate change on a residential building’s energy performance is studied through energy simulations. The effect of the future increases in the intensity and duration of summer heat waves is assessed by exploiting the long-term forecasting capabilities of a transformer neural network model, trained by existing meteorological data for the period 2007–2023. Based on the forecasted climatic conditions for 2030 and 2040 produced in this way, the projected effects on the system’s energy performance are assessed. The long-term forecast was aided by 43 years of ambient temperature data for Europe, available through the ERA5 Copernicus program datasets. The respective predictions of the building’s HVAC electricity consumption during future summer heat wave episodes of long durations point to the necessity of special measures to keep the internal grid’s autonomy and reduce unwanted interactions with the external grid. Moreover, further improvements in nZEB building design for improved summer energy performance would be critical to the success of this policy during the next two decades.

1. Introduction

Global warming poses significant challenges to human life and, in particular, to the residential sector. Rising air temperature effects are already being felt, both in relation to indoor and outdoor thermal comfort. Most notable in southern Europe are the increased frequency and duration of extreme events like heat waves, wildfires, and Mediterranean tropical-like cyclones. The associated health risks are felt at an increasing rate.
On the other hand, the increasing urbanization of the residential sector has been associated with complete buildings’ electrification. This excludes space heating by fossil fuel combustion to avoid its associated global warming effects. This trend, combined with the full-electrification trends in the urban transportation networks, has led to further challenges for the electricity grids feeding large urban areas. The necessary response was the promotion of the nearly zero-emission building (nZEB) concept for new constructions and the energy retrofitting of existing buildings to become nZEB. In parallel to these developments, the rapid expansion and further development of smart grids supported by local renewable electricity production has been carried out [1]. As a consequence, research into the smart micro-grids established in nearly zero-emission buildings (nZEBs) has been significantly expanded worldwide [2]. A nearly zero-emission building is very well insulated and equipped with efficient energy systems and controls. Its minimal energy needs are usually covered by in situ renewable sources, mostly rooftop photovoltaic installations [3]. The micro-grids in nZEBs are increasingly designed to be self-sufficient, optimally controlling their grid transactions to safeguard their stability. The current European standards limit the net annual primary energy infusion to 20–30 kWh/m2y [4]. The EPBD Directive [5] mandates all new buildings to be nZEBs. Further, a shift to zero-emission buildings (ZEBs) is projected to be mandated by 2030 [6].
Since the building sector is the most energy consuming in the European Union, responsible for up to 40% of the energy use, many steps have been taken towards decreasing its energy consumption. The mandatory requirement that all new buildings have low-energy consumption and high performance was promulgated with the Directive 2010/31/EU [5]. EU policies and strategies for reducing building energy consumption in the last 50 years have been reviewed in [7]. The net annual primary energy consumption levels of an nZEB in the Mediterranean region is 0–15 kWh/m2y, allowing for variation from one country to the other [7]. EU-funded financial incentives have led to significant energy renovation in the larger buildings of the public sector in Greece, such as schools, hospitals, military buildings, etc. [8].
Unfortunately, the above-mentioned efforts in the developed world could not achieve the initially hoped reduction in the global warming potential. The year 2024 was recorded as the hottest year ever, with the global average temperature at +1.54 (±0.13) °C above the preindustrial level. Heat waves have become more frequent in Europe and especially in the Mediterranean countries. Overall, there is a steady increase in the number of installed air-conditioning systems in residential buildings. The building energy simulations employed for building design now require the updating of their weather data input in order to take into consideration the climate changes. The nZEB philosophy has two goals: the decrease in the building’s energy needs along with the use of local renewable energy sources to cover these needs [9]. The strategies to achieve these goals are mostly passive and climate-specific, taking into consideration the sun, wind, and light of the building’s location. These are achieved by appropriate orientation, shading, natural ventilation, and glazing. Thermal comfort is achieved by the least possible active heating and cooling. Attention is paid to the insulation, the reduction of thermal bridges, and the roof.
However, achieving passive thermal comfort in the summer mainly requires the opposite strategies than in the winter, which makes the construction of comfortable buildings especially difficult for the Mediterranean countries, where the summers can be as intense as the winters [10]. As regards the requirement for more thermal insulation in the building envelope, it is not recommended for countries in the Mediterranean zone as it is bad for thermal comfort in the summer. Due to the above differences, the EPBD Directive allows for a variable definition of the term nZEB, depending on the country [11].
Climate change affects the European countries in the north and the south differently. The longer and warmer summers are especially a problem for southern Europe as they increase the need for attention to thermal comfort in the summer [10]. The heat also coincides with the massive inflow of tourists and exaggerates the problem. It is, therefore, important to monitor the seasonal variability of the electricity demand in places of touristic interest, especially on small islands, and to take advantage of renewables [12]. With today’s energy mixture in electricity generation, a strong influence of the prevailing weather conditions on the electricity system is observed, both in the demand and the supply [13]. In Greece, climate change is anticipated to primarily impact the energy supply, particularly electricity production from hydroelectric and thermal power plants [14].
Global warming, if not seriously confronted, will continue to cause more frequent extreme events with immeasurable costs, which are already challenging the insurance companies’ capacities. The consequences of climate change are present at multiple levels of observation. They include an increase in extreme weather events and natural disasters. A steady rising trend is observed regarding extreme droughts in southern Europe [15]. Taking no climate action would lead to a 4 °C increase in the mean temperature by 2100, while limiting global warming to well below 2 °C would prevent the majority of adverse effects in impacted areas [16]. A global temperature increase to 2 °C above preindustrial levels is viewed as a critical limit that society should aim to stay below to reduce the harmful impacts of human-induced climate change [17]. Variations in temperature and rainfall could affect the severity and length of extreme wildfires across Europe [18]. It is predicted that Europe could face ten times more wildfires in the future because of drought, as well as “fire weather”, becoming more frequent [18]. Coastal flooding will also make extreme changes to the coastline of Europe and influence activities and the economy [19].
Energy simulations have long served building design optimization and energy performance improvements and enabled comparisons between different building types [20]. Under the emerging circumstances, they are a valuable tool for implementing and promoting targeted climate change effect mitigation strategies. Thus, these simulations are essential for improving the energy efficiency of existing buildings, which is a key step toward addressing the challenges posed by climate change.
As regards the effects of global warming on the heating and cooling energy consumption of buildings, several studies have been carried out in various climates. Amaripadath et al. [21] proposed a climate-change-sensitive design methodology for HVAC systems in nZEB office buildings. They considered the long-term effects of climate change on building performance. The climate change effects were assessed using current and future climate data from the regional atmospheric model, Modèle Atmosphérique Régional (MAR) [22]. A case study conducted on an nZEB office building in Brussels indicated a 1.2 °C increase in overheating. The cooling energy use increased to 13.5 kWh/m2. On the other hand, heating energy was estimated to drop to 10.9 kWh/m2 in the reference building by the end of the century. In this type of research, large-scale atmospheric models are employed for climate change prediction. In most cases, these models predict the spatial distribution of the long-term forecast of average annual temperatures [23]. On the other hand, artificial intelligence has also been tested as a means to extract useful information from historical data, since the major trends are profound and easily observable, even on a local scale.
Transformer neural networks have shown a good performance in processing sequential data [24]. Recently, they have been utilized for predicting sequences of climatic data. Nandi et al. employed transformer architecture with a convolution block-augmented encoder to predict temperatures up to 150 days ahead. Training was performed based on 25-year data from five cities around the globe. Accuracy was significantly improved compared to Recurrent Neural Networks (RNNs) and Long Short-Term Memory (LSTM) Networks [25]. In another study, long-term climate projections were made regarding cloud changes and their impact on climatic variables [26]. Piran et al. carried out the short-term forecasting of precipitation data with a transformer network using weather data for the Soyang Dam basin in South Korea [27]. A sea level temperature prediction has also been made using the transformer architecture. The accuracy of prediction was found to increase with input time history, but its success was found to depend on the location [28]. Based on the existing literature, transformer networks have not yet been applied to long-term (multi-year) ambient temperature prediction.
In the present work, a novel methodology is developed to produce hourly weather data as the input for future decades’ building energy simulations in Volos, Greece. The weather data are produced by existing methodologies, developed for compiling Typical Meteorological Years for specific locations in the TRNSYS environment [29], based on averaged meteorological data. The proven capabilities of transformer deep neural networks are employed here for the long-term forecasting of climatic data for Volos for the next two decades, based on existing monthly bulletins of the Greek Meteorological Society. The future weather datasets allow for a detailed study of the transient energy performance of a reference an nZEB building (single family house) in the next decade and beyond. Thus, the implications of long-term local climate change for the nZEB character of the reference building can be studied and design measures proposed to keep the interaction level of the house’s smart grid with the external grid low.
This paper is organized as follows: Section 2 summarizes the observed and forecasted trends in global and southern European/Mediterranean climate change, in parallel with local climate evolution over the last two decades. Section 3 describes the research methodology. In particular, the house and its energy system, employed as a reference for studying the effects of local climatic condition change, its modeling, and the methodology we developed to forecast the evolution of local climatic conditions for the next decade, along with the method to construct the respective parts of representative hourly weather datasets. Section 4 presents and discusses the transient house energy system’s performance, with a special emphasis on the summer months, and assesses the interaction of the house’s smart grid with the external grid during summer heat waves. The conclusions follow in Section 5.

2. The Challenges Posed by Climate Change in the Mediterranean: Local Versus Global Trends

Significant challenges are posed by climate change in the Mediterranean region. Rising temperatures, prolonged heat waves, and water scarcity periods followed by severe rainfall episodes associated with Mediterranean tropical-like cyclones are all particularly pronounced in this area [30].
Especially in Mediterranean urban areas, the microclimate is further deteriorating. The so-called urban heat island (UHI) causes further local overheating. De Christo et al. [31] examined the atmospheric UHI in the Rome urban area based on 2020 and 2022 weather data collected from six meteorological stations. They digitally analyzed the landscape and correlated the percentage of impermeable surfaces with UHI intensity. Dynamic simulations were employed to assess the effects on the heating and cooling energy demand of typical old- and new-construction houses. The UHI was found to significantly increase the cooling energy demand. A similar study was conducted in Athens for July–August 2021 by Roukounakis et al. [32]. The UHI effect was found to locally reach 6–8 °C during the evening hours, compared to summer background conditions. This was attributed to the city’s size, dense concrete construction, high insulation level, and lack of natural vegetation. Tck of et al. [33] investigated areas prone to urban overheating in the Montpellier metropolitan area. This was selected as a representative case study of the French urban planning context. They developed a methodology for assessing UHI vulnerability based on the interaction of exposure and sensitivity to urban planning policies. The most vulnerable areas found were also associated with a high footprint coefficient, little planted space, and non-conformance to air-conditioning installations authorization limits.
Aiming to quantify the global, regional, and local temperature increase trends, the basic information available on the current and future evolution of the global, European, and local climate is summarized. This information is necessary to support the necessary forecasting for the building simulations of future climatic conditions.

The Evolution of the Global and European Climate over the Last Two Decades

Systematic studies of the evolution of the global average surface temperature in the period 1880–today point to a significant increasing trend since 1980. This is more pronounced after 2000, when plotted as the yearly surface average above the 1901–2000 average. European research on climate change is supported by Copernicus, the Earth observation component of the EU’s Space program [34]. It offers information from satellite Earth observation combined with in situ data. In this framework, the C3S ECMWF Reanalysis 5 (C3S ERA5) dataset is the fifth-generation European Centre for Medium-Range Weather Forecasts (ECMWF) reanalysis project. This dataset feeds the ECMWF Integrated Forecasting System (IFS), also exploited to create a homogenized global climate view.
The ERA5 dataset covers the period from 1940 until today, allowing for the estimation of the global average temperature and comparison with a reference period [35]. Following recommendations by the World Meteorological Organization, C3S uses the years 1991–2020 for reference. The Copernicus Global Climate Highlights Report 2024 [36] confirmed 2024 as the warmest year on record. Also, 2024 was the first that exceeded preindustrial levels by 1.5 °C, as regards the annual global mean temperature. The year 2024 was also the warmest for most continental regions.
Although in 1980 the average temperature over European land had not been higher than the 100 years before, it has risen sharply in the last 45 years. Moreover, the temperature increase for Europe is about 1 °C more than the corresponding global increase. The data from six databases [37] agree that the latest five-year-average global temperature (2019–2023) was the highest historically recorded. Europe has been warming twice as fast as the global average since the 1980s. It is the fastest-warming continent. This includes the boreal winter, with the most pronounced heating at northern latitudes, and summer, with the fastest heating recorded in central and southeastern Europe [38]. The mean rate of the temperature increase in Europe, according to ERA5, is 0.47 ± 0.09 °C per decade from 1979 to 2023 (Figure 1) [39].
Focusing on the local climate without the 5-year moving averages, shorter-term variability is observed. Figure 2 compares the annual averages of the ambient air dry bulb temperatures recorded by the local meteorological station of Volos during 2007–2024 [40]. Although the year-to-year variation reaches about ±1.5 °C, the long-term increasing trend is clearly observable. The slope of the increasing annual mean temperature is almost double that of the global near-surface temperature, as already reported for Europe as a whole [36].
More understanding of the microclimate of Volos can be gained by looking at the graph of Figure 3. Here, the main focus is on the statistics of the lowest daily temperatures during the summer months of the years 2007–2023.
The lowest daily temperatures during the summer months in Volos present an increasing trend during the last few years. In the summer of 2021, one day was recorded for which the night temperature did not drop below 31 °C. Summer days for which the lowest temperature recorded did not drop below the level of 27 °C were recorded more and more frequently. Also, during the last few years, the cool summer nights tended to occur less frequently. As may be observed in Figure 4, during the whole summer of 2021, the night temperatures stayed above the minimum level of 22 °C.
The minimum night temperature level of 27 °C is critical because this is related to the highest temperature allowed for the summer thermal comfort of the human being. Whenever the night temperature stays above this threshold, the majority of humans feel the need for air conditioning. Figure 4 indicates an increased number of nights with the lowest ambient temperature exceeding 27 °C during the summer months of 2012, 2021, 2023, and 2024. Moreover, during the last two years, most of these hot nights occurred in a sequence of 5–8 days duration, which leads to the increased thermal stress of the people.
The effect of the increasing requirement for air conditioning during the night hours is observed in the increased night loads of the Greek electricity system, observed especially during the summer of 2024, which resulted several times in an excessive increase in electricity prices. A better understanding of the emerging situation can be based on the daily maximum and minimum electricity load data from the summer of 2022, as compared to the respective daily maximum and minimum ambient air temperatures in Figure 5. The highest daily electricity system loads exceeded 9 GW during the first weekdays of August, where maximum daily temperatures did not exceed 35 °C; however, the lower night temperatures were close to 27 °C.
A comparison with the situation recorded in Figure 6 for the two-week heat wave during the summer of 2024, is very useful. The peak daily system loads well exceeded 11 GW for several days, (15–20 July). During these same days, the minimum night temperature stayed above 27 °C. This heat wave was not limited to Volos but covered all continental Greece and several big islands. The increased minimum electrical load levels of 7 GW during the hottest nights, compared to the respective night loads of the order of 3.6 GW during cool nights in June, imply that the vast majority of the residential and hotel air-conditioning units installed in Greece, with aggregate nominal power of 3.5 GW, was operating during these nights. This emergency situation for the Greek electricity grid during the nights, was successfully met with the aid of high electricity production from wind energy (1.5–2 GW), due to the strong southern winds associated with the heat wave. Further, due to the limited remaining capacity of lignite-fired units, operation of combined cycle and aero-derivative gas turbine units was required, reaching about 3.5–4 GW during the night. This situation resulted in very high electricity prices during the summer months due to the sustained high natural gas prices.
A comparison with a two-week period with low temperatures during the winter of 2024 (Figure 7) shows that the maximum daily electric power production reached 10.8 GW. This is a visualization of the fact that the maximum load of the Greek electricity grid, which traditionally occurred in the winter, has been established in the hot summer months in the recent years.
On the other hand, the minimum daily load recorded during this period is lower than the respective minimum load during the summer heat wave period discussed above. Thus, the gradual increase in the intensity and duration of summer heat wave episodes poses new challenges to the electricity grid. As a more general quantification of these effects, Figure 8 compares the peak electricity demand for the summer months of 2022, 2023, and 2024, along with the total electricity production during these periods.
It can be observed that the peak electricity demand has increased quite significantly during the summer of 2024, presumably due to the excessively long-lasting and demanding heat waves. The same observation can be made with regard to the total electricity production. Under these circumstances, the necessity to forecast the effect of similar episodes on the building energy consumption and the stressing of the electricity grid becomes prominent. To achieve this goal, a methodology was developed and is demonstrated in the next section.

3. Materials and Methods

The methodology developed to address the impact of climate change on building energy performance and to propose and assess the effect of mitigation strategies through energy simulations is presented in the flowchart in Figure 9. The training dataset employed for the climate of Volos covers the period from 2007 to 2023. Long-term forecast trends are embodied in the forecasting model, exploiting mean near-surface temperature trends for Europe, as supplied by the ERA5 Copernicus data for the period 1980–2023. This section describes the tools and software employed, followed by an explanation of the specific methods applied to collect and process each type of input data. The starting point is the description of the residential building and its energy system. System modeling in TRNSYS 16 is briefly presented. Next, the methodology for exploiting the training dataset for the climate of Volos, covering the period from 2007 to 2023, is presented, along with the incorporation of long-term forecast trends in the forecasting model. Previously presented ERA5 Copernicus Data of mean near-surface temperature trends for the period 1980–2023 were employed for this purpose. The transformer deep neural network model was trained and tested using these historical datasets. Then, it was employed for forecasting the daily average, daily maximum, and daily minimum ambient temperatures for Volos for the period 2024–2040. These temperature data were employed in a reconstruction of the respective hourly weather data, to be employed in the TRNSYS house energy system’s simulations.
The methodology was formulated and applied to the case of a reference house located in Volos, Greece, which was subjected to an energy simulation, carried out in TRNSYS 16.1 environment. The modular structure of TRNSYS is favorable for transient computations of complex energy systems [29]. TRNSYS is a standardized simulation environment [42]. The various sub-models employed in the simulation and the respective initial and boundary conditions are briefly presented below. The component sizing was decided in view of the nZEB legislation requirements. Latest technology photovoltaic panels span the building’s flat rooftop space (Figure 10c,d). Volos belongs to the 3C climate zone (warm marine), according to ASHRAE 169 climate classification [43].

3.1. Building and Energy System Description

The basic design of the house can be seen in Figure 10b. The total floor area of the house is 220 m2. More details regarding the building’s shell design can be found in Appendix A. The house is well insulated, with advanced technology windows and shading devices. The building was modeled through a Type 56 multi-zone building model. A Typical Meteorological Year for Volos supplies the hourly weather data required. An advanced technology air-to-water heat pump is deployed for space heating and cooling. LED lighting is employed throughout. Hot water is supplied by a solar water heater installed on the roof.
The twenty PV panels are arranged in portrait orientation (Figure 10c,d). The panel dimensions are 2278 × 1134 mm. The nominal output is 550 Wp (technical data in Table A1). Thus, the rooftop PV installation is sized at 11 kWp. Based on previous studies, a Li-Ion battery pack of 100 kWh capacity is installed (9 kWh per kWp) [8]. This capacity level is capable of shifting the peak summer PV electricity at noon in order to meet the increased house’s electricity demand during the evening hours. This minimizes the need to import electricity from the external grid.

3.2. Transient System Modeling in TRNSYS

The modeling of the house and its energy system was carried out in the TRNSYS 16.1 environment. More details on this type of modeling can be found in [44].
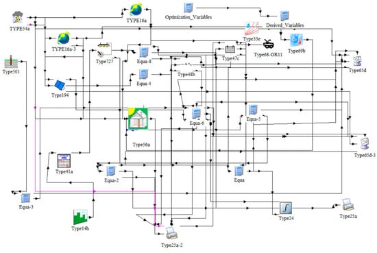
The basic components of the system’s model in TRNSYS are presented in Figure 11, along with their inter-connections. The main system components that were modeled are the house (Type 56), the heat pump, the PV panels (Type 194), the inverter (Type 48b), and the batteries (Type 4c). The weather data were inserted in the format of the Typical Meteorological Year (Type 54a) [45]. The TRNSYS Type 54 hourly weather data generator [46] generates hourly weather data given the monthly average values of solar radiation, dry bulb temperature, humidity ratio, and wind speed. The data are generated in a manner such that their associated statistics are approximately equal to the long-term statistics at the specified location [47].

3.3. Parametrization of Weather Data and Use of Neural Networks for Forecasting

The forecasting of future climate evolution is a complex subject of climatology and atmospheric and earth science, which employs a variety of atmospheric, earth, and water body models and their interactions in various scales. On the other hand, in a local context, it would be useful to examine the possibility of exploiting artificial neural networks, which would be trained by simple data on the statistical variation of local ambient air temperatures of the type that is widely available from the meteorological service of each locality. This type of long-term forecasting, despite its well-understood limitations, may be profitably combined with existing methodologies for the production of Typical Meteorological Years. Traditionally, the definition of the TMY was based on the processing of meteorological data from two decades and the selection of the most typical months (from different years) to concatenate. However, the fast evolution of climatic conditions recorded globally during the last decade necessitates the replacement of a Typical Meteorological Year as the input to building energy simulation codes with a meteorological data file of the same structure as the TMY, which would be based on shorter time periods, with measured or forecasted climate data. The specific approach selected for the task of forecasting basic climate statistics for the next two decades is discussed in this section.

3.4. The Use of the Transformer ANN for Forecasting

The transformer model family of artificial neural networks [25] has demonstrated improved modeling capabilities for time series predictions. The basic architecture of the transformer ANN employed in this problem is presented in Figure 12. The network architecture of Figure 12 was developed by introducing the so-called transformer layers, using the Deep Network Designer environment of MATLAB R2024a [48]. The transformer layers are capable of handling time series prediction based on historical financial data, weather data, etc. They can capture temporal and long-term dependencies in the time series. The following layers were utilized in the forecasting model: a position embedding layer, two self-attention layers, and a 1-D indexing layer. The position embedding layer encodes each element’s positional information. In this way, the model learns to recognize the periodic fluctuations in different time scales within the data. The self-attention layer allows the model to assess the relative importance of the various elements. Finally, the 1-D indexing layer extracts the data from the specified input data index. The final step is the regression of the self-attention layer’s output. The process begins by preprocessing the input data (Figure 12) and partitioning it into two parts: The training part (1 January 2007–31 December 2020) and the testing part (1 January 2021–31 December 2023) of the dataset. Next, the training data are standardized, and the testing data are normalized. The normalization is based on the mean and the standard deviation of the training data. Within the normalized data, a 10-day array of temperatures corresponding to each temperature in the dataset serve as the sequential input. Each 10-day rolling window of actual temperature data is employed to predict the temperature on the next day. The following values are selected for the respective hyper-parameters of the ANN.
Number of Channels = 5;
Max position = 256;
Number of Heads = 4;
Number of key Channels = (number of Heads)*32;
Training options:
maxEpochs = 100;
miniBatchSize = 32;
learning rate = 0.001;
solver: adam;
shuffle: every epoch;
gradient threshold = 10;
The process is repeated for all the attention heads, which can process the input in parallel. The multiple heads assist the model in learning the different modes of data relationships.
A snapshot of the outcome of the training progress is shown in Figure 13. The trained and tested model can be used to make predictions of the future daily average and maximum and minimum temperatures, based on the previous 10-day rolling window.
The recorded data for 2024 were not employed in the training and testing of the ANN. Instead, they are employed in the next section to better assess and understand the model’s forecasting capacity.

4. Results

This section starts with a presentation of the results of the transformer ANN forecasting, (1 January 2024–31 December 2040) out of which, representative climatic conditions for 2030 and 2040 were extracted in the form of the daily average and the maximum and minimum ambient air temperatures. These temperature data were employed in a reconstruction of the respective hourly weather data, which were employed in the house energy system’s simulations.
Then, the building energy system’s simulation was carried out and the results are shown in the form of transient performance graphs and overall energy balances. A special emphasis was placed on the summer months, especially the heat wave sequences, for which the effects on the system’s interaction with the grid were studied. Finally, the system’s optimization directions were proposed, in order to meet the additional thermal stresses.
The first step was the assessment of the model’s ability to match the historical temperature data (2007–2023) employed as the input. This was assessed by a comparison of the forecasted time series of the 24 h mean, maximum, and minimum temperatures for the year 2023 with the data recorded by the meteorological station of Volos. An example of this comparison is presented in Figure 14 for the three summer months of 2023.
As seen by this comparison, the trained model was capable of closely following the day-to-day variation in the maximum and minimum ambient dry bulb temperatures during the summer months of 2023. As regards the maximum values, the model under-predicted, by 1–2 °C, several high spikes above 40 °C.
For the quantitative assessment of the training quality, the following performance metrics, usually applied in load forecasting problems, were employed: the Root Mean Square Error (RMSE), Mean Bias Error (MBE), Mean Absolute Percentage Error (MAPE), Mean Absolute Error (MAE), and normalized Root Mean Square Error (nRMSE), defined as follows:
RMSE = 1 N i = 1 N P f i P m i 2
MBE = i = 1 N ( P f i P m i ) N
MAPE = 100 % N i = 1 N ( P f i P m i ) P m i
MAE = i = 1 N ( P f i P m i ) N
nRMSE = i = 1 N Pf i Pm i 2 i = 1 N Pm i 2
where P m i and P f i are the actual and forecasted mean, maximum, or minimum temperatures of day i, respectively, and i = 1,2, …, N is the sequential number of days in the time period examined (e.g., for the summer months, N = 92).
A detailed comparison of the above-mentioned error metrics for the years 2007–2023 is presented in Table 1 below.
As seen in Table 1, the comparison between the forecasted and the recorded temperatures for the validation year 2024 reveals quite significant deviations in terms of the RMSE, MAPE, MAE, and nRMSE. The actual situation is better depicted and discussed in the next subsection.

4.1. Forecasted Climate Data for the Period 2024–2040

Based on the above demonstration of the performance of the forecasting model in training and testing for the period 2007–2023, the trained model was set to forecast the evolution of ambient temperatures in Volos for the period 2024–2040. In this way, an initial assessment of the quality of forecasting was made for the year 2024, for which the measured data were now available. As mentioned above, the first, superficial view of the model’s forecasting performance was based on a comparison of the forecasted time series of 24 h mean, maximum, and minimum temperatures for the year 2024 with the real data recorded by the meteorological station of Volos. The error metrics of this comparison were presented in the last line of Table 1. The actual situation can be better understood in the optical comparison of the forecasted and measured 24 h maximum and minimum temperatures of Volos for the three summer months of 2024, presented in Figure 15.
This figure offers a more in-depth understanding of what is the reasonably expected quality of the long-term forecasting of climatic data by transformer networks. Obviously, one could not expect to forecast the day-to-day evolution of temperatures on future dates, which is clearly impossible. What is important is to forecast the statistical distribution of the daily temperature mean, maximum, and minimum levels. For example, a comparison of the statistics of the forecasted and the measured 24 h mean temperatures during the summer months of 2024 is presented in Figure 16.
A more detailed comparison of the forecasted and the actually recorded temperatures for the summer of 2024 is presented in Table 2. The first two columns of this table compare the means and standard deviations of the measured and the forecasted distributions already presented in Figure 16 for the 92 days of the summer of 2024.
In addition, the means and standard deviations of the measured and forecasted distributions of the daily maximum and minimum temperatures, as well as the diurnal temperature variation, are also compared in Table 2. It can be observed that the forecast underpredicts the averages of the mean, maximum, and minimum temperatures by about 1.5 °C. Indeed, the ERA5 statistical data for southern Europe for the summer 2024 indicated a significant, unexpected temperature increase, which resulted in the hottest summer of all recorded time. On the other hand, as already seen in the example of Figure 16, the standard deviations of the forecasted distributions are higher, by about 1 °C. This can be observed as the higher variability of the forecasted temperatures in the comparison in Figure 15. Finally, the forecasted mean of the diurnal temperature variation distribution was accurately predicted. The demonstrated comparison in Table 2 gives an overview of the reasonably expected quality of long-term ambient temperature forecasts. As already learned through the study of the training datasets, the meteorological conditions showed significant periodic fluctuations, with variable periods of 2 to 5 years, or even more. Thus, one could not expect a high prediction accuracy for a specific year. On the other hand, the transformer neural network model was observed to recognize the periodic fluctuations in different time scales within the data.
The forecasting quality for the mean temperatures is critical for the usefulness of the building energy system simulation, since the mean temperatures are input to the software producing the meteorological data that are inserted to the TRNSYS simulation. As already explained, the TRNSYS hourly weather data generator [46] generates hourly weather data based on the monthly average values of solar radiation, dry bulb temperature, humidity ratio, and wind speed. For the generation of hourly weather data by means of the TRSNYS Type 54, the forecasted mean temperatures for a future year will be deployed. As regards the average values of the total horizontal solar radiation, the humidity ratio and the wind speed, the assumption can be made that they are not significantly changed in the near future.

4.2. The Forecasting of the Climatic Conditions in Volos for the Year 2030

Having carried out the forecasting for the period of 2024–2040, the focus was shifted to the specific results pertaining to 2030. These results will be exploited in producing a Meteorological Year for 2030, to be fed as input to the building energy simulation. The examination of the forecasted data in Figure 17 indicates increased average temperatures, exceeding 30 °C for 37 out of the 92 total days of the summer of 2030. On the other hand, a total of 9 days with a minimum temperature above the critical value of 27 °C are forecasted.
A more concise view of the forecasted indicative meteorological conditions for the summer of 2030 can be made by comparing the statistics of the forecasted 24 h mean, maximum, and minimum temperatures during the summer months, presented in Figure 18.

4.3. The Forecasting of the Climatic Conditions in Volos for the Year 2040

The next step in exploiting the forecasted data for the period of 2024–2040 is to examine the specific results pertaining to 2040 in order to exploit them in the building energy simulation. As a starting point, Figure 19 presents the evolution of the forecasted 24 h mean, maximum, and minimum ambient temperatures in Volos during June, July, and August 2040.
The examination of the forecasted data in Figure 19 indicates significantly increased average temperatures, exceeding 30 °C for 41 out of the 92 total days of the summer of 2040. On the other hand, a total of 19 days with a minimum temperature above the critical value of 27 °C are forecasted.
A more concise view of the forecasted indicative meteorological conditions for the summer of 2030 can be made by comparing the statistics of the forecasted 24 h mean, maximum, and minimum temperatures during the summer months, presented in Figure 20. The maximum daily temperature now averages over 34 °C for the summer. The minimum daily temperature is forecasted to be 24.6 °C, on average, for all of summer. That is very close to the 27 °C threshold, which usually corresponds to the 25–26 °C operative temperature threshold of the summer thermal comfort conditions of the ANSI/ASHRAE Standard 55 [49].

4.4. System’s Performance with Current Meteorological Conditions

The transient performance graphs were produced with a 1 h time step. Electricity that was imported or exported to the grid was also presented in the graphs. The results of the transient runs during the periods of several days representing the hot season of the year will be helpful for comparisons with the respective electrical load curves. However, as a first step in the system’s performance assessment, it was important to integrate the building’s performance on a monthly basis. The photovoltaic energy produced and consumed monthly, along with the major consumption types, is presented in Figure 21. The maximum consumption was in July (about 1600 kWh). Based on the total electricity imported from grid of 1900 kWh(e), the annually imported primary energy per m2 of conditioned area (220 m2) amounts to 30 kWh/m2. Additionally, a total of 1400 kWh were exported annually to the grid, mainly during April and May.
The results of Figure 21 refer to the standard weather data, as depicted in the current Typical Meteorological Year. The transient behavior of the building’s energy system can be studied against the hourly load variation and electricity production from various sources in the Greek electricity system during the hottest days of the summer, as shown in Figure 22 for the example of 17 July 2024, which was the hottest day in Volos for 2024.
The results of one week’s transient operation simulation during similar conditions can be studied in Figure 23. The HVAC system’s electricity consumption is seen to be variable, significantly affected by the weather conditions prevailing each day.
The 20-degree tilt angle selected for the rooftop PV panels maximizes PV production in summer. The sizing of the battery storage is observed to operate efficiently during the summer: due to the high PV electricity production, the batteries are fully charged around noon.
Thus, the electricity surplus created can no longer be stored in the battery. This results to a certain amount of electricity being exported to the grid for 1–2 h (green-colored line). During the afternoon hours, the increased electricity consumption for cooling, in combination with the remaining electric loads of the house, can no longer be covered exclusively by the PV production: thus, the battery is seen to discharge down to 65–75% of its capacity, according to the specific day’s insolation conditions and weather (yellow dashed line). It is interesting to note that in this context, the heat pump is not switched off during the night (blue line) and, thus, may further discharge the batteries during hot nights.
A more detailed view of the transient system’s operation can be observed in the graph of Figure 24, where the system’s performance is seen for two consecutive days (48 h in total). During the first night, the ambient temperature only dropped to 27 °C (red line). This resulted in the battery discharging to 65% of its capacity. During the day, the battery is charging and reaches 100% capacity a little after 15:00. This results in it exporting surplus electricity for one hour (15:00–16:00), at power levels of between 1–3 kW (green line). During the next night, the ambient temperature drops, along with the heat pump’s electricity consumption. The battery discharges to about 70% of its capacity. The next morning, the PV production (orange line) is increased due to better insolation conditions. As a result, the battery is fully charged before 14:00, and electricity is exported to the grid for 3 h, at power levels of between 2–6 kW. This discussion should point to the significant role of the battery and PV system sizing in order to keep the nZEB character of the building without stressing the external grid with unwanted quantities of electricity during the early afternoon hours.

4.5. Forecasted System’s Performance for 2030

The forecasted dataset of the daily mean, maximum, and minimum ambient temperatures for the period of 2024–2040 were further exploited for the production of weather data to be input to TRNSYS. The specific forecasting results corresponding to the year 2030 were employed in the production of a Meteorological Year for 2030, according to the methodology described in the previous section. The hourly weather data produced were employed as the input to the building energy simulation in order to forecast the reference house’s transient energy performance for the year 2030.
Starting with the integrated energy performance results on a monthly basis, (Figure 25), a comparison can be made with the respective results of Figure 21, which had been produced according to the standard weather data, as depicted in the current Typical Meteorological Year. According to the 2030 weather data, the maximum consumption is in July, staying at the same levels of 1600 kWh. The forecasted meteorological data point to decreased temperatures during January and February. Thus, the total electricity imported from the grid is now significantly increased to 2700 kWh. Thus, the annually imported primary energy per m2 of conditioned area (220 m2) is now increased to 40 kWh/m2. On the other hand, the total electricity exported to the grid stays at the same level of 1400 kWh, concentrated again in April and May.
Shifting attention to the transient behavior of the building’s energy system, Figure 26 presents the situation during one typical week in July. The system’s behavior is not significantly changed from the one discussed in Figure 23 for the current situation. This happens because the forecasted weather for the summer of 2030 is not significantly hotter than that of the currently employed Typical Meteorological Year.
The next step is to proceed with the computations of the energy performance of the reference house, based on the forecasted climatic conditions of 2040.

4.6. The Forecasted System’s Performance for the Summer of 2040

Starting again with the integrated energy performance on a monthly basis (Figure 27), a comparison can be made with the respective results of Figure 21, produced according to the standard weather data, and those of Figure 25, which were based on the forecasted 2030 weather data. The maximum consumption is in July, staying at the same level of 1600 kWh. The forecasted meteorological data point to increased winter temperatures. Thus, the total electricity imported from the grid decreased to 1670 kWh and the annually imported primary energy per m2 decreased to 26 kWh/m2. Thus, the nZEB character of the building is not compromised, mainly because of the decreased winter electricity consumption of the heat pump. Although the total electricity imported from the grid is reduced, one may observe that not-negligible imports from the grid continue to be observed in summer and autumn. This is due to an increase in the heat pump electricity consumption during these months. At the same time, one may observe that the total electricity exported to the grid increased to 1500 kWh, mainly concentrated in April, May, and June.
The following general observation can be made from the monthly integrated building’s energy performance as forecasted for 2040: although the nZEB character of the building is not affected, the interactions of the building’s smart grid with the external grid, both via imports and exports, are seen to be more frequent year-round. This situation needs more attention by means of studying the transient simulation results. That is, further optimization is required for the internal smart grid, to avoid unwanted effects to the external grid. An example of the emerging situation during summer heat waves is presented in Figure 28. This is a week at the end of July, as forecasted for 2040. This week combines very high ambient temperatures (the lowest 24 h temperature for the third day stays a little higher than 30 °C), with some partly cloudy days with reduced insolation (thin, brown-colored line). As a result, the battery charge, starting at 60%, never reaches 100% during the whole week. As a consequence, no electricity is exported to the grid. On the contrary, due to the increased electricity consumption of the heat pump in the middle of the week, the battery charge is observed to drop to the lowest allowable limit of 25%. As a consequence, electricity must be imported from the grid for several hours, during the second, third, and fourth day (brown-colored line).
The above remarks point to the need for further expanding the battery capacity, in order to reduce the interaction with the grid during these future situations. This is demonstrated in the next subsection.

4.7. Proposed System’s Optimization Directions

As previously mentioned, the obvious optimization step to improve the house’s energy performance and reduce interaction with the grid is to increase the battery capacity. Based on the transient behavior of the system demonstrated above, a significant increase is necessary, at least by 25%, to avoid the full depletion of the battery charge in situations like the one shown in Figure 28. Based on this assumption, the building energy system’s simulation for the 2040 weather data was repeated in a series of runs, by stepwise increasing the Li-Ion battery capacity from the baseline of 100 kWh to a 125, 150, 175, and 200 kWh capacity. The results regarding the grid interaction are presented in Figure 29.
Based on the results of Figure 29, it was observed that increasing the battery capacity up to 150 kWh resulted in a significant reduction, both in terms of the total electricity imported from the grid and of the total electricity exported to the grid. Further increases in the battery capacity produced diminishing returns that did not sufficiently reward the added cost. Further, it is interesting to observe the change in the system’s behavior with the optimally selected battery capacity of 150 kWh during the same week of late July examined in Figure 28. This is presented in Figure 30.
The comparison of the two figures shows that the battery with the increased capacity was depleted to a 25% charge for only two instead of three nights, resulting in a reduction of electricity imports from the grid. Overall, the system with the optimal battery capacity of 150 kWh (which amounts to 13.6 kWh/KWp of the installed PV capacity) imports annually 1485 kWh from the grid and exports 1340 kWh to the grid. Overall, its electricity balance with the grid approaches zero.
Based on the above findings, nZEB buildings would need an increased battery capacity to address the forecasted, more intense heat wave episodes of the next 15 years. Further improvements in the nZEB building design for improved summer energy performance should include an increase in battery storage capacity, along with passive design measures in the form of an increase in the structure’s heat capacity, and the installation of smart solar shading measures to reduce summer overheating.

5. Conclusions

The importance of local climate prediction in enhancing building energy efficiency was demonstrated in the present study of the energy performance of a reference single family house in Volos, Greece, under current and future climate conditions.
The proven forecasting ability of transformer deep neural networks was employed for the first time, for the long-term prediction of temperature variation during the summers of the next decade and more. The forecasting methodology took into account the evolution of the climate of Volos, Greece, during the last sixteen years, in combination with long-term temperature increase information in the ERA5 data for Europe.
The proposed methodology produces hourly weather data for the TRNSYS simulation of the house’s energy performance for the years 2030 and 2040. In this way, the effect of the increased future intensity and duration of summer heat waves was assessed by exploiting the long-term forecasting capabilities of transformer neural networks.
The predictions of the building’s HVAC electricity consumption during future summer heat wave episodes of long durations point to the necessity of special measures to keep the internal grid’s autonomy and reduce unwanted interactions with the external grid. This holds especially true for the climatic conditions of 2040.
The total electricity imported from the grid for 2040 is forecasted to decrease compared to the currently estimated amount. The annually imported primary energy per m2 decreased to 26 kWh/m2, compared to the current figure of 30 kWh/m2. On the other hand, the nZEB character of the building was not compromised because of the decreased winter electricity consumption of the heat pump.
However, although the total electricity imported from the grid was reduced, not-negligible imports from the grid continued to exist in late summer and autumn, due to the phasing of the loads with PV production. Further reductions in grid interaction must be attained by increasing the battery capacity. Following a battery capacity optimization study for the year 2040, the optimal battery capacity result was 13.6 kWh per KWp installed PV capacity, compared to the 9.1 kWh/KWp of the reference system studied for the current climate data. The optimized system would import annually 1485 kWh from the grid and export 1340 kWh to the grid. Overall, its electricity balance with the grid would approach zero.
Based on these findings, further improvements in the nZEB building design for improved summer energy performance should include an increase in the battery storage capacity, along with passive design measures in the form of increase in the structure’s heat capacity, and the installation of smart solar shading measures to reduce summer overheating. The role of building energy simulation combined with long-term climate prediction would be critical in these efforts. The conclusions drawn from this study are applicable to other countries in the Mediterranean zone, which face the same type of problems from climate change. On the other hand, quantitative results should only be considered as indicative of existing trends, since the decade-long forecasting of diurnal ambient temperature variation is subject to a multitude of uncertainty factors.

Author Contributions

Conceptualization, T.S. and A.-M.S.; methodology, T.S. and A.-M.S.; software, A.-M.S.; validation, A.-M.S.; formal analysis, A.-M.S.; investigation, T.S. and A.-M.S.; writing—original draft preparation, A.-M.S.; writing—review and editing, T.S.; project administration, T.S. All authors have read and agreed to the published version of the manuscript.

Funding

This research received no external funding.

Data Availability Statement

The data are contained within the article.

Acknowledgments

The authors gratefully acknowledge Olympia Zogou for their assistance with the building design and the energy simulation.

Conflicts of Interest

The authors declare no conflicts of interest.

Abbreviations

The following abbreviations are used in this manuscript:
UHIurban heat island
EUEuropean Union
PVphotovoltaic
nZEBnearly zero-emission building
HVACHeating, Ventilation, and Air Conditioning
MARModèle Atmosphérique Régional
TMYTypical Meteorological Year
TRNSYSTransient System Simulation
LEDLight-Emitting Diode
ERA5ECMWF Reanalysis 5
ECMWFEuropean Centre for Medium-Range Weather Forecasts
C3SCopernicus Climate Change Service
ASHRAEAmerican Society of Heating, Refrigeration, and Air-Conditioning Engineers
ANNartificial neural network
LSTMLong Short-Term Memory Network
RNNRecurrent Neural Network

Appendix A

This section contains more details and data on the house’s location, the climate type and building envelope characteristics, and the characteristics of the heat pump employed in this simulation, as well as the technical data of the reference single-phase inverter.
The house is located in Volos, a coastal city in Greece, latitude 39°21′, longitude 22°56′, with a warm and temperate climate, average monthly temperatures ranging between 8 and 12 °C during winter and 25 and 30 °C in summer, and about 500 mm annual precipitation. It can be categorized into climate zone 3C (warm marine), according to the ASHRAE 169 climate classification.
The insulation values used (Table A1) adhere to the current legislated standards in Greece. Double-glazed windows are employed with U = 1.29 W/m2K and g = 0.333 (solar heat gain coefficient). The window-to-wall ratio is 0.25. Shading is applied to the vertical openings of the house, resulting in shading coefficients ranging from 0.70 for the south-facing openings to 1.00 for the north-facing ones (according to the specifications set for the reference building by the Greek building energy efficiency standard). The ventilation rates comply with the requirements of ASHRAE 62.1 [50]. The operation schedule provides the uninterrupted heating or cooling of the house from 07:00–24:00 daily.
Table A1. Insulation data (U-values) for the building envelope (reinforced concrete structure).
Table A1. Insulation data (U-values) for the building envelope (reinforced concrete structure).
Shell TypeLayersU (W/m2K)
Roof insulationReinforced concrete slab, extruded polystyrene, lightweight concrete, ceramic tiles0.293
Concrete columnReinforced concrete, extruded polystyrene0.334
Outside wallCeramic brick, extruded polystyrene, ceramic brick0.313
Floor insulationReinforced concrete slab, extruded polystyrene0.564
Table A2. Technical data of the 550 Wp monocrystalline silicon PV modules NB-JD550, as used in Type 194 [51].
Table A2. Technical data of the 550 Wp monocrystalline silicon PV modules NB-JD550, as used in Type 194 [51].
PV Module ParameterValueComments
ISC at STC11.54 AShort circuit current
VOC at STC40.81 VOpen circuit voltage
IMPP at STC10.75 ACurrent at max power point
VMPP at STC34.42 VVoltage at max power point
Temp. coeff. of ISC (STC)0.057%/KaISC
Temp coeff of VOC (STC)−0.263%/KbVOC
Cells wired in series2 stringsx72 modules/string
Module temp at NOCT318 K
Ambient temp at NOCT293 K
Module area2.58 m22278 × 1134 mm
Module efficiency21.3%

References

  1. Zheng, Z.; Shafique, M.; Luo, X.; Wang, S. A systematic review towards integrative energy management of smart grids and urban energy systems. Renew. Sustain. Energy Rev. 2024, 189, 114023. [Google Scholar] [CrossRef]
  2. Liu, J.; Wu, H.; Huang, H.; Yang, H. Renewable energy design and optimization for a net-zero energy building integrating electric vehicles and battery storage considering grid flexibility. Energy Convers. Manag. 2023, 298, 117768. [Google Scholar] [CrossRef]
  3. European Commission. Nearly Zero-Energy Buildings. 2022. Available online: https://energy.ec.europa.eu/topics/energy-efficiency/energy-efficient-buildings/nearly-zero-energy-buildings_en (accessed on 7 January 2025).
  4. European Commission. Commission Recommendation (EU) 2016/1318 on Guidelines for the Promotion of Nearly Zero-Energy Buildings and Best Practices to Ensure That, by 2020, All New Buildings Are Nearly Zero-Energy Buildings; Office for Official Publications of the European Communities: Luxembourg, 2016. [Google Scholar]
  5. EU. Directive 2010/31/EU of the European Parliament and of the Council of 19 May 2010 on the Energy Performance of Buildings; EU: Brussels, Belgium, 2010. [Google Scholar]
  6. European Commission. Proposal for a Directive of the European Parliament and of the Council on the Energy Performance of Buildings (Recast) COM/2021/802 Final; Office for Official Publications of the European Communities: Luxembourg, 2021. [Google Scholar]
  7. Economidou, M.; Todeschi, V.; Bertoldi, P.; D’Agostino, D.; Zangheri, P.; Castellazzi, L. Review of 50 years of EU energy efficiency policies for buildings. Energy Build. 2020, 225, 110322. [Google Scholar] [CrossRef]
  8. Roumpakias, E.; Zogou, O.; Stamatellou, A.-M. Optimization of Electrical and Thermal Storage in a High School Building in Central Greece. Energies 2024, 17, 1966. [Google Scholar] [CrossRef]
  9. Jaysawal, R.K.; Chakraborty, S.; Elangovan, D.; Padmanaban, S. Concept of net zero energy buildings (NZEB)—A literature review. Clean. Eng. Technol. 2022, 11, 100582. [Google Scholar] [CrossRef]
  10. Resende, J.; Corvacho, H. Optimisation of Nearly Zero Energy Building Envelope for Passive Thermal Comfort in Southern Europe. Buildings 2024, 14, 2757. [Google Scholar] [CrossRef]
  11. D’Agostino, D.; Mazzarella, L. What is a Nearly zero energy building? Overview, implementation and comparison of definitions. J. Build. Eng. 2019, 21, 200–212. [Google Scholar] [CrossRef]
  12. Ferrari, S.; Zagarella, F.; Caputo, P.; Beccali, M. Mapping Seasonal Variability of Buildings Electricity Demand profiles in Mediterranean Small Islands. Energies 2023, 16, 1568. [Google Scholar] [CrossRef]
  13. Molina, M.O.; Gutiérrez, C.; Ortega, M.; Sanchez, E. Summer heatwaves, wind production and electricity demand in Southern Europe: Climatic conditions and impacts. Environ. Res. Commun. 2023, 5, 085005. [Google Scholar] [CrossRef]
  14. Georgopoulou, E.; Mirasgedis, S.; Sarafidis, Y.; Giannakopoulos, C.; Varotsos, K.V.; Gakis, N. Climate Change Impacts on the Energy System of a Climate-Vulnerable Mediterranean Country (Greece). Atmosphere 2024, 15, 286. [Google Scholar] [CrossRef]
  15. Forzieri, G.; Feyen, L.; Rojas, R.; Flörke, M.; Wimmer, F.; Bianchi, A. Ensemble projections of future streamflow droughts in Europe. Hydrol. Earth Syst. Sci. 2014, 18, 85–108. [Google Scholar] [CrossRef]
  16. Naumann, G.; Cammalleri, C.; Mentaschi, L.; Feyen, L. Increased economic drought impacts in Europe with anthropogenic warming. Nat. Clim. Chang. 2021, 11, 485–491. [Google Scholar] [CrossRef]
  17. Vautard, R.; Gobiet, A.; Sobolowski, S.; Kjellström, E.; Stegehuis, A.; Watkiss, P.; Mendlik, T.; Landgren, O.; Nikulin, G.; Teichmann, C.; et al. The European climate under a 2 °C global warming. Environ. Res. Lett. 2014, 9, 034006. [Google Scholar] [CrossRef]
  18. El Garroussi, S.; Di Giuseppe, F.; Barnard, C.; Wetterhall, F. Europe faces up to tenfold increase in extreme fires in a warming climate. NPJ Clim. Atmos. Sci. 2024, 7, 30. [Google Scholar] [CrossRef]
  19. Vousdoukas, M.I.; Mentaschi, L.; Voukouvalas, E.; Bianchi, A.; Dottori, F.; Feyen, L. Climatic and socioeconomic controls of future coastal flood risk in Europe. Nat. Clim. Chang. 2018, 8, 776–780. [Google Scholar] [CrossRef]
  20. Evangelisti, L.; Battista, G.; Guattari, C.; Basilicata, C.; Vollaro, R.D.L. Analysis of Two Models for Evaluating the Energy Performance of Different Buildings. Sustainability 2014, 6, 5311–5321. [Google Scholar] [CrossRef]
  21. Amaripadath, D.; Rahif, R.; Zuo, W.; Velickovic, M.; Voglaire, C.; Attia, S. Climate change sensitive sizing and design for nearly zero-energy office building systems in Brussels. Energy Build. 2023, 286, 112971. [Google Scholar] [CrossRef]
  22. Kittel, C. Present and Future Sensitivity of the Antarctic Surface Mass Balance to Oceanic and Atmospheric Forcings: Insights with the Regional Climate Model MAR. Ph.D. Thesis, Universite de Liege, Liège, Belgium, 2021. [Google Scholar]
  23. Chen, X.; Raftery, A.E.; Battisti, D.S.; Liu, P.R. Long-term probabilistic temperature projections for all locations. Clim. Dyn. 2023, 60, 2303–2314. [Google Scholar] [CrossRef] [PubMed]
  24. Islam, S.; Elmekki, H.; Elsebai, A.; Bentahar, J.; Drawel, N.; Rjoub, G.; Pedrycz, W. A comprehensive survey on applications of transformers for deep learning tasks. Expert Syst. Appl. 2024, 241, 122666. [Google Scholar] [CrossRef]
  25. Nandi, A.; De, A.; Mallick, A.; Middya, A.I.; Roy, S. Attention based long-term air temperature forecasting network: ALTF Net. Knowl.-Based Syst. 2022, 252, 109442. [Google Scholar] [CrossRef]
  26. Cachay, S.R.; Mitra, P.; Hirasawa, H.; Kim, S.; Hazarika, S.; Hingmire, D.; Rasch, P.; Singh, H.; Ramea, K. ClimFormer—A Spherical Transformer Model for Long-term Climate Projections. 2022. Available online: https://ml4physicalsciences.github.io/2022/files/NeurIPS_ML4PS_2022_28.pdf (accessed on 7 January 2025).
  27. Piran, M.J.; Wang, X.; Kim, H.J.; Kwon, H.H. Precipitation nowcasting using transformer-based generative models and transfer learning for improved disaster preparedness. Int. J. Appl. Earth Obs. Geoinf. 2024, 132, 103962. [Google Scholar] [CrossRef]
  28. Fu, Y.; Song, J.; Guo, J.; Fu, Y.; Cai, Y. Prediction and analysis of sea surface temperature based on LSTM-transformer model. Reg. Stud. Mar. Sci. 2024, 78, 103726. [Google Scholar] [CrossRef]
  29. NN. TRNSYS 16 Manual; Solar Energy Laboratory, University of Wisconsin—Madison: Madison, WI, USA, 2005. [Google Scholar]
  30. Nastos, P.T.; Papadimou, K.K.; Matsangouras, I.T. Mediterranean tropical-like cyclones: Impacts and composite daily means and anomalies of synoptic patterns. Atmos. Res. 2018, 208, 156–166. [Google Scholar] [CrossRef]
  31. De Cristo, E.; Evangelisti, L.; Battista, G.; Guattari, C.; Vollaro, R.D.L.; Asdrubali, F. Annual Comparison of the Atmospheric Urban Heat Island in Rome (Italy): An Assessment in Space and Time. Buildings 2023, 13, 2792. [Google Scholar] [CrossRef]
  32. Roukounakis, N.; Varotsos, K.V.; Katsanos, D.; Lemesios, I.; Giannakopoulos, C.; Retalis, A. High Resolution WRF Modelling of Extreme Heat Events and Mapping of the Urban Heat Island Characteristics in Athens, Greece. Sustainability 2023, 15, 16509. [Google Scholar] [CrossRef]
  33. Técher, M.; Haddou, H.A.; Aguejdad, R. Urban Heat Island’s Vulnerability Assessment by Integrating Urban Planning Policies: A Case Study of Montpellier Méditerranée Metropolitan Area, France. Sustainability 2023, 15, 1820. [Google Scholar] [CrossRef]
  34. European Commission. Copernicus Programme Website. 2025. Available online: https://www.copernicus.eu/en (accessed on 7 January 2025).
  35. Hersbach, H.; Bell, B.; Berrisford, P.; Hirahara, S.; Horányi, A.; Muñoz-Sabater, J.; Nicolas, J.; Peubey, C.; Radu, R.; Schepers, D.; et al. The ERA5 global reanalysis. Q. J. R. Meteorol. Soc. 2020, 146, 1999–2049. [Google Scholar] [CrossRef]
  36. Copernicus. Global Climate Highlights 2024. 2025. Available online: https://climate.copernicus.eu/sites/default/files/custom-uploads/GCH-2024/GCH2024.pdf (accessed on 7 January 2025).
  37. Simmons, A.; Hersbach, H.; Munoz Sabater, J.; Nicolas, J.; Vamborg, F.; Berrisford, P. Low Frequency Variability and Trends in Surface Air Temperature and Humidity from ERA5 and Other Datasets; European Centre for Medium-Range Weather Forecasts: Reading, UK, 2021. [Google Scholar]
  38. Simmons, A.J. Trends in the tropospheric general circulation from 1979 to 2022. Weather Clim. Dynam. 2022, 3, 777–809. [Google Scholar] [CrossRef]
  39. Copernicus EU. ERA5 Hourly Data on Single Levels from 1940 to Present. 2025. Available online: https://cds.climate.copernicus.eu/datasets/reanalysis-era5-single-levels?tab=overview (accessed on 7 January 2025).
  40. National Observatory of Athens. Weather Station of Volos. 2025. Available online: https://penteli.meteo.gr/stations/volos/ (accessed on 7 January 2025).
  41. Copernicus EU. Increase in Global Average Temperature. 2025. Available online: https://climate.copernicus.eu/climate-indicators/temperature#Note (accessed on 7 January 2025).
  42. Neymark, J.; Judkoff, R.; Knabe, G.; Le, H.-T.; Dürig, M.; Glass, A.; Zweifel, G. Applying the building energy simulation test (BESTEST) diagnostic method to verification of space conditioning equipment models used in whole-building energy simulation programs. Energy Build. 2002, 34, 917–931. [Google Scholar] [CrossRef]
  43. ANSI/ASHRAE, ASHRAE Standard 169; Climatic Data for Building Design Standards. American Society of Heating, Refrigerating and Air Conditioning Engineers: Atlanta, GA, USA, 2013.
  44. Stamatellos, G.; Zogou, O.; Stamatelos, A. Interaction of a Houses Rooftop PV System with an Electric Vehicle;s Battery Storage and Air Source Heat Pump. Solar 2022, 2, 186–214. [Google Scholar] [CrossRef]
  45. SEL. TRNSYS 16 Mathematical Reference; Solar Energy Laboratory, University of Wisconsin—Madison: Madison, WI, USA, 2006. [Google Scholar]
  46. N.N. Type 54: Hourly Weather Data Generator; Trnsys, M.R., Ed.; University of Wisconsin, Madison: Madison, WI, USA, 2007. [Google Scholar]
  47. Knight, K.-M. Develpment and Validation of a Weather Data Generation Model. Master’s Thesis, Mechanical Engineering Department, University of Wisconsin, Madison, Madison, WI, USA, 1988. [Google Scholar]
  48. Mathworks. MATLAB 2024 Deep Learning Toolbox. 2024. Available online: https://www.mathworks.com/products/deep-learning.html (accessed on 7 January 2025).
  49. ANSI/ASHRAE, ASHRAE Standard 55-2017; Thermal Environmental Conditions for Human Occupancy. American Society of Heating, Refrigerating and Air Conditioning Engineers: Atlanta, GA, USA, 2013.
  50. NN. ANSI/ASHRAE Standard 62.1-2004; Ventilation and Acceptable Indoor Air Quality. American Society of Heating, Refrigerating and Air Conditioning Engineers: Atlanta, GA, USA, 2004; p. 44.
  51. Sharp. 550Wp/NB-JD550 Data Sheet. 2024. Available online: https://docs.aws.sharp.eu/Marketing/Datasheet/2410_NUJD_545_550_HC-Mono_Datasheet_EN.pdf (accessed on 7 January 2025).
Figure 1. The ERA5 evolution of the 5-year moving average of the monthly mean European ambient temperature (DB) above the preindustrial average, for the period 1980–2023 [39].
Figure 1. The ERA5 evolution of the 5-year moving average of the monthly mean European ambient temperature (DB) above the preindustrial average, for the period 1980–2023 [39].
Energies 18 01032 g001
Figure 2. Evolution of the Volos annual average air temperature (2007–2023) compared to the ERA5 global annual centered running 5-year average near-surface temperature increase above preindustrial levels (2000–2023) [41].
Figure 2. Evolution of the Volos annual average air temperature (2007–2023) compared to the ERA5 global annual centered running 5-year average near-surface temperature increase above preindustrial levels (2000–2023) [41].
Energies 18 01032 g002
Figure 3. Evolution of the daily lows of ambient DB temperatures during the summer months (Volos 2007–2023).
Figure 3. Evolution of the daily lows of ambient DB temperatures during the summer months (Volos 2007–2023).
Energies 18 01032 g003
Figure 4. Evolution of the average outdoor temperature (DB) in Volos and the number of full days with the outdoor DB temperature staying above 27 °C during the summer months (2007–2024).
Figure 4. Evolution of the average outdoor temperature (DB) in Volos and the number of full days with the outdoor DB temperature staying above 27 °C during the summer months (2007–2024).
Energies 18 01032 g004
Figure 5. Daily maximum and minimum ambient temperatures, the daily peak and daily minimum electric power production (Greece), and the daily peak and daily minimum fossil fuel electricity production during the summer months of 2022.
Figure 5. Daily maximum and minimum ambient temperatures, the daily peak and daily minimum electric power production (Greece), and the daily peak and daily minimum fossil fuel electricity production during the summer months of 2022.
Energies 18 01032 g005
Figure 6. Daily maximum and minimum ambient temperatures, daily peak and daily minimum electric load (Greece) and daily peak and daily minimum fossil fuel electricity production, during the two-week heat wave episode in July 2024.
Figure 6. Daily maximum and minimum ambient temperatures, daily peak and daily minimum electric load (Greece) and daily peak and daily minimum fossil fuel electricity production, during the two-week heat wave episode in July 2024.
Energies 18 01032 g006
Figure 7. Daily maximum and minimum ambient temperatures, the daily peak and daily minimum electric load (Greece), and the daily peak and daily minimum fossil fuel electricity production during a two-week period of January 2024 with low ambient air temperatures.
Figure 7. Daily maximum and minimum ambient temperatures, the daily peak and daily minimum electric load (Greece), and the daily peak and daily minimum fossil fuel electricity production during a two-week period of January 2024 with low ambient air temperatures.
Energies 18 01032 g007
Figure 8. The peak electricity demand and the total electricity production during the three summer months (Greece): comparison between 2022, 2023, and 2024.
Figure 8. The peak electricity demand and the total electricity production during the three summer months (Greece): comparison between 2022, 2023, and 2024.
Energies 18 01032 g008
Figure 9. Flowchart of the proposed methodology to address the impact of climate change on building energy performance.
Figure 9. Flowchart of the proposed methodology to address the impact of climate change on building energy performance.
Energies 18 01032 g009
Figure 10. Layout drawing of the house employed in the simulations: (a) the plan of the ground level, (b) the first level, (c) the partial view of the roof from the East, and (d) the plan of the rooftop photovoltaic installation and solar water heater. Dimensions in meters (m). Insulation in blue color (a,b). Openings in green color (a,b).
Figure 10. Layout drawing of the house employed in the simulations: (a) the plan of the ground level, (b) the first level, (c) the partial view of the roof from the East, and (d) the plan of the rooftop photovoltaic installation and solar water heater. Dimensions in meters (m). Insulation in blue color (a,b). Openings in green color (a,b).
Energies 18 01032 g010
Figure 11. TRNSYS 16 project file components (Types) of the simulated system.
Figure 11. TRNSYS 16 project file components (Types) of the simulated system.
Energies 18 01032 g011
Figure 12. Input time series (left) and applied transformer ANN architecture (right).
Figure 12. Input time series (left) and applied transformer ANN architecture (right).
Energies 18 01032 g012
Figure 13. Evolution of the training process for the deep neural network.
Figure 13. Evolution of the training process for the deep neural network.
Energies 18 01032 g013
Figure 14. Comparison of measured and trained values of 24 h maximum and minimum ambient temperatures (DBs) in Volos during the summer months of 2023.
Figure 14. Comparison of measured and trained values of 24 h maximum and minimum ambient temperatures (DBs) in Volos during the summer months of 2023.
Energies 18 01032 g014
Figure 15. The comparison of the predicted and the measured evolution of the 24 h maximum and minimum ambient temperatures (DBs) in Volos during the summer months of 2024.
Figure 15. The comparison of the predicted and the measured evolution of the 24 h maximum and minimum ambient temperatures (DBs) in Volos during the summer months of 2024.
Energies 18 01032 g015
Figure 16. Comparison of the statistics of the measured (left) and the forecasted (right) 24 h mean ambient temperatures of Volos during June, July, and August 2024 (92 days).
Figure 16. Comparison of the statistics of the measured (left) and the forecasted (right) 24 h mean ambient temperatures of Volos during June, July, and August 2024 (92 days).
Energies 18 01032 g016
Figure 17. A forecast of the daily mean, maximum, and minimum ambient temperatures (DBs) in Volos during the summer months of 2030.
Figure 17. A forecast of the daily mean, maximum, and minimum ambient temperatures (DBs) in Volos during the summer months of 2030.
Energies 18 01032 g017
Figure 18. The predicted distribution of the 24 h mean (up), maximum (lower left), and minimum (lower right) ambient temperatures (DBs) in Volos during the summer months of 2030.
Figure 18. The predicted distribution of the 24 h mean (up), maximum (lower left), and minimum (lower right) ambient temperatures (DBs) in Volos during the summer months of 2030.
Energies 18 01032 g018
Figure 19. A forecast of the daily mean, maximum, and minimum ambient temperatures (DBs) in Volos during the summer months of 2040.
Figure 19. A forecast of the daily mean, maximum, and minimum ambient temperatures (DBs) in Volos during the summer months of 2040.
Energies 18 01032 g019
Figure 20. Predicted distribution of 24 h mean (up), maximum (lower left), and minimum (lower right) ambient temperatures (DBs) in Volos during the summer months of 2040.
Figure 20. Predicted distribution of 24 h mean (up), maximum (lower left), and minimum (lower right) ambient temperatures (DBs) in Volos during the summer months of 2040.
Energies 18 01032 g020
Figure 21. Monthly variation in PV electricity production, consumption, imported from the grid and exported to the grid, for the reference house under study.
Figure 21. Monthly variation in PV electricity production, consumption, imported from the grid and exported to the grid, for the reference house under study.
Energies 18 01032 g021
Figure 22. Hourly load variation and electricity production from various sources in the Greek electricity system during the hottest day of the summer (17 July 2024).
Figure 22. Hourly load variation and electricity production from various sources in the Greek electricity system during the hottest day of the summer (17 July 2024).
Energies 18 01032 g022
Figure 23. Transient performance of the system during the first 10 days of July. Temperature set point to 26 °C.
Figure 23. Transient performance of the system during the first 10 days of July. Temperature set point to 26 °C.
Energies 18 01032 g023
Figure 24. Ambient conditions, room temperature, heat pump electricity consumption, and electric power at PV inverter outlet during two consecutive days in mid-July, starting at midnight.
Figure 24. Ambient conditions, room temperature, heat pump electricity consumption, and electric power at PV inverter outlet during two consecutive days in mid-July, starting at midnight.
Energies 18 01032 g024
Figure 25. The predicted monthly variation in the PV electricity production and consumption and the electricity imported from the grid and exported to the grid for the house under study during the year 2030.
Figure 25. The predicted monthly variation in the PV electricity production and consumption and the electricity imported from the grid and exported to the grid for the house under study during the year 2030.
Energies 18 01032 g025
Figure 26. The transient performance of the system during the first week of July 2030. Temperature set point to 26 °C.
Figure 26. The transient performance of the system during the first week of July 2030. Temperature set point to 26 °C.
Energies 18 01032 g026
Figure 27. The forecasted monthly variation in the PV electricity production and consumption and the electricity imported from the grid and exported to the grid for the reference house for the year 2040.
Figure 27. The forecasted monthly variation in the PV electricity production and consumption and the electricity imported from the grid and exported to the grid for the reference house for the year 2040.
Energies 18 01032 g027
Figure 28. Transient performance of the system during a week at the end of July 2040. Battery capacity is 100 kWh. Temperature set point to 26 °C.
Figure 28. Transient performance of the system during a week at the end of July 2040. Battery capacity is 100 kWh. Temperature set point to 26 °C.
Energies 18 01032 g028
Figure 29. The optimization of the battery capacity, aiming to reduce the system’s interaction with the grid.
Figure 29. The optimization of the battery capacity, aiming to reduce the system’s interaction with the grid.
Energies 18 01032 g029
Figure 30. Transient performance of the system during a week at the end of July 2040. Battery capacity increased to 150 kWh. Temperature set point to 26 °C.
Figure 30. Transient performance of the system during a week at the end of July 2040. Battery capacity increased to 150 kWh. Temperature set point to 26 °C.
Energies 18 01032 g030
Table 1. Comparison of the various error types between forecasted–recorded temperatures (2007–2024).
Table 1. Comparison of the various error types between forecasted–recorded temperatures (2007–2024).
YearNRMSE (°C)MBE (°C)MAPE (%)MAE (°C)nRMSE (-)
2007920.070.151.820.510.02
2008920.060.221.610.440.02
2009920.060.191.760.470.02
2010920.070.261.890.530.02
2011920.050.131.360.370.02
2012920.050.151.460.420.02
2013920.050.031.470.400.02
2014920.070.051.840.500.02
2015920.050.071.420.380.02
2016920.060.001.790.490.02
2017920.69−0.011.890.510.03
2018920.060.021.710.460.02
2019920.060.001.810.500.02
2020920.05−0.071.400.380.02
2021920.060.051.660.470.02
2022920.06−0.011.510.420.02
2023920.06−0.061.540.430.02
2024920.80−0.0114.974.250.26
Table 2. The comparison of the statistics of the measured and the forecasted distributions of the daily mean, daily maximum, and daily minimum ambient temperatures and the diurnal temperature variation in Volos during the summer of 2024.
Table 2. The comparison of the statistics of the measured and the forecasted distributions of the daily mean, daily maximum, and daily minimum ambient temperatures and the diurnal temperature variation in Volos during the summer of 2024.
Summer 202424 h Mean24 h Maximum24 h MinimumDiurnal Variation
MeasuredForecastedMeasuredForecastedMeasuredForecastedMeasuredForecasted
Mean [°C]29.928.435.033.725.323.69.79.5
Standard deviation [°C]1.93.02.23.41.92.71.90.9
Disclaimer/Publisher’s Note: The statements, opinions and data contained in all publications are solely those of the individual author(s) and contributor(s) and not of MDPI and/or the editor(s). MDPI and/or the editor(s) disclaim responsibility for any injury to people or property resulting from any ideas, methods, instructions or products referred to in the content.

Share and Cite

MDPI and ACS Style

Stamatellou, A.-M.; Stamatelos, T. The Implications of Long-Term Local Climate Change for the Energy Performance of an nZEB Residential Building in Volos, Greece. Energies 2025, 18, 1032. https://doi.org/10.3390/en18051032

AMA Style

Stamatellou A-M, Stamatelos T. The Implications of Long-Term Local Climate Change for the Energy Performance of an nZEB Residential Building in Volos, Greece. Energies. 2025; 18(5):1032. https://doi.org/10.3390/en18051032

Chicago/Turabian Style

Stamatellou, Antiopi-Malvina, and Tassos Stamatelos. 2025. "The Implications of Long-Term Local Climate Change for the Energy Performance of an nZEB Residential Building in Volos, Greece" Energies 18, no. 5: 1032. https://doi.org/10.3390/en18051032

APA Style

Stamatellou, A.-M., & Stamatelos, T. (2025). The Implications of Long-Term Local Climate Change for the Energy Performance of an nZEB Residential Building in Volos, Greece. Energies, 18(5), 1032. https://doi.org/10.3390/en18051032

Note that from the first issue of 2016, this journal uses article numbers instead of page numbers. See further details here.

Article Metrics

Back to TopTop