Abstract
At present, the development of the global energy internet is occurring in depth and the construction of a distributed power supply is rapid, and the energy router (ER), as a key device for integrating energy flow and information flow, has important application value in microgrids. In this paper, a multi-port energy router based on a 710 V DC bus is designed and developed with a modular structure design, including core components such as a total controller, a power converter, a hybrid energy storage system, and an auxiliary power supply. Flexible access and the management of multiple-voltage-level ports (690 V AC, 380 V AC, 220 V DC, and 24 V DC) are realized through rational topology design. The test results of the device show that the system performance indexes meet the design requirements. The operation is stable and reliable, displaying strong practical engineering value, and at the same time provides a technical solution that can be borrowed for other special scenarios such as the microgrid system.
1. Introduction
With the widespread application of renewable energy, the integration of new energy sources has gradually become the mainstay of the current distribution network. The distribution system is a key area in constructing a new type of power system. Primary energy sources, primarily coal and oil, are becoming increasingly scarce due to their non-renewable nature, and the environmental issues they cause are becoming more severe. To address these challenges, researchers are focusing on distributed generation systems based on renewable energy. The inherent stochasticity, volatility, and unpredictability of new energy sources, such as wind and solar energy, have brought new challenges to power grid operation [1,2].
The concept of a microgrid has been proposed to reduce the impact of distributed generation on the power system, enhance supply reliability, and fully utilize the benefits and value of renewable energy. A microgrid is a small power system composed of distributed generation sources, energy storage, loads, energy conversion devices, and protection equipment. To provide an intelligent and stable interface between microgrids and distribution networks, thereby forming a reliable interconnected system, the energy router (ER) was developed.
ER, as the core device of the energy internet, is a power electronics-based energy conversion device that can realize the input, output, conversion, and storage of multiple forms of energy, while integrating the functions of computation, communication, precise control, remote coordination, and autonomy [3]. Research has shown that ER is not only able to realize voltage conversion, electrical isolation, and the multi-directional flow of energy through the configuration of centralized controllers, but also has the functions of fault self-healing and state switching, gradually developing into a programmable electrical device. Through the communication network, ER can realize the centralized collection and processing and real-time sharing of information from each port node of the microgrid [4].
In a microgrid system, ER needs to coordinate the energy flow among distributed power sources, grids, loads, and energy storage devices, and the core problem is to solve the parallel operation of each unit in the system. Currently, ER mainly adopts three typical control methods, namely, master–slave, peer-to-peer, and hierarchical. The coordinated operation of each port is the primary technical challenge to be solved to ensure the stability, security, and reliability of the microgrid system. This is not only related to the full play of the advantages of distributed power sources such as photovoltaic devices but also to the inevitable choice to adapt to the requirements of the current “dual-carbon” policy [5,6,7,8].
With the increasing popularity of renewable distributed generation, many “energy producers” are rapidly connecting to energy routers [9]. In fact, concepts related to ER include power routers [10] and energy hubs [11,12]. The research on energy routers primarily focuses on topology and control strategies.
In terms of topology, [13] proposed an energy router for AC/DC hybrid microgrids, utilizing a cascaded H-bridge topology to enhance transmission efficiency between AC and DC microgrids. Han et al. [14] introduced an energy router with a dual DC bus architecture. Reference [15] applied a three-port four-bridge topology of the energy router to energy interconnection among multiple DC communities, increasing the reliability of power supply between communities. Reference [16] proposed a DC multi-port converter with three switches, providing more ports for loads, the grid, and distributed generation by increasing the number of switches. Fang et al. [17] proposed a six-port energy router topology. Reference [18] incorporates multiple energy storage systems in the ER architecture to improve the operational flexibility of the system. Reference [19] integrated a self-storage system into the ER, improving the system’s resilience to power fluctuations and stabilizing grid voltage. Guan et al. [20] propose a new energy router based on a multi-winding line inverter.
Regarding control strategies, reference [21] designed a hierarchical control strategy that divided the control framework into scheduling, subnet, and local layers, identifying six stable operating states to achieve the seamless switching of operating conditions. Reference [22] proposed a virtual synchronous machine coordination control strategy for an AC/DC hybrid energy router with energy storage voltage stabilization. This does not require mode switching and can stabilize the DC bus voltage under various modes. Liu et al. [23] design a wireless energy router, which constructs an independent power transmission channel using a multi-resonance decoupling compensation network and adopts a bilateral phase-shifting control strategy to realize contactless bidirectional power regulation between distributed energy storage devices.
Additionally, the concentrator design proposed in reference [24] can connect and convert single-phase inverters into a three-phase system, utilizing magnetic coupling reactors for energy regulation, simplifying control strategies, and reducing system complexity.
In response to the current issues in industrial park power supply, such as reliance on generators for electricity and frequent power outages, these problems not only affect the reliability of power supply in the park but also restrict the effective utilization of renewable energy. To address these issues, this paper presents the design and implementation of a multi-port ER. The device adopts a modular structure design and realizes flexible access and the management of multiple-voltage-level ports through reasonable topology configurations. The system performance test verification shows that the designed multi-port ER meets the requirements of the expected technical indexes and provides reliable technical support for the stable operation of the microgrid system in the industrial park.
The remainder of this paper is organized as follows. Section 2 introduces the multi-port energy router. Section 3 presents a detailed description of the multi-port energy router system design. Section 4 provides experimental results and analysis of the proposed system. Section 5 discusses the issues associated with the ER. Finally, Section 6 concludes the paper with a summary of the main contributions.
2. Multi-Port Energy Router Overview
The multi-port energy router designed in this paper uses a DC microgrid structure with a DC bus as the core, and system integration is realized through the parallel combination of multiple power converters [25,26]. The general topology of the DC microgrid-based system studied in this paper is shown in Figure 1.
Figure 1.
General topology of DC-based microgrid system.
The system adopts a seven-port topology. This contains the following functional units: the photovoltaic (PV) power generation unit serves as the main power source of the system, which is connected to the DC bus after boosting through a unidirectional DC/DC converter; the hybrid energy storage unit consists of a battery bank and a supercapacitor, which is connected to the DC bus through a bidirectional DC/DC converter and is mainly used to smooth out the power fluctuations; the AC interface consists of 380 V AC and 690 V AC power converters, which provide a power interface between the load and the grid; in addition, a 24 V DC auxiliary power port is equipped to provide working power for the system controller.
The system can be connected to the distribution grid through the Point of Common Coupling (PCC), supporting both islanded and grid-connected operation modes. This modular design, based on a DC bus, not only facilitates system expansion but also improves operational reliability. Each power converter has a standardized design with uniform power and communication interfaces, which is conducive to system maintenance and upgrades. The unified management of each power converter and hybrid energy storage system is realized through the total controller, which ensures the stable and reliable operation of the system.
Compared to AC microgrids, DC microgrids have the following advantages:
Lower energy loss: In AC microgrids, DC distributed energy sources, energy storage, and DC loads must first convert DC to AC before connecting to the AC bus. Similarly, AC distributed power sources need to convert AC to DC and then back to AC to connect to the AC bus. The extensive use of converters significantly increases energy loss in microgrids. In contrast, DC microgrids can connect directly to the DC bus after the first conversion step, reducing the investment in power electronic devices by half. Additionally, DC microgrids do not need to consider reactive power, which further decreases energy loss and improves energy conversion efficiency.
Lower operational complexity: To ensure stable operation, AC microgrids must continuously maintain their frequency, phase, and voltage within specified ranges. DC microgrids, on the other hand, are free from harmonic interference, resulting in higher power quality. Their control systems are simpler and more reliable.
Promising development prospects: With the rapid development of renewable energy and advancements in power electronics technology, DC microgrids demonstrate broad application prospects in areas such as smart grids, distributed generation, and electric vehicle charging. Their efficient and flexible characteristics make them important components of future power systems, effectively supporting the integration and utilization of renewable energy, and promoting energy transition and sustainable development.
3. Multi-Port Energy Router System Design
3.1. Overall System Program Design
Figure 2.
The seven-port energy router topology.
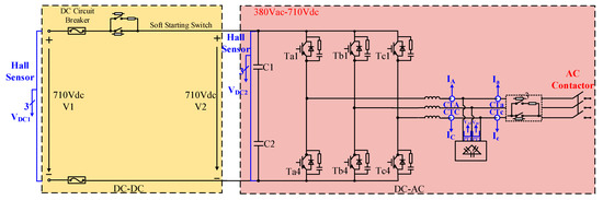
The seven-port energy routers shown in Figure 1 and Figure 2 are based on a 710 V DC bus microgrid structure, and consist of a power cabinet composed of a total controller, power converters, a hybrid energy storage system, and an auxiliary power supply, which are briefly described as follows:
- (1)
- Total controller: This is an energy management system (EMS) that coordinates the control of multiple power converters and hybrid energy storage systems. It monitors input and output voltages of each converter and exchanges information with individual converter controllers via a CAN bus. The controller can directly regulate power converters and manage the cascading of power cabinets through DC contactors.
- (2)
- Power converter: It contains 380 V AC, 690 V DC, 220 V DC, and 24 V DC, totaling 4 kinds of power converter. Except for the 24 V DC auxiliary power supply designed for 2 kW, the rated power of the rest of the power converters is 20 kW, and each converter is equipped with standardized power and communication interfaces.
- (3)
- Hybrid energy storage system: it consists of batteries, supercapacitors, and EMS, and is connected to the 710 V DC bus through the 220 V DC power converter.
- (4)
- Communication Interface: To facilitate energy regulation, this design includes a central controller that manages various power modules via a CAN bus. This communication interface not only supports real-time data exchange between modules but also ensures the coordinated operation of the system. Additionally, communication with the upper computer can be conducted through Ethernet and RS485 for data interactions. These interfaces provide flexible connectivity options to accommodate different application scenarios. Through these communication methods, the real-time monitoring and adjustment of the system status can be achieved, thereby enhancing the overall performance and reliability of the energy router.
3.2. Functions and Technical Requirements of ER
In modern energy management systems, the energy router serves as a key technological platform, with technical requirements encompassing efficient multi-port power conversion, flexible modular design, and high-precision power control, among others.
- (1)
- Multi-port power conversion function: the ER should be capable of connecting to various power grids and possess internal power conversion capabilities in order to effectively control the power flow at each port, adapting to different load demands.
- (2)
- Modular input and output functionality: bidirectional ports, designed with modularity, allow the device to flexibly connect with the grid, energy storage components, and loads, facilitating easy combination and replacement, thereby enhancing the overall adaptability and scalability of the system.
- (3)
- Output power control function: The system should support both active and passive power smoothing control methods. Active control is suitable for short-term power fluctuations of intermittent loads, while passive control must accept commands from the grid scheduling system to participate in peak shaving and valley filling.
- (4)
- Charge and discharge control function: the energy router should select appropriate charge and discharge strategies based on the characteristics of the energy storage components, including constant current charging/discharging, constant power charging/discharging, and automatic charge/discharge modes, to optimize storage efficiency.
- (5)
- Composite energy storage collaborative control function: the system should be able to configure various forms of energy storage (such as lithium batteries, supercapacitors, and flywheels) according to demand and achieve collaborative discharging to improve overall energy utilization.
- (6)
- Grid-connected/off-grid operation function: during grid-connected operation, the ER should possess automatic or scheduled reactive power compensation capabilities and low-voltage ride-through capability; during off-grid operation, it should be able to provide independent power supply with adjustable voltage and frequency.
- (7)
- Protection function: a comprehensive protection mechanism should be in place to ensure the safety of the converter and energy storage components under various fault conditions.
- (8)
- Communication function: the system should be equipped with Ethernet, CAN, and RS485 interfaces, providing open communication protocols to facilitate information exchange between the Battery Management System (BMS) and monitoring systems.
The organic combination of these technical requirements and functions makes the energy router a core component of smart grids and renewable energy systems.
Additionally, the performance indicators of the energy router are as follows:
- (1)
- Main power supply: three-phase three-wire AC 380 V ±10%, 50 Hz ±5%; three-phase three-wire AC 690 V ±10%, 50 Hz ±5%; DC 220 V ±10%;
- (2)
- Ports: 1 AC 690 V port, 2 AC 380 V ports, 3 DC 220 V ports, 1 DC 24 V port;
- (3)
- Converter capacity: AC 690 V port ≥ 20 kW; AC 380 V port ≥ 20 kW; DC 220 V port ≥ 20 kW; DC 24 V port ≥ 2 kW;
- (4)
- Lithium battery capacity: DC 220 V 48 Ah; capacitor DC 200 V–400 V/4 F.
The general specifications of the centralized energy storage device are summarized in Table 1.
Table 1.
Specifications of the Energy Storage Device.
Environmental conditions summary:
- (1)
- Operating environment: indoor;
- (2)
- Air temperature: −10 °C to +55 °C;
- (3)
- Humidity: ≤90% (+25 °C);
- (4)
- Operating altitude: below 1000 m.
3.3. Power Converter Design
This section details the design scheme of each power converter in the multi-port energy router and its technical characteristics. The system adopts a modular design concept and develops four different types of power converter modules, including 380 V AC 690 V AC, 220 V DC, and 24 V DC. Except for the 24 V DC auxiliary power supply, all the other power converter modules are designed with a standardized 20 kW power level, which achieves a unified power and communication interface specification.
- (1)
- Bidirectional 380 V AC/710 V DC module
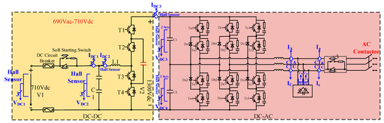
Regarding centralized and distributed energy storage devices, the design schemes of the 380 V AC/710 V DC module, as shown in the right dashed box in Figure 3, both adopt conventional two-level topologies, which are highly mature, reliable, and safe.
Figure 3.
Topology diagram for 380 V AC/710 V DC module.
In the design scheme of the 380 V AC/710 V DC module, the AC/DC and DC/AC bidirectional variable current modes are realized with the help of a three-phase bidirectional PWM module in the LC filter mode.
- (2)
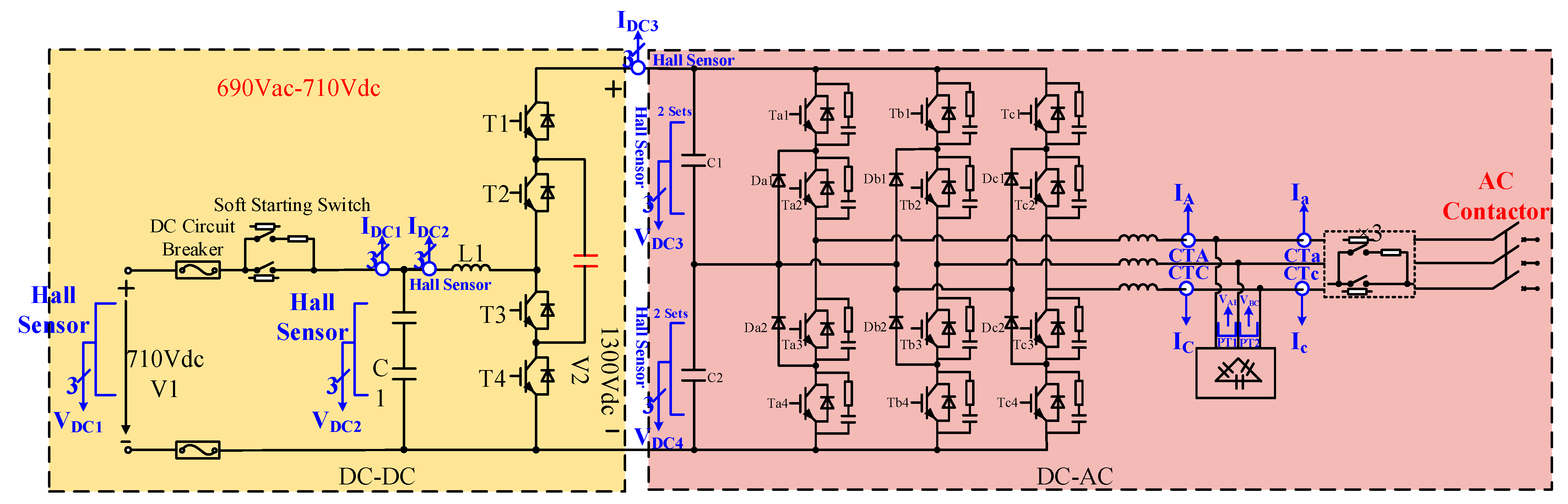
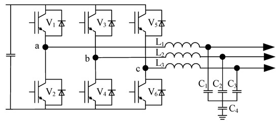
- Bidirectional 690 V AC/710 V DC module
In energy storage devices, the design scheme of the 690 V AC/710 V DC module, as shown in the right dashed box in Figure 4, uses a diode-clamped three-level inverter topology, i.e., a conventional three-level topology, which is more mature, reliable, and safe.
Figure 4.
Topology of 690 V AC/710 V DC module.
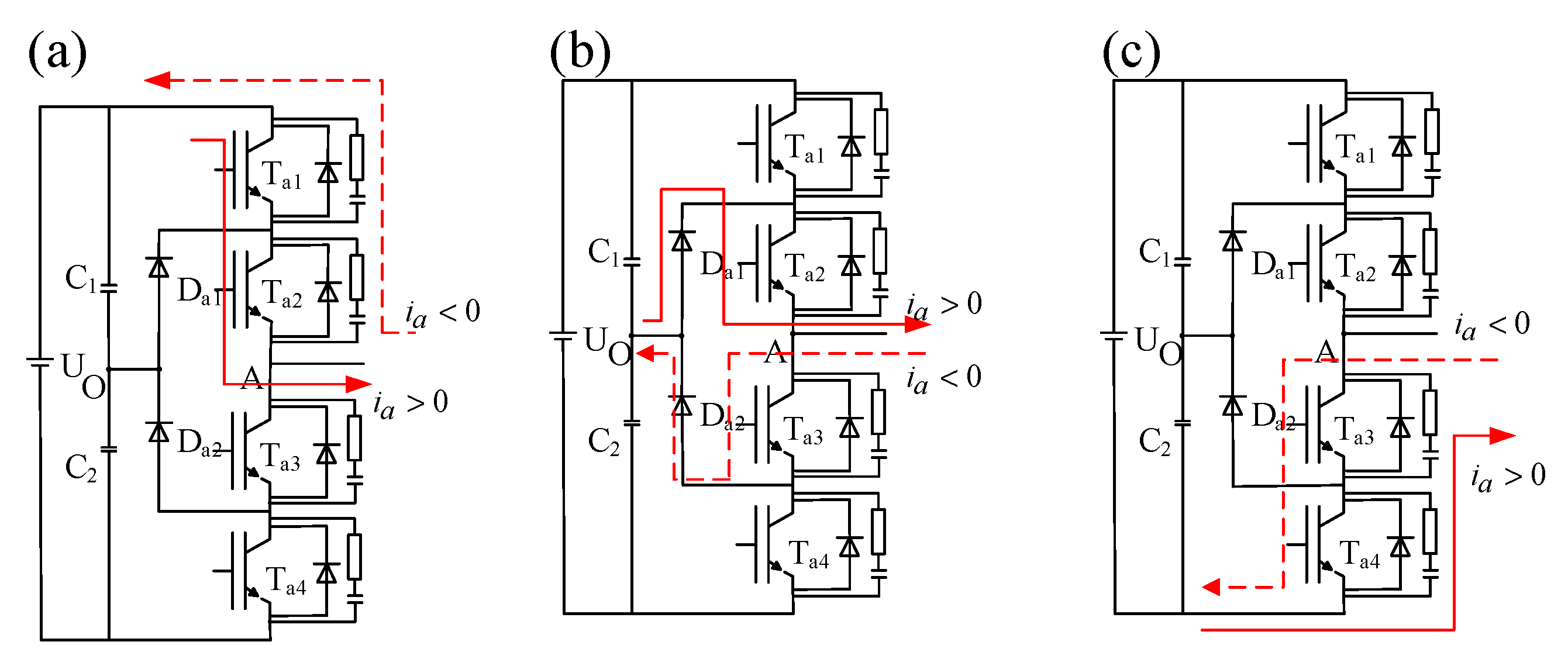
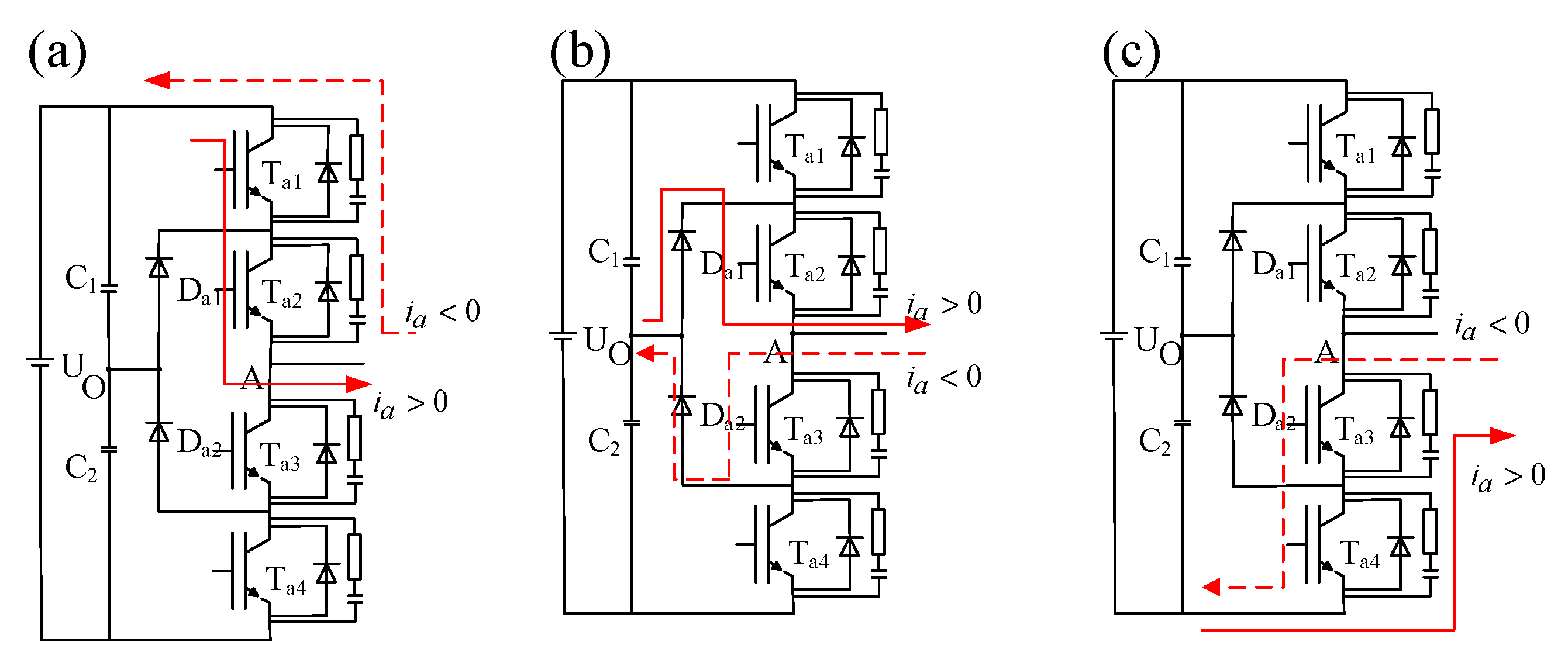
The working principle of the three-level inverter primarily relies on its unique topology and control strategy. During operation, two capacitors connected in series on the DC side support and balance the total bus voltage, thereby generating three voltage levels at the AC output. It consists of three symmetrical bridge arms, with each phase bridge arm containing four power switching devices, four freewheeling diodes, and two clamp diodes, which collectively ensure the efficiency and stability of power conversion. The NPC inverter has three switching states—P, O, and N—as shown in Table 2.
Table 2.
Operating modes.
Figure 5 illustrates the three switching states of the four IGBT devices in phase A’s bridge arm, with phases B and C exhibiting similar configurations. In Figure 5, solid lines represent the path of forward current flow, while dashed lines indicate the path of reverse current flow. To account for fluctuations during IGBT switching, a resistor–capacitor snubber circuit is added.
Figure 5.
Operating states: (a) P state; (b) O state; (c) N state.
In the design scheme of the 690 V AC/710 V DC module, the AC/DC and DC/AC bidirectional converter modes are realized with the help of a three-level three-phase bidirectional PWM module; the three-level flying across capacitor is used to realize the DC/DC bidirectional converter mode, and the LC filter mode is used.
- (3)
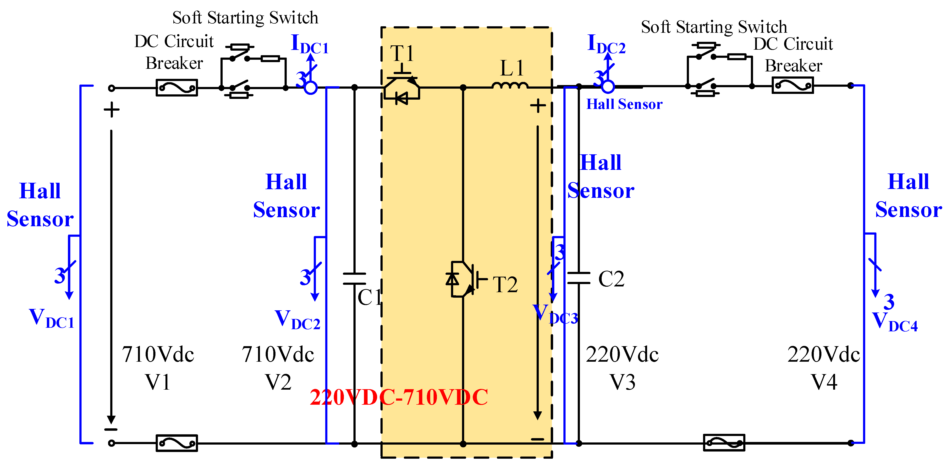
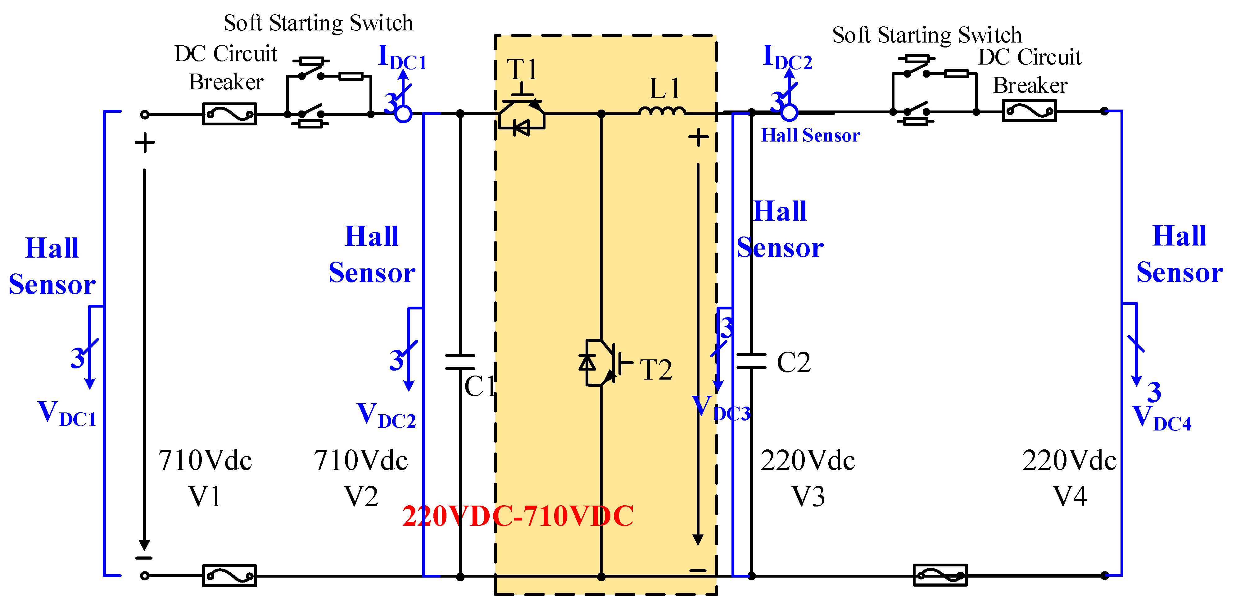
- Bidirectional 220 V DC/710 V DC module
The 220 V DC/710 V DC module, as shown in Figure 6, includes a BOOST module and BUCK module, both of which have a conventional BOOST topology. The modules also have simple designs, while saving power and board space, displaying high maturity, reliability, and safety.
Figure 6.
Topology of 220 V DC/710 V DC module.
In the design scheme of the 220 V DC/710 V DC module, the DC/DC bidirectional variable current mode is realized with the help of the BOOST/BUCK bidirectional module.
- (4)
- Unidirectional 710 V DC/24 V DC module
In the centralized energy storage device, the 710 V DC/24 V DC power conversion module adopts two Delta FG5SR28043NRFA modules connected in parallel, as shown in Figure 7. In order to realize the parallel control and status monitoring of the modules, a special communication module is designed to complete the parallel operation control and operation status acquisition and upload all the operation parameters to the host computer in real time through the CAN bus, thus ensuring the reliable operation and real-time monitoring of the system.
Figure 7.
710 V DC/24 V DC module design program.
3.4. System Physical Structure Design
3.4.1. General Layout of the Power Cabinet
A system prototype was developed to verify the feasibility of the seven-port energy router design scheme and its control strategy. The overall layout of the physical unit of the power cabinet is shown in Figure A1 in Appendix A, which mainly contains the following power converter modules: ① 24 V DC auxiliary power supply, ②③ common 690 V AC power converter, ④ 1#220 V DC power converter, ⑤ 2#220 V DC power converter, ⑥ 3#220 V DC power converter, ⑦ total controller, ⑧ 1#380 V AC power converter, ⑨2#380 V AC power converter.
3.4.2. Structure of the Physical Diagrams of Each Power Converter
The physical device of the 380 V AC power converter is shown in Figure A2 and Figure A3 in Appendix A. The 690 V AC power converter is divided into AC and DC sides. The physical device of the AC side is shown in Figure A4 and Figure A5 in Appendix A, and the physical device of the DC side is shown in Figure A6 and Figure A7 in Appendix A. The physical device of the 220 V DC power converter is shown in Figure A8 and Figure A9 in Appendix A.
3.4.3. Structural Design
In order to improve the universality and standardization of the system, the following measures are taken regarding the structural design.
- (1)
- We adopt a unified shell size: all power converters have standardized shells of the same size.
- (2)
- We use a layered design that incorporates strong and weak power isolation construction design. Taking the 380 V AC module as an example, as shown in Figure 8, the separation of the strong power and weak power is strictly implemented.
Figure 8. Schematic design of strong and weak power layout (taking 380 V AC module as an example).
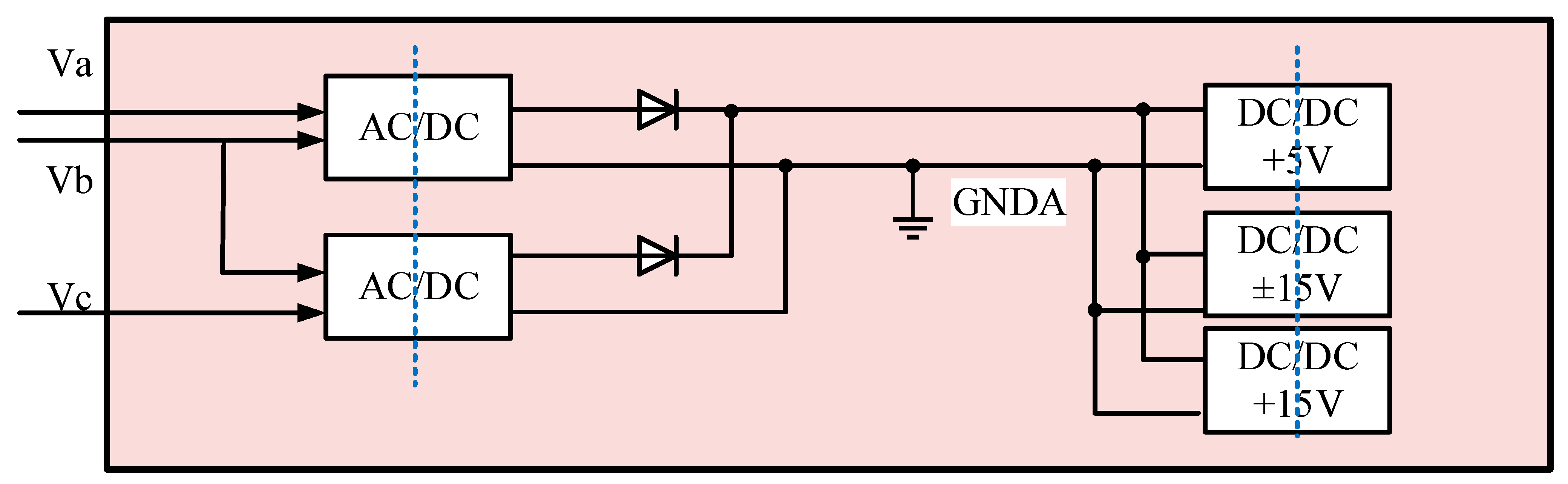
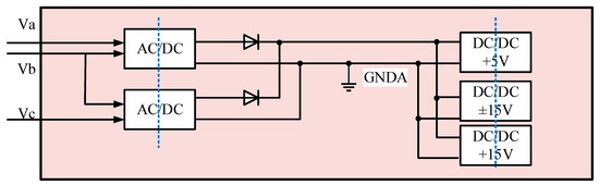
In particular, in order to improve the anti-interference performance and ensure reliability, we use isolated power supply as the auxiliary power supply method of the two major systems, as shown in Figure 9.
Figure 9.
Design method of auxiliary power supply in power conversion module device of energy storage device.
With this structure, it is easy to standardize production and maintenance, effectively isolate strong and weak power, and improve system reliability. The modularized design facilitates system expansion, and the reasonable layout improves the integration degree of the device.
3.5. System Protection Measures
In designing the multi-port energy router, it is essential to implement appropriate protection measures to ensure the safety and reliability of the system, considering the electrical threats posed by multiple converters. To this end, we have implemented several electrical protection measures. These are detailed as follows:
First, the use of isolation ICs is a crucial aspect of this design. We selected isolated operational amplifier ICs, isolated driver ICs, and isolated communication ICs to minimize electromagnetic interference from high voltage to low voltage. The selection principle of these ICs ensures signal integrity and system stability, thereby enhancing the overall system’s anti-interference capability.
Second, the application of isolated sensors plays a key role in the acquisition of voltage and current signals. We employed Hall voltage and current sensors, as well as voltage and current transformers, to ensure effective isolation between high voltages and subsequent conditioning circuits. This design not only improves system safety but also reduces potential electrical threats, ensuring the accuracy and reliability of signal acquisition.
To further reduce electromagnetic interference from high voltage to low voltage, we designed input and output filters in the high-voltage topology. Figure 10 illustrates the PWM converter topology based on an LC filter, where the LC filter primarily consists of the grid-side inductor Lg and the filter capacitor Cf. The inductor Lg and capacitor Cf are used to filter out higher-order harmonics, with Lg providing both filtering and boosting functions. Since inverter technology primarily employs pulse width modulation (PWM), the characteristics of the PWM waveform lead to the presence of significant harmonic components in the output voltage of the power amplifier devices. Therefore, if the filtering effect does not meet requirements under load conditions, dedicated filters must be installed. The frequency characteristics, size, and other factors of the filter significantly impact the power density, weight, and performance-to-cost ratio of the inverter. Thus, emphasizing the design of the LC filter is crucial for enhancing the overall performance of the system.
Figure 10.
PWM converter topology based on LC filter.
In electrical protection measures, we designed several key protection methods to achieve the protective functions outlined in Table 1. First, the soft start function is designed to prevent current surges during startup. This function gradually increases the output voltage, reducing the impact on the equipment and effectively protecting the converter and other components. Second, software protection involves the real-time monitoring of the system’s operating status, detecting parameters such as current, voltage, and temperature. When an anomaly is detected, the system automatically takes measures, such as limiting output or cutting off power, to protect the equipment’s safety. Finally, hardware protection functions are provided by the driver board, including overcurrent protection, overvoltage protection, and short-circuit protection. These protection measures ensure that in the event of a fault, the equipment can respond quickly and cut off power to avoid damage.
Through the above protection measures, we ensure the safety and reliability of the energy router under various operating conditions, laying a solid foundation for its stable operation in practical applications.
4. Device Experiment and Result Analysis
When the seven-port energy router is in operation, it is necessary to test whether the functions are normal, record the data of each index, and determine the eligibility of the device in relation to the acceptance criteria. Specific testing conditions are as follows:
Laboratory environment: all tests are conducted in a controlled laboratory environment, with an altitude below 1000 m, to ensure the stability and repeatability of the testing conditions.
Testing equipment includes an oscilloscope, used to monitor voltage and current waveforms and to acquire real-time data; a power meter, used to measure the output power and efficiency of the ER, ensuring the accuracy of performance evaluations; and high-voltage probes, including oscilloscope connectors, used to safely measure high-voltage outputs, ensuring the safety of the testing process.
The testing methods and results will be detailed in the subsequent sections.
- (1)
- Seven-port ER electrical range test
It is necessary to connect 710 V DC to the DC bus of the multi-port energy router, start each power converter, measure the output of the port, and make sure each port is able to output the corresponding electric system requirements, with a voltage range within −3%~+3%, ensuring the stability and reliability of the system.
For the 690 V AC port, the maximum deviation was 0.14%; for the 1300 V DC port, the minimum deviation was 0.15%; for the three 220 V DC ports, the maximum deviation was 0.45%; and for the two 380 V AC ports, the maximum deviation was 0.53%. These results indicate that all power converters can operate stably while running simultaneously, meeting the expected electrical specifications. The recorded data are shown in Table 3.
Table 3.
Measured data of the electrical system range.
- (2)
- Multi-port ER port capacity test
Different power converters are paired with each other, and the corresponding working modes are selected to test the output power of each power converter.
Test method 1: this involves starting the battery, raising the DC bus voltage to 680 V, connecting the AC side of 1# and 2# 380 V AC two groups of power converters to the 380 V AC power grid in sequence, working in an active inverter mode, and reading and recording the output power of the battery and 220 V DC power converter.
Test method 2: this involves connecting the 630 V DC directly to the DC bus, connecting the 690 V AC power converter to the 690 V AC grid, working in active inverter mode, and reading and recording the output power of the 690 V AC power converter.
Test method 3: This involves using an external 630 V DC power supply; accessing the seven-port DC bus; sequentially connecting the two groups of the power converter AC side, 1# and 2# 380 V AC, to the 380 V AC power grid; and working in active inverter mode, reading and recording the output power of the 380 V AC power converter. The power of each power converter should be up to 20 kW (±10%).
Table 4 presents the measured data of port capacities. It can be observed that the maximum power deviation for the 690 V AC port is 2%. The maximum power deviation for the three 220 V DC ports is 6%, while the two 380 V AC ports show a maximum power deviation of 1.5%. All deviations meet the requirement of 20 kW (±10%).
Table 4.
Port capacity measured data.
- (3)
- Output overload capacity test
Test method 1: this involves connecting a 650 V DC external power supply to the DC bus of the seven ports, connecting a 690 V AC power converter to the 690 V AC power grid, working in the active inverter mode, setting the output power at 22 kW and 24 kW in turn, i.e., 1.1 times and 1.2 times of the overload, at least one minute of operation time, and reading and recording the output power of the 690 V AC power converter;
Test method 2: An external 630 V DC power supply is connected to the DC bus of the seven ports, and the AC sides of the 1# and 2# 380 V AC power converters are connected to the 380 V AC power grid in sequence. These work in the active inverter mode, and the output power is to 22 kW and 24 kW in sequence and ran for at least one minute. The output power of the 380 V AC power converters are read and recorded. The recorded data are shown in Table 5. analyzing the test data to determine that meets the design requirements. Under a 1.1 times overload condition, the maximum deviation is 0.5 kW (2.73%); under a 1.2 times overload condition, the maximum deviation is 1.9 kW (7.92%), both of which meet the design requirements.
Table 5.
Measured data: output overload capacity.
- (4)
- AC dynamic voltage drop test
Test method: Using an external 400 V DC power supply and accessing the seven-port DC bus, it is necessary to start the battery and then set the DC bus voltage to 680 V. To test the two 1# and 2# 380 V AC groups of power converters, connected to the load working in inverter mode, it is necessary to change the DC bus voltage value from 680 V down to 630 V, use oscilloscopes to observe the voltage waveforms, and record the value of the voltage and the time to restore steady state. The recorded data are shown in Table 6. The recorded data are shown in Table 4. When the test data are analyzed, it can be seen that the recovery time is less than 5 ms, which meets the design requirements.
Table 6.
AC dynamic voltage drop test data.
- (5)
- Total current harmonic distortion rate and output voltage distortion test
Test method: It is necessary to use an external 630 V DC power supply, accessing the seven-port DC bus, to test the two 1# and 2# 380 V AC groups of power converters with access to full-power three-phase loads. Working in inverter mode, power analyzers are used to test the output voltage distortion. The recorded data are shown in Table 7. Analyzing the test data, the total current harmonic distortion rate (THD) and output voltage distortion are shown to not be more than 3%, meeting the expected design requirements.
Table 7.
THD and output voltage distortion.
Analyzing the above data, it can be seen that the design of the device meets the requirements, the energy router can work stably under different working conditions, and the ports operate in a coordinated manner.
5. Discussion
In the rapid development of renewable energy, energy routers play a crucial role as core components in microgrid systems, making their design and application particularly important. The seven-port energy router designed in this paper not only facilitates flexible access and the management of various voltage levels but also enhances the system’s scalability and reliability through a modular structure. Compared to traditional power systems, energy routers effectively integrate distributed generation, energy storage, and loads, optimizing the flow and distribution of energy, thereby improving the overall stability and efficiency of power supply. This paper employs a DC bus architecture, which offers significant advantages. Research indicates that DC microgrids can significantly reduce losses during the energy conversion process, enhancing the overall energy utilization of the system. Additionally, this paper utilizes isolated power supplies, and Table 8 presents a comparison between isolated and non-isolated power supplies, further validating the importance of isolation designs in enhancing system safety and stability. However, as the proportion of renewable energy integration continues to rise, the effective management and scheduling of these distributed energy resources to ensure the stability and reliability of the power system remains an urgent issue that needs to be addressed.
Table 8.
Comparison of advantages and disadvantages of isolated and non-isolated power supplies.
Firstly, the topology and control strategies of energy routers are key factors affecting their performance. Different topologies used in designs exhibit significant differences in energy conversion efficiency, system stability, and fault tolerance. Therefore, future research could further explore more efficient topologies to enhance the adaptability of energy routers under complex conditions. Additionally, optimizing control strategies is also an important way to improve system performance. Especially in the face of the volatility and uncertainty of renewable energy, the application of intelligent control algorithms will help to achieve more precise power scheduling and load management, thereby improving the system’s response speed and stability.
Secondly, with advancements in power electronics technology, the functions of energy routers will continue to expand. Future research could consider integrating more energy storage systems into energy routers to enhance their responsiveness to power fluctuations and the flexibility of the system. At the same time, by combining advanced communication technologies, energy routers can achieve intelligent interconnection with other power devices, forming a more efficient energy management system that enhances the overall intelligence and operational efficiency of the system.
In summary, energy routers have broad application prospects in microgrid systems, effectively supporting the integration and utilization of renewable energy, and promoting energy transition and sustainable development. Future research should focus on enhancing the intelligence and flexibility of the systems to respond to the ever-changing energy environment and market demands, while also exploring the potential applications of emerging technologies in energy routers to achieve more efficient energy management and scheduling.
6. Conclusions
In this paper, a seven-port energy router device based on a 710 V DC bus is designed to meet the development needs of microgrids in parks. The device adopts a modular structure design, including core components such as the total controller, power converter, hybrid energy storage system, and auxiliary power supply. This realizes the flexible access and management of ports with multiple voltage levels. Several performance parameters, such as electrical range, port capacity, output overload capacity, output power control, AC dynamic voltage drop, total current harmonic distortion rate, etc., show that the multi-port energy router designed meets the requirements of the expected technical indexes, and the ports can operate in a coordinated and stable manner.
The test results indicate that the maximum deviation during electrical range testing at each port does not exceed 1%. In the port capacity tests, the maximum deviation observed across all ports is no more than 6%. Under different overload capacity tests, the maximum deviation is limited to 8%. During the AC dynamic voltage drop tests, the system recovers to steady-state values in no more than 5 ms. Additionally, in the tests involving THD and output voltage distortion, the values do not exceed 3%. These results demonstrate that the energy router designed in this paper exhibits good performance and reliability. This technology can be further promoted and applied to hybrid power generation systems, which meet the development needs of renewable energy and facility self-supply.
Moreover, the modular design of the system not only enhances operational flexibility and reliability but also facilitates future expansion and upgrades. Future research will further explore the optimization of control algorithms and system integration to improve the performance of energy routers in more complex environments, providing a more solid foundation for the effective utilization of renewable energy.
Author Contributions
Conceptualization, X.Z. and W.L.; methodology, W.L., X.Z., S.C., K.H. and R.L.; software (MATLAB version 2019a), B.L., R.L. and W.X.; writing (original draft preparation), K.H. and S.C.; writing (review and editing), X.Z., W.L., K.H. and S.C.; supervision, W.L.; funding acquisition, W.L.; project administration, W.L.; investigation, B.L., R.L. and W.X.; visualization, B.L. All authors have read and agreed to the published version of the manuscript.
Funding
This research was funded by the Science and Technology Department of Hubei Province, China (2024BAB067).
Data Availability Statement
The data presented in this study are available upon request from the corresponding author.
Acknowledgments
We are grateful to our families, friends, and laboratory colleagues for their unwavering understanding and encouragement.
Conflicts of Interest
Author Xianping Zhu was employed by the company Guilin Power Supply Bureau of Guangxi Power Grid Co., Ltd. The remaining authors declare that the research was conducted in the absence of any commercial or financial relationships that could be construed as a potential conflict of interest.
Appendix A
Figure A1.
Seven-port router power cabinet based on DC bus.
Figure A1.
Seven-port router power cabinet based on DC bus.

Figure A2.
The 380 V AC power converter strong current power side.
Figure A2.
The 380 V AC power converter strong current power side.

Figure A3.
The 380 V AC power converter weak current control side.
Figure A3.
The 380 V AC power converter weak current control side.

Figure A4.
The 690 V AC power converter AC side device strong current power side.
Figure A4.
The 690 V AC power converter AC side device strong current power side.

Figure A5.
The 690 V AC power converter AC side device weak current control side.
Figure A5.
The 690 V AC power converter AC side device weak current control side.

Figure A6.
The 690 V AC power converter DC side device strong current power side.
Figure A6.
The 690 V AC power converter DC side device strong current power side.

Figure A7.
The 690 V AC power converter DC side device weak current control side.
Figure A7.
The 690 V AC power converter DC side device weak current control side.

Figure A8.
The 220 V DC power converter strong current power side.
Figure A8.
The 220 V DC power converter strong current power side.

Figure A9.
The 220 V DC power converter weak current control side.
Figure A9.
The 220 V DC power converter weak current control side.

References
- Yu, X.; Ling, X.; Zhou, X.; Li, K.; Feng, X. Flexibility Evaluation and Index Analysis of Distributed Generation Planning for Grid-Source Coordination. Front. Energy Res. 2022, 10, 1019352. [Google Scholar] [CrossRef]
- Saber, H.; Mazaheri, H.; Ranjbar, H.; Moeini-Aghtaie, M.; Lehtonen, M. Utilization of In-Pipe Hydropower Renewable Energy Technology and Energy Storage Systems in Mountainous Distribution Networks. Renew. Energy 2021, 172, 789–801. [Google Scholar] [CrossRef]
- Wang, R. Research on Key Technologies of Power/Data Integrated Energy Router; Zhejiang University: Hangzhou, China, 2019. [Google Scholar]
- Li, P.; Sheng, W.; Duan, Q.; Li, Z.; Zhu, C.; Zhang, X. A Lyapunov Optimization-Based Energy Management Strategy for Energy Hub With Energy Router. IEEE Trans. Smart Grid 2020, 11, 4860–4870. [Google Scholar] [CrossRef]
- Armghan, H.; Yang, M.; Ali, N.; Armghan, A.; Alanazi, A. Quick Reaching Law Based Global Terminal Sliding Mode Control for Wind/Hydrogen/Battery DC Microgrid. Appl. Energy 2022, 316, 119050. [Google Scholar] [CrossRef]
- Ren, H.; Jia, Y.; Tian, F.; Kang, L.; Ma, Z. Urban Energy Internet Optimal Dispatch with Multi-Micro Energy Network. High Volt. Eng. 2022, 48, 554–564. [Google Scholar] [CrossRef]
- Zhang, S.; Lu, H.; Lin, X.; Zhong, W.; Liu, S. Operation Scheduling Optimization of Integrated-Energy System in Industrial Park in Consideration of Energy Storage. High Volt. Eng. 2021, 47, 93–103. [Google Scholar] [CrossRef]
- Xu, X.; Zhang, M.; Pan, J.; Xu, C.; Zhang, H. Particle Swarm Optimization Algorithm for Energy Scheduling of Multiport Energy Routers with “Source-Grid-Load-Storage”. J. Nav. Univ. Eng. 2024, 36, 19–24. [Google Scholar] [CrossRef]
- Zhou, J.; Wang, J. Research Review on Multi-Port Energy Routers Adapted to Renewable Energy Access. Electronics 2024, 13, 1493. [Google Scholar] [CrossRef]
- Duan, Q.; Nie, S.; Sheng, W.; Liu, B.; Wang, D. Redundancy Design for Energy Router. Power Syst. Technol. 2017, 41, 2064–2070. [Google Scholar]
- Wang, Y.; Cheng, J.; Zhang, N.; Kang, C. Automatic and Linearized Modeling of Energy Hub and Its Flexibility Analysis. Appl. Energy 2018, 211, 705–714. [Google Scholar] [CrossRef]
- Geidl, M.; Koeppel, G.; Favre-Perrod, P.; Klockl, B.; Andersson, G.; Frohlich, K. Energy Hubs for the Future. IEEE Power Energy Mag. 2007, 5, 24–30. [Google Scholar] [CrossRef]
- Tu, C.; Meng, Y.; Xiao, F.; Lan, Z.; Shuai, Z. An AC-DC Hybrid Microgrid Energy Router and Operational Modal Analysis. Trans. China Electrotech. Soc. 2017, 32, 176–188. [Google Scholar]
- Han, X.; Su, X.; Yan, X.; Wang, M.; Liu, X. Electric Power Router Based on Double DC Bus Structure. Electr. Power Constr. 2018, 39, 83–91. [Google Scholar]
- Sun, L. Research on Control Strategy of Multi-Port DC Energy Router; Yangzhou University: Yangzhou, China, 2021. [Google Scholar]
- Nguyen, B.L.-H.; Cha, H.; Nguyen, T.-T.; Kim, H.-G. Family of Integrated Multi-Input Multi-Output DC-DC Power Converters. In Proceedings of the 2018 International Power Electronics Conference (IPEC-Niigata 2018—ECCE Asia), Niigata, Japan, 20–24 May 2018; pp. 3134–3139. [Google Scholar]
- Fan, H.; Zhang, H.; Cui, X.; Jin, T. Study on Topology Design and Control Strategy of Urban Rail Transit Energy Router Considering Energy Storage and New Energy Sources. China Meas. Test 2024, 50, 1–11. [Google Scholar]
- Li, Z.; Xu, Y. Optimal Coordinated Energy Dispatch of a Multi-Energy Microgrid in Grid-Connected and Islanded Modes. Appl. Energy 2018, 210, 974–986. [Google Scholar] [CrossRef]
- Sheng, W.; Lan, Z.; Duan, Q.; Li, Y.; Ma, C.; Lv, Z. Study on Self Energy Storage Based Energy Router. Power Syst. Technol. 2017, 41, 387–393. [Google Scholar] [CrossRef]
- Guan, Z.; Wang, D.; Duan, Q.; Mao, C.; Liu, B. A Novel Energy Router Based on Multi-winding Line Frequency Transformer. IET Gener. Transm. Distrib. 2023, 17, 3115–3341. [Google Scholar] [CrossRef]
- Wang, J.; Xie, T.; Wang, Z. Research on Coordination Control Method of Multi-Port Energy Router. Jilin Electr. Power 2021, 49, 6–10. [Google Scholar]
- Li, Z.; Sheng, W.; Duan, Q.; Li, P.; Wang, J.; Du, S. Coordinated Control Strategy of AC/DC Hybrid Power Router Based on Voltage Stabilization by Energy Stroage. Autom. Electr. Power Syst. 2019, 43, 121–129. [Google Scholar]
- Liu, Y.; Liu, C.; Liu, S.; Huang, Y. Design and Control of a Novel Wireless Energy Router With Independent Power Transmission Channels. IEEE Trans. Power Electron. 2023, 38, 2940–2955. [Google Scholar] [CrossRef]
- Muc, A.; Kasprowicz, A.; Mysiak, P. The Concentrator for Single-Phase Inverters with Three-Phase Output Using Magnetically Coupled Reactors. Energies 2023, 16, 7343. [Google Scholar] [CrossRef]
- Zhang, X.; Shu, Y.; Fu, Y.; Wang, Y. Cooperative Optimal Control of Source-Load-Storage Energy in DC Microgrid with Virtual Energy Storage. High Volt. Eng. 2023, 49, 3497–3508. [Google Scholar] [CrossRef]
- Liu, S.; Li, X.; Qin, Q.; Xia, M.; Liu, X. Large Signal Stability Analysis for DC Microgrid Clusters. Trans. China Electrotech. Soc. 2022, 37, 3132–3147. [Google Scholar] [CrossRef]
Disclaimer/Publisher’s Note: The statements, opinions and data contained in all publications are solely those of the individual author(s) and contributor(s) and not of MDPI and/or the editor(s). MDPI and/or the editor(s) disclaim responsibility for any injury to people or property resulting from any ideas, methods, instructions or products referred to in the content. |
© 2025 by the authors. Licensee MDPI, Basel, Switzerland. This article is an open access article distributed under the terms and conditions of the Creative Commons Attribution (CC BY) license (https://creativecommons.org/licenses/by/4.0/).









