Supraharmonic Distortion at the Grid Connection Point of a Network Comprising a Photovoltaic System
Abstract
1. Introduction
2. Materials and Methods
3. PV System Simulation Study
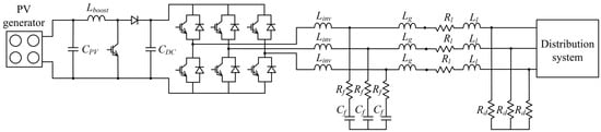
3.1. System Model
3.2. Simulation Results
4. Parameter Impact Assessment
4.1. Environmental Parameter Impact Assessment
4.2. Inverter Switching Impact Assessment
4.2.1. Sampling Method and Frequency
4.2.2. Dead Time
4.3. Output Filter Impact Assessment
4.4. Linear Load Impact Assessment
5. Comparison with Field Measurements
6. Extended System Simulation Study
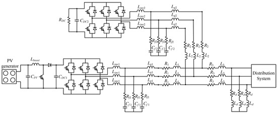
6.1. System Model
6.2. Simulation Results
6.3. Evaluation of Supraharmonic Disturbance
7. Discussion
8. Conclusions
Author Contributions
Funding
Data Availability Statement
Conflicts of Interest
Appendix A
Appendix A.1
Appendix A.2
Appendix B
Appendix C
References
- Blaabjerg, F.; Chen, Z.; Kjaer, S.B. Power Electronics as Efficient Interface in Dispersed Power Generation Systems. IEEE Trans. Power Electron. 2004, 19, 1184–1194. [Google Scholar] [CrossRef]
- Bollen, M.; Olofsson, M.; Larsson, A.; Rönnberg, S.; Lundmark, M. Standards for Supraharmonics (2 to 150 kHz). IEEE Electromagn. Compat. Mag. 2014, 3, 114–119. [Google Scholar] [CrossRef]
- Alkahtani, A.A.; Alfalahi, S.T.Y.; Athamneh, A.A.; Al-Shetwi, A.Q.; Bin Mansor, M.; Hannan, M.A.; Agelidis, V.G. Power Quality in Microgrids Including Supraharmonics: Issues, Standards, and Mitigations. IEEE Access 2020, 8, 127104–127122. [Google Scholar] [CrossRef]
- Rajkumar, S.; Balasubramanian, R.; Kathirvelu, P. A Comprehensive Review on Supraharmonics—The Next Big Power Quality Concern. Smart Grids Sustain. Energy 2024, 9, 15. [Google Scholar] [CrossRef]
- Aboutaleb, A.M.; Desmet, J.; Knockaert, J. Impact of Grid-Connected Inverter Parameters on the Supraharmonic Emissions in Distributed Power Generation Systems. Machines 2023, 11, 1014. [Google Scholar] [CrossRef]
- Mariscotti, A.; Mingotti, A. The Effects of Supraharmonic Distortion in MV and LV AC Grids. Sensors 2024, 24, 2465. [Google Scholar] [CrossRef] [PubMed]
- Michalec, Ł.; Kostyła, P.; Leonowicz, Z. Supraharmonic Pollution Emitted by Nonlinear Loads in Power Networks—Ongoing Worldwide Research and Upcoming Challenges. Energies 2023, 16, 273. [Google Scholar] [CrossRef]
- Khokhlov, V.; Meyer, J.; Grevener, A.; Busatto, T.; Rönnberg, S. Comparison of Measurement Methods for the Frequency Range 2–150 kHz (Supraharmonics) Based on the Present Standards Framework. IEEE Access 2020, 8, 77618–77630. [Google Scholar] [CrossRef]
- Ritzmann, D.; Lodetti, S.; de la Vega, D.; Khokhlov, V.; Gallarreta, A.; Wright, P.; Meyer, J.; Fernández, I.; Klingbeil, D. Comparison of Measurement Methods for 2–150-kHz Conducted Emissions in Power Networks. IEEE Trans. Instrum. Meas. 2021, 70, 9001110. [Google Scholar] [CrossRef]
- Meyer, J.; Haehle, S.; Schegner, P. Impact of Higher Frequency Emission above 2 kHz on Electronic Mass-Market Equipment. In Proceedings of the 22nd International Conference on Electricity Distribution (CIRED), Stockholm, Sweden, 10–13 June 2013. [Google Scholar] [CrossRef]
- Darmawardana, D.; Perera, S.; Robinson, D.; David, J.; Meyer, J.; Jayatunga, U. Impact of High Frequency Emissions (2-150 kHz) on Lifetime Degradation of Electrolytic Capacitors in Grid Connected Equipment Supraharmonic Measurements. In Proceedings of the 2019 IEEE Power & Energy Society General Meeting (PESGM), Atlanta, GA, USA, 4–8 August 2019. [Google Scholar] [CrossRef]
- Espín-Delgado, Á.; Rönnberg, S.; Letha, S.S.; Bollen, M. Diagnosis of Supraharmonics-Related Problems Based on the Effects on Electrical Equipment. Elect. Power Syst. Res. 2021, 195, 107179. [Google Scholar] [CrossRef]
- Agudelo-Martínez, D.; Limas, M.; Pavas, A.; Bacca, J. Supraharmonic Bands Detection for Low Voltage Devices. In Proceedings of the 17th International Conference on Harmonics and Quality of Power (ICHQP), Belo Horizonte, Brazil, 16–19 October 2016. [Google Scholar] [CrossRef]
- Agudelo-Martínez, D.; Pavas, A. Current Supraharmonics Identification in Commonly Used Low Voltage Devices. In Proceedings of the IEEE Workshop on Power Electronics and Power Quality Applications (PEPQA), Bogota, Colombia, 2–4 June 2015. [Google Scholar] [CrossRef]
- Bucci, G.; Ciancetta, F.; Fioravanti, A.; Fiorucci, E. The Effects of LED Lamps Emissions on PLC: A Preliminary Study in a Realistic Scenario. In Proceedings of the IEEE International Workshop on Metrology for Industry 4.0, Trento, Italy, 7–9 June 2022. [Google Scholar] [CrossRef]
- Varatharajan, A.; Schoettke, S.; Meyer, J.; Abart, A. Harmonic Emission of Large PV Installations Case Study of a 1 MW Solar Campus. Renew. Energy Power Qual. J. 2014, 1, 701–706. [Google Scholar] [CrossRef]
- Chicco, G.; Russo, R.; Spertino, F. Supraharmonics: Concepts and Experimental Results on Photovoltaic Systems. In Proceedings of the 2015 International School on Nonsinusoidal Currents and Compensation (ISNCC), Lagow, Poland, 15–18 June 2015. [Google Scholar] [CrossRef]
- Klatt, M.; Meyer, J.; Schegner, P.; Lakenbrink, C. Characterization of Supraharmonic Emission Caused by Small Photovoltaic Inverters. In Proceedings of the Mediterranean Conference on Power Generation, Transmission, Distribution and Energy Conversion (MedPower 2016), Belgrade, Serbia, 6–9 November 2016. [Google Scholar] [CrossRef]
- Darmawardana, D.; Perera, S.; Robinson, D.; Ciufo, P.; Meyer, J.; Klatt, M.; Jayatunga, U. Investigation of High Frequency Emissions (supraharmonics) from Small, Grid-Tied, Photovoltaic Inverters of Different Topologies. In Proceedings of the 18th International Conference on Harmonics and Quality of Power (ICHQP), Ljubljana, Slovenia, 13–16 May 2018. [Google Scholar] [CrossRef]
- Carneiro, R.K.; Ota, J.I.Y.; Pomilio, J.A. Field Measurements of Non-Intentional Emissions Above 2 kHz in Photovoltaic Inverter Installations. In Proceedings of the IEEE 29th International Symposium on Industrial Electronics (ISIE), Delft, The Netherlands, 17–19 June 2020. [Google Scholar] [CrossRef]
- Waniek, C.; Wohlfahrt, T.; Myrzik, J.M.A.; Meyer, J.; Klatt, M.; Schegner, P. Supraharmonics: Root Causes and Interactions Between Multiple Devices and the Low Voltage Grid. In Proceedings of the IEEE PES Innovative Smart Grid Technologies Conference Europe (ISGT-Europe), Turin, Italy, 26–29 September 2017. [Google Scholar] [CrossRef]
- Barkas, D.; Menti, A.; Pachos, P.; Psomopoulos, C.S. Experimental Investigation of the Impact of Environmental Parameters on the Supraharmonic Emissions of PV Inverters. AIMS Energy 2024, 12, 761–773. [Google Scholar] [CrossRef]
- Roy, S.; Debnath, A.; Tariq, M.; Behnamfar, M.; Sarwat, A. Characterizing Current THD’s Dependency on Solar Irradiance and Supraharmonics Profiling for a Grid-Tied Photovoltaic Power Plant. Sustainability 2023, 15, 1214. [Google Scholar] [CrossRef]
- Menti, A.; Barkas, D.; Kaminaris, S.; Psomopoulos, C.S. Supraharmonic Emission from a Three-Phase PV System Connected to the LV Grid. Energy Rep. 2021, 7, 527–542. [Google Scholar] [CrossRef]
- Li, T.; Rong, B.; Wu, Z.; Huang, J.; Huang, K. Research on Supraharmonic Emission Characteristics and Influence Factors of Two-Stage Single-Phase Frequency Converter. Energy Rep. 2023, 9, 1212–1224. [Google Scholar] [CrossRef]
- Darmawardana, D.; Perera, S.; Robinson, D.; Meyer, J.; Jayatunga, U. Important Considerations in Development of PV Inverter Models for High Frequency Emission (Supraharmonic) Studies. In Proceedings of the 19th International Conference on Harmonics and Quality of Power (ICHQP), Dubai, United Arab Emirates, 6–7 July 2020. [Google Scholar] [CrossRef]
- Rönnberg, S.; Larsson, A.; Bollen, M.; Schamen, J. A Simple Model for Interaction between Equipment at a Frequency of Some Tens of kHz. In Proceedings of the 21st International Conference on Electricity Distribution (CIRED), Frankfurt, Germany, 6–9 June 2011. [Google Scholar]
- Slangen, T.; Van Wijk, T.; Ćuk, V.; Cobben, S. The Propagation and Interaction of Supraharmonics from Electric Vehicle Chargers in a Low-Voltage Grid. Energies 2020, 13, 3865. [Google Scholar] [CrossRef]
- Menti, A.; Zacharias, T.; Milias-Argitis, J. Harmonic Distortion Assessment for a Single-Phase Grid-Connected Photovoltaic System. Renew. Energy 2011, 36, 360–368. [Google Scholar] [CrossRef]
- Mariscotti, A. Harmonic and Supraharmonic Emissions of Plug-in Electric Vehicle Chargers. Smart Cities 2022, 5, 496–521. [Google Scholar] [CrossRef]
- Sera, D.; Teodorescu, R.; Rodriguez, P. PV Panel Model Based on Datasheet Values. In Proceedings of the IEEE International Symposium on Industrial Electronics, Vigo, Spain, 4–7 June 2007; pp. 2392–2396. [Google Scholar] [CrossRef]
- De Soto, W.; Klein, S.A.; Beckman, W.A. Improvement and Validation of a Model for Photovoltaic Array Performance. Sol. Energy 2006, 80, 78–88. [Google Scholar] [CrossRef]
- Holmes, D.G.; Lipo, T.A. Pulse Width Modulation for Power Converters: Principles and Practice; Wiley-IEEE Press: Hoboken, NJ, USA, 2003. [Google Scholar]
- Bowes, S.R.; Holliday, D. Optimal Regular-Sampled PWM Inverter Control Techniques. IEEE Trans. Ind. Electron. 2007, 54, 1547–1559. [Google Scholar] [CrossRef]
- Liserre, M.; Blaadbjerg, F.; Hansen, S. Design and Control of an LCL-Filter-Based Three-Phase Active Rectifier. IEEE Trans. Ind. Appl. 2005, 41, 1281–1291. [Google Scholar] [CrossRef]
- Reznik, A.; Simões, M.G.; Al-Durra, A.; Muyeen, S.M. LCL Filter Design and Performance Analysis for Grid-Interconnected Systems. IEEE Trans. Ind. Appl. 2014, 50, 1225–1232. [Google Scholar] [CrossRef]
- Peña-Alzola, R.; Liserre, M.; Blaabjerg, F.; Sebastián, R.; Dannehl, J.; Fuchs, F.W. Analysis of the Passive Damping Losses in LCL-Filter-Based Grid Converters. IEEE Trans. Power Electron. 2013, 28, 2642–2646. [Google Scholar] [CrossRef]
- Rönnberg, S.; Bollen, M. Measurements of Primary and Secondary Emission in the Supraharmonic Frequency Range 2–150 kHz. In Proceedings of the International Conference and Exhibition on Electricity Distribution, Guangzhou, China, 15–18 June 2015. [Google Scholar]
- Pinto, J.; Grasel, B.; Baptista, J. Analysis of Supraharmonics Emission in Power Grids: A Case Study of Photovoltaic Inverters. Electronics 2024, 13, 4880. [Google Scholar] [CrossRef]
- Menti, A.; Barkas, D.; Pachos, P.; Psomopoulos, C.S. Contribution of a Power Multivector to Distorting Load Identification. AIMS Energy 2023, 11, 271–292. [Google Scholar] [CrossRef]
- Gurrola-Corral, C.; Segundo, J.; Esparza, M.; Cruz, R. Optimal LCL-Filter Design Method for Grid-Connected Renewable Energy Sources. Int. J. Electr. Power Energy Syst. 2020, 120, 105998. [Google Scholar] [CrossRef]
- Alghamdi, T.A.H.; Anayi, F.; Packianather, M. Optimal Design of Passive Power Filters Using the MRFO Algorithm and a Practical Harmonic Analysis Approach Including Uncertainties in Distribution Networks. Energies 2022, 15, 2566. [Google Scholar] [CrossRef]
- Abbas, A.S.; El-Sehiemy, R.A.; Abou El-Ela, A.; Ali, E.S.; Mahmoud, K.; Lehtonen, M.; Darwish, M.M.F. Optimal Harmonic Mitigation in Distribution Systems with Inverter Based Distributed Generation. Appl. Sci. 2021, 11, 774. [Google Scholar] [CrossRef]
- Cai, Y.; He, Y.; Zhou, H.; Liu, J. Design Method of LCL Filter for Grid-Connected Inverter Based on Particle Swarm Optimization and Screening Method. IEEE Trans. Power Electron. 2021, 36, 10097–10113. [Google Scholar] [CrossRef]



















| G (W/m2) | BMxsh (VA) | BMxsh-r (VA) | BMxsh-p (VA) | |||||||
|---|---|---|---|---|---|---|---|---|---|---|
| e13 | e14 | e23 | e13 | e14 | e23 | e13 | e14 | e23 | ||
| PV System | 991 | −33.7 | 10.6 | 0.7 | −16.6 | 21.0 | 8.4 | −17.1 | −10.4 | −7.7 |
| 793 | −26.9 | 10.3 | 0.2 | −11.2 | 18.2 | 5.4 | −15.7 | −7.9 | −5.2 | |
| 609 | −20.9 | 10.3 | −0.1 | −8.1 | 15.8 | 3.6 | −12.8 | −5.5 | −3.7 | |
| System 2 | 991 | 16.8 | −3.1 | 0.2 | 4.2 | −10.8 | −5.5 | 12.7 | 7.7 | 5.7 |
| 793 | 16.6 | −3.1 | −0.2 | 2.3 | −10.3 | −4.9 | 14.3 | 7.2 | 4.7 | |
| 609 | 16.4 | −3.3 | −0.0 | 1.2 | −9.8 | −4.4 | 15.2 | 6.5 | 4.4 | |
| Linear load | 991 | 9.9 | −0.1 | 4.6 | 2.0 | −4.9 | 1.1 | 7.9 | 4.8 | 3.5 |
| 793 | 9.7 | −0.1 | 4.6 | 1.2 | −4.3 | 1.8 | 8.5 | 4.2 | 2.8 | |
| 609 | 9.8 | −0.1 | 4.6 | 0.9 | −4.0 | 2.0 | 9.0 | 3.8 | 2.6 | |
| Line 1 | 991 | 14.1 | −0.2 | −0.3 | 6.8 | −4.7 | −3.6 | 7.3 | 4.4 | 3.3 |
| 793 | 11.2 | −0.1 | −0.1 | 4.5 | −3.5 | −2.3 | 6.7 | 3.4 | 2.2 | |
| 609 | 8.7 | −0.1 | 0.0 | 3.1 | −2.5 | −1.6 | 5.6 | 2.4 | 1.6 | |
| Line 2 | 991 | 5.1 | −0.2 | 0.1 | 3.9 | −1.0 | −0.5 | 1.3 | 0.8 | 0.6 |
| 793 | 5.1 | −0.2 | −0.1 | 3.7 | −0.9 | −0.5 | 1.4 | 0.7 | 0.5 | |
| 609 | 5.1 | −0.1 | −0.0 | 3.5 | −0.8 | −0.5 | 1.6 | 0.7 | 0.5 | |
| Line 3 | 991 | −0.8 | 0.0 | −0.3 | −0.2 | 0.4 | 0.0 | −0.6 | −0.4 | −0.3 |
| 793 | −2.2 | 0.0 | 0.1 | −0.6 | 0.8 | 0.6 | −1.7 | −0.8 | −0.6 | |
| 609 | −3.4 | 0.0 | 0.0 | −0.7 | 1.2 | 0.8 | −2.8 | −1.2 | −0.8 | |
| Point of connection to the grid | 991 | 11.3 | 6.9 | 5.1 | 0.0 | 0.0 | 0.0 | 11.3 | 6.9 | 5.1 |
| 793 | 13.6 | 6.8 | 4.5 | 0.0 | 0.0 | 0.0 | 13.6 | 6.8 | 4.5 | |
| 609 | 15.8 | 6.8 | 4.5 | 0.0 | 0.0 | 0.0 | 15.8 | 6.8 | 4.5 | |
| G (W/m2) | BMxsh (VA) | BMxsh-r (VA) | BMxsh-p (VA) | |||||||
|---|---|---|---|---|---|---|---|---|---|---|
| e15 | e16 | e25 | e15 | e16 | e25 | e15 | e16 | e25 | ||
| PV System | 991 | −6.5 | −0.9 | 0.1 | 0.4 | 2.4 | 3.3 | −6.9 | −3.4 | −3.1 |
| 793 | −5.2 | −0.9 | 0.0 | 1.3 | 1.6 | 2.2 | −6.4 | −2.6 | −2.1 | |
| 609 | −4.0 | −1.0 | −0.0 | 1.1 | 0.7 | 1.5 | −5.1 | −1.7 | −1.5 | |
| System 2 | 991 | 15.0 | 3.1 | 0.2 | 9.9 | 0.6 | −2.1 | 5.1 | 2.5 | 2.3 |
| 793 | 14.9 | 3.1 | −0.2 | 9.1 | 0.8 | −2.1 | 5.9 | 2.3 | 1.9 | |
| 609 | 14.7 | 3.1 | −0.0 | 8.7 | 1.1 | −1.8 | 6.1 | 2.0 | 1.8 | |
| Linear load | 991 | 4.0 | −0.0 | 1.9 | 0.8 | −1.6 | 0.5 | 3.2 | 1.5 | 1.4 |
| 793 | 4.0 | −0.0 | 1.9 | 0.5 | −1.4 | 0.7 | 3.5 | 1.4 | 1.1 | |
| 609 | 3.9 | −0.1 | 1.9 | 0.3 | −1.3 | 0.8 | 3.6 | 1.2 | 1.0 | |
| Line 1 | 991 | −1.5 | 0.0 | 0.0 | −4.5 | −1.4 | −1.3 | 3.0 | 1.4 | 1.3 |
| 793 | −1.3 | 0.0 | 0.0 | −4.0 | −1.1 | −0.9 | 2.7 | 1.1 | 0.9 | |
| 609 | −1.0 | 0.0 | −0.0 | −3.2 | −0.7 | −0.7 | 2.2 | 0.7 | 0.7 | |
| Line 2 | 991 | −6.0 | 0.0 | −0.1 | −6.5 | −0.2 | −0.3 | 0.5 | 0.2 | 0.2 |
| 793 | −6.0 | 0.0 | 0.1 | −6.6 | −0.2 | −0.1 | 0.6 | 0.2 | 0.2 | |
| 609 | −5.9 | 0.1 | 0.0 | −6.6 | −0.2 | −0.2 | 0.6 | 0.2 | 0.2 | |
| Line 3 | 991 | −0.3 | 0.0 | −0.1 | −0.1 | 0.1 | 0.0 | −0.3 | −0.1 | −0.1 |
| 793 | −0.9 | 0.0 | 0.0 | −0.2 | 0.3 | 0.2 | −0.7 | −0.3 | −0.2 | |
| 609 | −1.4 | 0.0 | 0.0 | −0.3 | 0.4 | 0.3 | −1.1 | −0.4 | −0.3 | |
| Point of connection to the grid | 991 | 4.6 | 2.2 | 2.1 | 0.0 | 0.0 | 0.0 | 4.6 | 2.2 | 2.1 |
| 793 | 5.5 | 2.2 | 1.8 | 0.0 | 0.0 | 0.0 | 5.5 | 2.2 | 1.8 | |
| 609 | 6.3 | 2.1 | 1.8 | 0.0 | 0.0 | 0.0 | 6.3 | 2.1 | 1.8 | |
| G (W/m2) | I1rms (A) | THDish (%) | BMxsh-p (VA) | |
|---|---|---|---|---|
| PV System | 991 | 11.9 | 0.53 | −33.7 |
| 793 | 9.6 | 0.65 | −29.2 | |
| 609 | 7.5 | 0.84 | −22.9 | |
| System 2 | 991 | 13.3 | 0.21 | 25.0 |
| 793 | 13.3 | 0.21 | 26.6 | |
| 609 | 13.2 | 0.22 | 27.2 | |
| Linear load | 991 | 10.3 | 0.00 | 15.5 |
| 793 | 10.3 | 0.00 | 15.7 | |
| 609 | 10.3 | 0.08 | 16.0 | |
| Line 1 | 991 | 11.9 | 0.53 | 14.3 |
| 793 | 9.6 | 0.65 | 12.5 | |
| 609 | 7.5 | 0.84 | 10.0 | |
| Line 2 | 991 | 13.3 | 0.21 | 2.5 |
| 793 | 13.3 | 0.21 | 2.7 | |
| 609 | 13.2 | 0.22 | 2.8 | |
| Line 3 | 991 | 1.4 | 3.08 | −1.2 |
| 793 | 3.7 | 1.19 | −3.1 | |
| 609 | 5.7 | 0.77 | −4.9 | |
| Point of connection to the grid | 991 | 11.8 | 0.37 | 22.3 |
| 793 | 13.7 | 0.32 | 25.1 | |
| 609 | 15.7 | 0.28 | 28.2 |
| Parameter Variations | Main Effect on Current Supraharmonics | |
|---|---|---|
| Environmental conditions | Irradiance variations | No effect |
| Temperature variations | No effect | |
| Switch control | Sampling method (natural/symmetrical regular/asymmetrical regular) | No effect on main components at inverter output |
| Sampling frequency < carrier frequency | Additional frequencies at inverter output | |
| Dead time increase | Increased values at inverter output | |
| Output filter | Filter capacitance increase | Decreased values at PV system output, lower resonance frequency |
| Filter resistance increase | Increased values at PV system output | |
| Additional supraharmonic source in the same vicinity | Additional frequencies at PV system output | |
Disclaimer/Publisher’s Note: The statements, opinions and data contained in all publications are solely those of the individual author(s) and contributor(s) and not of MDPI and/or the editor(s). MDPI and/or the editor(s) disclaim responsibility for any injury to people or property resulting from any ideas, methods, instructions or products referred to in the content. |
© 2025 by the authors. Licensee MDPI, Basel, Switzerland. This article is an open access article distributed under the terms and conditions of the Creative Commons Attribution (CC BY) license (https://creativecommons.org/licenses/by/4.0/).
Share and Cite
Menti, A.; Pachos, P.; Psomopoulos, C.S. Supraharmonic Distortion at the Grid Connection Point of a Network Comprising a Photovoltaic System. Energies 2025, 18, 564. https://doi.org/10.3390/en18030564
Menti A, Pachos P, Psomopoulos CS. Supraharmonic Distortion at the Grid Connection Point of a Network Comprising a Photovoltaic System. Energies. 2025; 18(3):564. https://doi.org/10.3390/en18030564
Chicago/Turabian StyleMenti, Anthoula, Pavlos Pachos, and Constantinos S. Psomopoulos. 2025. "Supraharmonic Distortion at the Grid Connection Point of a Network Comprising a Photovoltaic System" Energies 18, no. 3: 564. https://doi.org/10.3390/en18030564
APA StyleMenti, A., Pachos, P., & Psomopoulos, C. S. (2025). Supraharmonic Distortion at the Grid Connection Point of a Network Comprising a Photovoltaic System. Energies, 18(3), 564. https://doi.org/10.3390/en18030564

