A Semi-Analytical Method for the Identification of DC-Decay Parameters at an Arbitrary Rotor Position in Large Synchronous Machines
Abstract
1. Introduction
2. Arbitrary Rotor Position Parameter Identification Method Based on Three-Phase Connection
2.1. Conventional DC-Decay Test
2.2. The DC-Decay Test Using an Arbitrary Rotor Position
2.3. Rotor Position Determination Test
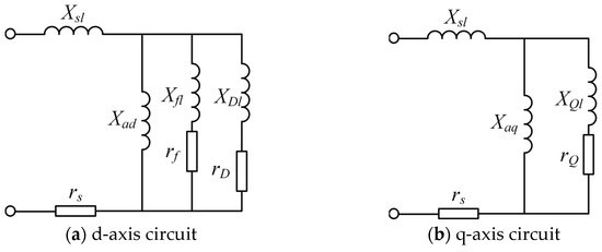
3. Semi-Analytical Parameter Identification
3.1. Relationship Between Equivalent Circuit Parameters and Current Response
3.2. Time-Domain Curve Fitting of Current Response
4. Experimental Test Results
5. Conclusions
Author Contributions
Funding
Data Availability Statement
Conflicts of Interest
References
- Ma, Y.; Zhou, L.; Wang, J.; Zheng, Y.; Xiao, Y. A Novel Full Parameters Identification Method for Synchronous Machine Based on an Expanded Dalton-Cameron Transformation in Arbitrary Rotor Position. Trans. China Electrotech. Soc. 2020, 35, 1208–1218. [Google Scholar]
- Ma, Y.; Ling, Z.; Cai, W.; Cui, Y.; Zhou, L.; Wang, J. A Novel Coast-Down No-Load Characteristic Test and Curve Conversion Method for Large-Scale Synchronous Condenser. Electr. Power Syst. Res. 2019, 172, 77–85. [Google Scholar] [CrossRef]
- Ma, Y.; Zhou, L.; Wang, J.; Zhou, J.; Zheng, Y. A Method for Synchronous Machine Dynamic Parameters Identification Based on DC Step Voltage Test and NSGAⅡ Algorithm. Trans. China Electrotech. Soc. 2019, 34, 4890–4900. [Google Scholar]
- IEEE Standard 115; Test Procedures for Synchronous Machines. IEEE: New York, NY, USA, 1995.
- Hosoi, T.; Watanabe, H.; Shima, K.; Fukami, T.; Hanaoka, R.; Takata, S. Demagnetization Analysis of Additional Permanent Magnets in Salient-Pole Synchronous Machines With Damper Bars Under Sudden Short Circuits. IEEE Trans. Ind. Electron. 2012, 59, 2448–2456. [Google Scholar] [CrossRef]
- Bladh, J.; Wallin, M.; Saarinen, L.; Lundin, U. Standstill Frequency Response Test on a Synchronous Machine Extended with Damper Bar Measurements. IEEE Trans. Energy Convers. 2016, 31, 46–56. [Google Scholar] [CrossRef]
- Arjona, M.A.; Hernandez, C.; Cisneros-Gonzalez, M.; Escarela-Perez, R. Estimation of Synchronous Generator Parameters Using the Standstill Step-Voltage Test and a Hybrid Genetic Algorithm. Int. J. Electr. Power Energy Syst. 2012, 35, 105–111. [Google Scholar] [CrossRef]
- Mäkelä, O.; Repo, A.K.; Arkkio, A. Numerical Pulse Test for Synchronous Machines. COMPEL-Int. J. Comput. Math. Electr. Electron. Engine 2010, 29, 1151–1158. [Google Scholar] [CrossRef]
- Arjona, M.A.; Cisneros-Gonzalez, M.; Hernandez, C. Parameter Estimation of a Synchronous Generator Using a Sine Cardinal Perturbation and Mixed Stochastic–Deterministic Algorithms. IEEE Trans. Ind. Electron. 2011, 58, 486–493. [Google Scholar] [CrossRef]
- Cisneros-González, M.; Hernandez, C.; Morales-Caporal, R.; Bonilla-Huerta, E.; Arjona, M.A. Parameter Estimation of a Synchronous-Generator Two-Axis Model Based on the Standstill Chirp Test. IEEE Trans. Energy Convers. 2013, 28, 44–51. [Google Scholar] [CrossRef]
- FSellschopp, F.S.; Arjona, M.A. Semi-Analytical Method for Determining d-axis Synchronous Generator Parameters Using the DC Step Voltage Test. IET Electr. Power Appl. 2007, 1, 348–354. [Google Scholar] [CrossRef]
- Bortoni, E.C.; Jardini, J.A. A Standstill Frequency Response Method for Large Salient Pole Synchronous Machines. IEEE Trans. Energy Convers. 2004, 19, 687–691. [Google Scholar] [CrossRef]
- Ma, Y.; Zhou, L.; Wang, J. Standstill Time-Domain Response Parameter Estimation of the Large Synchronous Condenser in Arbitrary Rotor Position. IEEE Access 2020, 8, 166047–166059. [Google Scholar] [CrossRef]
- Oteafy, A.M.; Chiasson, J.N.; Ahmed-Zaid, S. Development and Application of a Standstill Parameter Identification Technique for the synchronous generator. Int. J. Electr. Power Energy Syst. 2016, 81, 222–231. [Google Scholar] [CrossRef]
- Maurer, F.; Xuan, M.T.; Simond, J.J. Two Full Parameter Identification Methods for Synchronous Machine Applying DC-Decay Tests for a Rotor in Arbitrary Position. IEEE Trans. Ind. Appl. 2017, 53, 3505–3518. [Google Scholar] [CrossRef]
- Li, H.; Jian, X. Parameter Identification of Permanent Magnet Synchronous Motor Based on CGCRAO Algorithm. IEEE Access 2023, 11, 124319–124330. [Google Scholar] [CrossRef]
- Xie, C.; Zhang, S.; Li, X.; Zhou, Y.; Dong, Y. Parameter Identification for SPMSM With Deadbeat Predictive Current Control Using Online PSO. IEEE Trans. Transp. Electrif. 2024, 10, 4055–4064. [Google Scholar] [CrossRef]
- Ma, Y.; Wang, J.; Xiao, Y.; Zhou, L.; Zhu, Z.Q. Two-Level Surrogate-Assisted Transient Parameters Design Optimization of a Wound-Field Synchronous Machine. IEEE Trans. Energy Convers. 2022, 37, 737–747. [Google Scholar] [CrossRef]
- Zhao, J.; Zhang, G. A Robust Prony Method Against Synchrophasor Measurement Noise and Outliers. IEEE Trans. Power Syst. 2017, 32, 2484–2486. [Google Scholar] [CrossRef]










| Parameter | Value | Parameter | Value |
|---|---|---|---|
| Rated capacity (MVA) | 172 | Rated power (MW) | 150.5 |
| Rated power factor | 0.875 | Rated speed (r/min) | 333.3 |
| Rated voltage (kV) | 15.75 | Rated Current (A) | 6305 |
| Amplitude Coefficients | Attenuation Coefficients | ||
|---|---|---|---|
| a1 | 108.65 | c1 | −209.94 |
| a2 | 1.1152 | c2 | −7.62 |
| a3 | 0.2290 | c3 | −0.125 |
| Id∞ | −110 | ||
| Denominator | Numerator | ||
|---|---|---|---|
| g1 | 201 | a1 | −22,820 |
| g2 | 1626.68 | a2 | −178,421 |
| g3 | 217.95 | a3 | −22,164 |
| g4 | 1 | ||
| Amplitude Coefficients | Attenuation Coefficients | ||
|---|---|---|---|
| q1 | −571.9 | e1 | −215.43 |
| q2 | −28.08 | e2 | −3.19 |
| Iq∞ | 600 | ||
| Amplitude Coefficients | Attenuation Coefficients | ||
|---|---|---|---|
| h1 | 687.22 | m1 | 123,298 |
| h2 | 218.62 | m2 | 412,333 |
| h4 | 1 | ||
| Parameter | Proposed Method | Type Test Method | Design Value | Relative Error |
|---|---|---|---|---|
| Xd | 1.04 p.u. | 1.13 p.u. | 1.09 p.u. | −4.6%, +3.7% |
| 0.274 p.u. | 0.268 p.u. | 0.29 p.u. | −5.5%, −7.6% | |
| 0.21 p.u. | 0.20 p.u. | 0.22 p.u. | −4.5%, −9.0% | |
| 2.10 s | 2.13 s | 2.238 s | −6.1%, −4.8% | |
| 0.10 s | 0.105 s | 0.092 s | +8.6%, +14.1% | |
| 7.82 s | 7.79 s | 8.34 s | −6.2%, −6.6% | |
| 0.13 s | 0.14 s | 0.12 s | +8.3%, +16.6% | |
| Xq | 0.832 p.u. | 0.851 p.u. | 0.9 p.u. | −7.5%, −5.4% |
| 0.212 p.u. | 0.211 p.u. | 0.22 p.u. | −3.6%, −4.1% | |
| 0.0836 s | / | 0.0762 s | +9.7% | |
| 0.293 s | / | 0.312 s | −6% |
Disclaimer/Publisher’s Note: The statements, opinions and data contained in all publications are solely those of the individual author(s) and contributor(s) and not of MDPI and/or the editor(s). MDPI and/or the editor(s) disclaim responsibility for any injury to people or property resulting from any ideas, methods, instructions or products referred to in the content. |
© 2025 by the authors. Licensee MDPI, Basel, Switzerland. This article is an open access article distributed under the terms and conditions of the Creative Commons Attribution (CC BY) license (https://creativecommons.org/licenses/by/4.0/).
Share and Cite
Lai, Z.; Kang, H.; Liu, D.; Wang, Z.; Yang, Y.; Wang, J. A Semi-Analytical Method for the Identification of DC-Decay Parameters at an Arbitrary Rotor Position in Large Synchronous Machines. Energies 2025, 18, 279. https://doi.org/10.3390/en18020279
Lai Z, Kang H, Liu D, Wang Z, Yang Y, Wang J. A Semi-Analytical Method for the Identification of DC-Decay Parameters at an Arbitrary Rotor Position in Large Synchronous Machines. Energies. 2025; 18(2):279. https://doi.org/10.3390/en18020279
Chicago/Turabian StyleLai, Zhenming, Haoyu Kang, Demin Liu, Zhichao Wang, Yong Yang, and Jin Wang. 2025. "A Semi-Analytical Method for the Identification of DC-Decay Parameters at an Arbitrary Rotor Position in Large Synchronous Machines" Energies 18, no. 2: 279. https://doi.org/10.3390/en18020279
APA StyleLai, Z., Kang, H., Liu, D., Wang, Z., Yang, Y., & Wang, J. (2025). A Semi-Analytical Method for the Identification of DC-Decay Parameters at an Arbitrary Rotor Position in Large Synchronous Machines. Energies, 18(2), 279. https://doi.org/10.3390/en18020279

