Full-Bridge T-Type Three-Level LLC Resonant Converter with Wide Output Voltage Range
Abstract
1. Introduction
- (1)
- This paper proposes a wide-range control method based on a full-bridge T-type three-level LLC resonant converter and analyzes the working principle and wide output voltage characteristic.
- (2)
- A variable-topology strategy is employed to tackle the challenge of achieving both a wide output voltage range.
- (3)
- A PWM modulation method is proposed to achieve a wide output voltage range through variable-topology and variable-frequency control strategies.
2. Conventional Control Method for Full-Bridge T-Type Three-Level LLC Resonant Converter
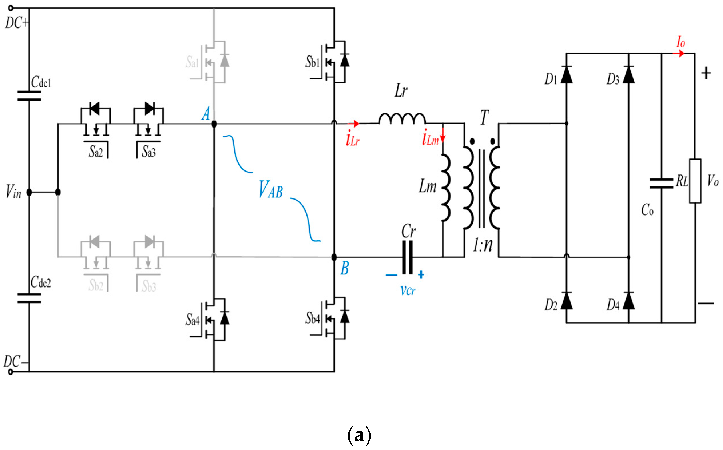
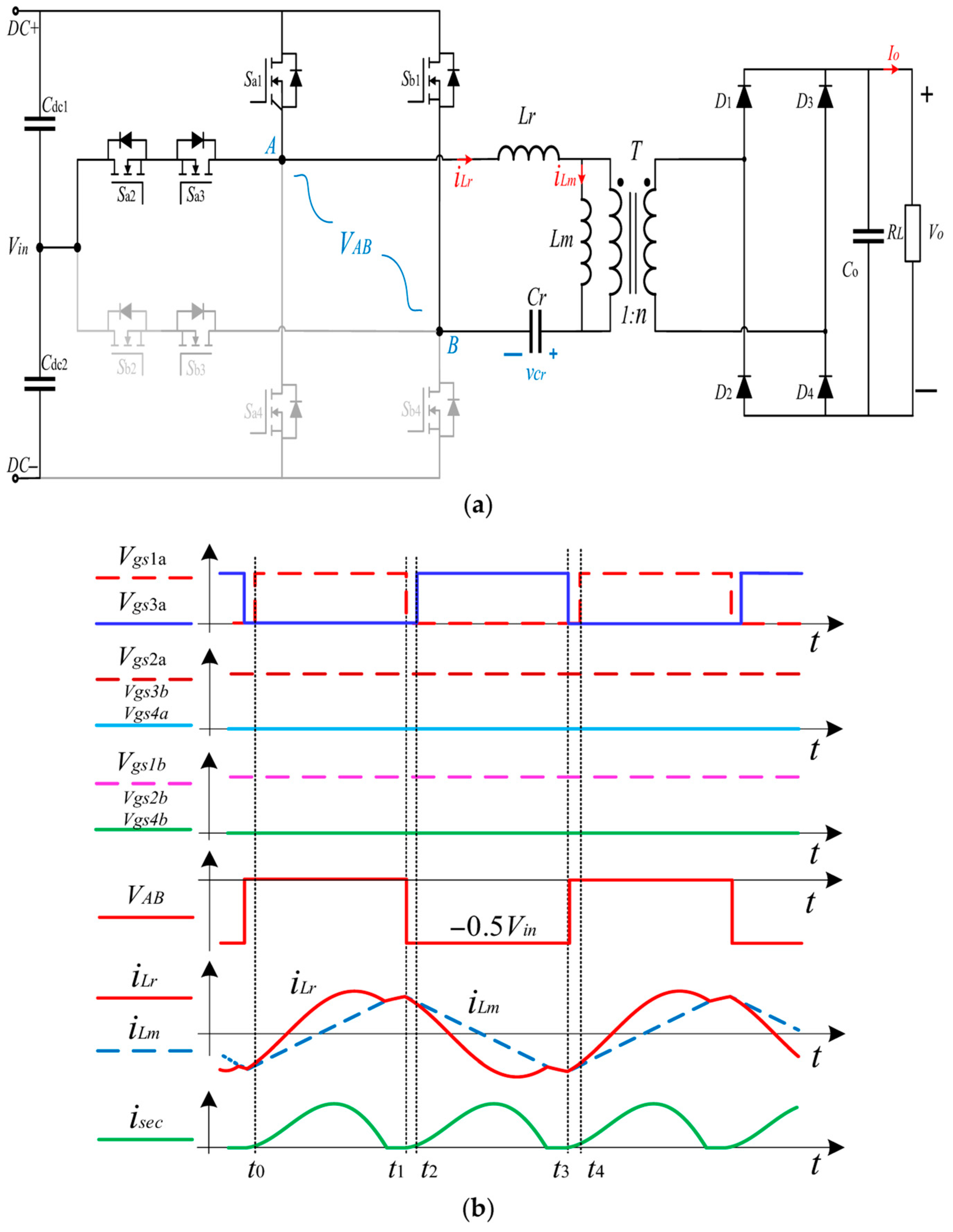
2.1. Operating Principle of the Full-Bridge T-Type Three-Level LLC Converter
2.2. Analysis of Conventional Control Methods
3. Proposed Modulation and Control Method for Wide Gain
3.1. Proposed 0.75 Gain Operating Mode
3.2. Proposed 0.25 Gain Operating Mode
3.3. Conventional 1 and 0.5 Gain Operating Mode
3.4. Control Strategy of Full-Bridge T-Type Three-Level LLC Resonant Converter
4. Simulation and Experimental Results
4.1. Simulation of Different Modulation Modes for Full-Bridge T-Type Three-Level LLC Converter
4.2. Experiments on Different Modulation Modes of Full-Bridge T-Type Three-Level LLC Converter
5. Conclusions
Author Contributions
Funding
Data Availability Statement
Conflicts of Interest
References
- Fei, C.; Lee, F.C.; Li, Q. High-Efficiency High-Power-Density LLC Converter with an Integrated Planar Matrix Transformer for High-Output Current Applications. IEEE Trans. Ind. Electron. 2017, 64, 9072–9082. [Google Scholar] [CrossRef]
- Kundu, U.; Yenduri, K.; Sensarma, P. Accurate ZVS Analysis for Magnetic Design and Efficiency Improvement of Full-Bridge LLC Resonant Converter. IEEE Trans. Power Electron. 2017, 32, 1703–1706. [Google Scholar] [CrossRef]
- Yao, Z.; He, X.; Liu, M.; Liu, J.; Xiao, Z.; Tang, Y. Fixed Switching Frequency Control Using Trapezoidal Current Mode to Achieve ZVS in Three-Level DC-DC Converters. IEEE Trans. Ind. Electron. 2025, 72, 4175–4185. [Google Scholar] [CrossRef]
- Wang, H.; Dusmez, S.; Khaligh, A. Design and Analysis of a Full-Bridge LLC-Based PEV Charger Optimized for Wide Battery Voltage Range. IEEE Trans. Veh. Technol. 2014, 63, 1603–1613. [Google Scholar] [CrossRef]
- Deng, J.; Li, S.; Hu, S.; Mi, C.C.; Ma, R. Design Methodology of LLC Resonant Converters for Electric Vehicle Battery Chargers. IEEE Trans. Veh. Technol. 2014, 63, 1581–1592. [Google Scholar] [CrossRef]
- Mustafa, A.; Mekhilef, S. Dual Phase LLC Resonant Converter with Variable Frequency Zero Circulating Current Phase-Shift Modulation for Wide Input Voltage Range Applications. IEEE Trans. Power Electron. 2021, 36, 2793–2807. [Google Scholar] [CrossRef]
- Lin, J.; Yueh, H.; Lin, Y.; Liu, P. Variable-Frequency and Phase-Shift with Synchronous Rectification Advance On-Time Hybrid Control of LLC Resonant Converter for Electric Vehicles Charger. IEEE J. Emerg. Sel. Top. Ind. Electron. 2023, 4, 348–356. [Google Scholar] [CrossRef]
- Wei, Y.; Luo, Q.; Mantooth, A. Overview of Modulation Strategies for LLC Resonant Converter. IEEE Trans. Power Electron. 2020, 35, 10423–10443. [Google Scholar] [CrossRef]
- Zhang, J.; Cai, Z. Hybrid Control Switching Technology for LLC Resonant Converter. Energies 2024, 17, 6250. [Google Scholar] [CrossRef]
- Jiang, H.; Yue, X. Phase-Shifting Adaptive LLC Resonant Converter with Reduced Turn-Off Loss in Wide Voltage Application. Energies 2024, 17, 1555. [Google Scholar] [CrossRef]
- Dou, Y.; Ai, S.; Cheng, S.; Fang, S. Hybrid Control and Optimal Parameters Design for Wide Input Range Series Half Bridge Three Level LLC Resonant Converter in UUV Power Supply System. IEEE Trans. Transp. Electrif. 2025, 1, 1. [Google Scholar] [CrossRef]
- Yue, Y.; Liu, Y.; Zhang, J.; Zhao, H.; Yang, J. Hybrid Control Method of Full-Bridge LLC Resonant Converter Based on Electric Vehicle. IEEE Access 2024, 12, 51859–51868. [Google Scholar] [CrossRef]
- Luo, G.; Yao, Z.; Jiang, L.; Xiao, Z.; Chen, W.; Tang, Y. Current Balancing Control Method with Reduced Number of Current Sensors for Interleaved LLC Converters. IEEE J. Emerg. Sel. Top. Power Electron. 2024, 12, 2604–2613. [Google Scholar] [CrossRef]
- Gao, L.; Liu, K.; Chen, Y.; Luan, H.; Zhou, S.; Cai, H. Variable-Gain LLC Converter with Series–Parallel Hybrid Switch-Controlled Capacitor Network. IEEE Trans. Power Electron. 2025, 40, 3885–3898. [Google Scholar] [CrossRef]
- Hou, Z.; Jiao, D.; Lai, J.-S. An Ultrawide Range Pulse Width Modulated LLC Converter with Voltage Multiplier Rectifiers. IEEE Trans. Power Electron. 2025, 40, 6216–6229. [Google Scholar] [CrossRef]
- Ning, G.; Du, L.; Xu, G.; Sun, Y.; Liu, Y.; Han, H. Dual-Mode LLC Converter with Wide Voltage Gain in Narrow Switching Frequency Range. IEEE Trans. Power Electron. 2024, 39, 12058–12064. [Google Scholar] [CrossRef]
- Wei, Y.; Luo, Q.; Mantooth, A. Comprehensive Analysis and Design of LLC Resonant Converter with Magnetic Control. CPSS Trans. Power Electron. Appl. 2019, 4, 265–275. [Google Scholar] [CrossRef]
- Zhu, L.; Sheng, Z.; Peng, F.; Yang, L. Control Strategy of Half-Bridge Three-Level LLC Resonant Converters with Wide Output Voltage Range. IEEE Trans. Plasma Sci. 2022, 50, 4381–4386. [Google Scholar] [CrossRef]
- Yao, Z.; Liu, M.; Li, Y.; Xiao, Z.; Jiang, Y.; Zhang, L. Generalized Trapezoidal Current Mode-Based Zero-Voltage Switching for Multilevel DC-DC Converters. IEEE Trans. Power Electron. 2025, 40, 8956–8961. [Google Scholar] [CrossRef]
- Qin, J.; He, Z.; Weng, Z.; Guan, R.; Li, Z.; Li, Z. Serial Hybrid-Clamped Three-Level Half-Bridge LLC Resonant Converter with Wide Input Voltage Range. IEEE Trans. Ind. Electron. 2024, 71, 13991–14001. [Google Scholar] [CrossRef]
- Chen, J.; Wang, Z.; Lan, Y.; Zeng, L.; Xiong, X.; Wang, W. A Novel Five-level LLC Resonant Converter and Its Modulation Strategy. In Proceedings of the 2024 IEEE 8th Conference on Energy Internet and Energy System Integration (EI2), Shenyang, China, 29 November–2 December 2024; pp. 3714–3719. [Google Scholar] [CrossRef]
- Jiang, T.; Zhang, J.; Wu, X.; Sheng, K.; Wang, Y. A Bidirectional Three-Level LLC Resonant Converter with PWAM Control. IEEE Trans. Power Electron. 2016, 31, 2213–2225. [Google Scholar] [CrossRef]
- Yao, Z.; He, X.; Lan, H.; Yang, H.; Xiao, Z.; Deng, F. A Trapezoidal Current Mode to Reduce Peak Current in Near-CRM for Three-Level DC–DC Converter. IEEE Trans. Power Electron. 2024, 39, 9446–9456. [Google Scholar] [CrossRef]
- Jin, K.; Ruan, X. Hybrid Full-Bridge Three-Level LLC Resonant Converter—A Novel DC–DC Converter Suitable for Fuel-Cell Power System. IEEE Trans. Ind. Electron. 2006, 53, 1492–1503. [Google Scholar] [CrossRef]
- Rashwan, A.; Sayed, M.A.; Mobarak, Y.A.; Shabib, G.; Senjyu, T. Predictive Controller Based on Switching State Grouping for a Modular Multilevel Converter with Reduced Computational Time. IEEE Trans. Power Deliv. 2017, 32, 2189–2198. [Google Scholar] [CrossRef]
- Jia, P.; Liu, M. A Wide Range LLC Resonant Converter Realized by an Adjustable Turns Ratio Transformer. IEEE Trans. Power Electron. 2025, 40, 10396–10401. [Google Scholar] [CrossRef]
- Li, G.; Yang, D.; Zhou, B.; Zhang, H. A Topology-Reconfigurable LLC Resonant Converter for Wide Output Range Applications. IEEE Trans. Veh. Technol. 2022, 71, 10389–10399. [Google Scholar] [CrossRef]
- Zuo, Y.; Shen, X.; Du, B.; Sui, Q.; Geboers, T.; Martinez, W. Reconfigurable LLC Resonant Converter for Wide Voltage Range and Reduced Voltage Stress in DC-Connected EV Charging Stations. In Proceedings of the 2025 IEEE Applied Power Electronics Conference and Exposition (APEC), Atlanta, GA, USA, 16–20 March 2025; pp. 436–441. [Google Scholar] [CrossRef]
- Xue, Y.; Yang, G. A Wide-Output-Range DC-DC Converter and Minimum Loss Collaborative Control Strategy. Energies 2024, 17, 499. [Google Scholar] [CrossRef]
- Alaql, F.; Alfraidi, W.; Alhatlani, A.; Al-Shamma’a, A.A.; Hussein Farh, H.M.; Allehyani, A. A Detailed Analysis and Gain Derivation of Reconfigurable Voltage Rectifier-Based LLC Converter. Electronics 2024, 13, 3788. [Google Scholar] [CrossRef]
- Hao, Z.; Yang, Y.; Li, H. Design of “十” Low Turn Ratio Planar Transformer in High Transformation Ratio LLC Resonant Converter. In Proceedings of the 2024 IEEE 10th International Power Electronics and Motion Control Conference (IPEMC2024-ECCE Asia), Chengdu, China, 17–20 May 2024; pp. 3781–3786. [Google Scholar] [CrossRef]
- Khodabakhsh, J.; Moschopoulos, G. A T-Type DC-DC Converter with Reduced Middle-Leg Switch Current Stress and Improved Light-Load Efficiency. IEEE Open J. Power Electron. 2020, 1, 238–249. [Google Scholar] [CrossRef]
- Sun, X.; Li, X.; Shen, Y.; Wang, B.; Guo, X. Dual-Bridge LLC Resonant Converter with Fixed-Frequency PWM Control for Wide Input Applications. IEEE Trans. Power Electron. 2017, 32, 69–80. [Google Scholar] [CrossRef]
- Yao, Z.; Jiang, L.; Sun, T.; Xiao, Z.; Chen, W.; Tang, Y. Smooth Optimal Trajectory and Voltage Balancing Control for T-Type Three-Level LLC Resonant Converter in Alternating Mode. IEEE Trans. Power Electron. 2025, 40, 9278–9288. [Google Scholar] [CrossRef]
- Jiang, L.; Yao, Z.; Luo, G.; Yang, B.; Chen, W. Design and Control Method of T-Type Three-Level LLC Converter for Wide Input Voltage Application. In Proceedings of the 2024 IEEE 10th International Power Electronics and Motion Control Conference (IPEMC2024-ECCE Asia), Chengdu, China, 17–20 May 2024; pp. 2122–2127. [Google Scholar] [CrossRef]
- Ma, W.; Li, H.; Yin, S.; Pang, X.; Chu, D. Design of Hybrid SiC/Si Based T-Type Three-Level LLC Resonant Converter with Wide-Input Range and Low Conduction Loss for Automotive Auxiliary Power Module. IET Power Electron. 2023, 16, 209–226. [Google Scholar] [CrossRef]
- Queiroz, S.S.; Costa, L.F. Optimal Design of a LLC Resonant DC-DC Converter Based on the Stacked Half-Bridge Concept for Solid-State Transformer. IEEE Trans. Power Electron. 2025. [Google Scholar] [CrossRef]
- Qin, J.; Li, Z.; He, Z.; Weng, Z.; Guan, R.; Li, Z. Thermal Balance Modulation of Switching Devices for Hybrid-Clamped Three-Level Full-Bridge LLC Resonant Converter. IEEE Trans. Power Electron. 2024, 39, 5487–5497. [Google Scholar] [CrossRef]
- Yao, Z.; He, X.; Xiao, Z.; He, Z.; Jiang, Y.; Tang, Y. Full-Range ZVS Control Method Based on Near-CRM for T-Type Three-Level Inverter. In Proceedings of the 2023 IEEE Energy Conversion Congress and Exposition (ECCE), Nashville, TN, USA, 29 October–2 November 2023; pp. 2987–2992. [Google Scholar] [CrossRef]
- Shi, Y.; Wang, L.; Xie, R.; Shi, Y.; Li, H. A 60-kW 3-kW/kg Five-Level T-Type SiC PV Inverter with 99.2% Peak Efficiency. IEEE Trans. Ind. Electron. 2017, 64, 9144–9154. [Google Scholar] [CrossRef]
- Wei, Y.; Zhang, S.; Liu, J.; Mantooth, H.A. Hybrid PFM and PWM Modulation Strategy for Stacked Structure LLC Resonant Converter with Wide Input Voltage Range Application. IEEE Trans. Ind. Appl. 2024, 60, 4038–4053. [Google Scholar] [CrossRef]
- Kirshenboim, O.; Peretz, M.M. Combined Multilevel and Two-Phase Interleaved LLC Converter with Enhanced Power Processing Characteristics and Natural Current Sharing. IEEE Trans. Power Electron. 2018, 33, 5613–5620. [Google Scholar] [CrossRef]




























| Component | Value | Component | Value |
|---|---|---|---|
| Vin | 200 V | Lr | 7.8 μH |
| Vout | 100 V–400 V | Cr | 900 nF |
| fr | 60 kHz | Lm | 31.2 μH |
| n | 2 | Rload | 60 |
| Cdc1/Cdc2 | 800 μF |
Disclaimer/Publisher’s Note: The statements, opinions and data contained in all publications are solely those of the individual author(s) and contributor(s) and not of MDPI and/or the editor(s). MDPI and/or the editor(s) disclaim responsibility for any injury to people or property resulting from any ideas, methods, instructions or products referred to in the content. |
© 2025 by the authors. Licensee MDPI, Basel, Switzerland. This article is an open access article distributed under the terms and conditions of the Creative Commons Attribution (CC BY) license (https://creativecommons.org/licenses/by/4.0/).
Share and Cite
Zhang, K.; Zhao, K.; Yang, X.; Liu, M.; Yao, Z. Full-Bridge T-Type Three-Level LLC Resonant Converter with Wide Output Voltage Range. Energies 2025, 18, 4613. https://doi.org/10.3390/en18174613
Zhang K, Zhao K, Yang X, Liu M, Yao Z. Full-Bridge T-Type Three-Level LLC Resonant Converter with Wide Output Voltage Range. Energies. 2025; 18(17):4613. https://doi.org/10.3390/en18174613
Chicago/Turabian StyleZhang, Kangjia, Kun Zhao, Xiaoxiao Yang, Muyang Liu, and Zhigang Yao. 2025. "Full-Bridge T-Type Three-Level LLC Resonant Converter with Wide Output Voltage Range" Energies 18, no. 17: 4613. https://doi.org/10.3390/en18174613
APA StyleZhang, K., Zhao, K., Yang, X., Liu, M., & Yao, Z. (2025). Full-Bridge T-Type Three-Level LLC Resonant Converter with Wide Output Voltage Range. Energies, 18(17), 4613. https://doi.org/10.3390/en18174613

