Synergy of Fly Ash and Surfactant on Stabilizing CO2/N2 Foam for CCUS in Energy Applications
Abstract
1. Introduction
2. Experiments
2.1. Materials
2.2. Methodology
2.2.1. Flue Gas Preparation
2.2.2. Solutions and Dispersions Preparation
2.2.3. Foam Size Analysis
3. Results and Discussion
3.1. Surface Tension Properties of CTAB, SDBS, and SDS Surfactants
3.2. Half-Life Times of Flue Gas Foam Stabilized by SDS/SDBS/CTAB Surfactants
3.3. Foam Volumes of Flue Gas Foam Stabilized by SDS/SDBS/CTAB Surfactants
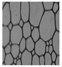
3.4. The Analysis of Foam Size and Structure
3.5. Performance of Nitrogen Foam Stabilized by SDS, Clay, and Nano Fly Ash Particles
3.5.1. Test of Foam Half-Life Time
3.5.2. Test of Foam Volume
4. Conclusions
Author Contributions
Funding
Data Availability Statement
Conflicts of Interest
References
- Ragab, A.; Mansour, E.M. Enhanced Oil Recovery: Chemical Flooding. In Geophysics and Ocean Waves Studies; Essa, K.S., Di Risio, M., Celli, D., Pasquali, D., Eds.; IntechOpen: London, UK, 2021; ISBN 978-1-78985-372-8. [Google Scholar]
- Sahimi, M. Flow and Transport in Porous Media and Fractured Rock: From Classical Methods to Modern Approaches, 2nd ed.; Wiley-VCH: Weinheim, Germany, 2011; ISBN 978-3-527-40485-8. [Google Scholar]
- Liang, T.; Zhao, X.; Yuan, S.; Zhu, J.; Liang, X.; Li, X.; Zhou, F. Surfactant-EOR in Tight Oil Reservoirs: Current Status and a Systematic Surfactant Screening Method with Field Experiments. J. Pet. Sci. Eng. 2021, 196, 108097. [Google Scholar] [CrossRef]
- Liu, P.; Zhang, X.; Wu, Y.; Li, X. Enhanced Oil Recovery by Air-Foam Flooding System in Tight Oil Reservoirs: Study on the Profile-Controlling Mechanisms. J. Pet. Sci. Eng. 2017, 150, 208–216. [Google Scholar] [CrossRef]
- Jones, S.A.; van der Bent, V.; Farajzadeh, R.; Rossen, W.R.; Vincent-Bonnieu, S. Surfactant Screening for Foam EOR: Correlation between Bulk and Core-Flood Experiments. Colloids Surf. A Physicochem. Eng. Asp. 2016, 500, 166–176. [Google Scholar] [CrossRef]
- Agneta, M.; Zhaomin, L.; Chao, Z.; Gerald, G. Investigating Synergism and Antagonism of Binary Mixed Surfactants for Foam Efficiency Optimization in High Salinity. J. Pet. Sci. Eng. 2019, 175, 489–494. [Google Scholar] [CrossRef]
- Hirasaki, G.J. The Steam-Foam Process. J. Pet. Technol. 1989, 41, 449–456. [Google Scholar] [CrossRef]
- Smith, D.H. Foams: Fundamentals and Applications in the Petroleum Industry; Schramm, L.L., Ed.; Advances in Chemistry; American Chemical Society: Washington, DC, USA, 1994; Volume 242, ISBN 978-0-8412-2719-4. [Google Scholar]
- Li, S.; Li, Z.; Wang, P. Experimental Study of the Stabilization of CO2 Foam by Sodium Dodecyl Sulfate and Hydrophobic Nanoparticles. Ind. Eng. Chem. Res. 2016, 55, 1243–1253. [Google Scholar] [CrossRef]
- Zhang, S.Y. Foams Stabilized by Laponite/Surfactants and HMHEC/Surfactants. Ph.D. Thesis, Shandong University, Jinan, China, 2008. [Google Scholar]
- Aarra, M.G.; Skauge, A.; Solbakken, J.; Ormehaug, P.A. Properties of N2- and CO2-Foams as a Function of Pressure. J. Pet. Sci. Eng. 2014, 116, 72–80. [Google Scholar] [CrossRef]
- Eftekhari, A.A.; Krastev, R.; Farajzadeh, R. Foam Stabilized by Fly Ash Nanoparticles for Enhancing Oil Recovery. Ind. Eng. Chem. Res. 2015, 54, 12482–12491. [Google Scholar] [CrossRef]
- Vilakazi, A.Q.; Ndlovu, S.; Chipise, L.; Shemi, A. The Recycling of Coal Fly Ash: A Review on Sustainable Developments and Economic Considerations. Sustainability 2022, 14, 1958. [Google Scholar] [CrossRef]
- Yao, Z.T.; Ji, X.S.; Sarker, P.K.; Tang, J.H.; Ge, L.Q.; Xia, M.S.; Xi, Y.Q. A Comprehensive Review on the Applications of Coal Fly Ash. Earth-Sci. Rev. 2015, 141, 105–121. [Google Scholar] [CrossRef]
- Lv, Q.; Li, Z.; Li, B.; Husein, M.; Li, S.; Shi, D.; Liu, W.; Bai, H.; Sheng, L. Synergistic Mechanism of Particulate Matter (PM) from Coal Combustion and Saponin from Camellia Seed Pomace in Stabilizing CO2 Foam. Energy Fuels 2018, 32, 3733–3742. [Google Scholar] [CrossRef]
- Aronson, A.S.; Bergeron, V.; Fagan, M.E.; Radke, C.J. The Influence of Disjoining Pressure on Foam Stability and Flow in Porous Media. Colloids Surf. A Physicochem. Eng. Asp. 1994, 83, 109–120. [Google Scholar] [CrossRef]
- Fink, J. Drilling Muds. In Petroleum Engineer’s Guide to Oil Field Chemicals and Fluids; Elsevier: Amsterdam, The Netherlands, 2021; pp. 1–122. ISBN 978-0-323-85438-2. [Google Scholar]
- Orujov, A.; Coddington, K.; Aryana, S.A. A Review of CCUS in the Context of Foams, Regulatory Frameworks and Monitoring. Energies 2023, 16, 3284. [Google Scholar] [CrossRef]
- Abdelaal, A.; Gajbhiye, R.; Al-Shehri, D. Mixed CO2/N2 Foam for EOR as a Novel Solution for Supercritical CO2 Foam Challenges in Sandstone Reservoirs. ACS Omega 2020, 5, 33140–33150. [Google Scholar] [CrossRef] [PubMed]
- Siddiqui, M.A.Q.; Gajbhiye, R.N. Stability and Texture of CO2/N2 Foam in Sandstone. Colloids Surf. A Physicochem. Eng. Asp. 2017, 534, 26–37. [Google Scholar] [CrossRef]
- Harris, P.C. A Comparison of Mixed-Gas Foams with N2 and CO2 Foam Fracturing Fluids on a Flow-Loop Viscometer. SPE Prod. Facil. 1995, 10, 197–203. [Google Scholar] [CrossRef]
- Kazemzadeh, Y.; Shojaei, S.; Riazi, M.; Sharifi, M. Review on Application of Nanoparticles for EOR Purposes: A Critical Review of the Opportunities and Challenges. Chin. J. Chem. Eng. 2019, 27, 237–246. [Google Scholar] [CrossRef]
- Rattanaudom, P.; Shiau, B.-J.B.; Harwell, J.H.; Suriyapraphadilok, U.; Charoensaeng, A. The Study of Ultralow Interfacial Tension SiO2-Surfactant Foam for Enhanced Oil Recovery. J. Pet. Sci. Eng. 2022, 209, 109898. [Google Scholar] [CrossRef]
- Sun, X.; Zhang, Y.; Chen, G.; Gai, Z. Application of Nanoparticles in Enhanced Oil Recovery: A Critical Review of Recent Progress. Energies 2017, 10, 345. [Google Scholar] [CrossRef]
- Zhao, J.; Torabi, F.; Yang, J. The Synergistic Role of Silica Nanoparticle and Anionic Surfactant on the Static and Dynamic CO2 Foam Stability for Enhanced Heavy Oil Recovery: An Experimental Study. Fuel 2021, 287, 119443. [Google Scholar] [CrossRef]
- Rognmo, A.U.; Heldal, S.; Fernø, M.A. Silica Nanoparticles to Stabilize CO2-Foam for Improved CO2 Utilization: Enhanced CO2 Storage and Oil Recovery from Mature Oil Reservoirs. Fuel 2018, 216, 621–626. [Google Scholar] [CrossRef]
- Song, C.; Pan, W.; Srimat, S.T.; Zheng, J.; Li, Y.; Wang, Y.H.; Zhu, Q.M. Tri-Reforming of Methane over Ni Catalysts for CO2 Conversion to Syngas with Desired H2/CO Ratios Using Flue Gas of Power Plants without CO2 Separation. In Studies in Surface Science and Catalysis; Elsevier: Amsterdam, The Netherlands, 2004; Volume 153, pp. 315–322. [Google Scholar]
- Ahmed, T. Equilibrium Ratios. In Working Guide to Vapor-Liquid Phase Equilibria Calculations; Elsevier: Amsterdam, The Netherlands, 2010; pp. 5–7. ISBN 978-1-85617-826-6. [Google Scholar]
- Alkan, H.; Goktekin, A.; Satman, A. A Laboratory Study of CO2-Foam Process for Bati Raman Field, Turkey. In Proceedings of the Middle East Oil Show, Manama, Bahrain, 16–19 November 1991; Society of Petroleum Engineers: Manama, Bahrain, 1991. [Google Scholar]
- Lake, L.W. Enhanced Oil Recovery; Prentice Hall: Englewood Cliffs, NJ, USA, 1989; ISBN 978-0-13-281601-4. [Google Scholar]
- Kawale, D.; van Nimwegen, A.T.; Portela, L.M.; van Dijk, M.A.; Henkes, R.A.W.M. The Relation between the Dynamic Surface Tension and the Foaming Behaviour in a Sparger Setup. Colloids Surf. A Physicochem. Eng. Asp. 2015, 481, 328–336. [Google Scholar] [CrossRef]
- Rosen, M.J. Surfactants and Interfacial Phenomena; John Wiley & Sons, Inc.: Hoboken, NJ, USA, 2004; ISBN 978-0-471-47818-8. [Google Scholar]
- Farajzadeh, R.; Andrianov, A.; Bruining, H.; Zitha, P.L.J. Comparative Study of CO2 and N2 Foams in Porous Media at Low and High Pressure−Temperatures. Ind. Eng. Chem. Res. 2009, 48, 4542–4552. [Google Scholar] [CrossRef]
- Prud’homme, R.K.; Khan, S.A. Foams: Theory Measurements, and Applications, 1st ed.; Surfactant Science Series; Routledge: Abingdon, UK, 2017; Volume 57, ISBN 978-0-203-75570-9. [Google Scholar]
- Princen, H.M.; Mason, S.G. The Permeability of Soap Films to Gases. J. Colloid Sci. 1965, 20, 353–375. [Google Scholar] [CrossRef]
- Farajzadeh, R.; Muruganathan, R.M.; Krastev, R.; Rossen, W.R. Effect of Gas Type on Foam Film Permeability and Its Implications for Foam Flow in Porous Media. In Proceedings of the SPE EUROPEC/EAGE Annual Conference and Exhibition, Barcelona, Spain, 14–17 June 2010; SPE: Richardson, TX, USA, 2010. [Google Scholar]
- Harris, P.C. Dynamic Fluid-Loss Characteristics of CO2-Foam Fracturing Fluids. SPE Prod. Eng. 1987, 2, 89–94. [Google Scholar] [CrossRef]
- Chabert, M.; Morvan, M.; Nabzar, L. Advanced Screening Technologies for the Selection of Dense CO2 Foaming Surfactants. In Proceedings of the SPE Improved Oil Recovery Symposium, Tulsa, OK, USA, 14–18 April 2012; SPE: Richardson, TX, USA, 2012; p. SPE-154147-MS. [Google Scholar]
- Stevenson, P. Inter-Bubble Gas Diffusion in Liquid Foam. Curr. Opin. Colloid Interface Sci. 2010, 15, 374–381. [Google Scholar] [CrossRef]
- Memon, M.K.; Shuker, M.T.; Elraies, K.A. Study of Blended Surfactants to Generate Stable Foam in Presence of Crude Oil for Gas Mobility Control. J. Pet. Explor. Prod. Technol. 2017, 7, 77–85. [Google Scholar] [CrossRef]
- Hadian Nasr, N.; Mahmood, S.M.; Akbari, S.; Hematpur, H. A Comparison of Foam Stability at Varying Salinities and Surfactant Concentrations Using Bulk Foam Tests and Sandpack Flooding. J. Pet. Explor. Prod. Technol. 2020, 10, 271–282. [Google Scholar] [CrossRef]
- Mast, R.F. Microscopic Behavior of Foam in Porous Media. In Proceedings of the Fall Meeting of the Society of Petroleum Engineers of AIME, San Antonio, TX, USA, 8–11 October 1972; SPE: Richardson, TX, USA, 1972; p. SPE-3997-MS. [Google Scholar]
- Wang, T.; Fan, H.; Yang, W.; Meng, Z. Stabilization Mechanism of Fly Ash Three-Phase Foam and Its Sealing Capacity on Fractured Reservoirs. Fuel 2020, 264, 116832. [Google Scholar] [CrossRef]











| Surfactant | Chemical Formula | Molecular Weight (g/mol) | Charge |
|---|---|---|---|
| SDS | C12H24NaSO4 | 288.38 | Negative |
| CTAB | (C16H33)N(CH3)3Br | 364.5 | Positive |
| SDBS | C12H25C6H4SO3Na | 348.48 | Negative |
| The Ratio of CO2 % | The Ratio of N2 % | Total Ratio % |
|---|---|---|
| 100 | 0 | 100 |
| 75 | 25 | - |
| 50 | 50 | - |
| 25 | 75 | - |
| 0 | 100 | - |
| Time (min) | 0 | 5 | 10 | 20 |
|---|---|---|---|---|
| 100% N2 | ![]() | ![]() | ![]() | ![]() |
| 75% N2+ 25% CO2 | ![]() | ![]() | ![]() | ![]() |
| 50% N2+ 50% CO2 | ![]() | ![]() | ![]() | ![]() |
| 25% N2+ 75% CO2 | ![]() | ![]() | ![]() | ![]() |
| 100% CO2 | ![]() | ![]() | ![]() | ![]() |
| Time (min) | 0 | 5 | 10 | 20 |
|---|---|---|---|---|
| 100% N2 | ![]() | ![]() | ![]() | ![]() |
| 75% N2+ 25% CO2 | ![]() | ![]() | ![]() | ![]() |
| 50% N2+ 50% CO2 | ![]() | ![]() | ![]() | ![]() |
| 25% N2+ 75% CO2 | ![]() | ![]() | ![]() | ![]() |
| 100% CO2 | ![]() | ![]() | ![]() | ![]() |
| Time (min) | 0 | 5 | 10 | 20 |
|---|---|---|---|---|
| 100% N2 | ![]() | ![]() | ![]() | ![]() |
| 75% N2+ 25% CO2 | ![]() | ![]() | ![]() | ![]() |
| 50% N2+ 50% CO2 | ![]() | ![]() | ![]() | ![]() |
| 25%N2+ 75% CO2 | ![]() | ![]() | ![]() | ![]() |
| 100% CO2 | ![]() | ![]() | ![]() | ![]() |
Disclaimer/Publisher’s Note: The statements, opinions and data contained in all publications are solely those of the individual author(s) and contributor(s) and not of MDPI and/or the editor(s). MDPI and/or the editor(s) disclaim responsibility for any injury to people or property resulting from any ideas, methods, instructions or products referred to in the content. |
© 2025 by the authors. Licensee MDPI, Basel, Switzerland. This article is an open access article distributed under the terms and conditions of the Creative Commons Attribution (CC BY) license (https://creativecommons.org/licenses/by/4.0/).
Share and Cite
Raib, J.D.; Zhou, F.; Liang, T.; Ahmed, A.A.; Yuan, S. Synergy of Fly Ash and Surfactant on Stabilizing CO2/N2 Foam for CCUS in Energy Applications. Energies 2025, 18, 4181. https://doi.org/10.3390/en18154181
Raib JD, Zhou F, Liang T, Ahmed AA, Yuan S. Synergy of Fly Ash and Surfactant on Stabilizing CO2/N2 Foam for CCUS in Energy Applications. Energies. 2025; 18(15):4181. https://doi.org/10.3390/en18154181
Chicago/Turabian StyleRaib, Jabir Dubaish, Fujian Zhou, Tianbo Liang, Anas A. Ahmed, and Shuai Yuan. 2025. "Synergy of Fly Ash and Surfactant on Stabilizing CO2/N2 Foam for CCUS in Energy Applications" Energies 18, no. 15: 4181. https://doi.org/10.3390/en18154181
APA StyleRaib, J. D., Zhou, F., Liang, T., Ahmed, A. A., & Yuan, S. (2025). Synergy of Fly Ash and Surfactant on Stabilizing CO2/N2 Foam for CCUS in Energy Applications. Energies, 18(15), 4181. https://doi.org/10.3390/en18154181





























































