A Hybrid Algorithm for PMLSM Force Ripple Suppression Based on Mechanism Model and Data Model
Abstract
1. Introduction
2. The Force Ripple Modeling of PMLSMs
2.1. The Structure and Force Ripple Composition of PMLSM
2.2. Modeling of Electromagnetic Force Ripple
2.3. Modeling of Mechanical Force Ripple
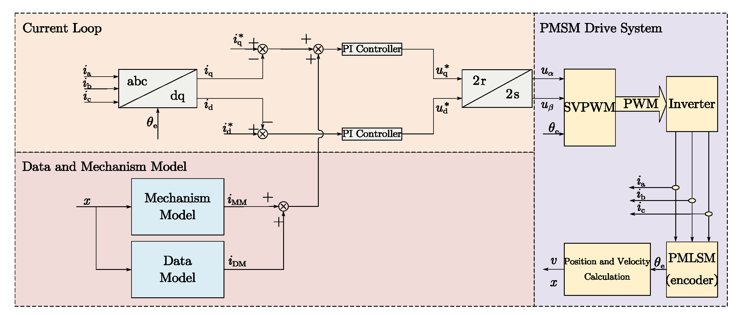
3. Establishment of PMLSM Control Model
3.1. Control Model of PMLSM
3.2. The Force Ripple Acquisition of PMLSM
4. Evaluation and Analysis of Force Ripple Suppression Effect
4.1. Suppression Effect of Force Ripple at Rated Speed
4.2. Suppression Effect of Force Ripple at Half Speed
4.3. Discussion
5. Conclusions
Author Contributions
Funding
Data Availability Statement
Conflicts of Interest
References
- Huang, X.; Tan, Q.; Wang, Q.; Li, J. Optimization for the Pole Structure of Slot-Less Tubular Permanent Magnet Synchronous Linear Motor and Segmented Detent Force Compensation. IEEE Trans. Appl. Supercond. 2016, 26, 0611405. [Google Scholar] [CrossRef]
- Zheng, S.J.; Yen, F.; Li, J.; Lin, Q.X.; Chen, X.; Zheng, J.; Ma, G.T.; Wang, J.S.; Wang, S.Y. Performance of a Small-Scale High Temperature Superconducting Linear Synchronous Motor Prototype. IEEE Trans. Appl. Supercond. 2011, 22, 5200104. [Google Scholar] [CrossRef]
- Boduroglu, A.; Demir, Y.; Cumhur, B.; Aydin, M. A Novel Track Structure of Double-Sided Linear PM Synchronous Motor for Low Cost and High Force Density Applications. IEEE Trans. Magn. 2020, 57, 8201305. [Google Scholar] [CrossRef]
- Wu, L.; Li, Y.; Lu, Q. Detent Force Fast Optimization Method of Modular Permanent-Magnet Linear Synchronous Motors. IEEE Trans. Ind. Electron. 2024, 71, 16191–16199. [Google Scholar] [CrossRef]
- Zhang, C.; Chen, F.; Qiu, S.; Pei, T.; Gao, W.; Chen, J.; Zhang, J.; Yang, G. A Low Detent Force DS-PMSLM Based on the Modulation of Cogging and End Forces. IEEE Trans. Ind. Electron. 2023, 70, 721–730. [Google Scholar] [CrossRef]
- Xu, R.; Liu, J.; Lin, X.; Liu, Z.; Yan, F.; Gao, Y. Autotuned Non-Linear Extended-State-Observer Based Fixed-Time Control for Motor-Drive Servo Systems. IEEE Trans. Power Electron. 2025. early access. [Google Scholar] [CrossRef]
- Lin, X.; Liu, J.; Liu, Z.; Gao, Y.; Peretti, L.; Wu, L. Model-Free Current Predictive Control for PMSMs With Ultralocal Model Employing Fixed-Time Observer and Extremum-Seeking Method. IEEE Trans. Power Electron. 2025, 40, 10682–10693. [Google Scholar] [CrossRef]
- Lin, X.; Wu, C.; Yao, W.; Liu, Z.; Shen, X.; Xu, R.; Sun, G.; Liu, J. Observer-Based Fixed-Time Control for Permanent-Magnet Synchronous Motors With Parameter Uncertainties. IEEE Trans. Power Electron. 2023, 38, 4335–4344. [Google Scholar] [CrossRef]
- Lin, X.; Xu, R.; Yao, W.; Gao, Y.; Sun, G.; Liu, J.; Peretti, L.; Wu, L. Observer-Based Prescribed Performance Speed Control for PMSMs: A Data-Driven RBF Neural Network Approach. IEEE Trans. Ind. Inform. 2024, 20, 7502–7512. [Google Scholar] [CrossRef]
- Xu, R.; Shen, X.; Lin, X.; Liu, Z.; Xu, D.; Liu, J. Robust Model Predictive Control of Position Sensorless-Driven IPMSM Based on Cascaded EKF-LESO. IEEE Trans. Transp. Electrif. 2025, 11, 8824–8832. [Google Scholar] [CrossRef]
- Guo, L.; Zhou, Q.; Galea, M.; Lu, W. Cogging Force Optimization of Double-Sided Tubular Linear Machine With Tooth-Cutting. IEEE Trans. Ind. Electron. 2021, 69, 7161–7169. [Google Scholar] [CrossRef]
- Li, B.; Zhang, J.; Zhao, X.; Liu, B.; Dong, H. Research on Air Gap Magnetic Field Characteristics of Trapezoidal Halbach Permanent Magnet Linear Synchronous Motor Based on Improved Equivalent Surface Current Method. Energies 2023, 16, 793. [Google Scholar] [CrossRef]
- Du, S.; Zhang, Z.; Wang, J.; Wang, K.; Zhao, H.; Li, Z. Integrated Predictive Control of PMLSM Current and Velocity Based on ST-SMO. Energies 2022, 15, 5504. [Google Scholar] [CrossRef]
- Zuo, K.; Hong, Y.; Yang, J.; Xu, L.; Qi, H.; Li, B.; Liu, H.; Liu, L. Thrust Coordinated Assignment and Ripple Suppression of a Multiple-Modular Permanent Magnet Linear Synchronous Motor Based on Model Predictive Thrust Control. Energies 2023, 16, 5368. [Google Scholar] [CrossRef]
- Zhou, W.-C.; Sun, Z.-L.; Zeng, R.-T.; Mao, Y.-H.; Ding, A.-M. A Thrust Ripple Suppression Method for Long-Primary Double-Sided Linear Induction Motors Based on Harmonic Current Injection. IEEE Trans. Transp. Electrif. 2022, 9, 2348–2355. [Google Scholar] [CrossRef]
- Li, Z.; Zhang, Z.; Wang, J.; Wang, S.; Chen, X.; Sun, H. ADRC Control System of PMLSM Based on Novel Non-Singular Terminal Sliding Mode Observer. Energies 2022, 15, 3720. [Google Scholar] [CrossRef]
- Peng, B.; Li, L.; Zhang, N.; Zhao, G.; Liu, T. Method for reducing resistance ripple of permanent magnet linear motor with Double V Structure. Trans. China Electrotech. Soc. 2017, 32, 108–114. [Google Scholar] [CrossRef]
- Peng, B.; Zhang, N.; Xia, J.; Shen, L.; Zhang, Z.; Sun, Y. Analytical calculation of end effect force of permanent magnet linear motor. Proc. CSEE 2016, 36, 547–553. [Google Scholar] [CrossRef]
- Sankhwar, P. Application of Permanent Magnet Synchronous Motor for Electric Vehicle. Indian J. Des. Eng. 2024, 4, 1–6. [Google Scholar] [CrossRef]















| Symbol | Parameters | Value |
|---|---|---|
| Z/P | Slot/Pole | 14/12 |
| δ | Air gap length | 1 mm |
| τ | Pole pitch | 14 mm |
| hpm | Permanent magnet height | 4.5 mm |
| wpm | Permanent magnet width | 10.2 mm |
| bt | Tooth width | 11.5 mm |
| Lfe | Core length | 168 mm |
| h | Core height | 54 mm |
| Ce | Back-emf coefficient | 105.6 V/ms−1 |
| Ct | Force coefficient | 64.7 N/Arms |
| m | Total mass of moving parts | 3.2 kg |
| The Control Method Without Compensation | The Control Method with Mechanistic Model Compensation | The Control Method with the Proposed Hybrid Algorithm | |
|---|---|---|---|
| Speed Ripple | 0.014 m/s | 0.007 m/s | 0.003 m/s |
| Torque Ripple | 52 N | 46 N | 34 N |
| The Control Method Without Compensation | The Control Method with Mechanistic Model Compensation | The Control Method with the Proposed Hybrid Algorithm | |
|---|---|---|---|
| Speed Ripple | 0.008 m/s | 0.006 m/s | 0.002 m/s |
| Torque Ripple | 38 N | 32 N | 31 N |
Disclaimer/Publisher’s Note: The statements, opinions and data contained in all publications are solely those of the individual author(s) and contributor(s) and not of MDPI and/or the editor(s). MDPI and/or the editor(s) disclaim responsibility for any injury to people or property resulting from any ideas, methods, instructions or products referred to in the content. |
© 2025 by the authors. Licensee MDPI, Basel, Switzerland. This article is an open access article distributed under the terms and conditions of the Creative Commons Attribution (CC BY) license (https://creativecommons.org/licenses/by/4.0/).
Share and Cite
Yi, Y.; Ma, S.; Zhang, B.; Feng, W. A Hybrid Algorithm for PMLSM Force Ripple Suppression Based on Mechanism Model and Data Model. Energies 2025, 18, 4101. https://doi.org/10.3390/en18154101
Yi Y, Ma S, Zhang B, Feng W. A Hybrid Algorithm for PMLSM Force Ripple Suppression Based on Mechanism Model and Data Model. Energies. 2025; 18(15):4101. https://doi.org/10.3390/en18154101
Chicago/Turabian StyleYi, Yunlong, Sheng Ma, Bo Zhang, and Wei Feng. 2025. "A Hybrid Algorithm for PMLSM Force Ripple Suppression Based on Mechanism Model and Data Model" Energies 18, no. 15: 4101. https://doi.org/10.3390/en18154101
APA StyleYi, Y., Ma, S., Zhang, B., & Feng, W. (2025). A Hybrid Algorithm for PMLSM Force Ripple Suppression Based on Mechanism Model and Data Model. Energies, 18(15), 4101. https://doi.org/10.3390/en18154101

